Материал: Ответы на экзамен лето 2 курс

Внимание! Если размещение файла нарушает Ваши авторские права, то обязательно сообщите нам

Для обычных полупроводниковых диодов прямое напряжение не более 1…2В. Например, пусть источник имеет действующее напряжение Е=200В и   . Если Uпр max = 2В, то UR max = 278В.

При отрицательной полуволне подводимого напряжения тока практически нет и падение напряжения на резисторе Rн равно нулю. Все напряжение источника приложено к диоду и является для него обратным напряжением. Таким образом, максимальное значение обратного напряжения равно амплитуде ЭДС источника.

Простейшая схема применения стабилитрона приведена на рис. 3.12, а. Нагрузка (потребитель) включена параллельно стабилитрону. Поэтому, в режиме стабилизации, когда напряжение на стабилитроне почти постоянно, такое же напряжение будет и на нагрузке. Обычно Rогр рассчитывают для средней точки Т характеристики стабилитрона.

Рассмотрим случай, когда Е = const, а Rн изменяется в пределах от Rн min до Rн max..

Значение Rогр можно найти по следующей формуле:

                                      (3.3)

где Iср = 0,5(Iст min+Iст max) – средний ток стабилитрона;

Iн = Uст/Rн – ток нагрузки (при Rн = const);

Iн.ср = 0,5(Iн min+Iн max), (при Rн = var),

причем    и     .

 

Рисунок 3.12

 

Работу схемы в данном режиме можно объяснить так. Поскольку Rогр постоянно и падение напряжения на нем, равное (Е − Uст), также постоянно, то и ток в Rогр, равный (Iст + Iн.ср), должен быть постоянным. Но последнее возможно только в том случае, если ток стабилитрона I и ток нагрузки Iн изменяются в одинаковой степени, но в противоположные стороны. Например, если Iн увеличивается, то ток I на столько же уменьшается, а их сумма остается неизменной.

Принцип действия стабилитрона рассмотрим на примере цепи, состоящей из последовательно соединенного источника переменной ЭДС – е, стабилитрона VD и резистора R (рис. 3.13, а).

В положительный полупериод на стабилитрон подается обратное напряжение, и до величины напряжения пробоя стабилитрона все напряжение прикладывается к стабилитрону, так как ток в цепи равен нулю. После электрического пробоя стабилитрона напряжение на стабилитроне VD остается без изменений и все оставшееся напряжение источника ЭДС будет приложено к резистору R. В отрицательный полупериод стабилитрон включен в проводящем направлении, падение напряжения на нем порядка 1В, а оставшееся напряжение источника ЭДС приложено к резистору R.

 

Рисунок 3.13

  1. Схема выпрямления переменного тока

Одним из главных применений полупроводнико­вых диодов является выпрямление переменного тока. Выпрямитель служит для преобразования перемен­ного напряжения в постоянное. Выпрямленное на­пряжение еще содержит переменные составляющие, которые называются пульсациями. От пульсаций избавляются с помощью сглаживающих фильтров.

Для обеспечения неизменной величины выход­ного напряжения используется стабилизатор напря­жения. Стабилизатор напряжения удерживает вы­ходное напряжение на постоянном уровне.

Основными параметрами, характеризующими выпрямители, являются: номинальное среднее вып­рямленное напряжение U0 , номинальный средний выпрямленный ток I0 и коэффициент пульсаций выпрямленного напряжения kn.

Коэффициентом пульсаций kn называется отно­шение амплитуды первой гармоники выпрямленно­го напряжения к среднему значению выпрямленно­го напряжения.

Основными параметрами, характеризующими диоды в выпрямителях, являются: среднее значение прямого тока, максимальное значение обратного на­пряжения и рассеиваемая мощность.

Трансформаторы, работающие в выпрямителях, ха­рактеризуются действующими значениями токов и напряжений первичной и вторичной обмоток и но­минальной мощностью.

Наиболее распространены три основные схемы выпрямителей: однополупериодная, двухполупериодная и мостовая.

Схема однополупериодного выпрямителя изобра­жена на (рис. 12.1), где Т - трансформатор, VD - по­лупроводниковый диод, a R - нагрузка.

Рис. 12.1

Когда на верхнюю часть вторичной обмотки по­дан положительный полупериод переменного тока, на диод подается прямое напряжение, и он пропус­кает его, а когда отрицательный, то диод заперт. Через нагрузку протекает пульсирующий прерывистый ток (рис. 12.2).

Сопротивление Rд диода непостоянно: оно опре­деляется крутизной вольтамперной характеристи­ки в каждой точке. Однако при включении после­довательно с диодом нагрузки RH, сопротивление этой цели становится равным RД + RH , и характе­ристику можно считать линейной (динамическая ха­рактеристика).

Рис. 12.2

 

Среднее за период значение тока, выпрямленно­го однополупериодным выпрямителем

I0=Im/ π (12.1)

где Im ~ амплитуда тока, а среднее постоянное на­пряжение на нагрузке

U0 = I0RH =Um/π -I0Rд (12.2)

Без нагрузки (I0 = 0) напряжение на зажимах вы­прямителя будет равно среднему за период значе­нию положительной волны синусоиды:

U0=Um/ π =0.318Um=0.45U (12.3)

 

где U - действующее значение переменного напря­жения. При увеличении тока нагрузки напряжение на ней уменьшается на величину падения напряже­ния на диоде (I0Rд ).

Во время отрицательного полупериода, когда диод закрыт, он находится под напряжением вторичной обмотки трансформатора, поэтому наибольшее обрат­ное напряжение, действующее на диод,

 (12,4)

Мы видим, что обратное напряжение на диоде бо­лее чем в 3 раза превышает выпрямленное напряже­ние на нагрузке.

Однополупериодная схема очень редко использует­ся в современных выпрямителях, поскольку вторич­ная обмотка трансформатора работает только полови­ну периода, и поэтому габаритная мощность транс­форматора должна превышать мощность выпрямлен­ного тока примерно в 3 раза. Кроме того, выпрямлен­ное напряжение имеет очень высокий коэффициент пульсаций, что затрудняет его сглаживание.

На (рис. 12.3) изображена двухполупериодная схе­ма, где Т - трансформатор с отводом от середины вторичной обмотки, VDи VD2 - полупроводнико­вые диоды, a R - нагрузка.

Рис. 12.3

 

Эту схему можно рассматривать как две самосто­ятельные однополупериодные схемы, имеющие общую нагрузку. В ней диоды VD1 и VD2 оказывают­ся открытыми в разные половины периода перемен­ного напряжения, и поэтому ток через нагрузку R протекает в обе половины периода, пульсируя с двой­ной частотой (рис. 12.4).

Рис. 12.4

Каждый диод здесь работает как в однополупериодной схеме. Токи диодов складываются, поэтому постоянные составляющие тока и напряжения

 (12.5)

 

 (12.6)

 

Из выражения (12.6) следует, что в отсутствие нагрузки напряжение на выходе двухполупериодного выпрямителя вдвое больше напряжения на выходе однополупериодного выпрямителя.

В двухполупериодной схеме максимальное обрат­ное напряжение, действующее на каждый диод, находящийся в закрытом состоянии, равно сумме амп­литуд напряжений обеих половин вторичной обмот­ки:

 (12.7)

Ток, протекающий через каждый диод, равен:

 

т. е. по сравнению с однополупериодной в двухполупериодной схеме через каждый диод протекает вдвое меньший ток. Коэффициент пульсаций в двухполупериодной схеме значительно ниже.

Двухполупериодная схема довольно часто исполь­зуется на практике. Ее недостатками являются: не­обходимость отвода от середины вторичной обмот­ки трансформатора и неполное использование вто­ричной обмотки трансформатора по напряжению. Эти недостатки устранены в мостовой схеме.

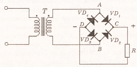
Мостовая схема выпрямления изображена на (рис. 12.5) и состоит из трансформатора Т и четырех дио­дов: VD1 - VD4.

Рис. 12.5

Диагональ AВ моста подключена к вторичной обмотке трансформатора, а диагональ CD - к нагрузке. Полярность напряжения на вторичной обмотке

изменяется каждую половину периода, в результа­те чего при более высоком потенциале точки А (+) по сравнению с потенциалом точки В (-) ток прохо­дит в течение полупериода A —>VD1—>С —>R —> D —> VD3 —>B—>A, а в следующий полупериод по пути В—> VD2 —> С—>R—>D —> VD4 —>A —> R

Таким образом, выпрямленный ток идет через на­грузку R в течение всего периода переменного тока, поэтому мостовая схема является двухполупериодной.

В мостовой схеме выпрямленный ток и напряже­ние имеют такую же форму, как и в двухполупериодной схеме со средней точкой, поэтому согласно (12.5) значение выпрямленного тока

а выпрямленного напряжения согласно (12.6):

Без нагрузки (I0 - 0) напряжение на зажимах вы­прямителя

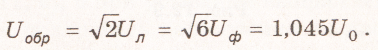
Особенностью мостовой схемы является отсут­ствие во вторичной обмотке трансформатора отвода от ее середины, поэтому для получения одного и того же значения выпрямленного напряжения по срав­нению со схемой с отводом от середины вторичной обмотки в мостовой схеме требуется обмотка с вдвое меньшим числом витков. Вследствие этого обрат­ное напряжение, действующее на каждый диод, в два раза меньше, чем в схеме с отводом от середины вторичной обмотки:

 ( 12.9)

 

Действующее значение тока, протекающего через Диод,

В мостовой схеме ток через каждый диод идет только в течение одногополупериода, тогда как че­рез вторичную обмотке трансформатора - в течение всего периода. Действующее значение тока, проте­кающего через вторичную обмотку,

 

 (12.10)

Частота пульсаций и коэффициент пульсаций выпрямленного напряжения в мостовой схеме та­кие же, как и в схеме с отводом от середины вто­ричной обмотки.

Рассмотрим теперь трехфазные схемы выпрям­ления. Простейшая трехфазная схема выпрямле­ния тока с нейтральной точкой изображена на (рис. 12.6а).

А 

 

 

Б 

Рис. 12.6

В этой схеме первичные обмотки трехфазного трансформатора соединяются звездой или треуголь­ником, а вторичные - звездой, причем в каждую вторичную обмотку включено по диоду. В этом слу­чае в каждый момент, выпрямленный ток проходит только через тот диод, анод которого соединен с за­жимом обмотки, имеющим наибольший положи­тельный потенциал по отношению к нейтральной точке трансформатора. Поэтому выпрямленное на­пряжение будет изменяться по кривой, являющей­ся огибающей положительных полуволн фазных напряжений вторичных обмоток трансформатора (рис. 12.6) Переключение диодов происходит в моменты, соответствующие пересечению положи­тельных полусинусоид напряжения. В нагрузке Е„ токи, походящие через три диода, суммируются.

Среднее значение выпрямленного напряжения в этой схеме

 (12.11)

а среднее за период значение выпрямленного тока, проходящего через каждый диод,

 (12.12)

Обратное напряжение, действующее на каждый диод, равно амплитуде линейного напряжения, дей­ствующего в системе вторичных обмоток трансфор­матора, соединенных звездой, поскольку диоды под­ключены анодами к каждой из фаз, а катодами к другой фазе через открытый диод:

Существенным недостатком этой схемы является то, что проходящие только через вторичные обмот­ки токи одного направления (выпрямленный ток) создают во взаимно связанных стержнях трехфазного трансформатора дополнительный постоянный магнитный поток. Чтобы не допустить насыщения магнитной системы за счет этого дополнительного потока, приходится увеличивать сечение стержней и габариты трансформатора. Трехфазную схему выпрямления с нейтральной точкой применяют толь­ко в маломощных силовых установках.

Мостовая трехфазная схема выпрямления пе­ременного тока изображена на (рис. 12.7). В ней со­четаются принципы мостовой схемы и схемы мно­гофазного выпрямления. В этой схеме нулевая точ­ка трансформатора для выпрямления не нужна и поэтому первичные и вторичные обмотки могут быть соединены как звездой, так и треугольником.

Рис. 12.7

Шесть диодов образуют две группы - нечетную VD1 , VD3, и VD5 и четную VD2 , VD4 и VD6 . У нечет­ной группы катоды соединены вместе и служат точ­кой вывода выпрямителя с положительным потен­циалом, а у четной группы - аноды соединены вме­сте и служат точкой вывода с отрицательным по­тенциалом. При работе этой схемы выпрямляются обе полуволны переменных напряжений всех вто­ричных обмоток трансформатора, благодаря чему пульсации выпрямленного напряжения значитель­но уменьшаются. В схеме на (рис. 12.7) в каждый момент работает тот диод нечетной группы, у кото­рого анод в этот момент имеет наибольший положи­тельный потенциал, а вместе с ним тот диод четной группы, у которого катод имеет наибольший по аб­солютной величине отрицательный потенциал. Вып­рямленное напряжение будет изменяться по огиба­ющей с двойной частотой пульсаций (рис. 12.8).

Рис. 12.8

Среднее значение выпрямленного напряжения в этой схеме

 (12.13)

Средний ток через диод Iд = I0 / 3 , причем этот ток проходит через два последовательно включен­ных диода. Обратное напряжение, действующее на каждый диод, здесь также равно амплитудному зна­чению линейного напряжения:

 

 (12.14)

В мощных выпрямителях в основном использу­ется мостовая трехфазная схема. Она получила широкое применение в управляемых выпрямите­лях, в которых, регулируя моменты открывания и закрывания диодов (тиристоров), можно в ши­роких пределах регулировать среднее значение выпрямленного тока.

 

Сглаживающие фильтры

 

Рассмотренные схемы выпрямления переменно­го тока позволяют получать выпрямленное, но пуль­сирующее напряжение. Для питания электронных приборов пульсирующее напряжение непригодно: оно создает фон переменного тока, вызывает иска­жения сигналов и приводит к неустойчивой работе приборов. Для устранения пульсаций (сглаживания) применяют сглаживающие фильтры.

Сглаживающий фильтр состоит из реактивных элементов: конденсаторов и катушек индуктивнос­ти (дросселей). Сущность работы сглаживающего фильтра состоит в разделении пульсирующего тока i(t) на постоянную I0 и переменную iсоставляю­щие (рис. 12.9). Постоянная составляющая направ­ляется в нагрузку, а нежелательная переменная за­мыкается через конденсатор, минуя нагрузку.

 

Рис. 12.9

Физическая сущность работы в фильтре конден­сатора и дросселя состоит в том, что конденсатор (обычно большой емкости), подключенный парал­лельно нагрузке, заряжается при нарастании импуль­сов выпрямленного напряжения и разряжается при их убывании, сглаживая тем самым его пульсации. Дроссель, наоборот, при нарастании импульсов выпрямленного тока в результате действия ЭДС само­индукции задерживает рост тока, а при убывании импульсов задерживает его убывание, сглаживая пульсации тока в цепи нагрузки. С другой стороны, конденсатор и дроссель можно рассматривать как не­кие резервуары энергии. Они запасают ее, когда ток в цепи нагрузки превышает среднее значение, и отда­ют, когда ток стремится уменьшиться ниже среднего значения. Это и приводит к сглаживанию пульсаций. Рассмотрим несколько подробнее емкостной фильтр, в котором на выходе двухполупериодного выпрямителя параллельно нагрузке R включен кон­денсатор С (рис. 12.10).