Материал: Ответы на экзамен лето 2 курс

Внимание! Если размещение файла нарушает Ваши авторские права, то обязательно сообщите нам

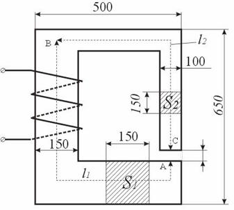
Рис. 4.7. Магнитная цепь

1. Магнитная цепь разбивается на ряд участков с одинаковым поперечным сечением S, выполненном из однородного материала.

2. Намечается путь прохождения средней магнитной линии (на рис. 4.7 показано пунктиром).

3. Т.к. магнитный поток на всех участках цепи остается постоянным, то магнитная индукция B = Ф / S на каждом из участков и напряженность магнитного поля Н неизменны. Это позволяет сравнительно просто определить значение   для контура, образованного средней магнитной линией, а следовательно, найти искомую величину намагничивающей силы, поскольку   .

Запишем интеграл   в виде суммы интегралов с границами интегрирования, совпадающими с началом и концом каждого участка цепи. Тогда

 .

где: L1 и L2 – длины ферромагнитных участков цепи [м]. δ – ширина воздушного зазора, [м].

4. Значения Н1 и Н2 определяют по известным величинам магнитной индукции В с помощью кривых намагничивания, соответствующих ферромагнитных материалов.

А для воздушного зазора

 А/м.

Обратная задача

Задано:

1. Геометрические размеры магнитной цепи;

2. Характеристики ферромагнитных материалов;

3. Намагничивающая сила обмотки F.

Требуется определить магнитный поток Ф.

Непосредственное использование формулы   для определния магнитного потока Ф оказывается невозможным, поскольку магнитное сопротивление цепи переменное и само зависит от величины магнитного потока. Такие задачи решаются методом последовательного приближения в следующем порядке. Задаются рядом произвольных значений магнитного потока в цепи и для каждого из этих значений определяют необходимую намагничивающую силу обмотки так, как это делается при решении прямой задачи.

По полученным данным строят кривую Ф(F) – вебер-амперную характеристику. Имея эту зависимость, нетрудно для заданного значения намагничивающей силы найти величину магнитного потока.

Для оценки необходимого значения Ф можно пренебречь сопротивлением ферромагнитного участка и посчитать поток, который получится под действием намагничивающей силы F при сопротивлении воздушного участка. Это значение Ф заведомо больше расчетного.

Остальные значения можно давать меньше.

  1. Расчет нелинейных магнитных цепей постоянного тока: прямая задача

Указанная в предыдущей лекции формальная аналогия между электрическими и магнитными цепями позволяет распространить все методы и технику расчета нелинейных резистивных цепей постоянного тока на нелинейные магнитные цепи. При этом для наглядности можно составить эквивалентную электрическую схему замещения исходной магнитной цепи, с использованием которой выполняется расчет.

Нелинейность магнитных цепей определяется нелинейным характером зависимости   , являющейся аналогом ВАХ   и определяемой характеристикой ферромагнитного материала   . При расчете магнитных цепей при постоянных потоках обычно используют основную кривую намагничивания. Петлеобразный характер зависимости   учитывается при расчете постоянных магнитов и электротехнических устройств на их основе.

При расчете магнитных цепей на практике встречаются две типичные задачи:

-задача определения величины намагничивающей силы (НС), необходимой для создания заданного магнитного потока (заданной магнитной индукции) на каком - либо участке магнитопровода (задача синтеза или “прямая“ задача);

-задача нахождения потоков (магнитных индукций) на отдельных участках цепи по заданным значениям НС (задача анализа или “обратная” задача).

Следует отметить, что задачи второго типа являются обычно более сложными и трудоемкими в решении.

В общем случае в зависимости от типа решаемой задачи (“прямой” или “обратной”) решение может быть осуществлено следующими методами:

-регулярными;

-графическими;

-итерационными.

При этом при использовании каждого из этих методов первоначально необходимо указать на схеме направления НС, если известны направления токов в обмотках, или задаться их положительными направлениями, если их нужно определить. Затем задаются положительными направлениями магнитных потоков, после чего можно переходить к составлению эквивалентной схемы замещения и расчетам.

Магнитные цепи по своей конфигурации могут быть подразделены на неразветвленные и разветвленные. В неразветвленной магнитной цепи на всех ее участках имеет место один и тот же поток, т.е. различные участки цепи соединены между собой последовательно. Разветвленные магнитные цепи содержат два и более контура.

Регулярные методы расчета

Данными методами решаются задачи первого типа -”прямые” задачи. При этом в качестве исходных данных для расчета заданы конфигурация и основные геометрические размеры магнитной цепи, кривая (кривые) намагничивания ферромагнитного материала и магнитный поток или магнитная индукция в каком-либо сечении магнитопровода. Требуется найти НС, токи обмоток или, при известных значениях последних, число витков.

1. Прямая” задача для неразветвленной магнитной цепи

Решение задач подобного типа осуществляется в следующей последовательности:

1. Намечается средняя линия (см. пунктирную линию на рис.1), которая затем делится на участки с одинаковым сечением магнитопровода.

2. Исходя из постоянства магнитного потока вдоль всей цепи, определяются значения индукции для каждого   -го участка:

 .

3. По кривой намагничивания для каждого значения   находятся напряженности   на ферромагнитных участках; напряженность поля в воздушном зазоре определяется согласно

4. По второму закону Кирхгофа для магнитной цепи определяется искомая НС путем суммирования падений магнитного напряжения вдоль контура:

 ,

где   -длина воздушного зазора.

2. “Прямая” задача для разветвленной магнитной цепи

Расчет разветвленных магнитных цепей основан на совместном применении первого и второго законов Кирхгофа для магнитных цепей. Последовательность решения задач данного типа в целом соответствует рассмотренному выше алгоритму решения “прямой” задачи для неразветвленной цепи. При этом для определения магнитных потоков на участках магнитопровода, для которых магнитная напряженность известна или может быть вычислена на основании второго закона Кирхгофа, следует использовать алгоритм

по

В остальных случаях неизвестные магнитные потоки определяются на основании первого закона Кирхгофа для магнитных цепей.

В качестве примера анализа разветвленной магнитной цепи при заданных геометрии магнитной цепи на рис. 2 и характеристике   ферромагнитного сердечника определим НС   , необходимую для создания в воздушном зазоре индукции   .

Алгоритм решения задачи следующий:

1. Задаем положительные направления магнитных потоков в стержнях магнитопровода (см. рис. 2).

2. Определяем напряженность в воздушном зазоре   и по зависимости   для   - значение   .

3. По второму закону Кирхгофа для правого контура можно записать

откуда находим   и по зависимости   -   .

4. В соответствии с первым законом Кирхгофа

 .

Тогда   , и по зависимости   определяем   .

5. В соответствии со вторым законом Кирхгофа для искомой НС имеет место уравнение

 .

Графические методы расчета

Графическими методами решаются задачи второго типа - “обратные” задачи. При этом в качестве исходных данных для расчета заданы конфигурация и геометрические размеры магнитной цепи, кривая (кривые) намагничивания ферромагнитного материала, а также НС обмоток. Требуется найти значения потоков (индукций) на отдельных участках магнитопровода.

Данные методы основаны на графическом представлении вебер-амперных характеристик   линейных и нелинейных участков магнитной цепи с последующим решением алгебраических уравнений, записанных по законам Кирхгофа, с помощью соответствующих графических построений на плоскости.

  1. Расчет нелинейных магнитных цепей постоянного тока: обратная задача

1. “Обратная” задача для неразветвленной магнитной цепи

Решение задач подобного типа осуществляется в следующей последовательности:

1. Задаются значениями потока и определяют для них НС   , как при решении “прямой” задачи. При этом следует стремиться подобрать два достаточно близких значения потока, чтобы получить   , несколько меньшую и несколько большую заданной величины НС.

2. По полученным данным строится часть характеристики   магнитной цепи (вблизи заданного значения НС), и по ней определяется поток, соответствующий заданной величине НС.

При расчете неразветвленных магнитных цепей, содержащих воздушные зазоры, удобно использовать метод пересечений, при котором искомое решение определяется точкой пересечения нелинейной вебер-амперной характеристики нелинейной части цепи и линейной характеристики линейного участка, строящейся на основании уравнения

где   -магнитное сопротивление воздушного зазора.