Материал: Ответы на экзамен лето 2 курс

Внимание! Если размещение файла нарушает Ваши авторские права, то обязательно сообщите нам

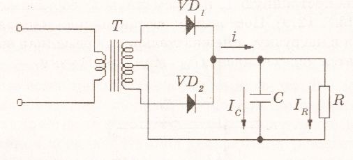
Рис. 12.10

При возрастании выпрямленного напряжения (при открытом диоде VD1) конденсатор зарядится (рис. 12.11, а), а при убывании выпрямленного на­пряжения полярность напряжения на диоде изме­нится на противоположную, и диод закроется, отклю­чив вторичную обмотку трансформатора от нагруз­ки. Ток через диод будет иметь форму короткого импульса (рис. 12.11, б).

Когда входной сигнал начинает падать в отрица­тельном направлении, конденсатор разряжается че­рез нагрузку. Скорость разряда конденсатора зави­сит от постоянной времени RC, а, следовательно, от сопротивления нагрузки. Постоянная времени раз­ряда велика по сравнению с периодом переменного тока. Следовательно, период заканчивается раньше, чем конденсатор может разрядиться. Поэтому пос­ле первой четверти периода ток через нагрузку под­держивается разряжающимся конденсатором. Как только конденсатор начинает разряжаться, напря­жение на нем уменьшается. Однако до того как кон­денсатор полностью разрядится, начнется следую­щий период синусоиды. На аноде диода опять по­явится положительный потенциал, что позволит ему проводить ток. Конденсатор зарядится снова, и цикл повторится. В результате пульсации напряжения сгладятся, и выходное напряжение фактически по­высится.

 

 

Рис. 12.11

Чем больше емкость конденсатора, тем больше постоянная времени RC. Это приводит к более мед­ленному разряду конденсатора, что повышает выход­ное напряжение. Наличие конденсатора позволяет диоду в цепи проводить ток в течение короткого периода времени. Когда диод не проводит, конденса­тор обеспечивает нагрузку током. Если нагрузка

потребляет большой ток, то должен использоваться конденсатор большой емкости.

Целью фильтрующего конденсатора является сглаживание пульсаций постоянного напряжения выпрямителя. Качество работы фильтра определя­ется величиной пульсаций, остающихся в постоян­ном напряжении. Величину пульсаций можно уменьшить путем использования конденсатора боль­шей емкости или путем увеличения сопротивления нагрузки. Обычно сопротивление нагрузки опреде­ляется при расчете цепи. Следовательно, емкость фильтрующего конденсатора определяется допусти­мой величиной пульсаций.

Необходимо отметить, что фильтрующий конден­сатор создает дополнительную нагрузку на диоды, используемые в выпрямителе. Конденсатор заряжа­ется до максимального значения напряжения вто­ричной обмотки и удерживает это значение в тече­ние всего цикла входного напряжения. Когда диод становится смещенным в обратном напряжении, он запирается и максимальное отрицательное напря­жение попадает на анод диода. Фильтрующий кон­денсатор удерживает максимальное положительное напряжение на катоде диода. Следовательно, разность потенциалов на диоде в два раза превышает макси­мальное значение напряжения вторичной обмотки. Для выпрямителя должен быть выбран диод, выдер­живающий такое напряжение.

Максимальное напряжение, которое может выдер­жать диод, будучи смещенным, в обратном направ­лении, называется импульсным обратным напря­жением диода. Импульсное обратное напряжение ди­ода, выбранного для выпрямителя, должно быть выше, чем удвоенное максимальное напряжение вто­ричной обмотки. В идеале диод должен работать при 80% номинального значения обратного напряжения для того, чтобы выдержать изменения входного на­пряжения. Это касается как однополупериодного, так и двухполупериодного выпрямителя. Но это не так для мостового выпрямителя.

К диодам в мостовом выпрямителе никогда не прикладывается напряжение, большее, чем макси­мальное значение напряжения вторичной обмотки, поскольку в каждом полупериоде работают по два последовательно включенных диода. Возможность использования диодов с более низкими значениями импульсного обратного напряжения является еще одним преимуществом мостового выпрямителя.

Следует отметить, что пиковое значение тока, про­текающего через диод, может во много раз превы­шать ток нагрузки, что опасно для целостности дио­да. Б реальной цепи ток через диод возрастает не мгновенно и передний фронт импульса тока также закруглен.

  1. Основные положения теории электромагнитного поля

Под электромагнитным полем понимают вид материи, характеризующийся совокупностью взаимосвязанных и взаимообусловливающих друг друга электрического и магнитного полей. Электромагнитное поле может существовать при отсутствии другого вида материи — вещества, характеризуется непрерывным распределением в пространстве (электромагнитная волна в вакууме) и может проявлять дискретную структуру (фотоны). В вакууме поле распространяется со скоростью света, полю присущи характерные для него электрические и магнитные свойства, доступные наблюдению.

Электромагнитное поле оказывает силовое воздействие на электрические заряды. Силовое воздействие положено в основу определения двух векторных величин, описывающих поле: напряженности электрического поля   и индукции магнитного поля   На заряд (Кл), движущийся со скоростью v в электрическом поле напряженности Е и магнитном поле индукции В, действует сила Лоренца 

Электромагнитное поле обладает энергией, массой и количеством движения, т. е. такими же атрибутами, что и вещество. Энергия в единице объема, занятого полем в вакууме, равна сумме энергий электрической и магнитной компонент поля и равна   здесь   - электрическая постоянная,   — магнитная постоянная, Гн/м. Масса электромагнитного поля в единице объема равна частному от деления энергии поля   на квадрат скорости распространения электромагнитной волны в вакууме, равной скорости света.

Несмотря на малое значение массы поля по сравнению с массой вещества, наличие массы поля указывает на то, что процессы в поле являются процессами инерционными. Количество движения единицы объема электромагнитного поля определяется произведением массы единицы объема поля на скорость распространения электромагнитной волны в вакууме.

Электрическое и магнитное поля могут быть изменяющимися и неизменными во времени. Неизменным в макроскопическом смысле электрическим полем является электростатическое поле, созданное совокупностью зарядов, неподвижных в пространстве и неизменных во времени. В этом случае существует электрическое поле, а магнитное отсутствует. При протекании постоянных токов по проводящим телам внутри и вне их существует электрическое и магнитное поля, не влияющие друг на друга, поэтому их можно рассматривать раздельно. В изменяющемся во времени поле электрическое и магнитное поля, как упоминалось, взаимосвязаны и обусловливают друг друга, поэтому их нельзя рассматривать раздельно.

Теория электромагнитного поля Максвелла

(записать в тетрадь полностью, так как это будет ответом на 1 из экзаменационных вопросов)

Это последовательная теория единого электромагнитного поля, создаваемого произвольной системой зарядов и токов.

Наиболее распространенными сглаживающими фильтрами в выпрямителях электронных приборов являются П-образные LC-фильтры (рис. 12.12, а). В них постоянная составляющая выпрямленного тока, свободно проходящая через дроссель Др. , попадает затем в нагрузку и замыкается через трансформа­тор. Переменные составляющие, замыкаясь через большие емкости С1 и С2 , в нагрузку не проходят.

При небольших, токах нагрузки успешно работа­ет Г-образный фильтр (рис. 12.12, б), а при малых токах нагрузки в качестве сглаживающего фильтра достаточно включить конденсатор (рис. 12.12, в), что и делается в переносных радиоприемниках и маг­нитолах. Во многих случаях дроссель заменяют ре­зистором, что несколько снижает качество фильтра­ции, но зато значительно удешевляет фильтр (рис. 12.12, г, д). В наиболее ответственных случаях сгла­живающий фильтр делают многозвенным, состоящим из нескольких П-образных или Г-образных LC или RC фильтров (рис. 12.12, е).

 

 

А Б

 

 

В Г

 

 

Д Е

Рис. 12.12

В ней решается основная задача электродинамики:

По заданному распределению зарядов и токов отыскиваются основные характеристики создаваемых ими электрических и магнитных полей.

Это феноменологическая теория, то есть она не рассматривает механизмы явлений, происходящих в среде и вызывающих появление полей.

Электрические и магнитные свойства среды характеризуются следующими параметрами:

ε – относительной диэлектрической проницаемостью

μ – относительной магнитной проницаемостью

σ – удельной электрической проводимостью

В теории Максвелла рассматриваются макроскопические поля, которые:

- создаются зарядами и токами в объемах много больших, чем объемы атомов и молекул;

- расстояние от источников полей до рассматриваемой точки пространства много больше размеров атомов и молекул;

- период изменения переменных электрических и магнитных полей много больше периода внутримолекулярных процессов.

Макроскопические заряды и токи являются совокупностью микроскопических зарядов и токов, которые создают свои микрополя непрерывно во времени в любой точке пространства.

Макроскопические поля являются усредненными микрополями:

- по интервалам времени много большим, чем периоды внутриатомных процессов;

- по объемам много большим, чем объемы атомов и молекул.

Теория Максвелла – это теория близкодействия, то есть электромагнитные взаимодействия распространяются с конечной скоростью, равной скорости света.

Вся совокупность законов электромагнитного поля может быть выражена в виде системы уравнений, которая называется системой уравнений Максвелла.

Основные положения теории Максвелла:

1. Переменное магнитное поле порождает в окружающем пространстве вихревое электрическое поле.

2. Переменное электрическое поле порождает в окружающем пространстве переменное магнитное поле.

 

Электромагнитная индукция

В 1821 г. Майкл Фарадей записал в своем дневнике: «Пре­вратить магнетизм в электричество». Через 10 лет эта задача была им решена.

В 1831 году М. Фарадей обнаружил, что вокруг проводника с током существует магнитное поле. Ответом на вопрос, может ли магнитное поле порождать электрический ток в проводнике, находящемся в этом поле, стало установление закона электромагнитной индукции.

В замкнутом контуре с помощью изменяющегося магнитного поля можно создать электрический ток (создать ЭДС) тремя способами:

1. Двигая магнит относительно контура.

2. Двигая контур относительно магнита.

3. Меня ток в соседнем контуре.

Во всех трех ситуациях контур пронизывает переменное магнитное поле.

Явление возникновения ЭДС в замкнутом контуре при пронизывании его переменным магнитным полем называют магнитной индукцией.

ЭДС индукции может возникать и в незамкнутом проводнике при его движении в магнитном поле.

Открытие Фарадея

Не случайно первый и самый важный шаг в открытии но­вых свойств электромагнитных взаимодействий был сделан основоположником представлений об электромагнитном поле — Фарадеем. Фарадей был уверен в единой природе электриче­ских и магнитных явлений. Вскоре после открытия Эрстеда он писал: «...представляется весьма необычным, чтобы, с од­ной стороны, всякий электрический ток сопровождался маг­нитным действием соответствующей интенсивности, направ­ленным под прямым углом к току, и чтобы в то же время в хо­роших проводниках электричества, помещенных в сферу это­го действия, совсем не индуцировался ток, не возникало какое-либо ощутимое действие, эквивалентное по силе такому току». Упорный труд в течение десяти лет и вера в успех при­вели Фарадея к открытию, которое впоследствии легло в осно­ву устройства генераторов всех электростанций мира, превра­щающих механическую энергию в энергию электрического тока. (Источники, работающие на других принципах: гальва­нические элементы, аккумуляторы, термо- и фотоэлементы — дают ничтожную долю вырабатываемой электрической энер­гии.)

Долгое время взаимосвязь электрических и магнитных яв­лений обнаружить не удавалось. Труднобыло додуматься до главного: только меняющееся во времени магнитное поле мо­жет возбудить электрический ток в неподвижной катушке или же сама катушка должна двигаться в магнитном поле.

 Открытие электромагнитной индукции, как назвал Фарадей это явление, было сделано 29 августа 1831 г. Редкий случай, когда столь точно известна дата нового заме­чательного открытия. Вот краткое описание первого опыта, данное самим Фарадеем.

Рис 5.2

Рис 5.1

«На широкую деревянную катушку была намотана медная проволока длиной в 203 фута, и между витками ее намотана проволока такой же длины, но изолированная от первой хлоп­чатобумажной нитью. Одна из этих спиралей была соединена с гальванометром, а другая — с сильной батареей, состоящей из 100 пар пластин... При замыкании цепи удалось заметить внезапное, но чрезвычайно слабое действие на гальванометр, и то же самое замечалось при прекращении тока. При непре­рывном же прохождении тока через одну из спиралей не уда­валось отметить ни действия на гальванометр, ни вообще ка­кого-либо индукционного действия на другую спираль, несмотря на то, что нагревание всей спирали, соединенной с бата­реей, и яркость искры, проскакивающей между углями, свидетельствовали о мощности батареи».

Рис 5.2

Итак, первоначально была открыта индукция в неподвиж­ных друг относительно друга проводниках при замыкании и размыкании цепи. Затем, ясно понимая, что сближение или удаление проводников с током должно приводить к тому же результату, что и замыкание и размыкание цепи, Фарадей с помощью опытов доказал, что ток возникает при перемеще­нии катушек относительно друг друга (рис. 5.1). Знакомый с трудами Ампера, Фарадей понимал, что магнит — это сово­купность маленьких токов, циркулирующих в молекулах. 17 октября, как зарегистрировано в его лабораторном журна­ле, был обнаружен индукционный ток в катушке во время вдвигания (или выдвигания) магнита (рис. 5.2). В течение од­ного месяца Фарадей опытным путем открыл все существенные особенности явления электромагнитной индукции. Оста­валось только придать закону строгую количественную форму и полностью вскрыть физическую природу явления.

 Ужо сам Фарадей уловил то общее, от чего зависит появле­ние индукционного тока в опытах, которые внешне выглядят по-разному.

В замкнутом проводящем контуре возникает ток при изменении числа линий магнитной индукции, пронизываю­щих поверхность, ограниченную этим контуром.

Рис 5.3

 И чем бы­стрее меняется число линий магнитной индукции, тем больше возникающий ток. При этом причина изменения числа линий магнитной индукции совершенно безразлична. Это может быть и изменение числа линий магнитной индукции, прони­зывающих неподвижный проводник вследствие

изменения силы тока в соседней катушке, и изменение числа линий вследствие движения контура в неоднородном магнитном по­ле, густота линий которого меняется в пространстве (рис. 5.3).

Рис 5.4

Фарадей не только открыл явление, но и первым сконстру­ировал несовершенную пока еще модель генератора электри­ческого тока, превращающего механическую энергию враще­ния в ток. Это был массивный медный диск, вращающийся между полюсами сильного магнита (рис. 5.4). Присоединив ось и край диска к гальванометру, Фарадей обнаружил отклонение стрелки. Ток был, правда, слаб, но найденный принцип позволил впоследствии построить мощные генераторы. Без них электричество и по сей день было бы мало кому доступной роскошью.

В проводящем замкнутом контуре возникает электриче­ский ток, если контур находится в переменном магнит­ном поле или движется в постоянном во времени поле так, что число линий магнитной индукции, пронизываю­щих контур, меняется. Это явление называется элек­тромагнитной индукцией.