Материал: Расчет и проектирование привода к скребковому конвейеру

Внимание! Если размещение файла нарушает Ваши авторские права, то обязательно сообщите нам

где YF1 - коэффициент формы зуба шестерни, для косозубых колёс определяем интерполированием в зависимости от эквивалентного числа зубьев шестерни zv1,

zv1=z1/cos3β=29/0,963=30,1 (3.39)

с учётом табличных значений [1,табл.4.4, с.67],=3,79

F1= F2 = (МПа).

Условие

F1 ≤ []F1,

выполняется, так как F1 =158 МПа≤ []F1=294,1 МПа.

Значительная недогрузка при проверке напряжений изгиба зубьев шестерни и колеса допустима, так как нагрузочная способность большинства зубчатых передач ограничивается контактной прочностью[1, с.67].

Результаты расчётов сведём в таблицу 3.3.

Таблица 3.3 - Параметры зубчатой цилиндрической передачи

Проектный расчёт

Параметр

Значение

Параметр

Значение

Межосевое расстояние aw, мм

180

Угол наклона зубьев β

904’7’’

Модуль зацепления m, мм

1,5

Диаметр делительной окружности, мм: шестерни d1 колеса d2

44,1 315,9

Ширина зубчатого венца, мм: шестерни b1 колеса b2

54 50

Диаметр окружности вершин, мм: шестерниda1 колеса da2

47,1 318,9

Число зубьев: шестерни z1 колеса z2

29 208

Диаметр окружности впадин, мм: шестерниdf1 колеса df2

40,5 312,3

Вид зубьев

косые



Проверочный расчёт

Параметр

Допускаемые значения

Расчётные значения

Примечания

Контактные напряжения н, МПа

514,3

499,56

Недогрузка 2,87%

Напряжения изгиба, МПа

F1

294,1

158

Недогрузка 46,3%


F2

255,9

150,9

Недогрузка 41%


4. Предварительные расчет валов редуктора и выбор подшипников

.1 Предварительный расчёт валов

.1.1 Выбор материала валов

Для выполнения валов в проектируемом редукторе выбираем термически обработанную легированную сталь 40Х [1, с.110].

Механические характеристики выбранного материала для изготовления валов сведем в таблицу 4.1.

Таблица 4.1 - Механические характеристики материала валов

Марка стали

Предел прочности , МПаПредел текучести , МПаПредел выносливости при симметричном цикле напряжений , МПа



40Х

900

750

410


4.1.2 Выбор допускаемых напряжений на кручение

Проектные расчет валов выполняется по напряжениям кручения (как при чистом кручении), то есть при этом не учитывают напряжение изгиба, концентрации напряжений и переменность напряжений во времени (цикл напряжений). Поэтому для компенсации приближенности этого метода расчета допускаемые напряжения на кручение применяют заниженными: =10...20 Н/мм2 . При этом меньшие значения  - для быстроходных валов, большие  - для тихоходных [1, с.110].

Для быстроходного вала принимаем  = 14 Н/мм2, для тихоходного -  = 20 Н/мм2 [1, с.110].

4.1.3 Определение геометрических параметров ступеней валов

Определяем размеры ступеней быстроходного вала [1, с.108].

Первая ступень вала под элемент открытой передачи.

Диаметр ступени
===29,5 (мм), (4.1)

где МК - крутящий момент, равный вращающему моменту на быстроходном валу, МК=Т1=71,85 Н·м;

[τ]к - допускаемые напряжения на кручение, [τ]к=14 Н/мм2.

Принимаем d1=30 мм.

Длина ступени под шкив=(0,8…1,5) ·d1=(1,2…1,5) ·30=36…45 (мм). (4.3)

Предварительно принимаем l1=40 мм.

Вторая ступень вала под уплотнение крышки с отверстием и подшипник.

Диаметр ступени=d1+2t=30+2·2,2=34,4 (мм), (4.4)

где t - высота буртика, t=2,2 мм.

Принимаем d2= 35 мм.

Длина ступени1,5d2=1,5·35=52,5 (мм). (4.5)

Предварительно принимаем l2=50 мм.

Третья ступень вала под шестерню.

Диаметр ступени=d2+3,2r=35+3,2·2,5=43 (мм), (4.6)

где r- координата фаски подшипника, r=2,5 мм.

Принимаем d3=40 мм.

Длина ступениl3 будет определена графически на эскизной компоновке.

Сравнивая полученный диаметр вала мм с рассчитанным ранее диаметром окружности впадин шестерни  мм принимаем решение о выполнении шестерни заодно с валом, т. е. вала- шестерни (рисунок 4.1).

Четвёртая ступень вала под подшипник.

Диаметр ступени
=d2=35 мм.

Длина ступени l4 будет равна ширине внутреннего кольца выбранного подшипника (l4=B - для шариковых подшипников, l4=T - для роликовых конических подшипников).

Рисунок 4.1 - Типовая конструкция вала - шестерни

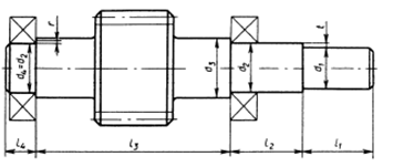
Определяем размеры ступеней тихоходного вала [1, с.108].

Первая ступень вала под элемент полумуфта.

Диаметр ступени===49,5 (мм), (4.7)

где Мк- крутящий момент, равный вращающему моменту на тихоходном валу, Мк=Т2=484,83Н·м;

[τ]к - допускаемые напряжения на кручение, [τ]к=20Н/мм2.

Принимаем d1=50 мм.

Длина ступени под полумуфту=(1,0…1,5) ·d1=(1,0…1,5) ·50=50…75 (мм). (4.8)

Предварительно принимаем l1=60 мм.

Вторая ступень вала под уплотнение крышки с отверстием и подшипник.

Диаметр ступени=d1+2t=50+2·2,8=55,6 (мм), (4.9)

где t - высота буртика, t=2,8мм.

Принимаем d2= 55 мм.

Длина ступени=1,5d2=1,5·55=82,5 (мм). (4.10)

Предварительно принимаем l2=80 мм.

Третья ступень вала под шестерню.

Диаметр ступени=d2+3,2r=55+3,2·3=64,6 (мм), (4.11)

где r- координата фаски подшипника,r=3 мм.

Принимаем d3=65 мм.

Длина ступени l3 будет определена графически на эскизной компоновке.

Четвёртая ступень вала под подшипник.

Диаметр ступени=d2=55 мм,

Длина ступени l4 будет равна ширине внутреннего кольца выбранного подшипника (l4=B - для шариковых подшипников, l4=T - для роликовых конических подшипников).

Пятая упорная ступень вала.

Диаметр ступени

(мм), (4.12)

где f - ориентировочная величина фаски ступицы, f=2 мм.

Принимаем

Длина ступени l5 будет определена графически на эскизной компоновке.

Типовая конструкция тихоходного вала одноступенчатого редуктора показана на рисунке 4.2.

Рисунок 4.2 - Типовая конструкция тихоходного вала

4.2 Предварительный выбор подшипников

Выбор наиболее рационального типа подшипника для данных условий работы редуктора весьма сложен и зависит от целого ряда факторов: передаваемой мощности редуктора, типа передачи, соотношения сил в зацеплении, частоты вращения внутреннего кольца подшипника, требуемого срока службы, приемлемой стоимости, схемы установки.

Выполняем предварительный выбор подшипников для быстроходного редуктора [1,Табл.К27, с.433].

Выбираем радиальные шариковые однорядные подшипники легкой серии при схеме установки 3 враспор.

По величине диаметра d=35 мм внутреннего кольца, равного диаметру второй d2 и четвертой d4 ступеней вала под подшипники, выбираем типоразмер подшипников - 207 ( рисунок 4.3).

Основные параметры подшипников [1,Табл.К27, с.432]: геометрические размеры - d ( диаметр внутреннего кольца), D ( диаметр наружного кольца), В ( ширина шарикоподшипников); динамическую Cr и статическую Cro грузоподъемности сведем в таблицу 4.2.

Выполняем предварительный выбор подшипников для тихоходного вала редуктора [1,Табл.К27, с.433].

Выбираем радиальные шариковые однорядные подшипники легкой серии при схеме установки 3 враспор.

По величине диаметра d =55 мм внутреннего кольца, равного диаметру второй d2 и четвертой d4 ступеней вала под подшипники, выбираем типоразмер подшипников -211.

Основные параметры подшипников [1,Табл.К27, с.432]: геометрические размеры - d ( диаметр внутреннего кольца), D ( диаметр наружного кольца), В ( ширина шарикоподшипников); динамическую Cr и статическую Croгрузоподъемности сведем в таблицу 4.2.

Рисунок 4.3 - Подшипник радиальный шариковый однорядный

Таблица 4.2 - Параметры радиально шариковых однорядных подшипников

Обозначение

Размеры, мм

Грузоподъемность, кН


d

D

B

r

Cr

C0r

207

35

72

17

2

25,5

13,7

211

55

100

21

2,5

43,6

25,0


5. Конструирование зубчатых колес

.1 Конструктивные размеры шестерни

Шестерня выполняется заодно с валом, таким образом необходимые геометрические размеры для вала - шестерни были определены ранее.

Основные геометрические размеры шестерни были определены при проектировании закрытой зубчатой передачи:

делительный диаметр= 44,1 мм;

диаметр окружности вершины зубьев= 47,1 мм;

диаметр окружности впадин зубьев= 40,5 мм;

ширина зубчатого венца= 51 мм.

Соответствующие диаметры ступеней вала - шестерни принимаем по результатам расчет геометрических параметров ступеней быстроходного вала.

На торцах зубьев выполняем фаски размером [1,табл.10.2,с.175]= (0,6…0,7)m = (0,6…0,7) 1,5 = 0,9…1,05 (мм). (5.1)

Округляем полученное значение до стандартного, принимаем f=1,6мм [1,табл.10.1,с.174].

Угол фаски для прямозубых колес αф = 450 [1,табл.10.2,с.175].

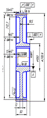
5.2 Конструктивные размеры зубчатого колеса

Основные размеры зубчатого колеса были определены в проектном расчете:

делительный диаметр= 315,9 мм;

диаметр окружности вершины зубьев= 318,9 мм;

диаметр окружности впадин зубьев=312,3 мм;

ширина зубчатого венца колеса= 50 мм.

Дальнейшее конструирование состоит в разработке его конфигурации [1,табл.10.3,с.176].

Зубчатое колесо выполняем плоской формы с симметричным относительно обода расположением ступицы. Учитывая диаметр da2 = =236,6 мм в качестве способа изготовления заготовки для зубчатого колеса выбираем ковку (da2 = 100…500 мм). Выбранная конструкция показана на рисунке 5.1.

Рисунок 5.1 - Типовая конструкция зубчатого колеса с симметричным относительно обода расположением ступицы

Определяем параметры основных конструктивных элементов зубчатого колеса [1,табл.10.3,с.176].

)Размеры обода.

Толщина = 2,2m + 0,05b2 = 2,2 1,25 + 0,05  50 = 5,8 (мм). (5.2)

Принимаем S = 6 мм.

На торцах зубьев выполняем фаски размером [1,табл.10.2,с.175]= (0,6…0,7)m =(0,6…0,7)  1,25 = 0,9…1,05 (мм). (5.3)

Округляем полученное значение размера фаски до стандартного, принимаем f = 3 мм [1,табл.10.1,с.174].

Угол фаски для прямозубых колес aф = 45 [1,табл.10.2,с.175].

) Размер ступицы.

Диаметр внутренний (под вал)= d3 = 65 мм.

Диаметр наружный (при шпоночном соединении и посадке с натягом)= 1,55d = 1,55  65 = 100,75 (мм). (5.4)

Округляем полученное значение диаметра до стандартного, принимаем= 100 мм.

На ступице колеса выполняем фаску 3 × 45° [1,Табл.10.2,с.175].

Толщина

=0,3  d = 0,3  65 =19,5(мм). (5.5)

Округляем размер стандартного, принимаем δст = 20 мм.

Длинаст = (1,0...1,5) d = (1,0...1,5)  65 = 65…97,5 (мм). (5.6)

Принимаем lст = 65 мм.

) Размеры диска.

Толщина

С = 0,5 ∙ (S + δст) = 0,5  (6+20) = 13 (мм). (5.7)

При этом должно выполняться условие≥ 0,25b2 = 0,25  50 = 12,5 (мм). (5.8)

Радиусы закруглений R ≥ 6 мм, принимаем R = 6 мм.

Уклон γ ≥ 7°

Принимаем С=12 мм.

6. Конструирование корпуса редуктора

В корпусе редуктора размещаются детали зубчатой передачи. При его конструировании должны быть обеспечены прочность и жесткость, исключающие перекосы валов.