Материал: Расчет и проектирование привода к скребковому конвейеру

Внимание! Если размещение файла нарушает Ваши авторские права, то обязательно сообщите нам

-полярный момент инерции сопротивления сечения вала[1,табл. 11.1,с. 270],

 (мм3). (11.12)

Определяем общий коэффициент запаса прочности в сечении А-А

Условие s ≥ [s] выполняется, так как s = 3,74>[s]= 2,5.

Сечение Б-Б. Концентрация напряжений обусловлена переходом от второй (Ø35 мм) к третьей (Ø40мм) ступени.

Определяем коэффициент запаса прочности по нормальным напряжениям

,

где  - эффективный коэффициент концентрации нормальных напряжений,

при  и принимаем =2,51 [2,табл. 8.2,с. 163];

-масштабный фактор для нормальных напряжений, для легированной стали принимаем =0,73 [2,табл.8.8,с. 166];

-амплитуда циклов нормальных напряжений, равная наибольшему напряжению изгиба в рассматриваемом сечении,

 (МПа);

-среднее напряжение цикла нормальных напряжений,

(МПа).

Определяем коэффициент запаса прочности по касательным напряжениям

,

где -эффективный коэффициент концентрации касательных напряжений, принимаем =1,61 [2,табл. 8.2,с.163];

-масштабный фактор для касательных напряжений, =0,73 [2,табл. 8.8,с. 166];

-амплитуда циклов касательных напряжений;

-среднее напряжение цикла касательных напряжений;

(МПа).

Определяем общий коэффициент запаса прочности в сечении Б-Б

Условие s ≥ [s] выполняется, так как s = 4,2>[s]= 2,5.

Сечение В-В. Концентрация напряжений обусловлена переходом между диаметром впадин шестерни df1 (Ø40,5мм) и диаметром третьей ступени (Ø40мм).

Определяем коэффициент запаса прочности по нормальным напряжениям

,

где -эффективный коэффициент концентрации нормальных напряжений,

при  и принимаем =2,51 [2,табл. 8.2,с. 163];

-масштабный фактор для нормальных напряжений, для легированной стали принимаем =0,73 [2,табл.8.8,с. 166];

-амплитуда циклов нормальных напряжений, равная наибольшему напряжению изгиба в рассматриваемом сечении,

(МПа),

 -суммарный изгибающий момент в рассматриваемом сечении, М=М3=82525,6Н· мм;

-осевой момент сопротивления сечения вала [1,табл.11.1,с. 270],

(мм3)

-среднее напряжение цикла нормальных напряжений,

(МПа).

Определяем коэффициент запаса прочности по касательным напряжениям

,

где -эффективный коэффициент концентрации касательных напряжений, принимаем =1,61[2,табл. 8.2,с.163];

-масштабный фактор для касательных напряжений, =0,73 [2,табл. 8.8,с. 166];

-амплитуда циклов касательных напряжений;

-среднее напряжение цикла касательных напряжений;

(МПа),

-крутящий момент,=67682,5 Н·мм;

-полярный момент инерции сопротивления сечения вала[1,табл. 11.1,с. 270],

 (мм3).

Определяем общий коэффициент запаса прочности в сечении В-В

Условие s ≥ [s] выполняется, так как s = 8,7>[s]= 2,5.

11.2.3 Проверочный расчет тихоходного вала

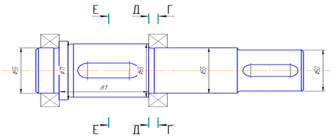
Выполняем уточненный расчет тихоходного вала. Намечаем три опасных сечения (рисунок11.2):

одно (сечение Г-Г)-на второй ступени под подшипником опоры, смежной с консольной нагрузкой;

второе (сечение Д-Д)-на ступенчатом переходе галтелью r между второй и третьей ступенью;

третье (сечение Е-Е)-на третьей ступени под колесом.

Рисунок 11.2 - Опасные сечения тихоходного вала

Для расчета выбираем два наиболее опасных сечения (Г- Г и Е-Е).

Сечение Г-Г. Концентрация напряжений обусловлена посадкой подшипника с гарантированным натягом.

Определяем коэффициент запаса прочности по нормальным напряжениям

,

где  отношение эффективного коэффициента концентрации к масштабному фактору для нормальных напряжений, для валов с напрессованными деталями при пределе прочности =900 МПа принимаем =4,5 [2, табл. 8.7, с. 166]

-амплитуда циклов нормальных напряжений,

(МПа),

 -суммарный изгибающий момент в рассматриваемом сечении, М=М2=334401,7Н· мм;

-осевой момент сопротивления сечения вала [1,табл.11.1,с. 270],

(мм3).

-среднее напряжение цикла нормальных напряжений,

(МПа).

Определяем коэффициент запаса прочности по касательным напряжениям

,

где - отношение эффективного коэффициента концентрации к масштабному фактору для касательных напряжений[2,табл.8.7, с.166],

;

-амплитуда циклов касательных напряжений;

-среднее напряжение цикла касательных напряжений;

(МПа),

-крутящий момент,= 484827,5 Н·мм;

-полярный момент инерции сопротивления сечения вала[1,табл. 11.1,с. 270],

мм3).

Определяем общий коэффициент запаса прочности в сечении Г-Г

Условие s ≥ [s] выполняется, так как s = 3,7>[s]= 2,5.

Сечение Е-Е. Концентрация напряжений обусловлена наличием шпоночной канавки на третьей ступени вала под колесом.

Определяем коэффициент запаса прочности по нормальным напряжениям

,

где -эффективный коэффициент концентрации нормальных напряжений, принимаем =1,90 [2,табл. 8.5,с. 165];

-масштабный фактор для нормальных напряжений, для легированной стали принимаем =0,6625 [2,табл.8.8,с. 166];

-амплитуда циклов нормальных напряжений, равная наибольшему напряжению изгиба в рассматриваемом сечении,

(МПа),

 -суммарный изгибающий момент в рассматриваемом сечении, М=М2=254792,1Н· мм;

-осевой момент сопротивления сечения вала [1,табл.11.1,с. 270],

(мм3);

-среднее напряжение цикла нормальных напряжений,

(МПа).

Определяем коэффициент запаса прочности по касательным напряжениям

,

где -эффективный коэффициент концентрации касательных напряжений, принимаем =1,9[2,табл. 8.2,с.163];

-масштабный фактор для касательных напряжений, =0,6625 [2,табл. 8.8,с. 166];

-амплитуда циклов касательных напряжений;

-среднее напряжение цикла касательных напряжений;

(МПа),

-крутящий момент,= 484827,5 Н·мм;

-полярный момент инерции сопротивления сечения вала[1,табл. 11.1,с. 270],

 (мм3).

Определяем общий коэффициент запаса прочности в сечении Е-Е

Условие s ≥ [s] выполняется, так как s = 6,7>[s]= 2,5.

12. Выбор посадок для основных деталей редуктора

На основании таблицы 10.13 [2] принимаем следующие посадки основных сопряжений:

Зубчатые колеса, муфты H7/k6,

Наружные кольца подшипников качения в корпусе Н7,

Внутренние кольца подшипников качения на вал k6,

Шпоночная канавка в ступице по ширине JS9,

Шпоночная канавка на валу по ширине N9,

Шпонка по высоте h9,

Шпонка по ширине h9,

Шпонка по длине h14,

Шпонка в сборе в ступице (по ширине) JS9/h9,

Шпонка в сборе на валу (по ширине) N9/h9,

Отверстие в крышке подшипника под манжету H8,

Участок вала под уплотнение h11.

13. Смазка редуктора

Смазывание зубчатых зацеплений и подшипников уменьшает потери на трение, предотвращает повышенный износ и нагрев деталей, а также предохраняет детали от коррозии. Снижение потерь на трение обеспечивает повышение КПД редуктора.

Смазывание зубчатого зацепления производится окунанием зубчатого колеса в масло, заливаемое внутрь корпуса до уровня, обеспечивающего погружение колеса на всю длину зуба.

Объем масляной ванны V определяем из расчета 0,6 л масла на 1кВт передаваемой мощности: V= 0,6·2,2 =1,32л.

По табл. 10.8 [2] устанавливаем вязкость масла. При контактных напряжениях σH=499,56МПа и скорости v=0,53 м/с рекомендуемая вязкость масла должна быть примерно равна 34·10-6м2/с.

По табл. 10.10 [2] принимаем масло индустриальное И-40А.

Уровень масла, находящегося в корпусе редуктора, контролируют различными маслоуказателями. Наибольшее распространение имеют жезловые маслоуказатели, так как они удобны для осмотра, конструкция их проста и достаточно надёжна.

При работе передач масло постепенно загрязняется продуктами износа деталей передач. С течением времени оно стареет, свойства его ухудшаются. Поэтому масло, налитое в корпус редуктора, периодически меняют. Для этой цели в корпусе предусматривают сливное отверстие, закрываемое пробкой с цилиндрической резьбой.

Камеры подшипников заполняем пластичным смазочным материалом.

Сорт мази выбираем по табл.9.14 [2]: литол-24.

14. Выбор муфты

В проектируемом приводе применена компенсирующая разъемная муфта нерасцепляемого класса в стандартном исполнении [1,с.250]. Основной характеристикой для выбора муфты является номинальный вращающий момент на соединяемых валах. Муфту выбирают по расчетному вращающему моменту [1, с.251]:

Тр=Кр·Т≤Т,

где Кр=1,5 - коэффициент режима нагрузки [1, с.251],

Т - вращающий момент, передаваемый муфтой[5, с.403],

Конвейер соединён муфтой с тихоходным валом редуктора. Поэтому необходимо согласовать диаметр выходного конца вала с диаметром полумуфты. По передаваемому крутящему моменту двигателя Т=484,83Нм выбираем стандартную муфту упругую с торообразной оболочкой ГОСТ 20884-93 [1, табл. К25, с.428]. Получим:

Тр=1,5·484,83=727,2Н·м<Т=800Н·м,

Следовательно, окончательно принимаем муфту упругую с торообразной оболочкой 40-1-22-1-У2 ГОСТ 20884-93 со следующими характеристиками:

Т=40Н·м - вращающий момент, передаваемый муфтой,=50 мм - диаметр конца вала под муфту,=320мм - наружный диаметр муфты=280мм - длина муфты.