Материал: Расчет и проектирование привода к скребковому конвейеру

Внимание! Если размещение файла нарушает Ваши авторские права, то обязательно сообщите нам

расстояние между точками приложения консольной силы и реакции смежной опоры подшипника- lм =121,5 мм;

диаметр делительной окружности шестерни - d2=315,9 мм.

, RDх - реакции опор в горизонтальной плоскости;, RDy - реакции опор в вертикальной плоскости;

Рисунок 9.3 - Расчётная схема быстроходного вала цилиндрического редуктора

Определяем реакции в опорах выбранных подшипников вала в вертикальной и горизонтальной плоскостях (рисунок 9.4), составляя по два уравнения равновесия плоской системы сил.

Радиальные реакции в подшипниках направляем противоположно направлению окружной(Ft2) и радиальной(Ft2)сил в зацеплении редукторной передачи.

Рисунок 9.4 - Cилы в вертикальных и горизонтальных плоскостях быстроходного вала

а) Вертикальная плоскость.

ΣMi3=0; -Ft2·lT/2+ RCy·lT - Fм·lм=0,Сy= (Ft2·lT/2+Fм·lм)/ lТ=(3069,5·102/2+ 2752,4·121,5)/ 102= 4813,67 (Н);

ΣMi1=0; Ft2·lТ/2- RDy·lT- Fм·(lT +lм) =0,

RDy= (Ft2·lТ/2- Fм·(lT +lм))/ lT=(3069,5·102/2-

-2752,4·(102 +121,5))/ 102=-4496,57 (Н);

Проверка: ΣYi=0;

RСy -Ft2 +RDy+ Fм= 4813,67 -3069,5-4496,57+2752,4=0.

б) Горизонтальная плоскость.

ΣMi3=0; -Fr2·lT/2-Fa2·d2/2-RCx·lT= 0,

RCx=(-Fr2·lT/2-Fa2·d2/2)/lT=(-1160,2·102/2-489,9·315,9/2)/ 102=-1338,8 (Н);

ΣMi1=0; Fr2·lT/2-Fa2·d2/2-RDx·lT= 0,=(Fr2·lT/2-Fa2·d2/2)/lT=(1160,2·102/2-185,2·315,9/2)/ 102=178,6 (Н);

Проверка: ΣXi=0;

RCx-Fr2 + RDx=-1338,8+1160,2-178,6=0.

Определяем суммарные радиальные реакции опор подшипников вала=== 4996,4(Н);===4500,1(Н).

9.2 Проверочный расчёт подшипников

.2.1 Проверочный расчёт радиальных шариковых однорядных подшипников быстроходного вала

Проверочный расчёт предварительно выбранных подшипников выполняется по рекомендациям [1, с. 140-149].

) Определяем эквивалентную динамическую нагрузку подшипников. Эквивалентная динамическая нагрузка RE учитывает характер и направление действующих на подшипник нагрузок, условия работы и зависит от типа подшипника.

а) Определяем отношение

==0,14, (9.1)

где Ra - осевая нагрузка подшипника, Ra=Fa1=489,9 Н;- коэффициент вращения, при вращающемся внутреннем кольце подшипника V=1[1, табл. 9.1, с. 141];- большая радиальная нагрузка подшипника (суммарная реакция подшипника) Rr=RA=3398,5Н.

б) Находим отношение

==0,036, (9.2)

где C0r - статическая грузоподъёмность подшипника на быстроходном валу, C0r=13,7 кН=13700 Н.

Определяем коэффициент осевого нагружения е интерполированием [1, табл. 9.2, с. 143]

е=e’+ ·=0,22+(0,036-0,028)=0,23,

е’ - значение коэффициента влияние осевого нагружения при отношении

=0,028, по табличным данным е’=0,22;’’ - значение коэффициента влияние осевого нагружения при отношении

= 0,056, по табличным данным е’’=0,26.

Определяем коэффициент осевой нагрузки Y интерполированием [1, табл. 9.2, с. 143]

Y=Y’+·=1,99+(0,036-0,028)=1,91

Y’ - значение коэффициента влияние осевого нагружения при отношении

=0,028, по табличным данным Y’=1,99;’’ - значение коэффициента влияние осевого нагружения при отношении

=0,056, по табличным данным Y’’=1,71.

в) По соотношению =0,14<e=0,23 выбираем формулу для расчёта эквивалентной динамической нагрузки подшипников [1, табл. 9.1, с. 141]=VRrKбKт=1·3398,5·1·1,1=3738,35 (Н), (9.3)б - коэффициент безопасности, зависящий от характера нагрузки и вида машинного агрегата, принимаем Kб =1,1[1, табл. 9.4, с. 145];т - температурный коэффициент, при рабочей температуре подшипника до 1000 С принимаем Kт=1.

) Определяем расчётную динамическую грузоподъёмность подшипников [1, с. 140]

Сrp=RE·=3738,35·=21220,8 (Н), (9.4)

где RE - эквивалентная динамическая нагрузка, RE =3738,35Н;- показатель степени, для радиальных шариковых подшипников m=3 [1, с. 140];- коэффициент надёжности, a1=1 [1, с. 140];- коэффициент, учитывающий влияние качества подшипника и качества его эксплуатации, при обычных условиях эксплуатации для шариковых подшипников принимаем a23=0,7…0,8 [1, с. 140];- частота вращения внутреннего кольца подшипника быстроходного вала, n=n1= 213,4 об/мин;- требуемая долговечность подшипников, принимаем для зубчатых редукторов Lh=10000 ч [1, с. 140].

Проверяем пригодность подшипников сопоставлением расчётной динамической грузоподъёмности с базовой по условию [1, с. 140]

≤Cr, (9.5)

где Cr - базовая динамическая грузоподъёмность подшипников, Cr=25,5кН=25500Н.

Условие Crp≤Cr выполняется, так как Crp=21220,8 Н <Cr=25500 Н, следовательно, подшипники пригодны.

) Определяем базовую долговечность подшипников [1, с. 140]

L10h=a1a23=1·0,7·=17351,3 (ч). (9.6)

Проверяем пригодность подшипников сопоставлением базовой долговечности с требуемой по условию [1, с. 140]h≥Lh . (9.7)

Условие L10h≥Lh выполняется, так как L10h=17351,3 ч>Lh=10000 ч.

9.2.1 Проверочный расчёт радиальных шариковых однорядных подшипников тихоходного вала

Проверочный расчёт предварительно выбранных подшипников выполняется по рекомендациям [1, с. 140-149].

) Определяем эквивалентную динамическую нагрузку подшипников.

а) Определяем отношение

==0,098, (9.8)

где Ra - осевая нагрузка подшипника, Ra=Fa2=489,9Н;- коэффициент вращения, при вращающемся внутреннем кольце подшипника V=1[1, табл. 9.1, с. 141];- большая радиальная нагрузка подшипника (суммарная реакция подшипника) Rr=Rс=4996,4Н.

б) Находим отношение

==0,019, (9.9)

где C0r - статическая грузоподъёмность подшипника на тихоходном валу,r=25 кН=25000 Н.

Определяем коэффициент осевогонагруженияе интерполированием [1, табл. 9.2, с. 143]

е=e’+ ·=0,19+(0,019-0,014)=0,02,

е’ - значение коэффициента влияние осевого нагружения при отношении

=0,014, по табличным данным е’=0,19;’’ - значение коэффициента влияние осевого нагружения при отношении

= 0,028, по табличным данным е’’=0,22.

Определяем коэффициент осевой нагрузки Y интерполированием [1, табл. 9.2, с. 143]=Y’+·=2,3+(0,019-0,014)=2,2,

Y’ - значение коэффициента влияние осевого нагружения при отношении

=0,014, по табличным данным Y’=2,3;’’ - значение коэффициента влияние осевого нагружения при отношении

=0,028, по табличным данным Y’’=1,99.

в) По соотношению =0,019<e=0,02 выбираем формулу для расчёта эквивалентной динамической нагрузки подшипников [1, табл. 9.1, с. 141]=VRrKбKт=1·4996,4·1·1,1=5496,04 (Н), (9.10)б - коэффициент безопасности, зависящий от характера нагрузки и вида машинного агрегата, принимаем Kб =1,1[1, табл. 9.4, с. 145];т - температурный коэффициент, при рабочей температуре подшипника до 1000 С принимаем Kт=1.

) Определяем расчётную динамическую грузоподъёмность подшипников [1, с. 140]

Сrp=RE·=5496,04·=16240,1 (Н), (9.11)

где RE - эквивалентная динамическая нагрузка, RE =5496,04H;- показатель степени, для радиальных шариковых подшипников m=3 [1, с. 140];- коэффициент надёжности, a1=1 [1, с. 140];- коэффициент, учитывающий влияние качества подшипника и качества его эксплуатации, при обычных условиях эксплуатации для шариковых подшипников принимаем a23=0,7…0,8 [1, с. 140];- частота вращения внутреннего кольца подшипника быстроходного вала,n=n2= 30,1 об/мин;- требуемая долговечность подшипников, принимаем для зубчатых редукторов Lh=10000 ч [1, с. 140].

Проверяем пригодность подшипников сопоставлением расчётной динамической грузоподъёмности с базовой по условию [1, с. 140]

≤Cr, (9.12)

где Cr - базовая динамическая грузоподъёмность подшипников, Cr=43,6кН=43600 Н.

Условие Crp≤Cr выполняется, так как Crp=16240,1 Н <Cr=43600 Н, следовательно, подшипники пригодны.

) Определяем базовую долговечность подшипников [1, с. 140]

L10h=a1a23=1·0,7·=193504,1 (ч). (9.13)

Проверяем пригодность подшипников сопоставлением базовой долговечности с требуемой по условию [1, с. 140]h≥Lh . (9.14)

Условие L10h≥Lh выполняется, так как L10h=193504,1>Lh=10000 ч.

9.3 Построение эпюр изгибающих и крутящих моментов

.3.1 Построение эпюр изгибающих и крутящих моментов быстроходного вала

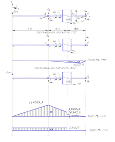
Построение выполняем на основание результатов, полученных при расчёте реакций в опорах подшипников, в соответствии с рекомендациями [1, с. 134-139]. Расчётная схема быстроходного вала приведена на рисунке 9.1.

Выполняем расчёт изгибающих моментов.

а) Вертикальная плоскость.

Рассчитываем значения изгибающих моментов относительно оси х в характерных сечениях 1-4, Н·ммх1=0;х2=0;х3=RAy·=-1534,75·=-75202,75 (Н·мм);х4=0;

б) Горизонтальная плоскость.

Рассчитываем значения изгибающих моментов относительно оси у в характерных сечениях 1-4, Н·мму1=0;у2=Fоп· lоп=1399·81,5=114018,5(Н·мм);
у3слева=Fоп·(lоп+)-RAx·=1399·(81,5 + )-·=22986,8(Н·мм);у3справа=-RВy·=541,68·=26542,3(Н·мм);у4=0;

Выполняем расчёт крутящего момента, Н·мм=Mz=== 67682,5(Н·мм).

Строем эпюры изгибающих и крутящих моментов (рисунок 9.5).

Знак эпюры крутящего момента определяется направлением момента от окружной силы Ft, если смотреть со стороны выходного кольца вала (по ходу часовой стрелки - знак «плюс», против - знак «минус»).

Определяем суммарные изгибающие моменты в наиболее нагруженных сечениях вала (сечения 2 и 3), Н·мм===114018,5(Н·мм);== =82525,6(Н·мм).

9.3.2 Построение эпюр изгибающих и крутящих моментов тихоходного вала

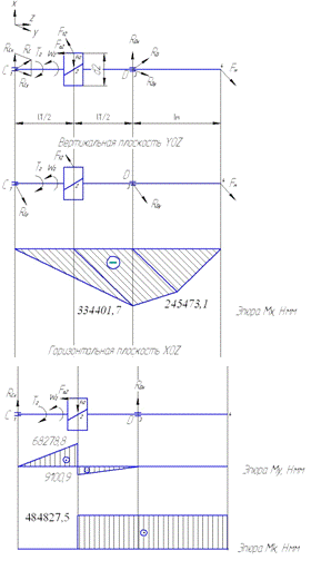
Построение выполняем на основание результатов, полученных при расчёте реакций в опорах подшипников, в соответствии с рекомендациями [1, с. 134-139]. Расчётная схема тихоходного вала приведена на рисунке 9.2.

Выполняем расчёт изгибающих моментов.

а) Вертикальная плоскость.

Рассчитываем значения изгибающих моментов относительно оси х в характерных сечениях 1-4, Н·ммх1=0; Mх2= RСy·= - 4813,67· = - 245473,1 (Н·мм);х3=+Ft2·=+156544,5=-334401,7 (Н·мм);
х4=0;

б) Горизонтальная плоскость.

Рассчитываем значения изгибающих моментов относительно оси у в характерных сечениях 1-4, Н·мму1=0; Mу2слева= RСх·= 1338,8· =68278,8 (Н·мм);у2справа= RСх· -= 1338,8· - = 9100,9(Н·мм);у3=0; Mу4=0;

Выполняем расчёт крутящего момента, Н·мм=Mz===484827,5 (Н·мм).

Строем эпюры изгибающих и крутящих моментов (рисунок 9.6).

Определяем суммарные изгибающие моменты в наиболее нагруженных сечениях вала (сечения 2 и 3), Н·мм== =254792,1 (Н·мм);== =355479,18 (Н·мм).

Рисунок 9.5 - Эпюры изгибающих и крутящих моментов быстроходного вала

Рисунок 9.6 - Эпюры изгибающих и крутящих моментов тихоходного вала

10. Конструирование валов

.1 Конструирование быстроходного вала

Конструкция быстроходного вала (вала-шестерни), а также диаметры и длины его ступеней были определены на стадии предварительного расчета валов. При выполнении эскизной компоновки редуктора размеры диаметров и длин ступеней были уточнены.

) Первая ступень посадочная поверхность под элемент открытой передачи.

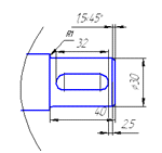
Выходной конец вала (рисунок10.1) выполняется цилиндрическим со следующими размерами:

диаметр ступени d1 = 30 мм;

длина ступени l1 = 40 мм.

Для облегчения монтажа элемента открытой передачи на торце первой ступени выполняем фаску с=1мм (1×45°) [1,табл.10.8, с.188].

Переходный участок вала между двумя (первой и второй) смежными ступенями разных диаметров выполняем галтелью радиуса r= 2 мм [1,табл. 10.8, с.188].

Рисунок 10.1 - Выходной конец вала