Министерство сельского хозяйства и продовольствия Республики Беларусь
Учреждение образования
«ГРОДНЕНСКИЙ ГОСУДАРСТВЕННЫЙ АГРАРНЫЙ УНИВЕРСИТЕТ»
Кафедра
технической механики и материаловедения
Курсовой проект
по дисциплине «Прикладная механика»
Тема:
Расчет
и проектирование привода к скребковому конвейеру
Гродно 2015
1. Выбор электродвигателя. Кинематический расчет привода
.1
Исходные
данные к курсовому проекту
Вариант исходных данных - 1:
Тяговая сила ленты F=3,7 кН.
Скорость подъема
=0,4 м/с.
Шаг тяговой цепи p=100 мм.
Число зубьев звездочки z = 8.
Срок службы привода - 5 лет.
Режим работы односменный.
Валы установлены на подшипниках
качения.
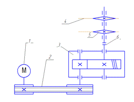
Рисунок 1 - Схема №89: 1 - двигатель;
2
-
поликлиноременная передача; 3 - цилиндрический редуктор; 4- тяговая цепь; 5 -
ведущая звездочка конвейера; 6 - муфта
1.2 Определение номинальной мощности
и номинальной частоты вращения двигателя
Двигатель является одним из основных элементов машинного агрегата. От типа двигателя, его мощности, частоты вращения и прочего зависят конструктивные и эксплуатационные характеристики машины и её привода.
Мощность двигателя зависит от требуемой мощности рабочей машины, а её частота вращения - от частоты вращения приводного вала рабочей машины.
Определяем требуемую мощность
рабочей машины
[1, с. 41]
(1.1)
где F - сила (тяговая сила цепи), F=3,7 кН;
- скорость подъема,
=0,4 м/с.
= 3,7
0,4 = 1,48 (кВт)
Определяем общий коэффициент
полезного действия (КПД) привода [1, с. 41]
где
- коэффициент полезного действия
открытой передачи, принимаем
= 0,96 [1, табл. 2.2, с.41];
- коэффициент полезного действия
закрытой передачи, принимаем
=0,96 [1, табл. 2.2, с.41];
- коэффициент полезного действия
муфты, принимаем
= 0,98 [1,
табл. 2.2, с.41];
- коэффициент полезного действия
пары подшипников качения, принимаем
= 0,99 [1, табл. 2.2, с.41].
(1.2)
Определяем требуемую мощность
двигателя
[1, с. 42]
(кВт). (1.3)
Определим номинальную мощность
двигателя
.
Значение номинальной мощности
выбираем по величине, большей, но ближайшей к требуемой мощности
[1, с.42]
(1.4)
Выбираем двигатель - асинхронный
короткозамкнутый трехфазный серии 4А общепромышленного применения с номинальной
мощностью
= 2,2 (кВт)
[1, табл. К9, с. 406].
Проверяем условие (1.4)
,2 кВт > 1,689 кВт,
условие выполняется.
Для расчета рассмотрим двигатели с
различными синхронными частотами вращения: 3000, 1500, 1000, 750 об/мин.
Синхронную и номинальную частоты вращения для выбранных электродвигателей
сведем в таблицу 1.1.
Таблица 1.1 - Синхронная и номинальная частота вращения двигателей
|
Двигатель |
Синхронная частота, об/мин |
Номинальная частота, об/мин |
|
4АМ80B2УЗ |
3000 |
2850 |
|
4АМ90L4УЗ |
1500 |
1425 |
|
4АМ100L6УЗ |
1000 |
950 |
|
4АМ112MA8УЗ |
750 |
700 |
1.3 Определение передаточных чисел
привода и его ступеней
Передаточное число привода u
определяется отношением номинально частоты вращения двигателя
к частоте
вращения приводного вала рабочей машины
при номинальной нагрузке и равно
произведению передаточных чисел закрытой
и открытой
передач:
Определяем частоту вращения
приводного вала рабочей машины
[1, с. 43]. Для цепного конвейера
Из формулы (1.6) имеем
(об/мин),
где
- скорость подъема,
=0,4 м/с;-
число зубьев звездочки, z=8;шаг тяговой цепи, p=100мм.
Определяем передаточное число
привода для всех рассматриваемых вариантов типа двигателя при заданной
номинальной мощности
За номинальную частоту вращения
двигателя
принимаем
соответствующие значения из таблице 1.1.

Определение и выбор передаточных чисел ступеней
производится разбивкой передаточного числа привода для всех вариантов типа
двигателя так, чтобы
,
где u,
,
-
соответственно передаточные числа привода, редуктора (закрытой передачи) и
открытой передачи.
Выбираем промежутки передаточных чисел для передачи привода [1, табл. 2.3, с.45]:
клиноременная 2…4;
закрытая зубчатая цилиндрическая 2…7,1.
При этом передаточное число привода будет составлять
Найденному диапазону для передаточного числа привода соответствует 1 из 4 выбранных электродвигателей с частотой вращения 750 об/мин.
Воспользуемся одним из способов разбивки
передаточного числа u - принимаем и оставляем постоянным передаточное число
редуктора (закрытой передачи)
= 7,1, изменяя передаточное число
открытой передачи
Оптимальным является: передаточное число открытой передачи uо.п.=3,28 и передаточное число закрытой передачи uз.п. =7,1.
Исходя из полученных данных, выбираем
электродвигатель 4АМ112MA8УЗ с синхронной чистотой вращения n=750 об/мин, номинальной
частотой вращения nном=700 об/мин и номинальная мощностью Рном = 2,2 кВт [1,
таб.К9, с. 406].
1.4 Определение силовых и
кинематических параметров привода
Силовые (мощность и вращающий момент) и кинематические (частота вращения и угловая скорость) параметры привода рассчитывают на валах при частоте вращения nном при установившемся режиме работы.
Исходя из последовательности соединения элементов привода по следующей кинематической схеме двигатель → открытая передача→ закрытая передача → муфта → рабочая машина (см. рисунок 1.1), получаем следующие формулы ( индекс 1 соответствует параметру, относящемуся к быстроходному валу, а индекс 2- к тихоходному валу редуктора).
Определение мощностей [1,с. 46]
Рдв = 1,689 кВт;
(кВт);
(кВт);
(кВт).
Определение частот [1, с.46]ном =700 об/мин;
(об/мин);
(об/мин);рм =n2 =30,1 об/мин.
Определение угловых скоростей [1, с.46]
(с-1);
(с-1);
(с-1).
Определение вращающих моментов [1, с.46]
(Н
м);
(Н
м);
(Н
м);
(Н
м);
Силовые и кинематические параметры
привода сведены в таблицу 1.2.
Таблица 1.2 - Силовые кинематические параметры привода
|
Двигатель 4АМ132М8У3: nном=700 об/мин; Рном=2,2 кВт |
|||||||
|
Параметр |
Передача |
Параметр |
Вал |
||||
|
|
Закрытая |
открытая |
|
двигателя |
редуктора |
Привода рабочей машины |
|
|
|
|
|
|
|
быстроходный |
тихоходный |
|
|
Передаточное число u |
7,1 |
3,28 |
Расчетная мощность Р, кВт |
1,689 |
1,605 |
1,526 |
1,480 |
|
|
|
|
Угловая скорость ω, с-1 |
73,27 |
22,34 |
3,28 |
3,28 |
|
КПД |
0,96 |
0,96 |
Частота вращения n, мин-1 |
700 |
213,4 |
30,1 |
30,1 |
|
|
|
|
Вращающий
момент Т, Н |
|
|
|
|
2. Расчёт открытой передачи
.1 Проектный расчет
Для передачи выбираем приводной поликлиновый ремень.
Сечение ремня выбираем в зависимости от мощности
=
1,689 кВт, передаваемой мощности ведущим шкивом, и его частоты вращения
=
700 об/мин по номограмме[1, с. 86-87] - сечение K.
Определяем минимально допустимый диаметр
ведущего шкива
в зависимости от
выбранного ремня. Принимаем
= 40 мм [1, см.
табл. 5,4, с. 87].
Задаемся расчетным диаметром ведущего шкива
.
В целях повышения срока службы ремня выбираем ведущий шкив с диаметром
несколько
больше
[1,
см. табл. К40]. Принимаем d1= 63 мм.
Определяем диаметр ведомого шкива d2
d2=d1u(1-ε) = 63∙3,28(1 - 0,01) = 204,6 (мм), (2.1)
где u - передаточное число клиноременной
передачи, u =
= 3,28;
ε - коэффициент скольжения, ε = 0,01…0,02 [1, см. 5.1, п. 2]; принимаем ε = 0,01.
Полученное значение d2 округляем до ближайшего стандартного, принимаем d2=200 мм [1, см. табл. К40].
Определяем фактическое передаточное число uф и
проверяем его отклонение
от заданного u [1,
см. 5.2, п. 5]
(2.2)
(2.3)
Условие ∆u ≤ 3% выполняется.
Определяем рекомендуемое межцентровое расстояние а [1, см. 5.2, п. 6]
а ≥0,55(d1+d2)+H=0,55(63+200) + 4=148,65, (2.4)
где H- высота сечения клинового ремня, H = 4 мм [1, см. табл.К31].
Принимаем а = 150 мм.
Определить расчётную длину L [1, см. 5.2, п. 7]
=
(2.5)
Округляем значение L до стандартного, принимаем
800
мм =0,8 м [1, см. табл К31].
Уточняем значение межосевого расстояния а по стандартной длине ремня [5, c. 88]
. (2.6)
При монтаже передачи необходимо обеспечить
возможность уменьшения α на 0,01
для того, чтобы облегчить надевание ремня на шкив; для увеличения натяжения
ремней необходимо предусмотреть возможность увеличения α
на
0,025
.
Таким образом, минимальное и максимальное значения межосевого расстояния а при монтаже передачи равны
аmin= a - 0,01
L
= 158 - 0,01 ∙ 800 =150 (мм);
(2.7)= a + 0,025
L = 158 + 0,025 ∙
800 = 178 (мм). (2.8)