Материал: Расчет и проектирование привода к скребковому конвейеру

Внимание! Если размещение файла нарушает Ваши авторские права, то обязательно сообщите нам

Выбираем параметры шпоночного соединения для установки элемента открытой передачи [1, табл. К42, с.449]:

ширина шпонки b = 8 мм;

высота шпонки h = 10 мм;

глубина шпоночного паза вала t1 = 5 мм;

глубина шпоночного паза ступицы t2 = 3,3 мм;

длина шпонки l = 22 мм.

Рисунок 10.2 - Поперечное сечение ступени вала со шпоночным пазом

) Вторая ступень (посадочная поверхность под уплотнение крышки с отверстием и подшипник).

Размеры второй ступени вала:

диаметр ступени d2 = 35 мм;

длина ступени l2 = 70 мм.

Переходный участок вала между двумя (второй и третьей) смежными ступенями разных диаметров выполняем канавкой ширины b=3 мм со скруглением r=1мм для выхода шлифовального круга, которая повышает концентрацию напряжений на переходном участке (рисунок 10.3) [1,табл. 10.7, с.187].

Рисунок 10.3 - Переходный участок в виде канавки

) Третья ступень (выполняется заодно с цилиндрической шестерней).

Размеры третьей ступени вала:

диаметр ступени d3 = 40 мм;

длина ступени l3 = 81 мм.

) Четвертая ступень (посадочная поверхность под подшипник ).

Размеры четвертой ступени вала:

диаметр ступени d4 = 35 мм;

длина ступени l4 = 17 мм.

Для облегчения монтажа подшипника качения на торце четвертой сту- пени выполняем фаску с = 1,5 мм (1× 45°) [1, табл. 10.8, с.188].

Переходный участок вала между третьей и четвертой ступенями выполняем аналогично переходному участку между второй и третьей.

Конструкция и размеры быстроходного вала представлены на рисунке 10.4.

Рисунок 10.4 - Конструкция и размеры вала-шестерни

10.2 Конструирование тихоходного вала

Конструкция тихоходного вала редуктора, а также диаметры и длины его ступеней были определены на стадии предварительного расчета валов. При выполнении эскизной компоновки редуктора размеры диаметров и длин ступеней были уточнены.

) Первая ступень посадочная поверхность под полумуфту

Выходной конец вала выполняется цилиндрическим со следующими размерами:

диаметр ступени d1 = 50 мм;

длина ступени l1 = 60 мм.

Для облегчения монтажа элемента открытой передачи на торце первой ступени выполняем фаску с=2,5мм (1×45°) [1,табл.10.8, с.188].

Переходный участок вала между двумя (первой и второй) смежными ступенями разных диаметров выполняем галтелью радиуса r= 2,5 мм [1,табл. 10.8, с.188].

Выбираем параметры шпоночного соединения для установки элемента полумуфты [1, табл. К42, с.449]:

ширина шпонки b = 14 мм;

высота шпонки h = 9 мм;

глубина шпоночного паза вала t1 = 5,5 мм;

глубина шпоночного паза ступицы t2 = 3,8мм;

длина шпонки l = 45мм.

) Вторая ступень (посадочная поверхность под уплотнение крышки с отверстием и подшипник).

Размеры второй ступени вала:

диаметр ступени d2 = 55мм;

Переходный участок вала между двумя (второй и третьей) смежными ступенями разных диаметров выполняем канавкой ширины b= 3 мм со скруглением r= 1 мм для выхода шлифовального круга [1, табл. 10.7, с.187].

) Третья ступень (посадочная поверхность под зубчатое колесо). Размеры третьей ступени вала:

диаметр ступени d3 = 65 мм;

длина ступени l3 = 73 мм.

Длину ступени l3 выполняем больше длины ступицы колеса lст ,при этом распорная втулка устанавливается между торцом внутреннего кольца подшипника и торцом ступицы колеса.

Зубчатое колесо устанавливается на валу по посадке с натягом и дополнительно фиксируется с помощью шпоночного соединения с призматической шпонкой.

Шпоночный паз на третьей ступени располагаем со стороны паза первой ступени.

Выбираем параметры шпоночного соединения (в зависимости от диаметра ступени) [1, табл. К42, с.449]:

ширина шпонки b = 18мм;

высота шпонки h = 11мм;

глубина шпоночного паза вала t1 = 7 мм;

глубина шпоночного паза ступицы t2 = 4,4 мм;

длина шпонки l = 50мм.

Длина шпонки принимается на 5-10 мм меньше длины ступицы зубчатого колеса из нормируемого ряда стандартных значений.

Переходный участок вала между двумя (третьей и пятой) смежными ступенями разных диаметров выполняем канавкой ширины b= 3 мм со скруглением r= 1 мм для выхода шлифовального круга [1, табл. 10.7, с.187].

) Четвертая ступень (посадочная поверхность под подшипник). Размеры четвертой ступени вала:

диаметр ступениd4 = 55 мм;

длина ступениl4 = 21 мм.

Для облегчения монтажа подшипника качения на торце четвертой сту пени выполняем фаску с = 1 мм (1× 45°) [1, табл. 10.8, с.188].

Переходный участок вала между третьей и четвертой ступенями выполняем аналогично переходному участку между второй и третьей.

) Пятая ступень (предотвращает осевое смещение колеса). Размеры пятой ступени вала:

диаметр ступени d5 = 70мм;

длина ступени l5 = 8 мм.

Конструкция и размеры тихоходного вала представлены на рисунке 10.5.

Рисунок 10.5 - Конструкция и размеры тихоходного вала

11. Проверочные расчеты

.1 Проверочный расчет шпонок

Призматические шпонки, применяемые в проектируемых редукторах, проверяют на смятие [2, с.170].

Условие прочности на смятие

, (11.1)

где Т - передаваемый вращающий момент, Н мм;диаметр вала вместе установки шпонки, мм;рабочая длина шпонки, для шпонки со скругленными торцами,=l-b, мм;полная длина шпонки, мм;ширина шпонки, мм;высота шпонки, мм;-глубина шпоночного паза на валу, мм;

[σ]см-допускаемое напряжение на смятие, принимаем [σ]см=190 МПа[1,с. 266].

Проверке подлежат две шпонки тихоходного вала - под колесом и полумуфтой и одна шпонка на быстроходном валу-под элементом открытой передачи.

) Проверяем шпонку быстроходного вала под элементом открытой передачи.

Условие прочности на смятие

(МПа),

где Т- передаваемый вращающий момент, Т=Т1 = 71850 Н· мм;диаметр вала в месте установки шпонки, d = 30мм;рабочая длина шпонки, для шпонки со скругленными торцами,=l-b=32 - 10=22(мм),полная длина шпонки, определенная при выборе параметров шпоночного соединения на этапе конструирования валов, l=32мм;ширина шпонки, b = 10 мм;высота шпонки, h =8 мм;-глубина шпоночного паза на валу, t1 =5мм;

Условие , выполняется, так как =72,6 МПа <=190 МПа.

) Проверяем шпонку тихоходного вала под полумуфтой.

Рассчитываем напряжения смятия

(МПа),

где Т- передаваемый вращающий момент, Т=Т2 = 484830Н· мм;диаметр вала в месте установки шпонки, d = 50мм;рабочая длина шпонки, для шпонки со скругленными торцами,=l-b=45- 14 = 31 (мм),-полная длина шпонки, определенная при выборе параметров шпоночного соединения на этапе конструирования валов, l=45мм;ширина шпонки, b = 14 мм;высота шпонки, h =9 мм;-глубина шпоночного паза на валу, t1 =5,5мм;

Условие , выполняется, так как =178,7 МПа <=190 МПа.

) Проверяем шпонку тихоходного вала под зубчатое колесо.

Рассчитываем напряжения смятия

(МПа),

где Т - передаваемый вращающий момент, Т=Т2 = 484830Н· мм;диаметр вала в месте установки шпонки, d = 65мм;рабочая длина шпонки, для шпонки со скругленными торцами,=l-b=50- 18 = 32 (мм),полная длина шпонки, определенная при выборе параметров шпоночного соединения на этапе конструирования валов, l=50мм;ширина шпонки, b = 18 мм;высота шпонки, h =11 мм;-глубина шпоночного паза на валу, t1 =7мм;

Условие , выполняется, так как =116,5 МПа <=190 МПа.

11.2 Проверочный расчет валов

.2.1 Проверочный расчет на прочность

Проверочныйрасчетсостоитвопределениикоэффициентовзапасапрочностидляопасныхсеченийисравненииихстребуемыми (допускаемыми) значениями [2, с. 162-167].

Условие прочности имеет вид

≥ [s], (11.2)

где s -коэффициент запаса прочности для опасного сечения;

[s]-допускаемое значение коэффициент запаса прочности, принимаем [s]= 2,5 [2,с. 162].

Расчет производится для предположительно опасных сечений каждого из валов. Опасное сечение вала определяется наличием источника концентрации напряжений при суммарном изгибающем моменте М.

Общий коэффициент запаса прочности s в опасных сечениях [2, с.162]

, (11.3)

где и - коэффициенты запаса прочности по нормальным и касательным напряжениям.

Коэффициент запаса прочности по нормальным напряжениям [2,с.162]

, (11.4)

где  - предел выносливости материала вала при симметричном цикле изгиба, =410 МПа;

-эффективный коэффициент концентрации нормальных напряжений;

-масштабный фактор для нормальных напряжений;

- коэффициент, учитывающий влияние шероховатости поверхности, принимаем =0,97 [2, с. 162];

- амплитуда циклов нормальных напряжений, равная наибольшему напряжению изгиба в рассматриваемом сечении;

-среднее напряжение цикла нормальных напряжений;

-коэффициент; для легированных сталей =0,25…0,3 [2, с. 162], принимаем =0,25.

Коэффициент запаса прочности по касательным напряжениям[2,с.164]

, (11.5)

гдеτ-1-предел выносливости материала вала при симметричном цикле кручения [2, с.164],

 (МПа); (11.6)

-эффективный коэффициент концентрации касательных напряжений;

-масштабный фактор для касательных напряжений;

- коэффициент, учитывающий влияние шероховатости поверхности, принимаем=0,97[2,с.162];

-амплитуда циклов касательных напряжений;

-среднее напряжение цикла касательных напряжений;

- коэффициент, для легированных сталей=0,1 [2,с.166].

Принимаем, что нормальные напряжения от изгиба изменяются по симметричному циклу, а касательные от кручения - по отнулевому (пульсирующему).

11.2.2 Проверочный расчет быстроходного вала

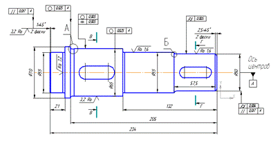
Выполняем уточненный расчет быстроходного вала. Намечаем три опасных сечения (рисунок11.1):

Одно (сечение А-А) - на второй ступени под подшипником опоры, смежной с консольной нагрузкой;

второе (сечение Б-Б) - на ступенчатом переходе галтелью r между второй и третьей ступенью;

третье (сечение В-В) - на третьей ступени в месте установки шестерни.

При df1>d3 - ступенчатый переход галтелью r между диаметром впадин шестерни df1 и диаметром ступени d3

Рисунок 11.1 - Опасные сечения быстроходного вала

Сечение А-А. Концентрация напряжений обусловлена посадкой подшипника с гарантированным натягом.

Определяем коэффициент запаса прочности по нормальным напряжениям

,

где  отношение эффективного коэффициента концентрации к масштабному фактору для нормальных напряжений, для валов с напрессованными деталями при пределе прочности= 900 МПа принимаем = 3,9 [2, табл. 8.7, с. 166]

-амплитуда циклов нормальных напряжений,

(МПа) (11.7)

 -суммарный изгибающий момент в рассматриваемом сечении, М=М2=114018,5Н· мм;

-осевой момент сопротивления сечения вала [1,табл.11.1,с. 270],

 (мм3); (11.8)

-среднее напряжение цикла нормальных напряжений,

(МПа), (11.9)

-осевая нагрузка на вал, = 489,9Н.

Определяем коэффициент запаса прочности по касательным напряжениям

,

где - отношение эффективного коэффициента концентрации к масштабному фактору для касательных напряжений [2,табл.8.7, с.166],

; (11.10)

-амплитуда циклов касательных напряжений;

-среднее напряжение цикла касательных напряжений;

(МПа), (11.11)

-крутящий момент,= 67682,5 Н·мм;