Материал: Попов Э.Г. Основы аналоговой техники. Учеб. пособие для студ. радиотехнических спец

Внимание! Если размещение файла нарушает Ваши авторские права, то обязательно сообщите нам

 

 

u

 

 

 

 

iЭ

Э

 

 

K

iK

 

R1

I

 

 

 

I0K

 

E1

u1 = uБЭ

iБ E

 

u2 = uКБ

R2

u2

I

 

I

I0K

E0K

 

 

 

iЭ

 

iК

 

 

 

 

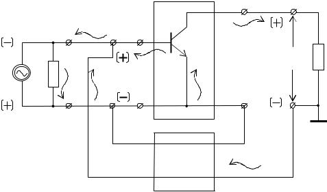
Рис. 3.7

 

 

 

 

Постоянные токи I, I0K, I, протекающие в схеме (см. рис. 3.7), определяются типом транзистора и полярностью источников Еи Е. Постоянный ток базы Iпротекает от +Ечерез базу, эмиттер, источник сигнала Е1, R1, к -Е. Постоянный ток коллектора Iтечет от +Eчерез сопротивление R2 участок коллектор–эмиттер транзистора, источник сигнала Е1, R1 к –E. Мгновенные значения переменных токов задаются источником сигнала Е1. Переменный ток эмиттера iЭ течёт от (+)Е1 через R1 к эмиттеру. В эмиттере этот ток разветвляется на базовую iБ и коллекторную iK составляющие. Базовая составляющая протекает от эмиттера к базе, далее через Ек (–)Е1. Коллекторная часть тока течёт от эмиттера в коллектор, далее через сопротивление R2, источник Ек (–)Е1. Коллекторный ток, протекая по сопротивлению R2, создаёт на нём падение напряжения u2 c плюсом вверху и минусом внизу. Сравнивая полярности напряжения u2 и ЭДС Е1, делаем вывод, что схема с ОБ не изменяет полярность усиливаемого сигнала.

Коэффициент усиления по напряжению для схемы с ОБ равен отношению выходного напряжения u2 = uКБ к входному u1 = uБЭ. Анализируя внешний контур схемы рис.3.7, можно записать uКБ = uБЭ + uКЭ. Теперь

K

Б

= u2

= uКБ = uБЭ + uКЭ =1+ K ,

(3.23)

 

u

u

БЭ

u

БЭ

 

 

 

1

 

 

 

71

где К – коэффициент усиления по напряжению схемы с ОЭ. Из (3.23) следует, что схема с ОБ обладает практически таким же усилением по напряжению, как и схема с ОЭ.

Коэффициент усиления по току:

 

 

 

 

 

 

 

K= iK =

iK

=

iK

=

 

 

h21

,

(3.24)

 

iБ(1+iK iБ)

1

 

iЭ

iБ +iК

 

+ h21

 

где h21 = iК/iБ – коэффициент усиления по току схемы с ОЭ.

Коэффициент усиления по мощности, равный произведению KБ на K, для схемы с ОБ значительно больше единицы, но меньше, чем для схемы с ОЭ.

Входное сопротивление транзистора, включённого по схеме с ОБ, оказывается существенно меньше, чем в схеме с ОЭ (из-за большого входного тока iЭ):

R ВХБ = uБЭ =

uБЭ

 

= uБЭ

1

.

(3.25)

iБ + iК

 

 

 

 

iЭ

 

 

 

iБ 1+ iК iБ

 

 

Для случая, когда R20,

выражение (3.23) может быть переписано в

виде

 

 

 

 

 

 

 

 

 

 

 

 

R

ВХБ

=

 

h11

 

,

 

(3.25а)

 

1+ h

21

 

 

 

 

 

 

 

 

где h11 и h21 – параметры схемы с ОЭ.

Величина входного сопротивления для схемы с общей базой лежит в пределах нескольких Ом или десятков Ом для маломощных транзисторов и может быть меньше Ома для мощных.

Выходное сопротивление в схеме с ОБ зависит от сопротивления источника сигнала и заметно превышает выходное сопротивление схемы с ОЭ.

Благодаря малому входному сопротивлению влияние входной динамической емкости в каскаде с транзистором, включенным по схеме с общей базой, оказывается существенно меньшим и проявляется на более высоких частотах, чем в каскаде на транзисторе, включенном по схеме с общим эмиттером. Полоса пропускания каскада с ОБ получается значительно шире, чем в каскаде с ОЭ.

72

Полученные выше результаты можно легко объяснить, если представить схему с ОБ в виде схемы с ОЭ, охваченной 100 %-ой отрицательной обратной связью по току параллельной по входу (рис. 3.8).

73

 

1

iЭ 3

2

iК

 

 

R1

 

iБ

u2

R2

J1

iЭ

uOC

 

iЭ

 

 

 

iК

 

 

 

 

1

3

2

 

 

 

 

 

β

iK

 

Рис. 3.8

Нетрудно убедиться, что эта схема является копией схемы, изображенной на рис. 3.7. Для большей наглядности в последней генератор ЭДС заменён эквивалентным генератором тока. Действительно, вход четырехполюсника обратной связи включен последовательно с нагрузкой (ОС по току). Во входной цепи все три пары клемм (1–1 – источника сигнала, 2–2 – вход усилителя без ОС, 3–3 – выход цепи β) включены параллельно. Полярность источника сигнала и пути протекания переменных токов соответствуют аналогичным элементам схемы (см. рис.3.7). Из схемы (рис. 3.8) следует, что весь выходной ток подаётся в четырёхполюсник обратной связи и затем без потерь во входную цепь, где создаёт напряжение обратной связи uОС, находящееся в противофазе с напряжением, поступающим от источника сигнала.

Как было показано ранее, такая ОС снижает коэффициент усиления по току, уменьшает входное сопротивление и увеличивает выходное, а также уменьшает нелинейные искажения. Параллельная обратная связь действует наилучшим образом при условии, что R1∞ (реально, когда R1>RВХ). В этом случае ОС улучшает стабильность параметров усилителя, расширяет его частотную характеристику, уменьшает нелинейные искажения. При R10 данная ОС перестаёт действовать, и свойства каскада (см. рис. 3.7) становятся такими, как и для схемы с ОЭ. Обратная связь в схеме с ОБ также перестаёт действовать, если сопротивление R2 стремится к бесконечности.

74

Частотные свойства схемы с ОБ могут быть проанализированы с помощью эквивалентной схемы (см. рис. 3.9). Для построения этой схемы необходимо вписать между точками Э и Б входной цепи и точками К и Б выходной эквивалентную схему транзистора (см. рис. 3.2).

 

 

rКЭ

 

 

 

 

SuБ'Э

 

 

Э

rБ'Э

Б' СК

К

 

R1

СБ'Э

 

 

 

uБ'Э

rБ′

uКБ

R2

uбЭ

E1

 

 

 

 

Рис. 3.9

Наличие обратной связи в схеме с ОБ позволяет получить более высокую частоту среза в области верхних частот, чем в схеме с ОЭ. Частота верхнего среза для сквозного коэффициента усиления существенно зависит от сопротивлений R1 и R2, влияющих на глубину обратной связи. Известно, что глубина обратной связи по току растёт с уменьшением сопротивления нагрузки R2. Для параллельной по входу ОС увеличение сопротивления R1 также ведёт к росту глубины обратной связи. При увеличении сопротивления R2 обратная связь по току перестаёт действовать (уменьшается её глубина), и частотные свойства схемы с ОБ приближаются к частотным свойствам схемы с ОЭ. Аналогичные явления наблюдаются в схеме (см. рис. 3.7) при уменьшении сопротивления R1.

Влияние ОС в схеме с ОБ сказывается также на зависимости входного сопротивления от частоты.

На низких частотах входное сопротивление оказывается существенно меньшим, чем в схеме с ОЭ (см. 3.25а). Максимальное снижение входного сопротивления достигается, если сопротивление нагрузки стремится к нулю.

75