Материал: Попов Э.Г. Основы аналоговой техники. Учеб. пособие для студ. радиотехнических спец

Внимание! Если размещение файла нарушает Ваши авторские права, то обязательно сообщите нам
Рис. 9.11

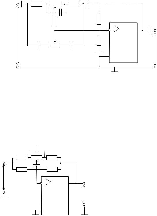
величина регулировочных сопротивлений. Цепь R7 - C7 является цепью частотной коррекции и предназначена для устранения самовозбуждения при подъеме частотной характеристики.

C1 R1

R2

R3

C6

 

 

C2

C3

R6

C8

 

R4

 

u1

 

C5

R7

 

C4

 

u2

 

R5

 

C7

 

 

 

Рис. 9.10

Для построения эквалайзера используются полосовые фильтры с разными центральными частотами, перекрывающие весь частотный диапазон. Все фильтры обычно строятся по одной схеме, например, по изображенной на рис. 9.11, но с различными номиналами цепей, задающих частотные параметры. Шаг между центральными частотами отдельных полос чаще всего берут равным октаве. В этом случае в полосе пропускания до двадцати килогерц раз-

 

С1

 

мещается

около десяти

таких

 

R3

фильтров.

Добротность фильтров

 

R1

берется приблизительно

равной

 

 

 

 

С2

R2 R5

единице.

 

 

 

u1

R4

 

На

рис.

9.12 представлена

 

схема десятиполосного активного

 

 

 

 

 

 

эквалайзера,

составленного из

 

 

u2

фильтров, собранных по схеме со-

гласно рис. 9.11. Каждый узкополосный фильтр собирается на отдельном ОУ по одной и той же схеме. Средняя частота последующего фильтра отличается от

частоты предыдущего в два раза. На входе схемы включен общий для всех

276

фильтров согласующий каскад. Им служит неинвертирующий повторитель напряжения на операционном усилителе.

C1

R2

R4

 

R3

C2 R6

R8

R5

 

R7

u1

 

C3

R1

 

u2

R9

Рис. 9.12.

Иногда согласующие усилители устанавливаются отдельно перед каждым полосовым фильтром. Сигналы, прошедшие через отдельные фильтры, складываются на входе сумматора, собранного на оконечном ОУ. Для первоначальной установки коэффициента передачи и частотной характеристики всей системы используется прямой канал передачи, образованный за счет активного сопротивления R9. Эквалайзер, использующий сумматор на выходе, обладает существенным недостатком, заключающимся в том, что шумы всех фильтров складываются на входе сумматора. Поэтому такой эквалайзер приходится ставить в том сечении усилителя, где уже имеется достаточно высокий уровень сигнала.

277

ЛИ Т Е Р А Т У Р А

1.Войшвилло Г.В. Усилительные устройства. - М.: Связь, 1975.

2.Цыкин Г.С. Усилительные устройства. - М.: Связь, 1971.

3.Мамонкин И.Г. Усилительные устройства. - М.: Связь, 1977.

4.Манаев Е.И. Основы радиоэлектроники. - М.: Радио и связь, 1990.

5.Гусев В.Г., Гусев Ю.М. Электроника. - М.: Высш. шк.,1991.

6.Лурье О.Б. Усилители видеочастоты. - М.: Сов. радио, 1961.

7.Шило В.Л. Линейные интегральные схемы. - М.: Сов. радио, 1979.

8.Кофлин Р. Операционные усилители и линейные интегральные схемы. -

М.: Мир, 1979.

9.Белецкий А.Ф. Основы теории линейных электрических цепей. - М.:

Связь, 1967.

10.Баскаков С.И. Радиотехнические цепи и сигналы. - М.: Высш. шк.,

1983.

11.Гоноровский И.С. Радиотехнические цепи и сигналы. - М.: Сов.

радио, 1977.

12.Атаев Д.Н., Болотников В.А. Аналоговые интегральные схемы для бытовой радиоаппаратуры. - М.: Изд-во МЭИ, 1991.

13.Ван-дер-Зил А. Флуктуационные явления в полупроводниках. - М.: ИЛ, 1961.

14.Ши Р.Ф. Расчёт транзисторных цепей. - М. - Л.: Энергия, 1964.

15.Брауде Г.В. Коррекция телевизионных и импульсных сигналов. - М.:

Связь, 1967.

16.Попов Э.Г. Аналоговые электронные устройства. В 4 - ч. - Мн.:

БГУИР, 1996.

17.Титце У., Шенк К. Полупроводниковая схемотехника. – М.: Мир, 1982.

18.Коннели Дж. Аналоговые интегральные схемы. – М.: Мир, 1977.

19.Шкритек П. Справочное руководство по звуковой схемотехнике. – М.:

Мир, 1991.

20.Павлов В.Н., Ногин В.Н. Схемотехника аналоговых электронных устройств. – М.: Радио и связь, 1997.

Св.план 2006, поз. 83

278

Учебное издание

Попов Эдуард Гаврилович

ОСНОВЫ АНАЛОГОВОЙ ТЕХНИКИ

УЧЕБНОЕ ПОСОБИЕ для студентов радиотехнических специальностей

Редактор Т.П. Андрейченко

 

Корректор

Бумага офсетная

-------------------------------------------------------------------------------------------------------

Подписано в печать

Формат 60х84 1/16

 

Гарнитура «Таймс»

Печать ризографическая.

Усл. печ. л.

Уч.-изд. л. 15,7

Тираж 300 экз.

Заказ 680

-------------------------------------------------------------------------------------------------------

Издатель и полиграфическое исполнение: Учреждение образования

«Белорусский государственный университет информатики и радиоэлектроники» Лицензия ЛП № 156 от 05.02.2001.

Лицензия ЛП № 509 от 03.08.2001. 220013, Минск, П.Бровки,6.

279