Материал: Пат. анатомия боевых поражений_2002

Внимание! Если размещение файла нарушает Ваши авторские права, то обязательно сообщите нам

Затяжной септический эндокардит (бактериальный полипозно-язвен-

ный эндокардит) — характеризуется инфекционным поражением клапанного аппарата сердца с формированием своеобразных вторичных ворот сепсиса /56/.

Хронический сепсис (хрониосепсис) характеризуется вялым длитель-

ным течением, повторными рецидивами септикопиемии с метастатическими оча- гами гнойной инфекции. Сопровождается тяжелыми проявлениями инфекционно- воспалительного эндотоксикоза с исходом в раневое истощение и кахексию.

Воротами раневого сепсиса чаще всего становятся нагноившиеся костно- мышечные и костно-суставные раны. В них отмечают распространенные явле- ния перифокального васкулита, тромбоваскулита (обычно тромбофлебита), что

сопровождается также усилением вторичных некротических изменений в ранах с распадом грануляционной ткани /12, 104/.

Характер метастатических поражений при сепсисе находится в некоторой зависимости от вида возбудителя. Так, при стафилококковом сепсисе с наи- большей частотой метастазами поражаются мягкие ткани (жировая клетчатка, скелетные мышцы) и особенно легкие /1, 4, 53/. Это совершенно не характерно для псевдомонадного (синегнойного) сепсиса, отличающегося также мень-

шими размерами метастатических очагов с образованием вокруг них геморра- гического венчика /11/.

У умерших от сепсиса отмечают выраженные дистрофические и некро- биотические изменения внутренних органов, признаки раневого истощения, что соответствует морфологической картине инфекционно-воспалительного эндо- токсикоза /84, 85/. Характерной для сепсиса считается гиперплазия селезенки (септическая селезенка), которая при остром сепсисе отличается также чрез- мерной дряблостью, что связывают с лейкоцитозом красной пульпы и проли- ферацией макрофагов. При отсутствии гнойных метастазов важное диагности- ческое значение отводят геморрагическому синдрому и гемолитической желту- хе, особенно при бактериологическом подтверждении бактериемии теми же микробами, которые высеваются из очага нагноения. Решающее значение отво- дится гистологическому исследованию, а также гистобактериоскопии первич- ных и вторичных септических очагов с обнаружением в тканях возбудителей.

1.3.2. А н а э р о б н а я р а н е в а я и н ф е к ц и я

Анаэробная раневая инфекция может протекать в трех различных клини- ко-анатомических формах:

1)анаэробная (газовая, отечная) гангрена;

2)ихорозная (гнилостная) инфекция;

3)столбняк.

Они неравнозначны в смысле нозологической определенности и отлича- ются по виду возбудителей, патогенезу и своему значению в боевой патологии.

41

1.3.2.1. А н а э р о б н а я г а н г р е н а

Анаэробная гангрена анаэробная раневая инфекция, характеризую- щаяся распространенным отеком и омертвением тканей (гангреной) поражен- ной области тела, а также тяжелыми общими проявлениями с прогрессирую- щим инфекционно-воспалительным эндотоксикозом, сердечно-сосудистой и дыхательной недостаточностью. В зависимости от преимущественного распро- странения инфекционного процесса в тканях различают анаэробный миозит,

анаэробные целлюлит и фасциит.

Возбудителями анаэробной гангрены обычно выступают клостридиаль- ные (спорообразующие) анаэробы Cl. perfringens, а также родственные виды клостридий — Cl. oedematiens, Cl. septicum, Cl. histolyticum и, как установлено в последние годы, также неклостридиальные (неспорообразующие) анаэробные кокки Peptococcus и Peptostreptococcus. В литературе обсуждают значение в

развитии анаэробной гангрены других родов неклостридиальных анаэробных микробов (бактероидов, фузобактерий и др.). В отличие от типичных возбуди- телей анаэробной гангрены (клостридий, пептококков, пептострептококков) их обнаруживают в полимикробных ассоциациях из ихорозно-гнойных (путрид- ных) глубоких абсцессов и карманов парафасциальных гнойных затеков /68, 71/, а также из очагов деструктивной пневмонии и гангрены легких /90/. Все они, наряду с клостридиями, пептококками и другими анаэробами, являются нормальными обитателями почвы, кожи, кишечника.

Соответственно различают клостридиальную и неклостридиальную

анаэробную гангрену.

Клостридиальная анаэробная гангрена (газовая гангрена, газовая флегмона, злокачественный отек) во всех прошлых войнах была одним из са- мых грозных осложнений огнестрельных ранений. В Великую Отечественную

войну частота возникновения анаэробной гангрены у раненых не превышала 0,5 — 1,0 %. Вместе с тем ее доля в структуре непосредственных причин смерти от осложнений ран представлялась значительно более весомой и дос- тигала на различных этапах медицинской эвакуации 20,7 — 37,6 % /34, 104/.

Однако в 50 — 60-е годы на фоне общего снижения инфекционной забо- леваемости частота осложнений ран анаэробной гангреной повсеместно упала,

и у военнослужащих США во Вьетнаме случаи возникновения анаэробной гангрены не описаны /134/. В советских войсках в Афганистане анаэробная гангрена встречалась намного реже, чем в годы войны 1941-1945 гг., но все же

сохраняла значительную актуальность и служила непосредственной причиной смерти у 6 % умерших от раневых инфекций. Возможно, это отражало гло- бальную мировую тенденцию к новому повышению частоты анаэробных ин-

фекций в 70 — 80-е годы /5, 68, 132, 135/.

42

Неклостридиальная анаэробная гангрена в годы Великой Отечественной войны не описана. До настоящего времени известны лишь единичные описания стрептококковой анаэробной гангрены у раненых, например, в Афганистане /101/.

Важную роль в патогенезе анаэробной гангрены играют микробные токси- ны с их некрогенным и вазопаралитическим действием, чем объясняют харак-

терное сочетание некротических и отечных изменений в тканях с их сдавлением в соединительнотканных футлярах и аноксией /3, 44, 103/. Решающим моментом патогенеза является сенсибилизация организма анаэробными микробами, разре- шение которой сопровождается дегрануляцией тканевых базофилов с интенсив- ным выбросом в ткани медиаторов воспаления. Этим объясняют гиперергиче- ский тип тканевой реакции, характерный для анаэробной гангрены /99/. Разви- тию гиперергической реакции могут способствовать общие нарушения ауторе- гуляторных механизмов иммунной системы, возникающие при формировании посттравматической иммуносупрессии и относительной недостаточности им- мунной системы у раненых.

Среди местных предпосылок, способствующих развитию анаэробной ган- грены, следует выделить ишемизацию области раны при повреждении крупных сосудов и наличие в ней большого количества некротически измененных тка- ней, а также инородных тел, что создает условия для селективного развития анаэробной микрофлоры. Этим можно объяснить более частое развитие ана-

эробной гангрены при огнестрельных ранениях конечностей с переломами трубчатых костей и повреждением магистральных сосудов.

Патоморфология анаэробной гангрены

Характер местного патологического процесса при анаэробной гангрене определяется как своеобразное острое серозно-альтеративное воспаление, ко-

торое сопровождается тяжелыми местными нарушениями кровообращения и бурно нарастающим отеком тканей. Процесс быстро выходит за пределы раны, распространяясь на соседние области тела. Кожа принимает мраморный вид с переходом в багрово-синюшную окраску. Отмечают образование обширных эпидермальных пузырей, заполненных серозно-геморрагическим экссудатом, и мацерацию. На разрезе ткани тусклые, набухшие, с обильным истечением се- розной или серозно-геморрагической жидкости. Подвергающиеся некрозу мышцы приобретают характерный вид «вареного мяса».

При инфекции газообразующими микробами Cl. perfringens в тканях по- являются пузырьки газа, которые обнаруживают пальпаторно по ощущению крепитации. Это послужило поводом к широко употреблявшемуся в прошлом названию «газовая гангрена» /23, 124/. При микроскопическом исследовании пораженных тканей обнаруживают микробов-возбудителей (грамположитель- ных крупных спорообразующих палочек клостридий или кокков пепто- кокков, пептострептококков, образующих характерные короткие цепочки). Их

43

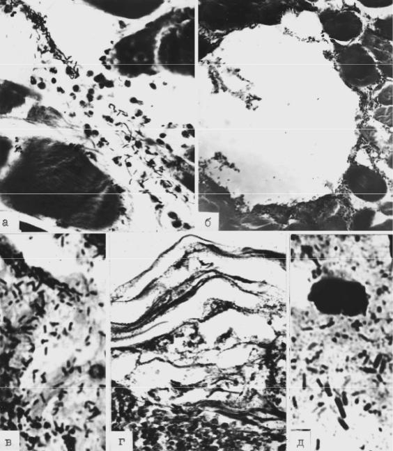
выявляют на значительном удалении от раны вокруг сосудов, в пери- и эндоми- зии мышц, в фасциальных образованиях и подкожной жировой клетчатке, куда они могут проникать вместе с токами тканевой жидкости. Лейкоцитарная реак- ция обычно мало выражена (рис. 28).

а

 

б

 

 

 

в

 

г

 

д

 

 

 

 

 

 

 

 

 

 

Рис. 28. Клостридиальная анаэробная раневая инфекция, вызванная

Clostridium perfringens (окраска по Граму а, б, в, д, азуром II-эозином г): а

анаэробный миозит с некрозом мышечных волокон на удалении от края раны. В отечном эндомизии крупные грамположительные палочки (клостридии) (× 300); б газовый пузырь среди скопления клостридий в некротизированной мышечной ткани (× 75); в анаэробный целлюлит с наличием клостридий в глубине некротизированной жировой клетчатки (× 500); г некроз и демарка- ционная лейкоцитарная инфильтрация в крае раны (× 250); д полиморфная грамположительная и грамотрицательная (бледно окрашенная) микробная флора среди некротического детрита в мазке-отпечатке с поверхности раны (× 1000)

44

Неклостридиальная пептострептококковая (стрептококковая) ана-

эробная гангрена по клинико-морфологическим проявлениям весьма близка к классической клостридиальной анаэробной гангрене. Чаще она принимает форму преимущественно серозно-гнойной некротической (гангренозной) флег- моны жировой клетчатки (анаэробный целлюлит) или распространяется пре- имущественно по фасциям (анаэробный фасциит). В подлежащих к очагам нек- роза тканях можно обнаружить перифокальный тромбоваскулит (рис. 29). По- следний развивается вне непосредственной связи со скоплениями микробов- возбудителей и может служить видом гиперергической реакции, разные прояв- ления которой характерны и для обычной гнойной стрептококковой инфекции.

а

 

б

 

 

 

Рис. 29. Стрептококковая анаэробная инфекция в огнестрельной ране бедра, 7-е сутки после ранения (окраска азуром II и эозином, × 150): а некроз мягких тканей в месте инвазии возбудителей на удалении 20 см от раневого ка- нала, серозно-лейкоцитарный инфильтрат; б некротический тромбоваскулит

в подлежащей жировой клетчатке

1.3.2.2. И х о р о з н а я (г н и л о с т н а я) и н ф е к ц и я

о г н е с т р е л ь н ы х р а н

Ихорозная (гнилостная) раневая инфекция характеризуется гнилостным разложением тканей, что проявляется нарастанием некротических изменений в области раны и своеобразным ихорозным экссудатом, который в отличие от гноя имеет сукровичный вид и неприятный гнилостный запах. Ихорозная ин-

фекция обычно отмечается в исходе неблагоприятного течения затянувшегося нагноения ран. В качестве возбудителей ихорозной раневой инфекции высту-

пают разнообразные полимикробные ассоциации с участием большого числа

45