Глава 3. Цепи с распределенными параметрами
В предыдущих лекциях рассматривались электрические цепи, геометрические размеры которых, а также входящих в них элементов не играли роли, т.е. электрические и магнитные поля были локализованы соответственно в пределах конденсатора и катушки индуктивности, а потери мощности – в резисторе. Однако на практике часто приходится иметь дело с цепями (линии электропередачи, передачи информации, обмотки электрических машин и аппаратов и т.д.), где электромагнитное поле и потери равномерно или неравномерно распределены вдоль всей цепи. В результате напряжения и токи на различных участках даже неразветвленной цепи отличаются друг от друга, т.е. являются функциями двух независимых переменных: времени t и пространственной координаты x. Такие цепи называются цепями с распределенными параметрами. Смысл данного названия заключается в том, что у цепей данного класса каждый бесконечно малый элемент их длины характеризуется сопротивлением, индуктивностью, а между проводами –соответственно емкостью и проводимостью.
Рис. 3.1
Для оценки, к какому типу отнести цепь: с сосредоточенными или распределенными параметрами, следует сравнить ее длину l с длиной электромагнитной волны λ VT . Если l 0,05...0,1λ , то линию следует рассматривать как
цепь с распределенными параметрами. Например, для f=50Гц и V 3 108 м/с ,
l 300 ... 600 км . Для f 108 Гц и λ 3м , т.е. уже при l 0,15... 0,3 м , к линии
следует подходить как к цепи с распределенными параметрами.
Для исследования процессов в цепи с распределенными параметрами (другое название – длинная линия) введем дополнительное условие о равномерности распределения вдоль линии ее параметров: индуктивности, сопротивления, емкости и проводимости. Такую линию называют однородной. Линию с неравномерным распределением параметров часто можно разбить на однородные участки.
56
3.1. Уравнения однородной линии в стационарном режиме
Под первичными параметрами линии будем понимать сопротивление R0 , индуктивность L0 , проводимость g0 и емкость С0 , отнесенные к единице ее
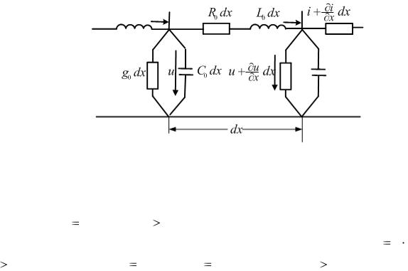
длины. Для получения уравнений однородной линии разобьем ее на отдельные участки бесконечно малой длины dx со структурой, показанной на рис. 3.1.
Пусть напряжение и ток в начале такого элементарного четырехполюсника
равны u и i, а в конце соответственно u |
u |
dx |
и i |
i |
dx . |
|
|||||
|
|
||||
|
x |
|
x |
||
Разность напряжений в начале и конце участка определяется падением напряжения на резистивном и индуктивном элементах, а изменение тока на участке равно сумме токов утечки и смещения через проводимость и емкость. Таким образом, по законам Кирхгофа:
ux dx R0 dx L0 dx ti ;
ux dx R0dx L0dx ti
или после сокращения на dx
|
u |
R |
L |
|
i |
; |
(3.1) |
||
|
x |
|
|
||||||
|
0 |
0 |
|
t |
|
||||
|
u |
|
R |
L |
|
i |
. |
(3.2 ) |
|
|
x |
|
|
||||||
|
0 |
0 |
|
t |
|
||||
Теорию цепей с распределенными параметрами в установившихся режимах будем рассматривать для случая синусоидального тока. Тогда полученные соотношения при f 0 можно распространить и на цепи постоянного тока, а
воспользовавшись разложением в ряд Фурье, – на линии периодического несинусоидального тока. Вводя комплексные величины и заменяя t на j , на основании (3.1) и (3.2) получаем
|
|
|
|
|
|
|
|
|
U |
|
(R0 |
j |
L0 ) I |
|
Z0 I; |
(3.3) |
|||||
|
|
|
|
|
|
|
|
|
x |
|
|
||||||||||
|
|
|
|
|
|
|
|
|
|
|
|
|
|
|
|
|
|
|
|
||
|
|
|
|
|
|
|
|
|
I |
|
(g0 |
j |
С0 )U |
Y0 U ; |
(3.4) |
||||||
|
|
|
|
|
|
|
|
|
x |
||||||||||||
|
|
|
|
|
|
|
|
|
|
|
|
|
|
|
|
|
|
|
|
||
где Z0 |
R |
j L |
и Y0 |
g |
|
|
j C |
|
- |
соответственно комплексные сопротив- |
|||||||||||
|
|
0 |
0 |
|
|
|
0 |
|
|
|
|
0 |
|
|
|
|
|
|
|
|
|
|
|
|
|
|
|
|
|
|
|
|
|
|
|
|
|
|
|
||||
ление и проводимость на единицу длины линии.
57
Продифференцировав (3.3) по x и подставив выражение |
I |
из (3.4), за- |
||||||||||||
x |
||||||||||||||
|
|
|
|
|
|
|
|
|
|
|
|
|
||
пишем |
|
|
|
|
|
|
|
|
|
|
|
|
|
|
Характеристическое уравнение |
|
|
|
|
|
|
|
|||||||
|
p2 Z |
0 |
Y |
0 , |
|
|
|
|||||||
|
|
|
|
|
|
|
0 |
|
|
|
|
|||
откуда |
|
|
|
|
|
|
|
|
|
|
|
|
|
|
|
|
|
|
|
|
|
|
|
|
|
||||
p1,2 |
|
Z0 Y0 |
|
|
|
( |
j ) . |
|
|
|||||
|
|
|
|
|
|
|
|
|
|
|
|
|
|
|
Таким образом,
|
|
U A e x |
A e x |
|
|
|
|
|
A e |
xe j x |
|
||||||||||||||||||||||||||||
|
|
|
|
1 |
|
|
|
|
|
|
|
|
|
2 |
|
|
|
|
|
|
|
|
1 |
|
|
|
|
|
|||||||||||
|
|
, (3.5) где |
|
|
|
|
|
j |
|
- постоянная |
|
||||||||||||||||||||||||||||
|
распространения; |
- коэффициент |
|
||||||||||||||||||||||||||||||||||||
|
тухания; |
|
|
|
|
|
|
|
|
- коэффициент фазы. |
|
||||||||||||||||||||||||||||
|
|
(3.5) где |
|
|
|
|
|
|
|
|
|
|
j |
|
|
- постоянная |
|
||||||||||||||||||||||
|
пространения; - коэффициент зату- |
|
|||||||||||||||||||||||||||||||||||||
|
хания; |
|
|
|
|
|
|
- коэффициент фазы. |
|
||||||||||||||||||||||||||||||
|
|
|
|
|
|
|
|
|
|
|
|
|
|
|
|
|
|
|
|
|
|
|
|
|
|
|
|
|
|
|
|
|
|||||||
где |
|
j - постоянная распространения; - коэффициент затухания; |
|||||||||||||||||||||||||||||||||||||
|
- коэффициент фазы. |
|
|
|
|
|
|
|
|
|
|
|
|
|
|||||||||||||||||||||||||
|
|
Для тока согласно уравнению (3.3) можно записать: |
|||||||||||||||||||||||||||||||||||||
|
|
|
|
|
|
|
|
|
|
|
|
|
|
|
|
|
|
|
|
|
|
|
|
|
|
|
|
|
|
|
|||||||||
|
|
I |
1 |
|
|
d U |
|
|
|
|
|
|
|
|
|
|
( A e x |
|
A e x ) |
|
|||||||||||||||||||
|
|
|
|
|
|
|
|
|
|
|
|
|
|
|
|
|
|
|
|
|
|
|
|
|
|
|
|||||||||||||
|
|
|
|
|
|
|
|
|
|
|
|
|
|
|
|
|
|
|
|
|
|
|
|
||||||||||||||||
|
|
|
|
|
|
Z0 |
|
|
dx |
|
|
Z0 |
|
1 |
|
|
|
|
2 |
|
|
||||||||||||||||||
|
|
|
|
|
|
|
|
|
|
|
|
|
|
|
|
|
|
|
|
|
|
|
|||||||||||||||||
|
|
|
|
|
|
|
|
|
|
|
|
|
|
|
|
||||||||||||||||||||||||
|
|
, (3.6) где Zс |
|
|
|
Z0 /Y0 - волновое |
|
||||||||||||||||||||||||||||||||
|
сопротивление. |
|
|
|
|
|
|
|
|
|
|
|
|
|
|
|
|
|
|
|
|
|
|
|
|
|
|
||||||||||||
|
|
|
|
|
|
|
|
|
|
|
|
||||||||||||||||||||||||||||
|
|
(3.6) где Zс |
|
|
|
|
|
|
Z0 /Y0 - волновое |
|
|||||||||||||||||||||||||||||
|
сопротивление. |
|
|
|
|
|
|
|
|
|
|
|
|
|
|
|
|
|
|
|
|
|
|
|
|
|
|||||||||||||
|
|
|
|
|
|
|
|
|
|
|
|
|
|
|
|
|
|
|
|
|
|
|
|
|
|
|
|
|
|
|
|
|
|
|
|
|
|
|
|
58
где Zс 
Z0 /Y0 - волновое сопротивление.
Волновое сопротивление Z0 и постоянную распространения
называют
вторичными параметрами линии, которые характеризуют ее свойства как устройства для передачи энергии или информации.
|
Определяя A1 A1e |
j 1 и A2 A2e |
j 2 , на основании (3.5) запишем |
||||||
|
|
|
|
|
|
|
|
|
|
|
u(x,t) |
|
2A e |
x sin( |
x |
1 |
) |
|
|
|
|
1 |
|
|
|
|
|||
|
. (3.7) Аналогичное уравнение |
|
|||||||
гласно (3.6) можно записать для тока. |
|
||||||||
Слагаемые в правой части соотношения |
|
||||||||
(3.7) можно трактовать как бегущие |
|
||||||||
волны: первая движется и затухает в |
|
||||||||
направлении |
возрастания x , вторая – |
|
|||||||
убывания. |
|
|
Действительно, |
|
в |
|
|||
ванный момент времени каждое из |
|
||||||||
гаемых |
|
представляет |
|
собой |
|
||||
щую (вследствие потерь энергии) |
|
||||||||
моническую функцию координаты x , а |
|
||||||||
в |
фиксированной |
точке |
|
– |
|
||||
ную функцию времени. |
|
|
|
|
|||||
|
(3.7) Аналогичное уравнение |
|
|||||||
гласно (3.6) можно записать для тока. |
|
||||||||
Слагаемые в правой части соотношения |
|
||||||||
(3.7) можно трактовать как бегущие |
|
||||||||
волны: первая движется и затухает в |
|
||||||||
направлении |
возрастания x , вторая – |
|
|||||||
убывания. |
|
|
Действительно, |
|
в |
|
|||
ванный момент времени каждое из |
|
||||||||
гаемых |
|
представляет |
|
собой |
|
||||
щую (вследствие потерь энергии) |
|
||||||||
моническую функцию координаты x , а |
|
||||||||
в |
фиксированной |
точке |
|
– |
|
||||
ную функцию времени. |
|
|
|
|
|||||
|
|
|
|
|
|
|
|
|
|
Аналогичное уравнение согласно (3.6) можно записать для тока. Слагаемые в правой части соотношения (3.7) можно трактовать как бегущие волны: первая движется и затухает в направлении возрастания x , вторая – убывания. Действительно, в фиксированный момент времени каждое из слагаемых представляет собой затухающую (вследствие потерь энергии) гармоническую функцию координаты x , а в фиксированной точке – синусоидальную функцию времени.
59
Волну, движущую от начала линии в сторону возрастания x , называют прямой, а движущуюся от конца линии в направлении убывания x , – обрат-
ной.
u
t1

2A1e αx
t2 |
V |
x |
|
2A1e αx
Рис. 2
Рис. 3.2
На рис. 3.2 представлена затухающая синусоида прямой волны для моментов времени t1 и t2 (t2 t1 ) . Перемещение волны характеризуется фазовой
скоростью. Это скорость перемещения по линии неизменного фазового состояния, т.е. скорость, с которой нужно перемещаться вдоль линии, чтобы наблюдать одну и ту же фазу волны:
x |
1 |
const . (3.8) Прод |
|
|
ифференцировав (3.8) по времени, получим
(3.8) Продифференцировав (3.8) по времени, получим
Продифференцировав (3.8) по времени, получим
V . (3.9) Длиной
ны называется расстояние между двумя ее ближайшими точками, различающимися по фазе на 2
рад. В ветствии с данным определением
(3.9) Длиной волны называется расстояние между двумя ее ближайшими точками, различающимися по фазе
60