Материал: Курсовой проект

Внимание! Если размещение файла нарушает Ваши авторские права, то обязательно сообщите нам

На основании данных таблицы 3.2 разрабатываются диаграммы пассажирских поездов и грузовых поездопотоков, представленные на рисунках 3.1 и 3.2.

Рисунок 3.1 – Диаграмма пассажирских поездопотоков

Рисунок 3.2 – Диаграмма грузовых поездопотоков

3.2 Расчет станционных и межпоездных интервалов

Станционный интервал – минимально необходимое время для операций по приему, отправлению или пропуску поездов через раздельный пункт с путевым развитием:

  1. Интервал неодновременного прибытия поездов τнп;

  2. Интервал скрещения поездов τск.

Межпоездной интервал – минимальное время, которым разграничиваются поезда при следовании по перегонам на участках, оборудованных АБ:

  1. Интервал между поездами в пакете I;

  2. Интервал попутного прибытия Iпр;

  3. Интервал попутного отправления Iотп.

Станционные и межпоездные интервалы должны обеспечивать безопасность движения и наилучшее использование пропускной способности железных дорог.

3.2.1 Расчет интервала неодновременного прибытия поездов

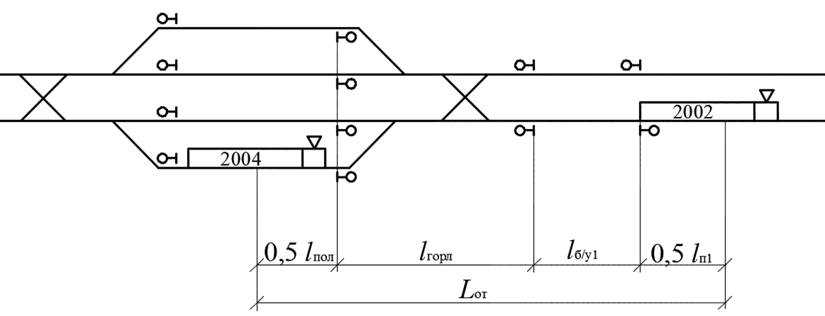
Интервал неодновременного прибытия поездов τнп – это минимальное время от момента прибытия с остановкой на раздельный пункт поезда одного направления до момента пропуска через эту станцию или до момента прибытия на нее поезда встречного направления. Определяется только для раздельных пунктов однопутных линий.

Интервал неодновременного прибытия поездов при АБ определяется по формуле, мин:

, (3.1)

где – продолжительность контроля дежурным по станции (ДСП) прибытия поезда №2001, мин;

– приготовление маршрута пропуска поезда №2002, включая переговоры о движении поездов между ДСП, мин;

– продолжительность открытия выходного сигнала поезду №2002, мин;

– полезная длина приемоотправочных путей на станции, км;

– длина входной горловины станции, км;

– длина блок-участка, расположенного между входным и предвходным светофорами, км;

– расстояние, проходимое поездом №2002 за время необходимое для восприятия машинистом смены огня светофора, км;

– скорость движения поезда на подходе к станции, км/ч.

где 16,7 – коэффициент перевода км/ч в м/мин;

- скорость движения поезда на подходе к сигналу предвходного светофора, км/ч;

- время восприятия машинистом показания открытого сигнала, мин.

Расчетная схема для определения интервала неодновременного прибытия приведена на рисунке 3.3.

Рисунок 3.3 – Расчетная схема для определения интервала неодновременного прибытия

3.2.2 Расчет интервала скрещения поездов

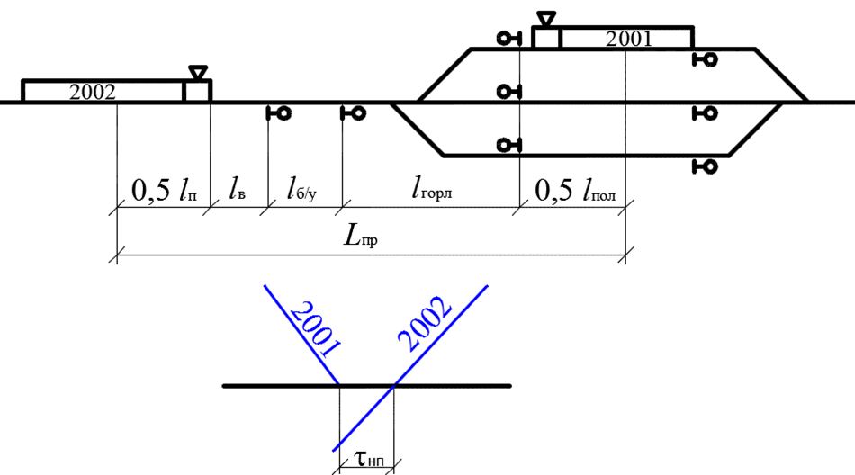
Интервал скрещения поездов – это минимальное время от момента проследования или прибытия на раздельный пункт поезда до момента отправления, определяемый по формуле:

, (3.3)

где – продолжительность контроля дежурным по станции (ДСП) проследования поезда №2002, мин;

– продолжительность приготовления маршрута отправления поезду №2001, включая переговоры о движении поездов между ДСП, мин;

– продолжительность открытия выходного сигнала поезду №2001, мин; – время, необходимое для восприятия машинистом смены сигнала светофора, мин.

Расчетная схема для определения интервала скрещения поездов приведена на рисунке 3.4.

Рисунок 3.4 – Расчетная схема для определения интервала скрещения поездов

3.2.3 Расчет интервала между поездами в пакете

Интервал между поездами в пакете – минимальный промежуток времени, определяемый исходя из разграничения следующих при АБ друг за другом двух или более попутных поездов блок-участками.

Интервал между поездами в пакете определяется по схеме движения поездов на зеленый под зеленый огонь светофора и рассчитывается по формуле:

, (3.4)

где – длина поезда, следующего первым в пакете, км;

, , – длины блок участков соответственно первого, второго, третьего, км;

– длина поезда, следующего вторым в пакете, км;

– средняя ходовая скорость по данному участку, км/ч.

Средняя ходовая скорость хода поезда по данному участку определена по формуле:

где 60 – коэффициент перевода мин в ч;

- длина участка, км;

- время хода по участку.

Расчетная схема для определения интервала между поездами в пакете представлена на рисунке 3.5.

Рисунок 3.5 – Расчетная схема для определения интервала между поездами в пакете

3.2.4 Расчет интервала попутного прибытия

Интервалом попутного прибытия называют минимальное время от прибытия на раздельный пункт (проследования через РП) одного поезда до момента прибытия на этот же РП (проследования через РП) другого поезда того же направления движения. Определяется только для раздельных пунктов при АБ.

Интервал попутного прибытия рассчитан по формуле, мин:

, (3.6)

где – продолжительность контроля дежурным по станции (ДСП) прибытия поезда №2001, мин;

– продолжительность приготовление маршрута приема (пропуска) поезда №2003, мин;

– продолжительность открытия выходного сигнала поезду №2003, мин;

– полезная длина приемоотправочных путей на станции, км;

– длина входной горловины станции, км;

– длина блок-участка, расположенного между входным и предвходным светофорами, км;

– расстояние, проходимое вторым поездом за время необходимое для восприятия машинистом смены огня светофора, км;

– длина поезда, прибывающего вторым на станцию, км;

– скорость движения поезда на подходе к станции, км/ч.

Расчетная схема для определения интервалов попутного прибытия приведена на рисунке 3.6.

Рисунок 3.6 - Расчетная схема для определения интервалов попутного прибытия

      1. Расчет интервала попутного отправления

Интервалом попутного отправления называют минимальное время от отправления с раздельного пункта (проследование через него) одного поезда до момента отправления (проследование через него) другого поезда того же направления и рассчитывается по формуле:

, (3.7)

где – длина выходной горловины станции, км;

– длина блок-участка, расположенного между дополнительным входным и первым проходным светофорами, км;

– продолжительность контроля ДСП прохода поездом №2002 расстояния, мин;

– продолжительность приготовления маршрута отправления поезда №2004, мин;

– продолжительность восприятия сигнала машинистом и приведение поезда в движение, мин.

Расчетная схема для определения интервала попутного отправления приведена на рисунке 3.7.

Рисунок 3.7 – Расчетная схема для определения интервала попутного

    1. Расчет наличной пропускной способности перегонов железных дорог

Пропускной способностью железнодорожной линии называется наибольшее число поездов или пар поездов установленной массы и длины, которое может быть пропущено по заданной линии в единицу времени при определенной ее технической оснащенности и принятой системе организации движении.

Различают понятия наличной, проектной и потребной пропускной способности.

Наличной называют пропускную способность, которая может быть реализована при существующей технической оснащенности участка и принятой системе организации движения.

Проектной называют пропускную способность, которая может быть достигнута при осуществлении намеченных мероприятий по усилению технической оснащенности участка.

Потребной называют пропускную способность, которой должен располагать участок для пропуска заданных грузопотоков и пассажиропотоков.

3.3.1 Расчет наличной пропускной способности однопутного участка

Наличная пропускная способность однопутного перегона определяется по формуле, пар поездов:

, (3.8)

где – продолжительность технологического «окна», мин;

– период графика, мин;

– нормативный коэффициент надежности инфраструктуры и подвижного состава;

– число пар поездов в периоде графика.

Период парного непакетного графика определяется по формуле:

, (3.9)

где , - время хода четного и нечетного поездов по перегону, мин;

, – станционные интервалы соответственно по станциям «а» и «б», ограничивающим перегон, мин.

Периоды графика перегона при заданном времени хода пары поездов могут принимать различные значения в зависимости от порядка пропуска поездов через раздельные пункты, ограничивающие перегон. Возможные 4 варианта пропуска поездов приведены на рисунке 3.8.

Рисунок 3.8 – Возможные 4 варианта пропуска поездов

Период графика для приведенных вариантов рассчитывается по формулам, мин:

  1. Схема I: поезда вступают на перегон с ходу:

, (3.10)

  1. Схема II: поезда выходят с перегона с ходу:

, (3.11)

  1. Схема III: четные поезда проходят с ходу обе станции, ограничивающие перегон:

, (3.12)

  1. Схема IV: нечетные поезда проходят с ходу обе станции, ограничивающие перегон:

, (3.13)

где , - время чистого хода четного и нечетного поездов по перегону, мин; - интервал скрещения поездов, мин;