Фотоприймачі призначені для перетворення світлових сигналів в електричні. У напівпровідникових фотоприладах використовується внутрішній фотоефект, який полягає в тому, що при опроміненні електрони напівпровідникового кристала набирають додаткової енергії, що необхідна для вивільнення їх з ковалентних зв’язків. Тому в напівпровідниках з’являються додаткові носії електричного заряду, які збільшують їх електропровідність.
Фоторезистори
Фоторезисторами називають напівпровідникові прилади, електричний опір яких змінюється під дією світла. Конструктивно фоторезистор складається з діелектрика 3, на який нанесено світлочутливий шар напівпровідника 1, і зовнішніх електродів 2 (рис. а).
Схема вмикання фоторезистора до електричного кола показана на рис. б. Увімкнення джерела Е не залежить від полярності, оскільки фоторезистор не має вентильних властивостей.
Вихідним матеріалом для виготовлення світлочутливого шару фоторезистора є PbS, CdSe або CdS
Будова (а), схема
вмикання (б) та статична характеристика
(в) фоторезистора

За відсутності світла (світловий потік Ф=0) фоторезистор має великий темновий опір, і при прикладенні зовнішньої напруги через нього протікає малий темновий струм IТ. Під дією світла опір фоторезистора зменшується, і через нього проходить струм
I=C
+ IТ,
де С - коефіцієнт пропорціональності;
Ф - світловий потік;
IТ - темновий струм (темновий опір фото резистора – сотні кілоомів).
Залежність I= f(Ф) при Е=const відповідно до формули показана на рис. в.
При низьких рівнях освітлення залежність I= f(Ф) можна вважати лінійною:
I=CФФ + IТ,,
де CФ- інтегральна чутливість фоторезистора.
Недоліками фоторезисторів є нелінійність характеристики I= f(Ф) та мала швидкодія (граничні частоти приладу не перевищують 1 кГц).
Фоторезистори застосовують як оптоелектронні датчики, а також як фотоприймачі в оптронах.
У фотодіодах кристал напівпровідника обернений до скляного вікна, через яке надходить світловий потік. Під дією світла на p–n перехід фотодіода внаслідок явища внутрішнього фотоефекту в областях біля переходу відбувається додаткова генерація пар “електрон-дірка”. Під дією дифузійного поля p–n переходу фотодірки переміщуються до p-області, а фотоелектрони – до n області. При цьому створюється фото ЕРС EФ= (0,1 1,0) В, залежність якої від світлового потоку показана на рис. 1.
Під дією цієї фото ЕРС у зовнішньому колі фотодіода протікає фотострум IФ, що збігається за напрямком зі зворотним струмом p-n – переходу (рис. 2).
Оскільки
фотострум протікає незалежно від
струму, який викликається зовнішнім
джерелом напруги, то вираз для повного
струму може бути записаний у вигляді
I=IS(
-
1)
де IS - струм насичення (екстракції) – переходу; U - зовнішня напруга; IФ - фотострум.
Дія фото ЕРС на p–n перехід еквівалентна додатковому зворотному зміщенню переходу, наслідком чого є збільшення зворотного струму фотодіода на величину IФ .
С
ім’я
ВАХ фотодіода показана на рис. 3.
До пояснення
принципу дії фотодіода
Залежність
фотоЕРС від світлового потоку Сім’я
ВАХ фотодіода
Оскільки
фото ЕРС і пряма напруга ввімкнені
назустріч одна одній, то при їх рівності
струм діода дорівнює нулю, що відповідає
режимові холостого ходу. ЕРС холостого
ходу при I
=
0
можна визначити за формулою:
EФ=Тln(
)
Цю фото ЕРС знаходять також з ВАХ.
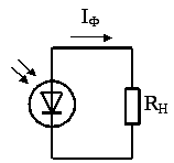
Фотодіоди використовують у двох режимах: вентильного фотоелемента (рис. 1) та фотодіодному (рис. б). У першому режимі фотодіод використовують як джерело струму, датчик, що генерує ЕРС EФ, у чутливому індикаторі випромінювання або сонячній батареї. Фото ЕРС може досягати 1 В. У цьому режимі робоча точка пересувається вздовж осі на ВАХ залежно від інтенсивності світла.
У другому режимі (рис. 2) фотодіод працює на зворотній гілці ВАХ як фоторезистор, опір якого залежить від світлового потоку. Робоча точка може займати будь-яке положення між осями UЗВ, IЗВ, залежно від напруги джерела U і світлового потоку Ф.
Фотострум залежить не тільки від потоку Ф, але і від довжини хвилі світлового випромінювання, яке діє на p–n перехід. Цей факт ілюструє спектральна характеристика рис. 3.
Параметрами фотодіода є: темновий струм IТ струм, що проходить через діод при робочій напрузі і відсутності світла; Uроб - робоча напруга напруга на діоді у фотодіодному режимі; SФ=IФ/Ф інтегральна чутливість.
Спектральна
характеристика германієвого фотодіода
Вентильний
і фотодіодний режими роботи фотоелемента
До таких фотоприймачів належать фототранзистори та фототиристори.
Крім перетворення світлової енергії в електричну з утворенням фотоструму, як у фотодіодах, фототранзистор ще й підсилює цей фотострум.
Розглянемо роботу фототранзистора у ССЕ в режимі з вимкненою базою (IБ=0) (рис. ).
Якщо Ф=0, то через фототранзистор проходить невеликий темновий струм
IТ=IКБ0(h21Е+1).
При освітленні області бази через вікно (Ф>0) в ній генеруються нерівноважні пари носіїв заряду – фотоелектрони та фотодірки, які дифундують до ЕП та КП. При цьому поле КП розділяє заряди: електрони рухаються до n - колектора, дірки – до p- бази. У колі колектора під дією цих електронів зростає струм на величину IФ. Дірки створюють у базі позитивний заряд, який зміщує ЕП у прямому напрямі і викликає інжекцію електронів. Унаслідок інжекції електронів через ЕП, їх дифузії через базу та екстракції через КП струм колектора додатково зростає на величину h21Е IФ. Тобто фотодірки у базі відіграють роль вхідного струму бази.
Структура і
схема вмикання фототранзистора (а),
статичні вихідні характеристики (б)

Загальний колекторний струм фототранзистора
IК=IФ+h21ЕIФ+IТ= (1+h21Е)IФ+IТ
Сім’я ВАХ фототранзистора IК = f(UКБ)Ф = const показана на рис. Збільшення освітлення фототранзистора приводить, згідно з формулою, до зростання колекторного струму. Інтегральна чутливість фототранзистора SФ в (1+h21Е) раз більша, ніж у фотодіода. Це пояснюється тим, що у фототранзистора струм IФ підсилюється в (1+h21Е) раз.
Фототиристори (рис.) є фотоприймачами з ключовою пороговою характеристикою, вони застосовуються для перемикання великих струмів і напруги. ВАХ з відкриваючою дією світлового потоку показана на рис.
Засвічення базової області тиристора зумовлює генерацію надлишкових носіїв заряду, що приводить до перемикання чотиришарової структури із закритого стану у відкритий так само, як це буває у триністорі при перемиканні керувальним струмом.
Структура,
схема вмикання (а) та ВАХ (б) фототиристора
До основних параметрів фотоприймачів відносяться:
1. Довгохвильова границя 0 або довжина хвилі, що відповідає максимуму фоточутливості m;
2. Спектральна чутливість R - величина вихідного сигналу, що припадає на одиницю потужності монохроматичного випромінювання у даній спектральній області;
3 Мінімальна потужність що виявляється Pmin - потужність при якій вихідний сигнал дорівнює рівню шуму. Часто використовується еквівалентна потужність шуму.
NEP = Pmin()-1/2
Тобто потужність, віднесена до одиничної полоси пропускання. Тут - ефективна полоса пропускання підсилювача.
4. Виявна здатність D* - величина обернена Pmin віднесена до одиничної полоси пропускання (1 Гц) і одиничної площі поверхні фотоприймача.
5. Квантова ефективність - число фотогенерованих носіїв, що припадають на один поглинутий фотон
6. Стала часу - час за який вихідний сигнал детектора досягне 63% максимального значення.
7. Опір приймача R або приведений опір. Звичайно він наводиться при нульовому зміщенні.
8. Гранична частота - найбільша робоча частота приладу.
Перетворення енергії у фотоелектричних перетворювачах (ФЕП) засноване на фотовольтаїчному ефекті, який виникає в неоднорідних напівпровідникових структурах при дії на них сонячного випромінювання.
Неоднорідність структури ФЕП може бути отримана шляхом легуванням одного і того ж напівпровідника різними домішками (створення p–n - переходів) або шляхом з'єднання різних напівпровідників з неоднаковою шириною забороненої зони (створення гетеропереходів).
Використовуються також МДП структури.

Принцип роботи
СЕ можна пояснити на прикладі перетворювачів
з p-n-переходом,
які широко застосовуються у сучасній
геліоенергетиці.
а б
Конструкція
(а) та принцип дії (б) фотоперетворювача
p
-n
ПЕРЕХІД В СТАНІ РІВНОВАГИ

Неосновні носії вводяться через контакт

Кожного разу, коли неосновний носій-електрон рекомбінує на р-стороні, один електрон протікає у зовнішньому колі
