Материал: Конспект

Внимание! Если размещение файла нарушает Ваши авторские права, то обязательно сообщите нам

Планарно-епітаксійна біполярна структура

Технологія виготовлення інтегральних мдн- структур

  • Послідовність операцій цієї технології показана на рис. Вирощується товстий (до 1,5 мкм) шар окису кремнію SiO2 (а); за допомогою фотолітографії витравляється «вікно» (б); це вікно покривається тонким шаром SiO2 (0,2 мкм) (в); потім уся пластина покривається шаром матеріалу затвора (алюміній, хром, молібден) (г); за допомогою фотолітографії залишається шар металу тільки над тією областю, де буде затвор (д); шляхом дифузії та іонного легування створюються p+- області витоку і стоку (причому електрод затвора служить маскою) (е).

Технологія виготовлення МОН (МДН) - структур

Ізоляція

  • Усі елементи напівпровідникових інтегральних схем містяться в єдиному кристалі. Тому ізоляція елементів від кристала і один від одного є дуже важливою. Застосовуються такі способи ізоляції:

  • 1. Ізоляція за допомогою p-n – переходу (рис. а). Перехід зміщується у зворотному напрямі за допомогою негативного потенціалу (порядку кількох вольтів), який стало подається на підкладку. Перехід має дуже високий опір (кілька мегомів). Це зумовлене застосуванням кремнію з шириною забороненої зони ∆W=1,12 еВ.

  • Ізоляція цього виду найбільш проста і дешева. У «кишенях» в подальшому формуються активні та пасивні елементи.

  • 2. Ізоляція за допомогою шару діелектрика (рис. б). Між «кишенями» і кристалом кремнію утворюють тонкий діелектричний шар двоокису кремнію SiO2. Якість ізоляції поліпшується, але виготовлення ускладнюється. Порівняно з попереднім способом ізоляції зменшується паразитна ємність між «кишенею» і кристалом.

Різновиди ізоляції напівпровідникових ІС

Біполярні транзистори

  • При виготовленні транзисторів напівпровідникових ІС, як правило, використовується кремнієва підкладка p - типу. Отже, інтегральні біполярні транзистори мають n­-p-­n – структуру. Завдяки застосуванню кремнію, збільшується допустима робоча температура (до 150 0C); зменшуються зворотні струми; легко можна через окиснення одержати захисний шар SiO2. n­-p-­n – структура поліпшує частотні властивості транзисторів, оскільки електрони мають більшу рухливість, ніж дірки. Біля колекторного переходу область колектора повинна мати знижену концентрацію донорних домішок, щоб при зростанні товщини переходу зменшувалася його бар'єрна ємність і зростала напруга пробою. Область емітера n+-типу – для зменшення опору і збільшення рівня інжекції. Для біполярних транзисторів ІС; =200; fгр=500 МГц; СКП =0,5 пФ; UKпроб ≤ 50 В; UЕпроб ≤ 8.

  • У інтегральних біполярних транзисторів, як правило, відсутнє джерело зміщення бази. Отже, для них режим відсічки – це активний режим при малих струмах (IK< IKmin, рис.).

Прохідні характеристики інтегральних біполярних транзисторів

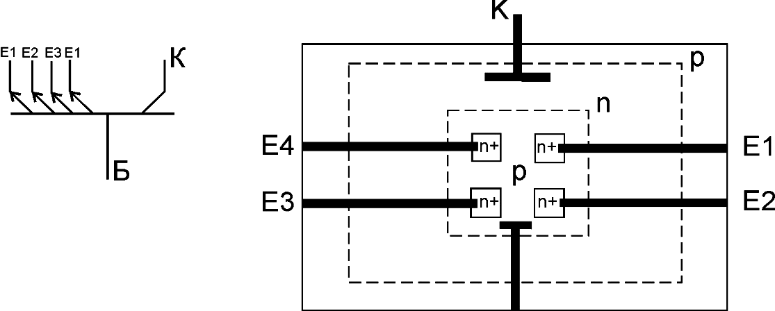
Багатоемітерні транзистори

  • Чотирьохемітерні біполярні транзистори з об'єднаними колекторами і базами – це сукупність чотирьох незалежних транзисторних структур (оскільки взаємодія електродів через електрично нейтральну базу практично відсутня). До кожного емітера багатоемітерного транзистора E1, E2, E3, E4 (рис.) може бути ввімкнене своє джерело відпираю­чої напруги. До інших джерел такий імпульс напруги не потрапляє, оскільки емітерні переходи, що не працюють у цей момент, перебувають під зворотною напругою. Кількість емітерів у такому транзисторі обмежена максимально допустимою відстанню між ними l ≤ 10 мкм і становить, як правило, 4 - 8.

  • Окрім багатоемітерних, у напівпровідникових ІС поширені і багатоколекторні транзистори. Структура їх ідентична до багатоемітерних транзисторів, просто емітери стають колекторами, а колектор – емітером.

Супербета - транзистори

  • За рахунок надзвичайно тонкої бази (l = 0,2 - 0,3 мкм) коефіцієнт β цих транзисторів становить декілька тисяч. Однак напруга пробою у цих транзисторів UKпроб ≤ 1,5-2 В. При великих напругах настає пробій змикання.

Багатоемітерний транзистор

Бт з бар'єром шотткі

  • Для підвищення швидкодії транзистора у ключовому режимі (зниження часу розсмоктування неосновних носіїв у базі) застосовується легування бази золотом, яке прискорює рекомбінацію. Але більш ефективним з цією метою є застосування транзисторів з бар'єром Шотткі, у яких колекторний перехід зашунтований діодом Шотткі (рис. ).

  • Діод Шотткі побудований на основі контакту «метал-напівпровідник» і має випрямні властивості. У цій конструкції діод Шотткі створюється у місці контакту металу з високоомною колекторною областю. У режимі відсічки і активному режимі потенціал колектора більший за потенціал бази (К>Б), діод Шотткі закритий, і транзистор із бар'єром Шотткі працює як звичайний біполярний транзистор. У режимі насичення К<Б діод Шотткі відкривається, основна частина базового струму протікає у колектор через відкритий діод. Тому надлишковий заряд у базі не накопичується, і через це при вимкненні транзистора (при переході з режиму насичення до режиму відсічки або активного режиму) буде відсутньою стадія розсмоктування надлишкового заряду у базі.

Транзистор з бар'єром Шотткі

Мон (мдн)- транзистори

  • Інтегральні МДН - структури найчастіше виготовляються з індукованим каналом. З цією метою за планарно-дифузійною технологією створюються n+ – «кишені» витоку і стоку. На переходах між «кишенями» і підкладкою підтримується зворотна напруга, тобто здійснюється ізоляція (рис.1).

  • У деяких ІС застосовують пари МОН (МДН)-транзисторів з каналами n - і p - типу на одному кристалі. Такі пари називаються комплементарними транзисторами (КМОН, КМДН). Вони відрізняються надзвичайно малим споживанням струму (рис. 2).

Інтегральний МДН транзистор

Інтегральна КМДН-структура

ДІОДИ

  • Замість діодів застосовуються біполярні транзистори у діодному вмиканні.

Існує п'ять варіантів такого вмикання.

  • У цих варіантах різною є пробійна напруга. У варіантах 1, 3 і 4 Uпроб = (5-7) В. У варіантах 2 і 5 Uпроб = (20-50) В. У варіантах 1 і 4 зворотні струми малі, бо площа емітерного переходу менша за площу колекторного. Найбільший зворотний струм у схемі 3 за рахунок паралельного вмикання переходів.

  • Найбільшу швидкодію виявляє варіант 1 (час перемикання – одиниці наносекунд). У варіанті 4, де також застосовується тільки емітерний перехід, час перемикання в кілька разів вищий. Обидва варіанти мають мінімальну ємність (частки пФ). Варіанти 1 і 4 застосовуються у швидкодійних низьковольтних схемах. Варіант 3 має максимальний час перемикання (до 100 нс) і дещо більшу ємність.

  • Найчастіше застосовуються варіанти 1, 4. Варіант 1 у прямому вмиканні використовується як стабілізатор для стабілізації 0,7 В (або як напруги, кратної 0,7 В, при послідовному з'єднанні таких діодів).

Інтегральні діоди

Інтегральні діоди