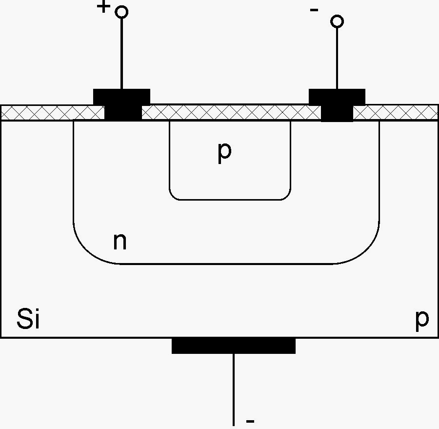
Так звані дифузійні резистори одержують з бази інтегрального біполярного транзистора (рис.). Опір таких резисторів залежить від концентрації домішок напівпровідника і геометричних розмірів ділянки кристала.
Номінал опору перебуває в межах десятків Ом – десятків кОм, розсіювана потужність становить 0,1 Вт, допуск номіналу – 15 - 20%. На відміну від звичайних активних опорів дифузійні резистори є частотозалежними з причини впливу бар'єрної ємності ізолюючого – переходу.
У напівпровідникових ІС застосовуються і т. зв. квазілінійні резистори на МДН – транзисторах з індукованим каналом (рис.). У них використовується ділянка вихідної (стокової) характеристики до настання перекриття каналу. Змінюючи величину напруги Uз, ми перестроюємо квазілінійний резистор. Опір таких елементів набуває значень від сотень Ом до десятків кОм.
Можуть застосовуватися також т.зв. пінч-резистори, в яких реалізується структура польового транзистора з керувальним p–n переходом.

Напівпровідниковий
інтегральний резистор Квазілінійні
МДН резистори
Найчастіше застосовуються дифузійні конденсатори, в яких основним параметром є бар'єрна ємність p-n – переходу, що, як відомо, залежить від площі переходу, діелектричної проникності ε напівпровідника, концентрації домішок і прикладеної зворотної напруги (рис. )
Ємність цих елементів набуває значень від 500 до 1500 пФ з допуском ±20%. Номінал ємності визначає фіксована зворотна напруга. Дифузійні конденсатори можуть працювати і як конденсатори змінної ємності: змінюючи зворотну напругу від 1 до 10 В, змінюють ємність у 2-2,5 раза.
У напівпровідникових ІС застосовують МОН– конденсатори (т. зв. металооксидні конденсатори) (рис.).
Однією обкладкою є дифузійний шар n+, на якому створюється плівка SiO2. Поверх цього шару наноситься алюмінієва плівка, яка відіграє роль другої обкладки. Ємність С ≤ 500 пФ, допуск ±25%. У таких конденсаторах, на відміну від дифузійних, немає необхідності строго дотримуватися полярності вмикання. Крім того, в них відсутня нелінійна залежність ємності від напруги.
Дифузійний
конденсатор МОН
конденсатор
Традиційними недоліками біполярних ІС є:
мала щільність упакування;
висока розсіювальна потужність.
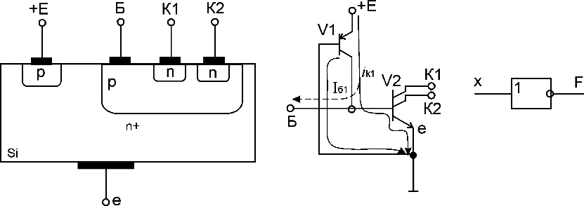
Ці недоліки подолані в ІС з інжекційним живленням. Ці схеми – насамперед логічні елементи, побудовані відповідно до принципу інжекційного живлення. Вони називаються інтегральною інжекційною логікою (ІІЛ або І²Л). Застосовуються в ВІС, зокрема у мікропроцесорах (серії К 582, К584). І²Л - елементи не мають аналогів у дискретних транзисторних схемах. За щільністю упакування вони перевищують навіть МОН-структури, а за рівнем розсіюваної потужності наближається до КМОН - структур. При цьому зберігається висока швидкодія, властива біполярним ІС. Основою І²Л елемента є схема рис. Елемент являє собою структуру, що складається з двох фізично об'єднаних транзисторів: горизонтального p-n-p і вертикального n-p-n. Емітерна область p-n-p транзистора називається інжектором і підкладається до позитивного полюса джерела живлення (+Е). Від одного інжектора можуть живитися декілька схем. Вертикальний n-p-n транзистор має кілька колекторів, які служать вихідними виводами логічного елемента. Особливості конструкції: спільна область n – типу є водночас базою p-n-p транзистора та емітером n-p-n транзистора і підключається до корпуса; спільна область p – типу служить колектором p-n-p транзистора і базою n-p-n транзистора. За такої фізичної структури не потрібна ізоляція між окремими елементами І²Л, оскільки вони мають спільну n – область. Через це досягається висока щільність упакування (10000 елементів на кристалі). Весь елемент займає площу, що дорівнює площі одного багатоемітерного транзистора. Зображений на рис. типовий елемент І²Л – це логічний елемент НІ (ключ – інвертор).
Елемент
І²Л
Його електричну схему можна подати у вигляді пари комплементарних біполярних транзисторів: V2 – багатоколекторний транзистор n-p-n, основа ключа; V1 - p-n-p – транзистор, постійно відкритий, який служить у схемах І²Л джерелом струму IГ. Цей струм створюється інжекцією дірок через ЕП p-n-p – транзистора V1. Тому емітер, який виконує функцію джерела струму, вважається інжектором, а самі елементи – логічними елементами з інжекційним живленням.
Величина Е = 1,0 - 1,5 В. Через це логічні рівні схеми малі і становлять: U1 = 0,75 В; U0 = 0,05 В. І²Л-елемент працює у позитивній логіці. Якщо Uвх =U1 = 0,75 В, то багатоколекторний транзистор V2 відкритий, струм IГ = IК1 тече в його базу, насичуючи прилад. При цьому на всіх колекторах V2 буде низький потенціал: Uвх = U0 = 0,05 В. Якщо ж Uвх = U0 = 0,05 В, то транзистор V2 закривається, і струм IГ =IК1 потече у вхідне коло. На виході І²Л-інвертора буде Uвх = U1 = 0,75 В – високий потенціал.