Залежність
Voc
від
тривалості життя носіїв
для
СЕ на основі CdTe
CuInSe2
(CIS),
Cu(In,Ga)Se2
(CIGS),
Cu(In,Ga)(S,Se)2
(CIGSS) Cu2ZnSnS4
(CZTS),
Cu2ZnSnSe4
(CZTSe),
Cu2ZnSn(S,Se)4
(CZTSe)
Принцип
роботи та будова багатоперехідного
сонячного елемента
У
типовому
багатоперехідному
сонячному елементі одиночні
фотоелементи розташовані один за одним
таким чином, що сонячне світло спочатку
потрапляє на елемент з найбільшою
шириною забороненої зони, при цьому
поглинаються фотони з найбільшою
енергією. Пропущені верхнім шаром
фотони проникають в наступний елемент
з меншою шириною забороненої зони і
так далі.
Оптрон, або оптопара, - це оптоелектронний прилад, що містить у собі конструктивно об’єднані й розміщені в одному корпусі джерело і приймач випромінювання з певним видом оптичного й електричного зв’язку між ними.
В електронних схемах оптрон виконує функцію елемента зв’язку, в одній з ланок якого інформація передається оптичним шляхом. Якщо між компонентами оптрона створити електричний зворотний зв’язок, то оптрон стає активним приладом, придатним для підсилення і генерування електричних і оптичних сигналів.
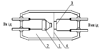
Приклад будови резисторного оптрона показано на рис.
Як джерело світла в ньому використовується світлодіод 1, як фотоприймач – фоторезистор 3 у вигляді спресованої таблетки. Для зменшення ємнісного зв’язку між джерелом світла та фотоприймачем розміщується прозорий електростатичний екран 4. Внутрішня частина оптрона заливається оргсклом або епоксидною смолою, які захищають прилад від впливу зовнішнього середовища і відіграють роль світловода. Герметичний металевий корпус 2 зовні нагадує корпус простого транзистора
.
Будова резисторного
оптрона: 1 – світлодіод;
2 – металевий
корпус; 3 – фоторезистор;
4 – електростатичний
екран

Джерело
і приймач світла в оптроні мають бути
спектрально узгоджені між собою.
В оптичному видимому діапазоні
застосовуються світлодіоди на основі
SiC або GaP і фоторезистори на основі
селеніду кадмію (CdSe) або сульфіду кадмію
(CdS).
Проте
оптичне середовище в оптроні може
створюватися не лише з прозорого
компаунда на основі полімерів. Для
одержання високої розв’язки виходу
і входу використовують волоконні
світловоди у вигляді нитки з прозорого
діелектрика.
Світловий промінь від джерела
випромінювання потрапляє в торець
світловоду, і після багаторазового
відбиття від бічних стінок він виходить
з іншого кінця світловоду, зазнавши
малого гасіння. За допомогою волоконного
світловоду можлива передача сигналу
керування на великі відстані з високою
електричною розв’язкою і завадостійкістю.
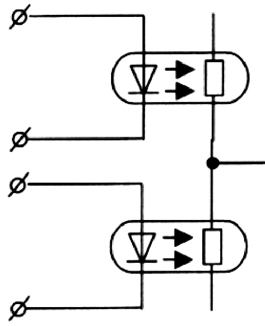
Схема вмикання
діодного оптрона зображена на рис.
Принцип
дії оптрона
полягає в тому, що під дією вхідного
сигналу (сигналу керування) змінюється
інтенсивність світлового потоку від
випромінювача, і це приводить до зміни
внутрішнього опору фотоприймача
(фотодіода), струму у вихідному колі
та напруги, що знімається з навантаження
RH.
Схема вмикання
діодного оптрона
До основних параметрів оптрона належать:
коефіцієнт передачі - K=Uвих/Uвх;
швидкодія - V;
опір розв’язки - Rp >1012 Ом;
ємність розв’язки - Cp~1014 Ф.
Переваги оптронів:
1. Можливість керувати високою напругою за допомогою низької напруги завдяки високій електричній ізоляції (Rp > 1012 Ом).
2. Широка смуга пропускання (від постійної складової до гігагерців).
3. Фізична і конструктивна різноманітність, широта функціональних можливостей.
Оптронам властиві і деякі недоліки. До них належать висока споживана потужність, сильна температурна залежність характеристик, складність виготовлення, високий рівень власних шумів.
Залежно від виду фотоприймача розрізняють (рис.) діодні, резисторні, транзисторні, тиристорні оптрони.
Схемні позначення
різновидів оптронів:
а) діодний; б)
резисторний; в) транзисторний; г)
тиристорний
Швидкий розвиток
оптоелектроніки зробив можливим у
багатьох випадках замінити елементи
електронних схем оптронами. Деякі
приклади такої заміни наведені у табл.
|
Електрорадіокомпонент |
Оптронний аналог |
|
І |
|
|
П |
|
|
З |
|
|
П |
|
|
|
|
Мікроелектроніка – це галузь електроніки, пов'язана з розробленням, виготовленням і експлуатацією мікроелектронних виробів.
Розвиток електронної техніки у другій половині ХХ століття відбувається за такими етапами.
1. 50-ті роки ХХ ст. – етап вакуумної електроніки. Елементна база останньої – елекронно-вакуумні прилади. Відбувається мініатюризація електронних ламп і пасивних елементів, оптимізація їх характеристик і параметрів, застосовується об'ємний монтаж. Це дозволило підвищити щільність упакування до 200 елементів на 1 дм³ (0,2 елемента на 1 см³).
2. 60-ті роки ХХ ст. – етап дискретної напівпровідникової електроніки. Здобутки цього етапу відображені, зокрема, в попередніх розділах цього навчального посібника. Поява і широке впровадження транзисторів, які разом з мініатюрними пасивними елементами утворюють якісний стрибок у мініатюризації пристроїв електроніки, сприяють підвищенню надійності, економічності, зниженню габаритів і маси. Актуалізуються функціонально-вузловий метод конструювання електронної техніки: не з окремих радіодеталей, а з уніфікованих функціональних вузлів – підсилювачів, генераторів, перетворювачів, тригерів тощо. Застосовуються модулі (мікромодулі) із щільністю упакування 2 елементи на 1 см³.
3. 70-ті роки ХХ ст. – етап мікроелектроніки. Перехід до застосування інтегральних схем (ІС). «Схема» в цьому терміні набуває нового значення: це пристрій, вузол. «Інтегральна» вказує на об'єднання великої кількості електрично з'єднаних елементів у одному виробі (корпусі). В ІС зникає необхідність застосування численних паяних з'єднань, які знижують надійність; зменшуються габарити і маса, а відтак вартість електронних виробів, оскільки зменшується кількість складальних і монтажних операцій. ІС на цьому етапі містять у собі 10-40 еквівалентних елементів (біполярних транзисторів, резисторів, конденсаторів, МДН-структур тощо). Кожна інтегральна схема виконує порівняно просту закінчену функцію (підсилювач, формувач, логічний елемент, тригер, лічильник тощо) і оформляється в автономному корпусі. Подальший розвиток мікромініатюризації до 1000 елементів на кристалі.
4. 80-ті роки ХХ ст. – етап комплексної мікромініатюризації електронної техніки, етап великих інтегральних схем (ВІС) і надвеликих інтегральних схем (НВІС). ВІС порівняно з ІС малого рівня інтеграції більш надійні, дешевші, менші за габаритами. Поява мікропроцесорів дозволила замінити апаратурне (схемне) проектування електронної техніки програмуванням універсальних структур згідно з виконуваною ними функцією.
5. 90-ті роки ХХ ст. – оголошений етап так званої функціональної мікроелектроніки. Втім, на пострадянському просторі внаслідок великих політико-економічних зрушень цей етап був значною мірою провалений, хоча світова електроніка продовжувала неухильно розвиватися. Елементна база цього етапу – ІС, які функціонують на базі нових фізичних явищ і принципів (оптоелектроніка, акустоелектроніка, хемоелектроніка, магнітоелектроніка, поляроніка тощо). Особливістю елементів функціональної мікроелектроніки є застосування середовищ з розподіленими параметрами, в яких не вдається виділити окремі області, що виконують функції звичайних радіоелементів. Тому зрештою це електронні схеми, які не містять елементів і міжз’єднань у звичайному розумінні. Такі схеми можна характеризувати лише в цілому з огляду на функцію, що ними виконуються, причому вони можуть мати такі характеристики, яких не мають звичайні радіосхеми.
Мікроелектронний виріб – електронний пристрій з високим ступенем інтеграції (об'єднання) електрорадіоелементів.
Інтегральна схема (ІС) – мікроелектронний виріб, який виконує певну функцію перетворення та обробки сигналів і має високу щільність упакування електрично з'єднаних елементів (більше ніж 5 елементів на 1 см³). З точки зору виготовлення і експлуатації ІС розглядається як єдине ціле і складається з елементів та компонентів.
Елемент ІС – частина ІС, що реалізує функцію будь-якого радіоелемента (транзистор, діод, резистор, конденсатор). Він не може бути відділеним від ІС як самостійний виріб і виконаний у кристалі ІС. Наприклад, елементами ІС є біполярні транзистори і діоди у напівпровідникових мікросхемах, плівкові резистори в гібридних мікросхемах.
Компонент ІС – частина ІС, яка реалізує функцію будь-якого електрорадіоелемента. Однак компонент є самостійним виробом, що виготовляється окремо від ІС і може бути відділений від ІС. Наприклад, біполярні транзистори і діоди в гібридних ІС.
Напівпровідникова ІС – це ІС, у якої всі елементи і міжз’єднання виконані в об'ємі і на поверхні напівпровідникової пластини (рис. ).