Материал: АСКВ2 БУ max90-ru_v1.20

Внимание! Если размещение файла нарушает Ваши авторские права, то обязательно сообщите нам

 

Модули мобильной системы X90

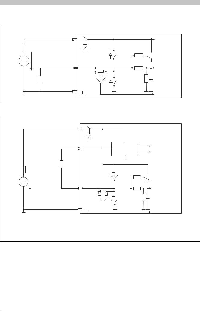
5.6.1.7.2 Схема выходной цепи

 

Выход ШИМ, подключение в режиме источника

 

Электронный блок управления

Vcc

Линия питания Vs1

10 А с задержкой

 

срабатывания

10 кОм

 

 

Разрешающее

 

реле

12/24 В

 

ШИМ

Логическое

 

 

состояние

Заземление

 

 

Ток

Выход ШИМ, подключение в режиме потребителя

 

Электронный блок управления

 

Vcc

Линия питания Vs1

 

 

Разрешающее

Логическое

Дискретный выход

реле

(линия питания

 

состояние

 

Ток

для выходов)

 

 

10 А с задержкой

 

 

срабатывания

10 кОм

 

 

 

12/24 В

 

 

 

 

Логическое

ШИМ

 

состояние

Заземление

 

 

 

 

Ток

Дискретный выход:

 

 

Линия питания нагрузки, подключенной к выходу (постоянно включен)

 

ШИМ:

 

 

- Активный выход с шунтирующим диодом, нижнее плечо (нагрузка подключена к источнику питания для выходов)

Обратите внимание, что при сбое питания или отключении разрешающего реле источник питания исполни-

тельного механизма также отключится. Это связано с тем, что в противном случае он продолжит работать,

и модуль может быть поврежден из-за наличия шунтирующего диода в цепи питания. Поэтому рекоменду-

ется подавать питание на выходы нижнего плеча через выходы верхнего плеча той же дополнительной

платы.

 

 

Мобильная система управления X90 Руководство пользователя V 1.20 - Перевод руководства

321

Модули мобильной системы X90

5.6.1.8 Описание регистров

5.6.1.8.1 Системные требования

Для доступа ко всем функциям рекомендуется использовать программное обеспечение следующих версий или выше:

Automation Studio 4.3

Automation Runtime 4.3

5.6.1.8.2 Обзор регистров

Регистр

Имя

Тип данных

 

Чтение

 

Запись

Связь — дискретные входы

 

Синхр.

Асинхр.

Синхр.

Асинхр.

 

 

 

 

 

1

DigitalInputPacked

USINT

 

 

 

 

DigitalInput01

Бит 0

 

 

 

 

 

...

...

 

 

 

 

 

DigitalInput08

Бит 7

 

 

 

 

Связь — дискретные выходы

 

 

 

 

 

1

DigitalOutputPacked

USINT

 

 

 

 

DigitalOutput01

Бит 0

 

 

 

 

 

...

...

 

 

 

 

 

DigitalOutput08

Бит 7

 

 

 

 

Связь — ШИМ

 

 

 

 

 

 

6 + (N-1) * 4

PWMPulseWidth0N (индекс N = от 1 до 8)

UINT

 

 

 

Связь — измерение тока

 

 

 

 

 

6 + (N-1) * 4

Current0N (индекс N = от 1 до 8)

UINT

 

 

 

Связь — подтверждение перегрузки

 

 

 

 

 

37

Подтверждение отключения из-за перегрузки

USINT

 

 

 

 

OverloadClear01

Бит 0

 

 

 

 

 

...

...

 

 

 

 

 

OverloadClear08

Бит 7

 

 

 

 

39

OverTemperatureClear

USINT

 

 

 

Связь — измерение напряжения и температуры

 

 

 

 

 

38

SupplyVoltage01

UINT

 

 

 

42

SupplyVoltage02

UINT

 

 

 

46

Температура

INT

 

 

 

Связь — состояние дискретных выходов

 

 

 

 

 

51

Ошибка вывода

USINT

 

 

 

 

ErrorDigitalOutput01

Бит 0

 

 

 

 

 

...

...

 

 

 

 

 

ErrorDigitalOutput08

Бит 7

 

 

 

 

53

Отключение из-за перегрузки

USINT

 

 

 

 

OverloadDigitalOutput01

Бит 0

 

 

 

 

 

...

...

 

 

 

 

 

OverloadDigitalOutput08

Бит 7

 

 

 

 

55

OverTemperature

USINT

 

 

 

Настройка — дискретный входной фильтр

 

 

 

 

 

1025 + (N-1) * 2 cfgDigitalFilter0N (индекс N = от 1 до 8)

USINT

 

 

 

Настройка — настройка режима работы выводов

 

 

 

 

 

1041 + (N-1) * 2 cfgPinMode0N (индекс N = от 1 до 8)

USINT

 

 

 

Настройка — длина периода ШИМ

 

 

 

 

 

1058 + (N-1) * 4 cfgPWMPeriod0N (индекс N = от 1 до 8)

UINT

 

 

 

Конфигурация — полярность каналов

 

 

 

 

 

1089

cfgLoadConfig

USINT

 

 

 

Настройка — методы измерения тока

 

 

 

 

 

1091

cfgCurrentMeasurement

USINT

 

 

 

Настройка — огибающая при запуске ШИМ

 

 

 

 

 

1093 + (N-1) * 2 cfgPWMRampOn0N (индекс N = от 1 до 8)

USINT

 

 

 

Настройка— огибающая при выключении ШИМ

 

 

 

 

 

1109 + (N-1) * 2 cfgPWMRampOff0N (индекс N = от 1 до 8)

USINT

 

 

 

Настройка — время измерения тока

 

 

 

 

 

1126 + (N-1) * 4 cfgMeasurementTime0N (индекс N = от 1 до 8)

USINT

 

 

 

Отключение при перегрузке по току — настройка

 

 

 

 

 

1158 + (N-1) * 4 cfgOverloadLimitCurrent0N (индекс N = от 1 до 8)

UINT

 

 

 

322

Мобильная система управления X90 Руководство пользователя V 1.20 - Перевод руководства

Модули мобильной системы X90

5.6.1.8.3 Физическая конфигурация каналов ввода/вывода

Эти регистры определяют характеристики каналов. В зависимости от желаемой конфигурации и существующего программного и аппаратного обеспечения, возможна настройка следующих параметров:

Физическая настройка в качестве входа или выхода

Возможность подключения в режиме источника/потребителя (для входов)

Настройка в качестве параллельного выхода

5.6.1.8.3.1 Физическая конфигурация

Имя:

От cfgPinMode01 до cfgPinMode08

Эти регистры служат для настройки параметров каналов.

Тип данных

Значения

 

USINT

См. описание битов регистра.

 

Описание битов регистра:

 

 

 

 

Тип данных

Значения

Описание

USINT

1

Дискретный выход (главный выход)

 

10

Дискретный выход, ШИМ (главный выход)

 

20

Дискретный выход (параллельный выход)

 

31

Дискретный вход, источник, сопротивление 9 кОм

 

41

Дискретный вход, потребитель, сопротивление 9 кОм

5.6.1.8.3.2 Конфигурация нагрузки

Имя: cfgLoadConfig

Если вывод работает в режиме дискретного выхода или выхода ШИМ, то полярность выхода устанавливается с помощью этого регистра.

Тип данных

 

Значения

 

 

USINT

 

См. описание битов регистра.

 

 

Описание битов регистра:

 

 

 

 

 

 

Бит

Наименование

Значение

Описание

0

Полярность выхода 01

0

Нагрузка подключена к земле

 

 

 

1

Нагрузка подключена к источнику питания

...

...

 

...

...

7

Полярность выхода 08

0

Нагрузка подключена к земле

 

 

 

1

Нагрузка подключена к источнику питания

Мобильная система управления X90 Руководство пользователя V 1.20 - Перевод руководства

323

Модули мобильной системы X90

5.6.1.8.4 Дискретные входы

Этот модуль оснащен 8 дискретными входами для однопроводных соединений. Входы модуля можно настроить для подключения в режиме источника/потребителя.

Темы, рассматриваемые в данном разделе:

Время фильтрации

Входные значения дискретных входов

Входное сопротивление задается в физической конфигурации.

5.6.1.8.4.1 Дискретной входной фильтр

Имя:

От cfgDigitalFilter01 до cfgDigitalFilter08

В этом регистре хранится значение времени срабатывания фильтра для всех дискретных входов. Значение фильтра можно настроить с шагом 100 мкс.

Тип данных

Значения

 

USINT

См. описание битов регистра.

 

Описание битов регистра:

 

 

 

 

Тип данных

Значения

Описание

USINT

0

Программный фильтр не используется

 

1

0,1 мс

 

...

 

 

10

1 мс (по умолчанию)

 

...

 

 

255

25,5 мс

Входной

 

 

 

сигнал

 

 

 

 

 

 

Время

Сигнал после

tзадержки

tзадержки

tзадержки

фильтрации

 

 

 

Время

tзадержки Задержка срабатывания

5.6.1.8.4.2 Логическое состояние дискретных входов

Имя: DigitalInputPacked

От DigitalInput01 до DigitalInput08

В данном регистре отображается логическое состояние дискретных входов с 1 по 8.

Тип данных

 

Значения

 

 

USINT

 

См. описание битов регистра.

 

 

Описание битов регистра:

 

 

 

 

 

 

Бит

Наименование

Значение

Описание

0

DigitalInput01

0 или 1

Логическое состояние дискретного входа 1

...

...

 

...

...

7

DigitalInput08

0 или 1

Логическое состояние дискретного входа 8

324

Мобильная система управления X90 Руководство пользователя V 1.20 - Перевод руководства

Модули мобильной системы X90

5.6.1.8.5 Дискретные выходы

Модуль оснащен 8 дискретными выходами для однопроводных соединений.

5.6.1.8.5.1 Состояние дискретных выходов

Имя: DigitalOutputPacked

От DigitalOutput01 до DigitalOutput08

От ErrorDigitalOutput01 до ErrorDigitalOutput08

От OverloadDigitalOutput01 до OverloadDigitalOutput08 OverTemperature

Логическое состояние

В данных регистрах отображается логическое состояние дискретных выходов от 1 до 8.

Указание:

Управлять дискретным выходом можно только в том случае, если он настроен как основной выход. Параллельные выходы переключаются вместе с соответствующим основным выходом.

Тип данных

 

Значения

 

 

USINT

 

См. описание битов регистра.

 

 

Описание битов регистра:

 

 

 

 

 

 

Бит

Наименование

Значение

Описание

0

DigitalOutput01

0 или 1

Логическое состояние дискретного выхода 1

...

...

 

...

...

7

DigitalOutput08

0 или 1

Логическое состояние дискретного выхода 8

Ошибка вывода

Если уровень, заданный для дискретного выхода, не соответствует считанному с выхода значению, то устанавливается соответствующий бит. Как только восстанавливается соответствие заданного уровня выходного сигнала считанному значению, соответствующий бит сбрасывается.

Если вывод не настроен в качестве дискретного выхода, содержимое соответствующего бита не имеет значения.

Тип данных

 

Значения

 

 

USINT

 

См. описание битов регистра.

 

 

Описание битов регистра:

 

 

 

 

 

 

Бит

Наименование

Значение

Описание

0

ErrorDigitalOutput01

0

Нет ошибок

 

 

 

1

Ошибки

...

...

 

...

...

7

ErrorDigitalOutput08

0

Нет ошибок

 

 

 

1

Ошибки

Отключение из-за перегрузки

Если выход отключился из-за перегрузки, то в регистре устанавливается соответствующий бит. После отключения из-за перегрузки выход снова будет активирован, как только будет получено подтверждение от приложения (OverloadClear).

Тип данных

 

Значения

 

 

USINT

 

См. описание битов регистра.

 

 

Описание битов регистра:

 

 

 

 

 

 

Бит

Наименование

Значение

Описание

0

OverloadDigitalOutput01

0

Не отключен

 

 

 

1

Отключен

...

...

 

...

...

7

OverloadDigitalOutput08

0

Не отключен

 

 

 

1

Отключен

Мобильная система управления X90 Руководство пользователя V 1.20 - Перевод руководства

325