Материал: АСКВ2 БУ max90-ru_v1.20

Внимание! Если размещение файла нарушает Ваши авторские права, то обязательно сообщите нам

Модули мобильной системы X90

5.6 Модули дискретных выходов

5.6.1 X90PO210.08-00

Версия технического описания: 1.30

5.6.1.1 Общая информация

Компания B&R открывает новые возможности в области мобильной автоматизации благодаря модульной мобильной системе управления и ввода/вывода X90. Комплексный набор стандартизованных компонентов делает мобильную систему X90 идеальным средством для реализации гибких концепций автоматизации.

Дополнительная плата X90PO210.08-00 устанавливается в мобильную систему X90 для расширения функциональных возможностей всей системы.

На дополнительной плате ШИМ доступно 8 аналоговых выходов, которые также можно использовать в качестве дискретных входов/выходов. Связь с материнской платой осуществляется по шине X2X. Кроме того, дополнительная плата ШИМ обеспечивает измерение тока для каждого канала.

9–32 В постоянного тока

8 выходов ШИМ

4 А на канал

Измерение тока

Общее отключение

Шина X2X

5.6.1.2 Спецификация заказа

Заказной номер

Краткое описание

Рисунок

 

Цифровые выходы

 

X90PO210.08-00

Дополнительная плата ШИМ для мобильной системы X90, 8

 

 

выходов ШИМ, 9–32 В постоянного тока, макс. сила тока 4 A,

 

 

измерение тока (12 бит), от 15 Гц до 1 кГц, дополнительная

 

 

возможность использования в качестве дискретных входов,

 

 

9–32 В постоянного тока, подключение в режиме источни-

 

 

ка/потребителя, настройка с помощью программного обес-

 

 

печения

 

 

 

 

Таблица 35: X90PO210.08-00 - Спецификация заказа

Входы и выходы — обзор

X90PO210.08-00

 

Выход

 

 

Вход

Многофункцио-

Количество

ШИМ

Дискретный

Аналоговый

Сигнал

Темпе-

Аналоговый

Функция

Дискретный

нальные каналы

 

 

 

 

ШИМ

ратура

 

счетчика

 

ввода/вывода

 

 

 

 

 

 

 

 

 

MF-PWM

8

X

X

 

 

 

 

 

X

316

Мобильная система управления X90 Руководство пользователя V 1.20 - Перевод руководства

 

 

Модули мобильной системы X90

5.6.1.3 Технические характеристики

 

 

 

 

Заказной номер

 

X90PO210.08-00

Краткое описание

 

 

Модуль ввода/вывода

 

8 дискретных входов/выходов с напряжением 9–

 

 

32 В постоянного тока для однопроводных соединений

Общая информация

 

 

Идентификационный код B&R

 

0xEBC2

Индикаторы состояния

 

-

Диагностика

 

 

Диагностические выходные сигналы

 

В приложениях, использующих измерение тока

Гальваническая развязка

 

 

Дискретный канал — дискретный канал

 

Нет

Сертификаты

 

 

CE

 

Да

UN ECE-R10

 

Да

Многофункциональные выходы

 

 

Многофункциональные выходы ШИМ (MF-PWM)

 

 

Количество

 

8

Функции

 

Номинальная сила тока на канал — 4 А

 

 

Частота ШИМ от 15 Гц до 1 кГц,

 

 

Дискретный вход/выход, настройка каждого отдельного канала для подключения

 

 

в режиме источника/потребителя, настраиваемый программный входной фильтр,

 

 

настраиваемая огибающая нарастания/затухания, встроенная защита выхода

Цифровые входы

 

 

Количество

 

От 0 до 8, в зависимости от конфигурации многофункциональных входов/выходов

Входное напряжение

 

9–32 В постоянного тока

Входной ток при 24 В пост. тока

 

Станд. 2,7 мА

Входной фильтр

 

 

Аппаратный

 

100 мкс

Программный

 

Значение по умолчанию — 1 мс, возможный диапазон — от 0 до 25 мс с шагом 0,1 мс

Входная цепь

 

Подключение в режиме источника/потребителя, настраивается

Входное сопротивление

 

Станд. 9 кОм

Пороговый уровень переключения

 

45% напряжения питания

Цифровые выходы

 

 

Количество

 

От 0 до 8, в зависимости от конфигурации многофункциональных входов/выходов 1)

Выходы ШИМ

 

 

Количество

 

От 0 до 8, в зависимости от конфигурации многофункциональных входов/выходов

Номинальное напряжение

 

12/24 В постоянного тока

Диапазон допустимых значений напряжения пи-

 

9–32 В постоянного тока

тания

 

 

Номинальный ток

 

4 А

Суммарный ток

 

16 А

Частота ШИМ

 

От 15 Гц до 1 кГц

Коэффициент заполнения

 

От 0 до 100 % с шагом 0,1 %, разрешение < 50 мкс

Выходная цепь

 

Подключение в режиме источника/потребителя

Защита выхода

 

Тепловая защита от перегрузки по току или от короткого замыка-

 

 

ния, встроенная защита для коммутируемых индуктивных нагрузок

Конструкция

 

Управление положительным/отрицательным напряжением

Возможности диагностики

 

Мониторинг выходов с задержкой 1 мс

Ток утечки в выключенном состоянии

 

Макс. 50 мкА

Остаточное напряжение

 

< 0,1 В при расчетном токе 4 А

Пиковое значение тока короткого замыкания

 

50 A (длительность не более 0,2 мс)

Измерение тока

 

 

Диапазон значений силы тока

 

±10 A

Время преобразования

 

40 мкс

Разрешение

 

12 бит (разрешение 6 мА)

Формат выходных данных

 

 

Тип данных

 

INT от 0x8001 до 0x7FFF

Ток

 

1 LSB = 305 мкА

Точность

 

±0,5 % ± 50 мА

Температурный дрейф

 

±0,02 %/°C ± 1 мА/°C

Помеха общего вида

 

±3 мА/В

Условия эксплуатации

 

 

Монтажное положение

 

 

Любое

 

Да

Степень защиты по EN 60529

 

До IP69K 2)

Условия окружающей среды

 

 

Температура

 

 

Эксплуатация

 

 

Горизонтальное монтажное положение

 

Температура поверхности корпуса от –40 до +85 °C 2)

Вертикальное монтажное положение

 

Температура поверхности корпуса от –40 до +85 °C 2)

Хранение

 

От –40 до +85 °C

Транспортировка

 

От –40 до +85 °C

Таблица 36: X90PO210.08-00 - Технические характеристики

Мобильная система управления X90 Руководство пользователя V 1.20 - Перевод руководства

317

Модули мобильной системы X90

Заказной номер

 

X90PO210.08-00

Относительная влажность

 

 

Эксплуатация

 

От 5 до 100 %, с конденсацией

Хранение

 

От 5 до 100 %, с конденсацией

Транспортировка

 

От 5 до 100 %, с конденсацией

Механические свойства

 

 

Размеры

 

 

Ширина

 

47 мм

Длина

 

95 мм

 

Таблица 36: X90PO210.08-00 - Технические характеристики

1)Поскольку выходы ШИМ могут использоваться в качестве дискретных выходов, характеристики дискретных выходов совпадают с характеристиками выходов ШИМ.

2)Зависит от материнской платы. Дополнительная информация доступна в техническом описании материнской платы.

5.6.1.4 Рабочие и соединительные элементы

5.6.1.4.1 Интерфейс шины X2X

Связь между дополнительной платой и материнской платой осуществляется по шине X2X.

5.6.1.4.2 Общее отключение

Выводы разрешающего сигнала (X1.A.C3) должны быть отдельно подключены к источнику питания ввода/вывода.

При прерывании разрешающего сигнала прекращается подача питания на силовые выходы.

5.6.1.5 Многофункциональные каналы ввода/вывода

Любой из 8 каналов на дополнительной плате можно настроить как дискретный вход или выход с измерением тока.

5.6.1.5.1 Отключение при перегрузке по току или коротком замыкании

Чтобы была возможна коммутация активной нагрузки, кратковременный пусковой ток не должен приводить к отключению из-за перегрузки. При этом следует избегать одновременного включения нагрузок такого типа во время эксплуатации. Ширина дорожки печатной платы рассчитана на номинальный ток силой 4 А. Пиковое значение тока 50 А достигается в случае короткого замыкания. При этом (ограничение драйвера по току) выходной драйвер отключается автоматически не позднее, чем через 1 мс.

Предельное значение для отключения при перегрузке по току можно задать с помощью программного обеспечения для каждого канала. Значение по умолчанию — 4 А. К отключению канала приводят следующие значения силы тока:

> 4 A (максимальный ток) в течение 1300 мс

≥ 6 A (1,5 x максимальный ток) в течение 500 мс

≥ 8 A (2 x максимальный ток) в течение 300 мс

≥ 10 A (2,5 x максимальный ток) в течение 100 мс

5.6.1.5.2 Контроль суммы токов

Сумма токов вычисляется с помощью программного обеспечения путем измерения и сложения всех значений выходного тока.

Следующие значения суммарного тока приводят к отключению всех каналов:

> 16 A в течение 1500 мс

≥ 18 A в течение 1000 мс

≥ 24 A в течение 500 мс

≥ 32 A в течение 100 мс

318

Мобильная система управления X90 Руководство пользователя V 1.20 - Перевод руководства

Модули мобильной системы X90

5.6.1.5.3 Изменение параметров

Многофункциональный выход ШИМ (MF-PWM)

Это двухтактные выходы (с активным механизмом сброса (режим active clamp)). Преимущество этого схемотехнического решения заключается в уменьшении рассеивания мощности при коммутации индуктивных нагрузок.

Для параллельной работы можно настроить только идущие подряд выходы (например, 2, 3, 4). При использовании в качестве входа для драйвера устанавливается высокое входное сопротивление (по умолчанию).

Из-за дополнительных потерь за счет задержки при параллельном подключении выходов (с индуктивными нагрузками) необходимо учитывать, что максимальная частота ШИМ будет ограничена значением 1500 / максимальный ток на каждый выход:

Пример 1:

параллельное подключение 2 выходов с индуктивной нагрузкой 6 A: Нагрузка на канал 6 A / 2 = 3 A

Допустимая частота переключения: 1500 / 3 A = 500 Гц

Пример 2:

параллельное подключение двух выходов с индуктивной нагрузкой и использованием номинального тока силой 4 А на канал.

Максимальный ток: 2 x 4 A = 8 A Максимальная частота: 1500 / 4 A = 375 Гц

5.6.1.6 Цоколевка

Канал

Цоколевка

1

MF-PWM

2

MF-PWM

3

MF-PWM

4

MF-PWM

5

MF-PWM

6

MF-PWM

7

MF-PWM

8

MF-PWM

9

Vcc

10

Vcc

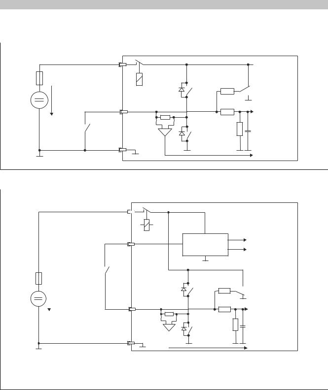
5.6.1.7 Функциональная схема

 

 

 

 

Выключатель (опциональный)

 

 

 

 

1 А с задержкой

 

Электронный блок управления

срабатывания

 

 

 

Разрешающий

Дополнительная плата

 

 

сигнал

 

1

 

 

 

 

 

 

2

 

 

 

3

 

 

Разрешающее

4

 

ϑ

5

 

ЦП

 

6

 

 

7

 

 

 

 

 

MF-PWM

8

 

 

Vcc

 

 

(двухтактный)

 

 

 

2 x 10 А с задержкой

12 В

 

 

срабатывания

 

 

24 В

 

 

 

Мобильная система управления X90 Руководство пользователя V 1.20 - Перевод руководства

319

Модули мобильной системы X90

 

 

 

5.6.1.7.1 Схема входной цепи

 

 

 

Дискретный вход, отрицательное напряжение

 

 

 

Электронный блок управления

 

 

Vcc

Линия питания Vs1

 

 

10 А с задержкой

 

 

 

срабатывания

 

10 кОм

 

 

Разрешающее

Подключение в

 

 

12/24 В

реле

 

режиме источника

 

 

 

Дискретный вход

 

 

Логическое

 

 

 

 

 

 

состояние

Заземление

 

 

Ток

Дискретный вход, положительное напряжение

 

 

 

Электронный блок управления

 

Vcc

Напряжение питания Vs1

 

 

Разрешающее

 

Дискретный выход

реле

Состояние

(линия питания датчика)

 

Ток

10 А с задержкой

 

 

срабатывания

10 кОм

Подключение в

 

 

 

режиме потребителя

12/24 В

 

 

Дискретный вход

 

Состояние

 

 

Заземление

 

 

 

 

Ток

Дискретный выход

 

 

Линия питания датчика (постоянно включен)

 

Дискретный вход

 

 

Вход датчика (положительное напряжение)

 

Обратите внимание, что при сбое питания или отключении разрешающего реле источник питания датчика

также отключится. Это связано с тем, что модуль может быть поврежден из-за наличия шунтирующего

диода в цепи питания. Поэтому питание на входы с положительным напряжением рекомендуется подавать

через выход.

 

 

320

Мобильная система управления X90 Руководство пользователя V 1.20 - Перевод руководства