Опір
спочатку при підвищенні температури
зростає згідно з формулою (3.54), що
забезпечується збільшенням
,
а потім дещо зменшується внаслідок
поверхневого витоку та ударної іонізації.
Опір бази
спочатку зростає, оскільки зростає
середній час життя носіїв, і, отже,
зменшується струм
.
Згодом, при кімнатній температурі за
рахунок процесів термогенерації у
слабколегованій базі збільшується
концентрація основних носіїв, і опір
бази стає меншим.
Під
час роботи БТ у різних електронних
схемах до його вхідного кола находять
сигнали у формі змінної напруги, яка
змінює вхідний та вихідний струм
приладу. У цьому разі БТ працює в
динамічному режимі: зміна струму
колектора
у транзисторі відбувається внаслідок
одночасної зміни вхідного струму (
або
)
і напруги на колекторі (
або
).
Основним різновидом динамічного режиму
БТ є підсилювальний режим.
Схема зі спільною базою
Схема транзистора підсилювача зі спільною базою зображена на рисунку 3.43.

Рисунок 3.43 – Підсилювальний каскад зі спільною базою
За
відсутності вхідного сигналу (
)
у вхідному колі БТ діє напруга спокою
,
створена за рахунок джерела
,
і протікає струм
- емітерний струм спокою. У вихідному
колі діють відповідно напруга
(від джерела
)
і струм
.
У колі бази
=
-
.
Початковий режим БТ – активний.
При
надходженні на вхід схеми сигналу
починається динамічний режим роботи
БТ. Практично вся напруга
виділяється на резисторі
,
і тоді напруга
змінюватиметься за законом
.
Часові
діаграми напруги і струмів каскаду
показано на рисунку 3.44. Оскільки БТ
працює в активному режимі, разом зі
зміною
змінюватимуться емітерний
,
колекторний
струми, а також напруга на колекторі
(рис. 3.44). Колекторна напруга змінюється
за законом
.
З
діаграм видно, що вхідна
і вихідна
напруги схеми змінюються у фазі одна
відносно іншої (каскад за схемою зі
спільною базою не інвертує вхідного
сигналу). Амплітуда
може бути більша за амплітуду вхідного
сигналу, якщо відповідно вибрати
величину колекторного опору
,
тобто в цьому випадку каскад підсилює
напругу. Процес підсилення полягає в
перетворенні енергії джерела живлення
в енергію вихідного сигналу. При цьому
транзистор відіграє роль своєрідного
регулятора, який керує струмом джерела
.
Величина і форма вихідної напруги
залежать не тільки від величини і форми
вхідного сигналу, величини
,
але й від вибору положення початкової
робочої точки на характеристиках БТ
(
,
,
,
).
Схема зі спільним емітером
Схема
транзисторного підсилювача зі спільним
емітером показана на рисунку 3.45, а
часові діаграми пристрою – на рисунку
3.46. Режим спокою забезпечується двома
джерелами -
(напруга
і струм
)
і
(напруга
і струм
).
Напруга колектора
=
-![]()
.

Рисунок 3.45 – Підсилювальний каскад зі спільним емітером
У режимі
підсилення вхідного сигналу під час
додатного півперіоду вхідної напруги
пряма напруга ЕП транзистора зменшується,
струм бази
та колектора
також зменшуються, що викликає збільшення
напруги колектора
.
Якщо робота відбувається на лінійній
ділянці характеристики транзистора,
то форми змінних складових струмів
бази і колектора збігаються з формою
вхідної напруги, а зміна напруги на
колекторі, зумовлена змінною складовою
колекторного струму, є протифазною
відносно вхідної напруги. Отже, схема
підсилювального каскаду на БТ зі
спільним емітером є інвертувальною
схемою. Як випливає з попереднього
матеріалу, схема рисунка 3.45 здатна
підсилювати не лише напругу, а й струм.

|
Рисунок 3.44 – Часові діаграми напруг і струмів транзисторного каскаду зі спільною базою |
Рисунок 3.46 – Часові діаграми напруг і струмів транзисторного каскаду зі спільним емітером |
Режим
спокою у вхідному колі транзисторного
каскаду може забезпечуватися не
обов’язково за допомогою окремого
джерела живлення
або
.
Частіше у каскадах застосовують лише
одне джерело живлення – у колекторному
колі. У таких каскадах замість вхідного
джерела ЕРС використовують спеціальні
ланцюжки автоматичного зміщення –
пасивні ланцюжки, на яких струм, який
протікає від джерела колекторної
напруги
,
створює спад напруг, що забезпечують
потрібне положення робочих точок на
характеристиках транзистора в режимі
спокою.
Основною вимогою до каскадів з автоматичним зміщенням є забезпечення сталості обраного режиму спокою при зміні температури або зміні транзистора. Розглянемо деякі приклади.
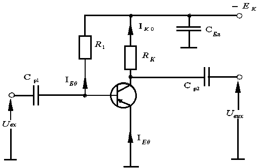
Схема з фіксованим струмом бази
Схему зображено на рисунку 3.47.

Рисунок 3.47 – Транзисторний каскад з фіксованим струмом бази
Зміщення
ЕП у транзисторі цього каскаду
здійснюється за рахунок струму бази
спокою
,
який протікає від джерела
через резистор
.
При цьому напруга на ЕП
визначається вхідним опором БТ. Опір
резистора
дорівнює
,
(3.57)
тобто можна вважати, що
. (3.58)
Каскад
рис. 3.47 називається каскадом з фіксованим
струмом бази завдяки формулі (3.58), тобто
струм бази
не залежить від параметрів транзистора.
Недоліком
каскаду рисунка 3.47 є те, що в ньому важко
встановити обраний режим спокою при
застосуванні транзистора з великим
розкидом параметра
без зміни опору
.
Наприклад, у транзистора ГТ311Ж промисловий
розкид параметрів
становить від 50 до 200. Оскільки струм
не залежить від властивостей БТ, то при
заміні транзистора струм колектора
може змінюватися в 4 рази, і початкова
робоча точка може вийти з області
активного режиму на характеристиках,
що для підсилювача небажано. Іншим
суттєвим недоліком каскаду є те, що в
його схемі не враховується температурний
дрейф характеристик і параметрів БТ,
завдяки якому струм
при збільшенні температури зростає.