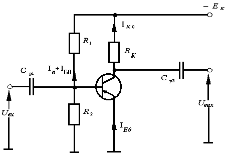
Схема з фіксованим потенціалом бази
Схему
показано на рисунку 3.48. Потрібний режим
спокою транзистора забезпечується
фіксованою напругою на базі, що
утворюється за допомогою розподільника
напруги на резисторах
та
.
Опір
дорівнює
,
(3.59)
де
- струм розподільника напруги. Звичайно
.

Рисунок 3.48 – Транзисторний каскад з фіксованим потенціалом бази
Опір
можна розрахувати за формулою
. (3.60)
При
>>
можна вважати, що напруга
(3.61)
не залежить від властивостей транзистора. Тому схема рисунка 3.48 називається схемою з фіксованим потенціалом бази. Суттєвий недолік цієї схеми – температурний дрейф колекторного струму – вимагає застосування спеціальних заходів температурної стабілізації.
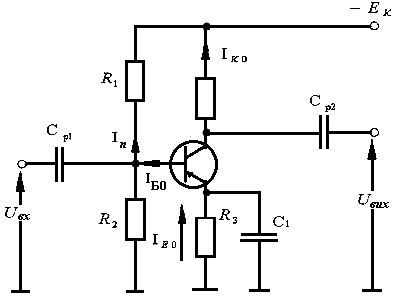
Схема з температурною стабілізацією в
Схему
показано на рисунку 3.49. У ній з метою
стабілізації емітерного (колекторного)
струму при зміні температури
використовується резистор негативного
зворотного зв’язку за струмом
.
Для схеми рисунку 3.49 справедлива
рівність
. (3.62)
Оскільки
температурні зміни опорів
та
незначні, то падіння напруги на опорі
при зміні температури практично не
змінюється. Збільшення струму
при збільшенні температури приводить
за формулою (3.62) до зменшення напруги
на ЕП
.
Це, у свою чергу, приводить до зменшення
струмів бази
та колектора
.
Таким чином, автоматично стабілізується
також струм емітера
.

Рисунок 3.49 – Транзисторний каскад з температурною стабілізацією
Величина
падіння напруги на резисторі зворотного
зв’язку
вибирається в межах
.
Формули для розрахунку опорів
,
і
мають вигляд:
,
(3.63)
, (3.64)
. (3.65)
Оскільки
негативний зворотний зв’язок за змінною
складовою приводить до зменшення
коефіцієнта підсилення каскаду, то з
метою усунення цього зв’язку резистор
шунтується конденсатором
.
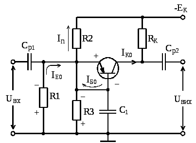
Схема каскаду зі спільною базою та автоматичним зміщенням робочої точки
У
схемі рисунка 3.50 автоматичне зміщення
робочої точки здійснюється за рахунок
розподільника напруги R2
і R3.
Напруга
,
прикладена до бази і через резистор R1
до емітера транзистора, забезпечує
пряме зміщення ЕП, тобто активний режим
транзистора. Резистор R1
забезпечує подачу вхідного сигналу на
емітер, конденсатор
служить для усунення негативного
зворотного зв’язку за змінною складовою.
Розрахунок
R1,
R2
та R3
здійснюється таким чином. Для обраної
робочої точки режиму спокою (вибирається
на характеристиках БТ) спочатку
визначаються струм
=
-
і струм розподільника напруги
=
(3 - 5)
.
Для емітерного кола другий закон
Кірхгофа має вигляд
.

Рисунок 3.50 – Транзисторний каскад зі спільною базою
Для
підсилювачів напруга
.
Тоді
, (3.66)
, (3.67)
.
(3.68)
Якість підсилювача визначається вибором положення початкової робочої точки (робочої точки режиму спокою), а також її стабільністю при зміні температури.
Для підсилювального каскаду з температурною стабілізацією (рис. 3.49) температурна зміна колекторного струму становить:
, (3.69)
де
- коефіцієнт нестабільності колекторного
струму;
.
Якщо
,
то схема рисунка 3.49 перетворюється в
схему з фіксованим потенціалом бази
(рис. 3.48), і коефіцієнт
.
При
>>
коефіцієнт
.
Таким чином, залежно від співвідношення
між
та
значення коефіцієнта температурної
нестабільності змінюється від
до
.
Температурна
зміна струму колектора тим більша, чим
більший коефіцієнт
.
Тому умова
>>
є необхідною. Проте зменшення величини
небажане, тому що воно призводить до
зменшення вхідного опору транзисторного
каскаду. Тому розподільник напруги в
базовому колі вибирають з умови, щоб
коефіцієнт температурної нестабільності
дорівнював
.
При ввімкненні навантаження до колекторного кола транзистора зміна струму колектора викликається одночасною дією зміни струму бази і напруги на колекторі. У цьому режимі роботи для аналізу властивостей БТ недостатньо мати його статичні характеристики, оскільки вони відображають зміну лише одного параметра. Тому для опису властивостей транзистора, а також для розрахунку параметрів транзисторного каскаду на сім’ях статичних характеристик будують додаткові характеристики, які називають динамічними, або навантажувальними. Розглянемо їх.
Для каскаду зі спільним емітером рівняння вихідного кола (див. п. 3.3.1)
. (3.70)
Звідси
. (3.71)

Рисунок 3.51 – Побудова навантажувальної прямої на сім’ї вихідних статичних характеристик ССЕ
Формула (3.71) – це рівняння вихідної навантажувальної прямої транзисторного каскаду зі спільним емітером (рис. 3.45). Цю характеристику будують на сім’ї вихідних статичних характеристик ССЕ (рис. 3.51) за двома точками:
=0,
;
,
=
.
Точка
перетину навантаженої прямої зі
статичною характеристикою, яка була
знята при заданому струмі бази в режимі
спокою (
),
визначає вихідні координати режиму
спокою транзисторного каскаду (
,
).
При надходженні на вхід каскаду змінної
напруги сигналу змінюватиметься струм
бази відносно значення
,
і робоча точка рухатиметься на сім’ї
характеристик уздовж навантажувальної
прямої. Це означає, що динамічна
характеристика повністю визначає
роботу транзисторного каскаду в
динамічному режимі – у режимі підсилення
вхідної напруги.
Для транзисторного каскаду зі спільною базою рівняння вихідної навантажувальної прямої набирає вигляду
=
. (3.72)
Динамічна вихідна характеристика каскаду зі спільною базою будується аналогічним чином за рівнянням (3.72).
Вхідна
навантажувальна характеристика може
бути побудована шляхом перенесення
точок вихідної характеристики (прямої)
на сім’ю статичних вхідних характеристик
і подальшого з’єднання цих точок у
плавну монотонну криву. Але цей спосіб
рідко вживається в інженерній практиці,
тому що у довідниках, як правило, даються
лише дві вхідні статичні характеристики
– при нульовій і при ненульовій
колекторних напругах. Тому із задовільною
для практики точністю за вхідну
навантажувальну криву можна взяти
вхідну статичну характеристику, яка
знімалася при ненульовій колекторній
напрузі. Робоча точка спокою на вхідній
навантажувальній кривій має координати:
струм бази спокою
і напругу бази
,
яка викликає цей струм.