
.
Для
правильного визначення
- параметрів необхідно, щоб величини
(-5В) та
і для вхідних, і для вихідних характеристик
брались однаковими.
Знак
“-” у формулі для визначення
береться тому, що напрям струму
у транзисторі протилежний напряму
струму
у чотириполюснику.

Рисунок
3.36 – Визначення параметрів
та
за вхідними статичними характеристиками
БТ у ССЕ

Рисунок
3.37 – Визначення параметрів
та
за вихідними статичними характеристиками
БТ у ССЕ
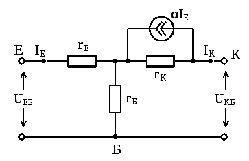
На рисунку 3.38 показано Т - подібну фізичну еквівалентну схему транзистора зі спільною базою (для низьких частот).

Рисунок 3.38 – Т-подібна еквівалентна схема БТ у ССБ
На схемі рисунка 3.38
диференціальний
опір ЕП,
диференціальний
опір КП,
- опір бази,
диференціальний
коефіцієнт передачі емітерного струму.
Опір
дорівнює сумі розподіленого опору бази
та дифузійного опору:
.
Розподілений
опір бази
відображає опір активної області бази,
який значно більший, ніж опори ЕП та
емітерної області. Значення цього опору
зростає зі зменшенням ширини бази, тому
що зменшується ймовірність рекомбінації
в базі, і, отже, основна частина струму
бази
також зменшується. Частина вхідної
напруги, прикладена до ЕП, спадає на
опорі
,
і це знижує ефективність керування
струмом у транзисторі.
Дифузійний
опір бази
відображає вплив колекторної напруги
на ширину бази внаслідок зміни товщини
КП. Нехай, наприклад, напруга на колекторі
збільшилася. Це приводить до зменшення
ширини бази. Оскільки напруга
не змінилася, то струм емітера має
залишитися постійним. Проте він
збільшується внаслідок зростання
градієнта концентрації дірок у базі
(див. рис. 3.19). Для збереження
потрібно зменшити концентрацію дірок
біля ЕП, тобто зменшити напругу на ЕП.
Щоб напруга на ЕП зменшилася при
незмінній напрузі
,
опір бази має зрости на деяку величину
(див. рис. 3.38).
Для ССЕ Т-подібна еквівалентна схема БТ має вигляд, показаний на рисунку 3.39. Ця схема також досить точно описує властивості приладу в діапазоні низьких частот.

Рисунок 3.39 – Т-подібна еквівалентна схема БТ у ССЕ
Значення параметрів Т-подібних фізичних еквівалентних схем залежить від обраного режиму транзистора і не залежить від схеми його ввімкнення.
Безпосереднє
вимірювання фізичних параметрів БТ
неможливе, бо точка з’єднання опорів
,
і
знаходиться всередині кристала
напівпровідника. Тому ці параметри
розраховуються за допомогою формул,
які зв’язують фізичні параметри з
-параметрами
БТ (таблиця 3.5).
Таблиця 3.5
|
Пара- метр |
ССБ |
ССЕ |
ССК |
|
|
|
|
|
|
|
|
|
1 |
|
|
|
|
- |
|
|
|
|
|
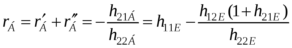
Користуючись табл. 3.5, можна записати
,
,
,
.
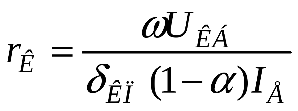
Фізичні параметри БТ залежать від режиму роботи і температури. Розглянемо залежності, що ґрунтуються на таких формулах:
(для Т
= 300К
![]()
), (3.52)
,
(3.53)
, (3.54)
,
(3.55)
. (3.56)
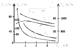
Залежність фізичних параметрів БТ від емітерного струму показана на рисунку 3.40.

Рисунок 3.40 – Залежність фізичних параметрів БТ від емітерного струму
Залежність
опору ЕП
від струму
описана формулою (3.52). Опір
також обернено пропорційний до
.
При збільшенні
опір активної області бази
зменшується, і сумарний опір бази
визначається здебільшого пасивними
областями.
Залежність
відома з попереднього матеріалу. Щоб
зміна
при зміні струму
була помітніша, на графіку подається
величина
.
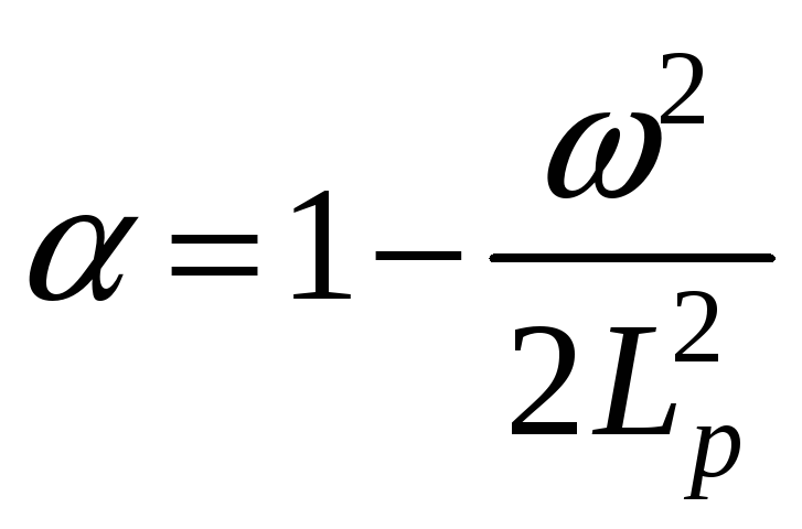
Залежність
фізичних параметрів від напруги
показана на рисунку 3.41.

Рисунок 3.41 - Залежність фізичних параметрів БТ від колекторної напруги
Опір
ЕП
практично не залежить від напруги
.
Опір КП
істотно
залежить від напруги
(див. формулу (3.54)). З її збільшенням
спочатку зростає пропорційно
(товщина КП
пропорційна
),
а потім зменшується внаслідок ударної
іонізації і множення носіїв у запірному
шарі, а також за рахунок процесів
поверхневого витоку. Залежність опору
від напруги
зумовлюється модуляцією активної
ширини бази: при збільшенні
зменшується ширина бази, зменшується
ймовірність рекомбінації неосновних
носіїв і зменшується базовий струм,
тобто дещо зростає базовий опір
.
Залежність
відома з попереднього матеріалу.
Залежність фізичних параметрів БТ від температури показана на рисунку 3.42.

Рисунок 3.42 - Залежність фізичних параметрів БТ від температури
Опір
БТ
згідно з формулою (3.52) лінійно залежить
від температури. Коефіцієнт передачі
струму
збільшується під час нагрівання,
оскільки час життя носіїв зростає при
збільшенні температури (і тому зростає
дифузійна довжина дірок у базі
і збільшується коефіцієнт перенесення
-
див. формулу (3.7)).