Ці схеми – насамперед логічні елементи, побудовані відповідно до принципу інжекційного живлення. Вони називаються інтегральною інжекційною логікою (ІІЛ або І²Л). застосовуються в ВІС, зокрема у мікропроцесорах (серії К 582, К584).
І²Л - елементи не мають аналогів у дискретних транзисторних схемах. За щільністю упакування вони перевищують навіть МОН-структури, а за рівнем розсіюваної потужності наближається до КМОН - структур. При цьому зберігається висока швидкодія, властива біполярним ІС.
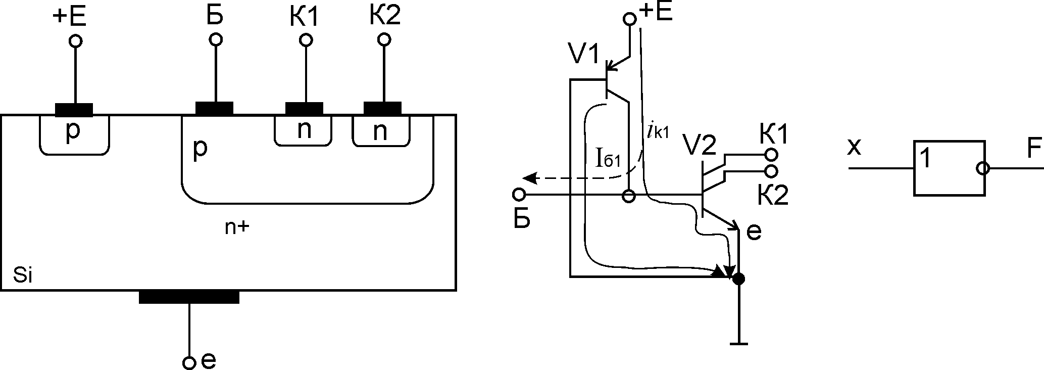
Основою І²Л елемента є схема рис.7. 22.

Рисунок 7.22 - Елемент І²Л
Елемент являє собою структуру, що складається з двох фізично об'єднаних транзисторів: горизонтального pnp і вертикального npn. Емітерна область pnp транзистора називається інжектором і підкладається до позитивного полюса джерела живлення (+Е). Від одного інжектора можуть живитися декілька схем. Вертикальний npn транзистор має кілька колекторів, які служать вихідними виводами логічного елемента. Особливості конструкції: спільна область n – типу є водночас базою pnp транзистора та емітером npn транзистора і підключається до корпуса; спільна область p – типу служить колектором pnp транзистора і базою npn транзистора. За такої фізичної структури не потрібна ізоляція між окремими елементами І²Л, оскільки вони мають спільну n – область. Через це досягається висока щільність упакування (10000 елементів на кристалі). Весь елемент займає площу, що дорівнює площі одного багатоемітерного транзистора. Зображений на рис. 7.22 типовий елемент І²Л – це логічний елемент НІ (ключ – інвертор).
Його
електричну схему можна подати у вигляді
пари комплементарних біполярних
транзисторів: V2
– багатоколекторний транзистор
npn,
основа ключа; V1
- pnp –
транзистор, постійно відкритий, який
служить у схемах І²Л джерелом струму
.
Цей струм створюється інжекцією дірок
через ЕП pnp
– транзистора V1.
Тому
емітер, який виконує функцію джерела
струму, вважається інжектором,
а самі елементи – логічними
елементами з інжекційним живленням.
Величина
Е
= 1,0 - 1,5 В. Через це логічні рівні
схеми малі і становлять:
В;
В.
І²Л-елемент працює у позитивній логіці.
Якщо
В,
то багатоколекторний транзистор V2
відкритий,
струм
тече
в його базу, насичуючи прилад. При цьому
на всіх колекторах V2
буде
низький потенціал:
В.
Якщо ж
В,
то транзистор V2
закривається,
і струм
потече у вхідне коло. На виході
І²Л-інвертора буде
В
– високий потенціал.
Описаний І²Л-елемент є будівельною «цеглиною» більш складних логічних елементів.
W – ширина забороненої зони
ρ – питомий опір
Т – абсолютна температура
Wф – енергетичний рівень Фермі
WД, WА – енергія активації донорів, акцепторів
NД , NА – концентрація донорів, акцепторів
–
власна концентрація електронів дірок
–
концентрація електронів у n
-
області
–
концентрація електронів у p
-
області
–
концентрація донорів у n
-
області
–
концентрація донорів у p
-
області
,
–
середня тривалість життя електрона,
дірки
,
– коефіцієнти дифузії дірок, електронів
q – заряд електрона
–
час
Т – абсолютна температура
k – стала Больцмана
–
середня швидкість дрейфу
–
рухомість електронів, дірок
j – густина струму
jдр, jдиф – густина струму дрейфова, дифузійна
–
контактна різниця потенціалів
–
пряма напруга
–
зворотна напруга
Eдиф – дифузійне електричне поле у p-n –переході
–
прямий струм
–
зворотний струм
–
струм насичення
–
струм генерації
–
струм поверхневого витоку
–
бар’єрна ємність
–
дифузійна ємність
–
електрична стала
–
відносна діелектрична проникність
–
розподілений опір областей бази
–
диференціальний опір переходу
,
,
– робота
виходу електрона з металу, з напівпровідників
n-
та p-
типу
P – потужність
–
диференціальний опір стабілітрона
–
прямий диференціальний опір
–
зворотний диференціальний опір
–
ємність варикапа
–
температурний коефіцієнт напруги
стабілізації
–
ширина активної області бази
,
– дифузійна довжина електронів, дірок
–
площа емітерного переходу, колекторного
переходу
–
напруга між емітером і колектором
–
напруга між емітером і базою
–
напруга між базою і емітером
–
напруга між колектором і емітером
–
струм емітера
–
струм бази
–
струм колектора
–
зворотний(тепловий) струм емітера
–
зворотний(тепловий) струм колектора
,
–діркова, електронна складова емітерного
струму
–
температурний потенціал
–
коефіцієнт інжекції
–
рівноважна концентрація дірок як
неосновних носіїв (у базі)
–
концентрація дірок у базі біля емітерного
переходу
–
концентрація дірок у базі біля
колекторного переходу
–
координата активної області бази