Усі елементи напівпровідникових інтегральних схем містяться в єдиному кристалі. Тому ізоляція елементів від кристала і один від одного є дуже важливою. Застосовуються такі способи ізоляції:
1
Ізоляція за допомогою
– переходу
(7.11 а) Перехід зміщується у зворотному
напрямі за допомогою негативного
потенціалу (порядка кількох вольтів),
який стало подається на підкладку.
– перехід
має дуже високий опір (кілька мегомів).
Це зумовлене застосуванням кремнію з
шириною забороненої зони ∆W=1,12еВ.

а) б)
Рисунок 7.11 – Різновиди ізоляції напівпровідникових ІС
Ізоляція цього виду найбільш проста і дешева. У «кишенях» в подальшому формуються активні та пасивні елементи.
2 Ізоляція за допомогою шару діелектрика (рис. 7.11 б). Між «кишенями» і кристалом кремнію утворюють тонкий діелектричний шар двоокису кремнію SiO2. Якість ізоляції поліпшується, але виготовлення ускладнюється. Порівняно з попереднім способом ізоляції зменшується паразитна ємність між «кишенею» і кристалом.
При
виготовленні транзисторів напівпровідникових
ІС, як правило, використовується
кремнієва підкладка
p
- типу. Отже, інтегральні біполярні
транзистори мають npn
– структуру. Завдяки застосуванню
кремнію, збільшується допустима робоча
температура (до 150ºC); зменшуються
зворотні струми; легко можна через
окиснення одержати захисний шар SiO2.
npn
– структура поліпшує частотні властивості
транзисторів, оскільки електрони мають
більшу рухомість, ніж дірки. Біля
колекторного переходу область колектора
повинна мати знижену концентрацію
донорних домішок, щоб при зростанні
товщини переходу зменшувалася його
бар'єрна ємність і зростала напруга
пробою. Область емітера n+-типу
– для зменшення опору і збільшення
рівня інжекції. Для біполярних
транзисторів ІС
;
МГц;
пФ;
≤
50 В;
.
У
інтегральних біполярних транзисторів,
як правило, відсутнє джерело зміщення
бази. Отже, для них режим відсічки – це
активний режим при малих струмах (
,
рис. 7.12).

Рисунок 7.12 – Прохідні характеристики інтегральних біполярних транзисторів
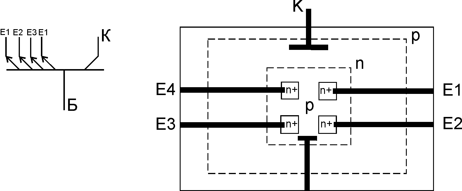
Чотирьохемітерні
біполярні транзистори з об'єднаними
колекторами і базами – це сукупність
чотирьох незалежних транзисторних
структур (оскільки взаємодія електродів
через електрично нейтральну базу
практично відсутня). До кожного емітера
багатоемітерного транзистора
,
,
,
(рис.
7.13)
може бути ввімкнене своє джерело
відпираючої напруги. До інших джерел
такий імпульс напруги не потрапляє,
оскільки емітерні переходи, що не
працюють у цей момент, перебувають під
зворотною напругою.
Кількість емітерів у такому транзисторі обмежена максимально допустимою відстанню між ними l ≤ 10 мкм і становить, як правило, 4 - 8.
Окрім багатоемітерних, у напівпровідникових ІС поширені і багатоколекторні транзистори. Структура їх ідентична до багатоемітерних транзисторів, просто емітери стають колекторами, а колектор – емітером.

Рисунок 7.13 – Багатоемітерний транзистор
За
рахунок надзвичайно тонкої бази (l =
0,2 - 0,3 мкм) коефіцієнт β
цих транзисторів становить декілька
тисяч. Однак напруга пробою у цих
транзисторів
≤
1,5-2В. При великих напругах настає пробій
змикання.
Для підвищення швидкодії транзистора у ключовому режимі (зниження часу розсмоктування неосновних носіїв у базі) застосовується легування бази золотом, яке прискорює рекомбінацію. Але більш ефективним з цією метою є застосування транзисторів з бар'єром Шотткі, у яких колекторний перехід зашунтований діодом Шотткі (рис. 7.14).

Рисунок 7.14 – Транзистор з бар'єром Шотткі
Діод
Шотткі побудований на основі контакту
«метал-напівпровідник» і має випрямні
властивості. У цій конструкції діод
Шотткі створюється у місці контакту
металу з високоомною колекторною
областю. У режимі відсічки і активному
режимі потенціал колектора більший за
потенціал бази (
),
діод Шотткі закритий, і транзистор із
бар'єром Шотткі працює як звичайний
біполярний транзистор. У режимі насичення
діод Шотткі відкривається, основна
частина базового струму протікає у
колектор через відкритий діод. Тому
надлишковий заряд у базі не накопичується,
і через це при вимкненні транзистора
(при переході з режиму насичення до
режиму відсічки або активного режиму)
буде відсутньою стадія розсмоктування
надлишкового заряду у базі.
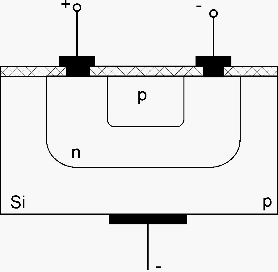
Інтегральні МДН - структури найчастіше виготовляються з індукованим каналом. З цією метою за планарно-дифузійною технологією створюються n+ – «кишені» витоку і стоку. На переходах між «кишенями» і підкладкою підтримується зворотна напруга, тобто здійснюється ізоляція (рис. 7.15).

Рисунок 7.15 – Інтегральний МДН транзистор
У деяких ІС застосовують пари МОН (МДН)-транзисторів з каналами n - і p - типу на одному кристалі. Такі пари називаються комплементарними транзисторами (КМОН, КМДН). Вони відрізняються надзвичайно малим споживанням струму (рис. 7.16).

Рисунок 7.16 – Інтегральна КМДН-структура
7.3.5 Діоди
Замість діодів застосовуються біполярні транзистори у діодному вмиканні. Існує п'ять варіантів такого вмикання.

Рисунок 7.17 – Інтегральні діоди
У
цих варіантах різною є пробійна напруга.
У варіантах 1, 3 і 4
В.
У варіантах 2 і 5
В.
У варіантах 1 і 4 зворотні струми малі,
бо площа емітерного переходу менша за
площу колекторного. Найбільший зворотний
струм у схемі 3 за рахунок паралельного
вмикання переходів.
Найбільшу швидкодію виявляє варіант 1 (час перемикання – одиниці наносекунд). У варіанті 4, де також застосовується тільки емітерний перехід, час перемикання в кілька разів вищий. Обидва варіанти мають мінімальну ємність (частки пФ). Варіанти 1 і 4 застосовуються у швидкодійних низьковольтних схемах. Варіант 3 має максимальний час перемикання (до 100 нс) і дещо більшу ємність.
Найчастіше застосовуються варіанти 1, 4. Варіант 1 у прямому вмиканні використовується як стабілізатор для стабілізації 0,7 В (або як напруги, кратної 0,7 В, при послідовному з'єднанні таких діодів).
Так звані дифузійні резистори одержують з бази інтегрального біполярного транзистора (рис. 7.18). Опір таких резисторів залежить від концентрації домішок напівпровідника і геометричних розмірів ділянки кристала.

Рисунок 7.18 – Напівпровідниковий інтегральний резистор
Номінал
опору перебуває в межах десятків Ом
– десятків кОм,
розсіювана потужність становить 0,1 Вт,
допуск номіналу – 15 - 20%. На відміну
від звичайних активних опорів дифузійні
резистори є частотозалежними з причини
впливу бар'єрної ємності ізолюючого
–
переходу.
У
напівпровідникових ІС застосовуються
і т. зв. квазілінійні
резистори
на МДН – транзисторах з індукованим
каналом (рис. 7.19). У них використовується
ділянка вихідної (стокової) характеристики
до настання перекриття каналу. Змінюючи
величину напруги
,
ми перестроюємо квазілінійний резистор.
Опір таких елементів набуває значень
від сотень Ом до десятків кОм.
Можуть
застосовуватися також т.зв. пінч-резистори,
в яких реалізується структура польового
транзистора з керувальним
–
переходом.

Рисунок 7.19 – Квазілінійні МДН резистори
Найчастіше
застосовуються дифузійні
конденсатори,
в яких основним параметром є бар'єрна
ємність
–
переходу, що, як відомо, залежить від
площі переходу, діелектричної проникності
ε напівпровідника, концентрації домішок
і прикладеної зворотної напруги (рис.
7.20)
Ємність цих елементів набуває значень від 500 до 1500пФ з допуском ±20%. Номінал ємності визначає фіксована зворотна напруга. Дифузійні конденсатори можуть працювати і як конденсатори змінної ємності: змінюючи зворотну напругу від 1 до 10 В, змінюють ємність у 2-2,5 раза.

Рисунок 7.20 - Дифузійний конденсатор
У напівпровідникових ІС застосовують МОН– конденсатори (т. зв. металооксидні конденсатори) (рис. 7.21).

Рисунок 7.21 - МОН конденсатор
Однією обкладкою є дифузійний шар n+, на якому створюється плівка SiO2. Поверх цього шару наноситься алюмінієва плівка, яка відіграє роль другої обкладки. Ємність С ≤ 500 пФ, допуск ±25%. У таких конденсаторах, на відміну від дифузійних, немає необхідності строго дотримуватися полярності вмикання. Крім того, в них відсутня нелінійна залежність ємності від напруги.
Традиційними недоліками біполярних ІС є:
мала щільність упакування;
висока розсіювана потужність.
Ці недоліки подолані в ІС з інжекційним живленням.