Отже, в Н-системі за аргументи беруться вхідний струм та вихідна напруга:
=
,
=
. (3.33)
У статичному режимі один з аргументів фіксується і БТ можна описати такими сім’ями характеристик:
вхідних
=
;
вихідних
=![]()
зворотного зв’язку
=
;
прямої передачі
=
.
На
практиці зручніше користуватися
вхідними оберненими характеристиками
=
.
Крім того, останні дві сім’ї, які
застосовуються рідше, ніж сім’ї вхідних
і вихідних характеристик, можуть бути
одержані з перших. Розглянемо статичні
гібридні характеристики БТ для кожної
схеми ввімкнення окремо.
Теоретично
статичні характеристики БТ у ССБ можуть
бути одержані за допомогою рівнянь
Еберса – Молла. Але в цих рівняннях не
враховуються опір бази і модуляція її
товщини залежно від зміни напруги
.
Тому на практиці застосовують
експериментально зняті статичні
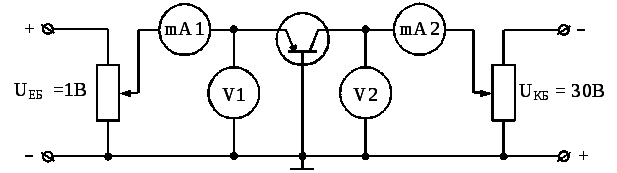
характеристики. Схему для зняття
характеристик БТ зі спільною базою
зображено на рисунку 3.12.

Рисунок 3.12 – Схема лабораторного зняття статичних характеристик БТ зі спільною базою
Слід
зауважити, що при одержанні характеристик
для
транзистора
потрібно змінити полярність напруг
і
.
Це
залежності
.
Графіки сім’ї характеристик показано
на рисунку 3.13.

Рисунок 3.13 – Статичні вхідні характеристики БТ
зі спільною базою
При
(колектор замкнено з базою) вхідна
характеристика відтворює пряму гілку
ВАХ ЕП:
. (7.2)
При негативній напрузі на колекторі характеристика зміщується вгору, в бік більших струмів емітера. Причина цього зміщення:
при
збільшенні негативної
зменшується активна ширина бази
,
зростає градієнт концентрації дірок
у базі (рис. 3.14), і тому при незмінній
напрузі
збільшується
;

Рисунок 3.14 – Модуляція товщини бази БТ та її вплив на розподіл концентрації неосновних носіїв
при
збільшенні запірної напруги
на КП зростає зворотний струм колектора
,
який, протікаючи через розподілений
опір бази
,
створює на ньому спад напруги зворотного
зв’язку
(рис. 3.15). Ця напруга, узгоджена з напругою
за напрямом, сприяє більшому відкриванню
ЕП і зростанню внаслідок цього струму
.

Рисунок 3.15 – Утворення напруги зворотного зв’язку на розподіленому опорі бази
Під
впливом перелічених причин у емітерному
колі БТ при
і негативній напрузі на колекторі
протікає невеликий струм емітера. Для
того щоб його усунути, треба до емітера
прикласти невелику негативну напругу.
Вихідні
характеристики БТ у ССБ – це графіки
залежності
,
зображені на рисунку 3.16.
Ураховуючи
вплив напруги
на зворотний струм колектора, рівняння
для струму колектора (3.10) можна записати
у вигляді
.
(3.35)
Одержана формула описує вихідні характеристики при різних струмах емітера.

Рисунок 3.16 – Статичні вихідні характеристики БТ
зі спільною базою
Межею
між режимом відсічки (
)
і активним режимом (
)
є характеристика при
,
яка є зворотною гілкою ВАХ КП. При
збільшенні негативної напруги
струм колектора швидко досягає значення
.
Подальше зростання
зумовлюється зростанням струмів
генерації та витоку КП. При деяких
високих напругах
(для транзистора МП14 при
ці напруги перевищують 15В)
у КП виникає пробій, що супроводжується
значним зростанням колекторного струму.
При
вихідні характеристики зменшуються в
бік більших колекторних струмів на
величину
згідно з формулою (3.35). У загальному
випадку це зміщення має нееквідистантний
характер, тобто однаковим приростам
вхідного струму
відповідають нерівні прирости вихідного
струму
.
Це явище викликане залежністю
,
зображеною на рисунку 3.6, яка свідчить,
що статичний коефіцієнт передачі струму
не є сталою величиною для різних струмів
емітера. Для більших колекторних та
емітерних струмів пробій КП відбувається
при менших напругах і може перетворитися
в тепловий. З метою унеможливлення
пробою режим роботи приладу треба
вибирати нижче кривої максимально
допустимої потужності
,
що розсіюється колектором (пунктирна
гіпербола на рисунку 3.16).
Це
залежності
(рис. 3.17).
Вони ґрунтуються на рівняннях (3.10) або
(3.35). З рівняння (3.35) бачимо, що при
характеристика починається з точки,
яка є початком координат (
,
),
а нахил цієї характеристики визначається
залежністю
від
.
При
характеристика починається з точки
,
а зміна її нахилу зумовлюється залежністю
(рис. 3.7).

Рисунок 3.17 – Сім’я характеристик прямої передачі БТ зі спільною базою
Характеристику
прямої передачі можна одержати з сім’ї
вихідних характеристик, фіксуючи
.
Сім’я характеристик зворотного зв’язку
![]()
показана на рисунку 3.18.
При
збільшенні
зменшується активна ширина бази
транзистора
,
і за рахунок зростання градієнта
концентрації дірок у базі (див. рис.
3.14) зростає струм
.
Для підтримання його постійного
значення, як того вимагають умови зняття
характеристик, потрібно зростання
компенсувати зменшенням напруги
.
Ця обставина зумовлює від’ємний нахил
характеристик.

Рисунок 3.18 – Сім’я характеристик зворотного зв’язку БТ зі спільною базою
У
базі транзистора зменшення
приводить при збільшенні
до відновлення попереднього градієнта
концентрації дірок, тобто нахилу графіка
(рис. 3.19).
При
та
переходи транзистора вмикаються у
прямому напрямі, і прилад переходить
до режиму насичення. У цьому режимі
різко зменшується
,
тому що зростає інжекційна складова
колекторного струму, яка компенсує
керовану, екстракційну складову.