. (3.8)
Важливо
запам’ятати, що за нормальної роботи
БТ
,
і струм
називається керованим колектором
струмом
.
Ця назва зумовлена тим, що чим більше
дірок інжектуються емітером у базу,
тим їх більша кількість екстрагує до
колектора. Отже, струм
пропорційний до емітерного струму:
, (3.9)
де
-
статичний коефіцієнт передачі струму
емітера. Оскільки
,
то
.
З
формули (3.9) випливає найважливіша
властивість БТ: керування вихідним
струмом можливе при зміні струму
вхідного. У формулі (3.9) вважається, що
,
тому що електронний струм
малий внаслідок слабкої легованості
бази.
При
деяких напругах на КП
,
коли в переході виникає явище пробою,
коефіцієнт М зростає (
)
і струм
буде некерованим.
Через
ввімкнений у зворотному напрямі КП
протікає дрейфовий струм неосновних
носіїв, який називається зворотним
струмом колектора
.
Цей струм проходить від “+” джерела
через базу, КП, колектор до “-”
.
Оскільки напрям цього струму збігається
з напрямом керованого колекторного
струму
,
то можна записати для повного колекторного
струму БТ у схемі зі спільною базою в
активному режимі
, (3.10)
де
-
некерована складова колекторного
струму в ССБ.
З рисунка 3.4 випливає, що загальний струм бази дорівнює
. (3.11)
Струм
емітера для транзистора можна знайти,
враховуючи, що він має складові
та
.
Додавши і віднявши величину
,
одержимо
. (3.12)
Враховуючи формули (3.10) та (3.11), з (3.12) нарешті одержимо вираз першого закону Кірхгофа для струмів електродів БТ у довільній схемі ввімкнення:
. (3.13)
З рівнянь (3.13) та (3.10) випливає
. (3.14)
Порівнюючи формули (3.11) та (3.14), можна зробити висновок, що рекомбінаційна складова струму бази
. (3.15)
В
активному режимі
,
тобто напрям базового струму визначається
рекомбінаційною складовою.
З
формули (3.9) при
випливає, що
. (3.16)
Оскільки
у нормальному режимі роботи транзистора
,
то статичний коефіцієнт передачі струму
емітера
. (3.17)
Для
поліпшення керувальних властивостей
БТ потрібно збільшувати
і, отже, його співмножники
та
.
Ефективність
емітера (коефіцієнт інжекції
)
можна підвищити, як це випливає з (3.2),
збільшенням
і зменшенням
.
Це досягається виконанням умови
,
про що йшлося у п. 3.1.1. При цьому
діркова складова емітерного струму
значно перевищує електронну
,
і коефіцієнт інжекції досягає величини
.
З
метою збільшення коефіцієнта перенесення
треба згідно з формулою (3.7) зменшити
активну ширину бази
або збільшити дифузійну довжину
.
Величину
можна
збільшити за рахунок зменшення
ймовірності рекомбінації дірок, що
можна здійснити при слабкому легуванні
бази донорними домішками (
мала).
Зменшення
до величини
дозволяє отримати коефіцієнт перенесення
= 0,995.
На коефіцієнт
впливає також співвідношення площ
переходів
.
Чим більше це співвідношення , тим менше
дірок розсіюється у базі і тим їх більша
кількість потрапляє на КП.
Для
сучасних БТ величина статичного
коефіцієнта передачі струму емітера
.
Значення
коефіцієнта
залежить також від струму емітера
і від напруги
.
Графік
залежності
показаний на рисунку 3.6. В області малих
(ділянка I на рисунку 3.6) коефіцієнт
інжекції
значно менший від одиниці, бо
,
і більшість дірок, інжектованих через
ЕП, рекомбінують у базі з електронами.

Рисунок
3.6 – Залежність
від струму емітера
При
збільшенні
(ділянка II) дифузійні струми зростають
швидше, ніж рекомбінаційні, і коефіцієнт
перенесення
зростає, збільшуючи
.
При великих струмах емітера (ділянка
III) значно зростає інжекційна електронна
складова струму емітера
за рахунок електронів від джерела
.
Це приводить до зменшення частки
діркового струму через ЕП, зменшується
і, отже, коефіцієнт передачі транзистора
.
Залежність
визначається зміною (модуляцією)
товщини бази (рис. 3.7), а також лавинним
множенням носіїв у КП під час пробою.
При збільшенні
товщина запірного шару КП збільшується
в напрямі базової області, оскільки
.
Це супроводжується зменшенням активної
ширини бази
і, отже, збільшенням коефіцієнта
перенесення
за формулою (3.7). При деякій напрузі
виникає пробій КП, лавинне помноження
носіїв приводить до збільшення
коефіцієнта М. Внаслідок цього, згідно
з формулою (3.16), зростає і стає більшим
за одиницю коефіцієнт передачі
.

Рисунок
3.7 – Залежність
від напруги колектора
Схему БТ зі спільною базою докладно розглянуто у п 3.1.3. Розглянемо тепер особливості й основні кількісні співвідношення для схем зі спільним емітером (ССЕ) та спільним колектором (ССК).
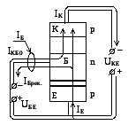
Схема зі спільним емітером
БТ у названій схемі вмикання показано на рисунку 3.8 для випадку активного режиму. Фізичні процеси в транзисторі аналогічні до процесів у ССБ.
Під
дією напруги
в колі емітера протікає
.
У базі цей струм розгалужується. Основна
його частина йде до колектора, створюючи
керовану складову вихідного струму.
Друга, менша частина струму
,
йде в коло бази, створюючи струм бази
рекомбінації. Назустріч струму
рекомбінації через базу протікає
зворотний струм колектора
.
Таким чином, вираз (3.10) є справедливим
і для цієї схеми. Але оскільки вхідним
струмом в ССЕ є струм бази
,
то потрібно одержати залежність
від
.
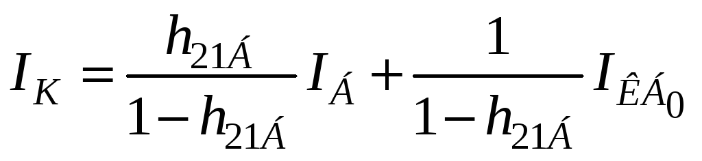
З цією метою у формулу (3.10) потрібно
підставити значення
з формули (3.13). Одержимо
,
звідки
. (3.18)
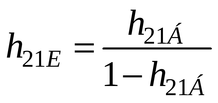
Уводячи позначення
, (3.19)
вираз (3.18) можна одержати у вигляді
. (3.20)
З
формули (3.20) випливає, що у ССЕ струм
колектора має керовану складову
,
що залежить від вхідного струму, і
некеровану
.

Рисунок 3.8 – Струми БТ у схемі зі спільним емітером