Материал: 2334

Внимание! Если размещение файла нарушает Ваши авторские права, то обязательно сообщите нам

сравнительно невысокое быстродействие распределительной аппаратуры и невысокие рабочие давления (не превышающие 32 МПа). Это позволяет представить их математическими моделями с сосредоточенными параметрами [2].

Гидролиния, соединяющая гидронасос с распределителем, представлена уравнениями [1, 2, 15, 26]:

 

 

 

 

Q

 

 

Q

 

dpн

k

 

;

 

 

 

 

 

(3.26)

 

 

 

 

 

 

 

 

 

 

 

 

 

 

 

 

 

 

 

лин

 

 

н

 

 

dt

 

л

 

 

 

 

 

 

 

 

 

 

 

 

 

 

2

 

 

 

1

 

 

 

 

dл

 

 

 

 

 

 

 

 

 

 

 

 

 

 

 

 

 

 

 

 

 

 

 

kл 0,25 π

dл

 

 

 

 

 

 

 

 

 

 

(3.27)

 

Lл

Eж

δл E

 

;

 

 

 

 

 

 

 

 

 

 

 

 

 

 

 

л

 

 

p

н

p

лин

 

 

2 λл ρж Lл

Q

 

Q

лин

2

;

(3.28)

 

 

 

 

 

 

 

 

 

 

π2 dл5

 

 

 

 

 

 

 

н

 

 

 

 

 

 

 

 

 

 

 

 

 

 

 

 

 

 

 

 

 

 

 

 

 

 

 

 

 

75 Re 1 при Re

л

2300,

 

 

 

 

 

λл

 

 

 

 

л

 

 

 

 

 

 

 

 

 

 

 

 

 

 

 

(3.29)

 

 

 

 

 

 

 

0

,25

 

 

 

 

 

 

 

 

 

 

 

 

 

 

 

 

 

 

 

 

 

 

 

при Reл

2300;

 

 

 

0,3164 Re

л

 

 

 

 

 

Reл

 

2 Qн Qлин

,

 

 

 

 

 

 

 

(3.30)

 

 

 

 

 

 

 

 

 

 

 

 

 

 

 

 

 

 

 

π dл νж

 

 

 

 

 

 

 

 

 

где Qн, Qлин – расходы рабочей жидкости соответственно на входе и выходе из насосной гидролинии; kл – коэффициент упругости гидролинии; dл – диаметр насосной гидролинии; Lл – длина насосной гидролинии; Eж – объемный модуль упругости рабочей жидкости; Eл – модуль упругости материала стенки насосной гидролинии; δл – толщина стенки насосной гидролинии; рл, рн – давление соответственно на входе и выходе из насосной гидролинии; λл – коэффициент потерь давления по длине насосной гидролинии; ρж – плотность рабочей жидкости; Reл – число Рейнольдса потока насосной гидролинии; νж – коэффициент кинематической вязкости жидкости.

Гидролиния, соединяющая распределитель с гидроцилиндром, представлена уравнениями [1, 2, 15, 26]:

 

 

Q

 

Q

расп

 

dpрасп

k

лин

;

 

 

 

 

(3.31)

 

 

 

 

 

 

 

 

 

 

 

цил

 

 

 

dt

 

 

 

 

 

 

 

 

 

 

 

 

 

 

 

 

 

 

 

 

 

 

 

 

1

 

 

 

 

 

d

 

 

 

 

 

 

 

 

 

 

 

 

2

 

 

 

 

 

 

 

 

 

лин

 

 

 

 

 

 

 

 

 

 

 

 

 

 

 

 

 

 

 

 

 

 

kлин

0,25 d

лин

 

Lлин

 

 

 

 

 

 

 

 

 

 

 

;

(3.32)

 

 

Eж

 

лин

 

 

 

 

 

 

 

 

 

 

 

 

 

 

 

 

 

Eлин

 

p

расп

p

цил

 

2 лин ж Lлин

Q

расп

Q

2;

(3.33)

 

 

 

 

 

 

 

 

2 dлин5

 

 

 

 

 

 

 

 

цил

 

 

 

 

 

 

 

 

 

 

 

 

 

 

 

 

 

 

 

 

 

 

 

65

 

1

при Reлин 2300,

75 Reлин

λлин

 

 

0,25

 

 

(3.34)

 

 

 

при Reлин

2300;

0,3164 Reлин

 

Reлин

2 Qрасп Qцил

,

(3.35)

 

 

 

 

 

π dлин νж

 

где Qрасп, Qцил – расходы рабочей жидкости соответственно на входе и выходе из гидролинии распределителя; kлин – коэффициент упругости гидролинии; dлин – диаметр гидролинии распределителя; Lлин – длина гидролинии распределителя; Eлин – модуль упругости материала стенки гидролинии распределителя; δлин – толщина стенки гидролинии распределителя; рцил, ррасп – давление соответственно на выходе и входе гидролинии распределителя; λлин – коэффициент потерь давления по длине гидролинии распределителя; ρж – плотность рабочей жидкости; Reлин – число Рейнольдса потока гидролинии распределителя.

Гидролиния, соединяющая гидроцилиндр со сливной магистралью распределителя, представлена уравнениями [1, 2, 15, 26]:

 

 

 

Qлс

Qцс

dpцс

 

dt kсл;

 

 

(3.36)

 

 

 

 

 

 

2

 

 

1

 

 

 

 

 

 

dсл

 

 

 

 

 

 

 

 

 

 

 

 

 

 

 

 

 

 

 

 

kсл

0,25 dсл

Lсл

E

 

 

 

 

 

 

 

 

(3.37)

 

 

 

 

сл

E

 

;

 

 

 

 

 

 

 

 

 

 

ж

 

сл

 

 

p

 

p

лс

 

2 сл ж Lсл

 

Q

 

Q

лс

2;

(3.38)

 

 

 

цс

 

 

 

 

2 dсл5

 

 

 

 

 

 

цс

 

 

 

 

 

 

 

 

 

 

 

 

 

 

 

 

 

 

 

 

 

 

 

 

75 Re 1

при Re

 

2300,

 

 

 

 

 

 

 

 

сл

 

 

 

сл

 

 

 

 

 

 

 

 

 

 

 

(3.39)

λсл

 

 

 

 

0,25

 

 

 

 

 

 

 

 

 

 

 

 

 

 

 

 

 

 

 

при

Reсл 2300;

 

 

0,3164 Reсл

 

 

 

Re

 

2 Qцс

Qлс

,

 

 

 

 

 

 

(3.40)

 

 

 

 

 

 

 

 

 

 

 

 

 

 

 

сл

 

π dсл νж

 

 

 

 

 

 

 

 

 

 

 

где Qцс, Qлс – расходы рабочей жидкости соответственно на входе и выходе сливной гидролинии; kсл – коэффициент упругости гидролинии; dсл – диаметр сливной гидролинии распределителя; Lсл – длина сливной гидролинии; Eсл – модуль упругости материала стенки сливной гидролинии; δсл – толщина стенки сливной гидролинии; рлс, рцс – давление соответственно на выходе и входе сливной гидролинии; λсл – коэффициент потерь давления по длине сливной гидролинии; ρж – плотность рабочей жидкости; Reсл – число Рейнольдса потока сливной гидролинии.

66

 

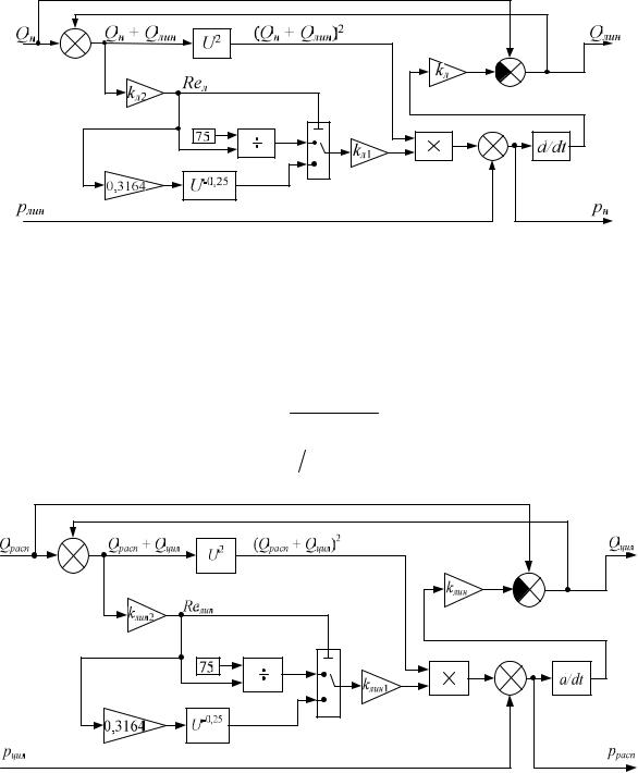
Рис. 3.25. Структурная схема насосной гидролинии

 

Уравнения (3.26) – (3.30) позволяют представить насосную гид-

ролинию в

виде структурной схемы, представленной на рис. 3.25.

Значения коэффициентов передачи этой структурной схемы:

 

 

kл1

2 ρж Lл ;

(3.41)

 

 

π2 dл5

 

 

kл2

2 π dл νж .

(3.42)

Рис. 3.26. Структурная схема распределительной гидролинии

 

Уравнения (3.31) – (3.39) позволяют представить распределительную гидролинию в виде структурной схемы, представленной на рис. 3.26. Значения коэффициентов передачи этой структурной схемы:

kлин1

 

2 ρж Lлин

;

(3.43)

 

 

 

π2 dлин5

 

67

 

 

 

 

 

 

 

 

 

 

 

 

 

kлин2 2

dлин ж .

(3.44)

 

 

 

 

 

 

 

 

 

 

 

 

 

 

 

 

 

 

 

 

 

 

 

 

 

 

 

 

 

 

 

 

 

 

 

 

 

 

 

 

 

 

 

 

 

 

 

 

 

 

 

 

 

 

 

 

 

 

 

 

 

 

 

 

 

 

 

 

 

 

 

 

 

 

 

 

 

 

 

 

 

 

 

 

 

 

 

 

 

 

 

 

 

 

 

 

 

 

 

 

 

 

 

 

 

 

 

 

 

 

 

 

 

 

 

 

 

 

 

 

 

 

 

 

 

 

 

 

 

 

 

 

 

 

 

 

 

 

 

 

 

 

 

 

 

 

 

 

 

 

 

 

 

 

 

 

 

 

 

 

 

 

 

 

 

 

 

 

 

 

 

 

 

 

 

 

 

 

 

 

 

 

 

 

 

 

 

 

 

 

 

 

 

 

 

 

 

 

 

 

 

 

 

 

 

 

 

 

 

 

 

 

 

 

 

 

 

 

 

 

 

 

 

 

 

 

 

 

 

 

 

 

 

 

 

 

 

 

 

 

 

 

 

 

 

 

 

 

 

 

 

 

 

 

 

 

 

 

 

 

 

 

 

 

 

 

 

 

 

 

 

 

 

 

 

 

 

 

 

 

 

 

 

 

 

 

 

 

 

 

 

 

 

 

 

 

 

 

 

 

 

 

 

 

 

 

 

 

 

 

 

 

 

 

 

 

 

 

 

 

 

 

 

 

 

 

 

 

 

 

 

 

 

 

 

 

 

 

 

 

 

 

 

 

 

 

 

 

 

 

 

 

 

 

 

 

 

 

 

 

 

 

 

 

 

 

 

 

 

 

 

 

 

 

 

 

 

 

 

 

 

 

 

 

 

 

 

 

 

 

 

 

 

 

 

 

 

 

 

 

 

 

 

 

 

 

 

 

 

 

 

 

 

 

 

 

 

 

 

 

 

 

 

 

 

 

 

 

 

 

 

 

 

 

 

 

 

 

 

 

 

 

 

 

 

 

 

 

 

 

 

 

 

 

 

 

 

 

 

 

 

 

 

 

 

 

 

 

 

 

 

 

 

 

 

 

 

 

 

 

 

 

 

 

 

 

 

 

 

 

 

 

 

 

 

 

 

 

 

 

 

 

 

 

 

 

 

 

 

 

 

 

 

 

 

 

 

 

 

 

 

 

 

 

 

 

 

 

 

 

 

 

 

 

 

 

 

 

 

 

 

 

 

 

 

 

 

 

 

 

 

 

 

 

 

 

 

 

 

 

 

 

 

 

 

 

 

 

 

 

 

 

 

 

 

 

 

 

 

 

 

 

 

 

 

 

 

 

 

 

 

 

 

 

 

 

 

 

 

 

 

 

 

 

 

 

 

 

 

 

 

 

 

 

 

 

 

 

 

 

 

 

 

 

 

 

 

 

 

 

 

 

 

 

 

 

 

 

 

 

 

 

 

 

 

 

 

 

 

 

 

 

 

 

 

 

 

 

 

 

 

 

 

 

 

 

 

 

 

 

 

 

 

 

 

 

 

 

 

 

 

 

 

 

 

 

 

 

 

 

 

 

 

 

 

 

 

 

 

 

 

 

 

 

 

 

 

 

 

 

 

 

 

 

 

 

 

 

 

 

 

 

 

 

 

 

 

 

 

 

 

 

 

 

 

 

 

 

 

 

 

 

 

 

 

 

 

 

 

 

 

 

 

 

 

 

 

 

 

 

 

 

 

 

 

 

 

 

 

 

 

 

 

 

 

 

 

 

 

 

 

 

 

 

 

 

 

 

 

 

 

 

 

 

 

 

 

 

 

 

 

 

 

 

 

 

 

 

 

 

 

 

 

 

 

 

 

 

 

 

 

 

 

 

 

 

 

 

 

 

 

 

 

 

 

 

 

 

 

 

 

 

 

 

 

 

 

 

 

 

 

 

 

 

 

 

 

 

 

 

 

 

 

 

 

 

 

 

 

 

 

 

 

 

 

 

 

 

 

 

 

 

 

 

 

 

 

 

 

 

 

 

 

 

 

 

 

 

 

 

 

 

 

 

 

 

 

 

 

 

 

 

 

 

 

 

 

 

 

 

 

 

 

 

 

 

 

 

 

 

 

 

 

 

 

 

 

 

 

 

 

 

 

 

 

 

 

 

 

 

 

 

 

 

 

 

 

 

 

 

 

 

 

 

 

 

 

 

 

 

 

 

 

 

 

 

 

 

 

 

 

 

 

 

 

 

 

 

 

 

 

 

 

 

 

 

 

 

 

 

 

 

 

 

 

 

 

 

 

 

 

 

 

 

 

 

 

 

 

 

 

 

 

 

 

 

 

 

 

 

 

 

 

 

 

 

 

 

 

 

 

 

 

 

 

 

 

 

 

 

 

 

 

 

 

 

 

 

 

 

 

 

 

 

 

 

 

 

 

 

 

 

 

 

 

 

 

 

 

 

 

 

 

 

 

 

 

 

 

 

 

 

 

 

 

 

 

 

 

 

 

 

 

 

 

 

 

 

 

 

 

 

 

 

 

 

 

 

 

 

 

Рис. 3.27. Структурная схема сливной гидролинии

Уравнения (3.36) – (3.40) позволяют представить сливную гидролинию в виде структурной схемы, представленной на рис. 3.27. Значения коэффициентов передачи этой структурной схемы:

kсл1

2 ρж Lсл

;

(3.45)

 

 

 

π2 dсл5

 

 

kсл2 2

dсл ж ;

(3.46)

Сила, действующая на опору, приведена к штоку гидроцилиндра, она вызывает изменение давления в напорной линии гидроцилиндра

[1, 2, 15, 26]:

R

0,25 d2 d2

m

dVцил

k V

 

dt

 

цил

ц

ш цс

ц

 

 

ц цил

 

 

 

 

 

 

 

 

 

приxзол xзол1;

 

0,25 d

ц2

 

 

 

 

 

 

 

 

 

 

 

 

0

приxзол2 xзол2 xзол1;

 

 

(3.47)

pцил

 

 

 

 

 

 

dVцил

 

 

 

 

R

0,25 π d2 p

m

k V

 

 

цил

ц цс

ц

dt

 

ц

цил

 

 

 

 

 

 

 

 

приxзол xзол1,

 

 

2

2

 

 

 

 

 

0,25 dц dш

 

 

 

 

 

где pцил – давление рабочей жидкости в напорной линии гидроцилиндра; pцс – давление рабочей жидкости в сливной линии гидроцилиндра; dц, dш – диаметры соответственно внутренний и штока гидроци-

68

линдра; mц – подвижная масса, приведенная к штоку; Vцил – скорость движения штока гидроцилиндра; kц – коэффициент вязкого трения в гидроцилиндре; xзол – положение золотника распределителя; xзол1, xзол2

– границы зоны нечувствительности распределителя соответственно на выдвижение и втягивание штока.

Давление в сливной гидролинии гидроцилиндра открытой гидросистемы определяется расходом жидкости и площадью проходного сечения местного сопротивления. Поскольку значения давлений в сливной гидролинии сравнительно малы, сжимаемостью жидкости можно пренебречь [1, 2, 15, 26]:

0,25 π d2

d2

V

 

при x

зол

x

;

 

ц

 

ш

цил

 

 

 

 

зол1

при xзол2

 

xзол xзол1;

 

 

 

 

(3.48)

Qцс 0

 

 

 

 

 

 

 

 

при x

 

x

 

 

,

 

 

0,25 π d2 V

 

зол

зол2

 

 

 

ц

цил

 

 

 

 

 

 

где Qцс – расход рабочей жидкости через сливную полость гидроцилиндра.

Скорость движения штока гидроцилиндра зависит от расхода и сжимаемости жидкости, а также упругости стенок гидроцилиндра [1, 2, 15, 26]:

 

 

 

 

 

 

 

 

 

 

dp

 

 

 

 

 

4 Q

 

 

k

п

 

 

 

 

цил

 

 

 

 

 

 

 

 

 

 

 

 

 

 

цил

 

 

 

 

 

dt

 

 

 

 

 

 

 

 

 

 

 

 

 

 

 

 

 

при xзол

xзол1;

 

 

 

 

 

 

2

 

 

 

 

 

 

 

 

 

 

 

 

 

 

 

 

 

 

 

 

 

 

 

 

 

 

 

 

 

 

 

π dц

 

 

 

 

 

 

 

 

 

 

 

 

 

 

 

 

 

 

 

 

 

 

 

xзол xзол1;

(3.49)

Vцил 0 при xзол2

 

 

 

 

 

 

 

 

 

 

 

 

 

 

 

dp

 

 

 

 

 

 

4 Q

 

 

k

ш

 

 

цил

 

 

 

 

 

 

 

 

 

 

 

 

 

 

цил

 

 

 

 

 

dt

 

 

 

 

 

 

 

 

 

 

 

 

 

 

 

 

при xзол

xзол2,

 

 

 

 

 

 

 

 

 

 

 

 

 

 

 

 

 

 

 

π d2

d2

 

 

 

 

 

 

 

 

 

 

 

 

 

 

 

 

 

 

 

 

ц

 

 

 

 

ш

 

 

 

 

 

 

где kп, kш – коэффициенты, характеризующие упругие свойства соответственно поршневой и штоковой полостей гидроцилиндра.

 

 

 

 

1

 

 

dц

 

 

 

 

2

 

 

 

 

 

(3.50)

dц

E

 

 

 

E

kп Vп 0,25 Sш

 

ж

ц

,

 

 

 

 

 

 

 

 

ц

 

где Vп – «мертвый» объем поршневой полости гидроцилиндра; S’ш – ход штока гидроцилиндра; ц – толщина стенки гидроцилиндра; Ец – модуль упругости материала стенки гидроцилиндра.

69