от перемещения золотника позволяют составить структурную схему |
электрогидравлического распределителя, представленную на рис. |
3.32. |
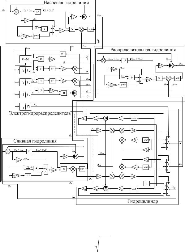
Рис. 3.33. Структурная схема гидропривода одной из опор платформы |
Коэффициенты структурной схемы:
kp1 |
б |
|
2 |
; |
(3.70) |
|
|
ж |
|
||||
|
|
|
|
|
||
|
|
|
|
|
|
|
75
k |
p2 |
|
|
|
ж |
; |
|
|
(3.71) |
|||||
|
2 л2 |
|
|
|
||||||||||
|
|
|
|
|
|
|
|
|
||||||
|
|
|
|
|
|
|
|
|
|
|
|
|
|
|
kp3 |
лс |
|
|
2 |
; |
(3.72) |
||||||||
|
ж |
|
||||||||||||
|
|
|
|
|
|
|
|
|
|
|
||||
|
|
|
|
|
|
ж |
|
|
|
|
||||
k |
p4 |
|
|
|
|
|
|
. |
|
|
(3.73) |
|||
|
|
2 лс2 |
|
|
|
|
||||||||
|
|
|
|
|
|
|
|
|
||||||
Полное математическое описание гидравлического привода системы управления отдельной опорой платформы представлено на рис. 3.33. Оно представляет собой совокупность математических моделей его отдельных элементов. Математическая модель позволяет учесть влияние динамических свойств гидравлического привода при исследовании устройства управления платформой.
Вся гидравлическая система состоит из четырех подсистем, представленных на рис. 3.33.
3.6.3. Математическая модель порогового элемента
Пороговый элемент представляет собой электронное реле с регулируемой зоной нечувствительности. Поскольку быстродействие электронных схем является высоким в сравнении с другими элементами, пороговый элемент описан как безынерционное реле.
iрасп
+1 
– α/2 |
αz |
α/2 |
|
|
–1 |
Рис. 3.34. Статическая характеристика порогового элемента
|
1 |
при z |
2 ; |
|
|
i |
|
|
|
2 ; |
(3.74) |
расп 0 при 2 z |
|||||
|
|
при z |
2 , |
|
|
|
1 |
|
|
||
76
где αz – угол наклона платформы строительной машины в горизонтальной плоскости; α – ширина зоны нечувствительности порогового элемента устройства управления платформой строительной машины.
Пороговыми значениями для каждого контура управления являются допустимые отклонения значений соответствующих параметров.
3.6.4. Математическая модель блока управления
По разработанной функциональной схеме устройства управления с логическими элементами (см. рис. 3.18) были составлены булевы функции для выходных переменных x1… x9, имеющие вид [23, 28]
x1 = (a13 |
a5 a4) ( ((a3 |
( a5 a14)) (a13 |
a5 |
a4))); |
(3.75) |
|||||
x2 = (a3 |
(a14 |
a5)) ( ((a3 |
(a14 |
a5)) (a13 a5 a4))); |
(3.76) |
|||||
x3 = (a15 |
a7 a4) ( ((a3 |
( a7 a16)) (a15 |
a7 |
a4))); |
(3.77) |
|||||
x4 = (a3 |
(a16 |
a7)) ( ((a3 |
(a16 |
a7)) (a15 a7 a4))); |
(3.78) |
|||||
x5 = (a14 |
a9 a4) ( ((a3 |
( a9 a13)) (a14 |
a9 |
a4))); |
(3.79) |
|||||
x6 |
= (a3 |
(a13 |
a9)) ( ((a3 |
(a13 |
a9)) (a14 a9 a4))); |
(3.80) |
||||
x7 |
= (a16 |
a11 a4) ( ((a3 ( a11 a15)) (a16 a11 a4))); |
(3.81) |
|||||||
x8 |
= (a3 |
(a15 |
a11)) ( ((a3 (a15 a11)) (a16 a11 a4))); (3.82) |
|||||||
x9 |
= a1 a2 a6 a8 a10 a12, |
|
|
|
(3.83) |
|||||
где ¬ – аналог логического отрицания (инверсии); – аналог логического умножения (конъюнкции); – аналог логического сложения (дизъюнкции). Операции перечислены в порядке убывания приоритета.
Для облегчения анализа системы для каждой булевой функции выходных переменных x1… x9 из общей функциональной схемы было получено отдельное компактное графическое представление в виде дерева преобразований (рис. 3.35).
Для логических выражений (3.75) – (3.83) была составлена математическая модель при помощи логических блоков MATLAB – Simulink и получены таблицы истинности (табл. 3.2), задающие соответствующую булеву логическую функцию в значениях «истина» либо «ложь» (1 либо 0). Также для всех булевых функций были составлены детализированные промежуточные таблицы для поэтапной проверки правильности значений выходных переменных, которые не приводятся из-за большого объема.
77
Рис. 3.35. Деревья преобразований для логических функций x1… x9
Т а б ли ц а 3.2. Таблицы истинности логических функций x1… x8
a13a14a3a4a5 |
x1 |
|
a13a14a3a4a5 |
x2 |
|
a15a16a3a4a7 |
x3 |
|
a15a16a3a4a7 |
x4 |
1 1 1 1 1 |
0 |
|
1 1 1 1 1 |
0 |
|
1 1 1 1 1 |
0 |
|
1 1 1 1 1 |
0 |
1 1 1 1 0 |
0 |
|
1 1 1 1 0 |
0 |
|
1 1 1 1 0 |
0 |
|
1 1 1 1 0 |
0 |
1 1 1 0 1 |
0 |
|
1 1 1 0 1 |
0 |
|
1 1 1 0 1 |
0 |
|
1 1 1 0 1 |
0 |
1 1 1 0 0 |
0 |
|
1 1 1 0 0 |
0 |
|
1 1 1 0 0 |
0 |
|
1 1 1 0 0 |
0 |
1 1 0 1 1 |
1 |
|
1 1 0 1 1 |
0 |
|
1 1 0 1 1 |
1 |
|
1 1 0 1 1 |
0 |
1 1 0 1 0 |
0 |
|
1 1 0 1 0 |
0 |
|
1 1 0 1 0 |
0 |
|
1 1 0 1 0 |
0 |
1 1 0 0 1 |
1 |
|
1 1 0 0 1 |
0 |
|
1 1 0 0 1 |
1 |
|
1 1 0 0 1 |
0 |
1 1 0 0 0 |
0 |
|
1 1 0 0 0 |
0 |
|
1 1 0 0 0 |
0 |
|
1 1 0 0 0 |
0 |
1 0 1 1 1 |
0 |
|
1 0 1 1 1 |
0 |
|
1 0 1 1 1 |
0 |
|
1 0 1 1 1 |
0 |
1 0 1 1 0 |
0 |
|
1 0 1 1 0 |
0 |
|
1 0 1 1 0 |
0 |
|
1 0 1 1 0 |
0 |
1 0 1 0 1 |
0 |
|
1 0 1 0 1 |
0 |
|
1 0 1 0 1 |
0 |
|
1 0 1 0 1 |
0 |
1 0 1 0 0 |
0 |
|
1 0 1 0 0 |
0 |
|
1 0 1 0 0 |
0 |
|
1 0 1 0 0 |
0 |
1 0 0 1 1 |
1 |
|
1 0 0 1 1 |
0 |
|
1 0 0 1 1 |
1 |
|
1 0 0 1 1 |
0 |
1 0 0 1 0 |
1 |
|
1 0 0 1 0 |
0 |
|
1 0 0 1 0 |
1 |
|
1 0 0 1 0 |
0 |
1 0 0 0 1 |
1 |
|
1 0 0 0 1 |
0 |
|
1 0 0 0 1 |
1 |
|
1 0 0 0 1 |
0 |
1 0 0 0 0 |
1 |
|
1 0 0 0 0 |
0 |
|
1 0 0 0 0 |
1 |
|
1 0 0 0 0 |
0 |
0 1 1 1 1 |
0 |
|
0 1 1 1 1 |
0 |
|
0 1 1 1 1 |
0 |
|
0 1 1 1 1 |
0 |
0 1 1 1 0 |
0 |
|
0 1 1 1 0 |
0 |
|
0 1 1 1 0 |
0 |
|
0 1 1 1 0 |
0 |
0 1 1 0 1 |
0 |
|
0 1 1 0 1 |
0 |
|
0 1 1 0 1 |
0 |
|
0 1 1 0 1 |
0 |
0 1 1 0 0 |
0 |
|
0 1 1 0 0 |
1 |
|
0 1 1 0 0 |
0 |
|
0 1 1 0 0 |
1 |
78
Окончание табл. 3.2
a13a14a3a4a9 |
x5 |
|
a13a14a3a4a9 |
x6 |
|
a11a15a16a3a4 |
x7 |
|
a11a15a16a3a4 |
x8 |
0 1 0 1 1 |
1 |
|
0 1 0 1 1 |
0 |
|
0 1 0 1 1 |
1 |
|
0 1 0 1 1 |
0 |
0 1 0 1 0 |
0 |
|
0 1 0 1 0 |
0 |
|
0 1 0 1 0 |
0 |
|
0 1 0 1 0 |
0 |
0 1 0 0 1 |
1 |
|
0 1 0 0 1 |
0 |
|
0 1 0 0 1 |
1 |
|
0 1 0 0 1 |
0 |
0 1 0 0 0 |
0 |
|
0 1 0 0 0 |
1 |
|
0 1 0 0 0 |
0 |
|
0 1 0 0 0 |
1 |
0 0 1 1 1 |
0 |
|
0 0 1 1 1 |
0 |
|
0 0 1 1 1 |
0 |
|
0 0 1 1 1 |
0 |
0 0 1 1 0 |
0 |
|
0 0 1 1 0 |
0 |
|
0 0 1 1 0 |
0 |
|
0 0 1 1 0 |
0 |
0 0 1 0 1 |
0 |
|
0 0 1 0 1 |
0 |
|
0 0 1 0 1 |
0 |
|
0 0 1 0 1 |
0 |
0 0 1 0 0 |
0 |
|
0 0 1 0 0 |
1 |
|
0 0 1 0 0 |
0 |
|
0 0 1 0 0 |
1 |
0 0 0 1 1 |
1 |
|
0 0 0 1 1 |
0 |
|
0 0 0 1 1 |
1 |
|
0 0 0 1 1 |
0 |
0 0 0 1 0 |
1 |
|
0 0 0 1 0 |
0 |
|
0 0 0 1 0 |
1 |
|
0 0 0 1 0 |
0 |
0 0 0 0 1 |
1 |
|
0 0 0 0 1 |
0 |
|
0 0 0 0 1 |
1 |
|
0 0 0 0 1 |
0 |
0 0 0 0 0 |
0 |
|
0 0 0 0 0 |
0 |
|
0 0 0 0 0 |
0 |
|
0 0 0 0 0 |
0 |
1 1 1 1 1 |
0 |
|
1 1 1 1 1 |
0 |
|
1 1 1 1 1 |
0 |
|
1 1 1 1 1 |
0 |
1 1 1 1 0 |
0 |
|
1 1 1 1 0 |
0 |
|
1 1 1 1 0 |
0 |
|
1 1 1 1 0 |
0 |
1 1 1 0 1 |
0 |
|
1 1 1 0 1 |
0 |
|
1 1 1 0 1 |
1 |
|
1 1 1 0 1 |
0 |
1 1 1 0 0 |
0 |
|
1 1 1 0 0 |
0 |
|
1 1 1 0 0 |
1 |
|
1 1 1 0 0 |
0 |
1 1 0 1 1 |
1 |
|
1 1 0 1 1 |
0 |
|
1 1 0 1 1 |
0 |
|
1 1 0 1 1 |
0 |
1 1 0 1 0 |
0 |
|
1 1 0 1 0 |
0 |
|
1 1 0 1 0 |
0 |
|
1 1 0 1 0 |
0 |
1 1 0 0 1 |
1 |
|
1 1 0 0 1 |
0 |
|
1 1 0 0 1 |
1 |
|
1 1 0 0 1 |
0 |
1 1 0 0 0 |
0 |
|
1 1 0 0 0 |
0 |
|
1 1 0 0 0 |
1 |
|
1 1 0 0 0 |
0 |
1 0 1 1 1 |
0 |
|
1 0 1 1 1 |
0 |
|
1 0 1 1 1 |
0 |
|
1 0 1 1 1 |
0 |
1 0 1 1 0 |
0 |
|
1 0 1 1 0 |
0 |
|
1 0 1 1 0 |
0 |
|
1 0 1 1 0 |
0 |
1 0 1 0 1 |
0 |
|
1 0 1 0 1 |
0 |
|
1 0 1 0 1 |
1 |
|
1 0 1 0 1 |
0 |
1 0 1 0 0 |
0 |
|
1 0 1 0 0 |
1 |
|
1 0 1 0 0 |
1 |
|
1 0 1 0 0 |
0 |
1 0 0 1 1 |
1 |
|
1 0 0 1 1 |
0 |
|
1 0 0 1 1 |
0 |
|
1 0 0 1 1 |
0 |
1 0 0 1 0 |
0 |
|
1 0 0 1 0 |
0 |
|
1 0 0 1 0 |
0 |
|
1 0 0 1 0 |
0 |
1 0 0 0 1 |
1 |
|
1 0 0 0 1 |
0 |
|
1 0 0 0 1 |
1 |
|
1 0 0 0 1 |
0 |
1 0 0 0 0 |
0 |
|
1 0 0 0 0 |
1 |
|
1 0 0 0 0 |
1 |
|
1 0 0 0 0 |
0 |
0 1 1 1 1 |
0 |
|
0 1 1 1 1 |
0 |
|
0 1 1 1 1 |
0 |
|
0 1 1 1 1 |
0 |
0 1 1 1 0 |
0 |
|
0 1 1 1 0 |
0 |
|
0 1 1 1 0 |
0 |
|
0 1 1 1 0 |
0 |
0 1 1 0 1 |
0 |
|
0 1 1 0 1 |
0 |
|
0 1 1 0 1 |
0 |
|
0 1 1 0 1 |
0 |
0 1 1 0 0 |
0 |
|
0 1 1 0 0 |
0 |
|
0 1 1 0 0 |
0 |
|
0 1 1 0 0 |
0 |
0 1 0 1 1 |
1 |
|
0 1 0 1 1 |
0 |
|
0 1 0 1 1 |
0 |
|
0 1 0 1 1 |
0 |
0 1 0 1 0 |
1 |
|
0 1 0 1 0 |
0 |
|
0 1 0 1 0 |
0 |
|
0 1 0 1 0 |
1 |
0 1 0 0 1 |
1 |
|
0 1 0 0 1 |
0 |
|
0 1 0 0 1 |
0 |
|
0 1 0 0 1 |
0 |
0 1 0 0 0 |
1 |
|
0 1 0 0 0 |
0 |
|
0 1 0 0 0 |
0 |
|
0 1 0 0 0 |
1 |
0 0 1 1 1 |
0 |
|
0 0 1 1 1 |
0 |
|
0 0 1 1 1 |
0 |
|
0 0 1 1 1 |
0 |
0 0 1 1 0 |
0 |
|
0 0 1 1 0 |
0 |
|
0 0 1 1 0 |
0 |
|
0 0 1 1 0 |
0 |
0 0 1 0 1 |
0 |
|
0 0 1 0 1 |
0 |
|
0 0 1 0 1 |
1 |
|
0 0 1 0 1 |
0 |
0 0 1 0 0 |
0 |
|
0 0 1 0 0 |
1 |
|
0 0 1 0 0 |
1 |
|
0 0 1 0 0 |
0 |
0 0 0 1 1 |
1 |
|
0 0 0 1 1 |
0 |
|
0 0 0 1 1 |
0 |
|
0 0 0 1 1 |
0 |
0 0 0 1 0 |
1 |
|
0 0 0 1 0 |
0 |
|
0 0 0 1 0 |
0 |
|
0 0 0 1 0 |
1 |
0 0 0 0 1 |
1 |
|
0 0 0 0 1 |
0 |
|
0 0 0 0 1 |
1 |
|
0 0 0 0 1 |
0 |
0 0 0 0 0 |
0 |
|
0 0 0 0 0 |
0 |
|
0 0 0 0 0 |
0 |
|
0 0 0 0 0 |
0 |
79