Материал: 2334

Внимание! Если размещение файла нарушает Ваши авторские права, то обязательно сообщите нам

Имея сокращенную ДНФ, можно дать приблизительную оценку сложности реализации логической функции, подсчитав коэффициент сложности КС как сумму общего количества переменных P, вошедших в импликанты, и количества импликант I [19]:

КС=P+I. (3.84)

Т а б л и ц а 3.5. Сокращенные ДНФ, минимальные формы и значения

коэффициента сложности КС логических функций x1x9

x1

Исх. форма

(a13 a5 a4) (¬((a3 (¬a5 a14)) (a13 a5 a4)))

КС=13

ДНФ

(¬a14 ¬a3 a13) (a5 ¬a3) (¬a14 ¬a3 a5) (¬a14 ¬a3 a4)

 

Мин. форма

¬a14 ¬a3 a4 a13 ¬a14 ¬a3 ¬a3 a5

 

x2

Исх. форма

(a3 (a14 ¬a5)) (¬((a3 (a14 ¬a5)) (a13 a5 a4)))

КС=10

ДНФ

(¬a13 ¬a5 ¬a4 a3) (¬a13 ¬a5 ¬a4 a14)

 

Мин. форма

¬a13 a14 ¬a4 ¬a5 ¬a13 a3 ¬a4 ¬a5

 

x3

Исх. форма

(a15 a7 a4) (¬((a3 (¬a7 a16)) (a15 a7 a4)))

КС=13

ДНФ

(¬a16 ¬a3 a15) (a7 ¬a3) (¬a16 ¬a3 a7) (¬a16 ¬a3 a4)

 

Мин. форма

¬a16 ¬a3 a4 a15 ¬a16 ¬a3 ¬a3 a7

 

x4

Исх. форма

(a3 (a16 ¬a7)) (¬((a3 (a16 ¬a7)) (a15 a7 a4)))

КС=10

ДНФ

(¬a15 ¬a7 ¬a4 a3) (¬a15 ¬a7 ¬a4 a16)

 

Мин. форма

¬a15 a16 ¬a4 ¬a7 ¬a15 a3 ¬a4 ¬a7

 

x5

Исх. форма

(a14 a9 a4) (¬((a3 (¬a9 a13)) (a14 a9 a4)))

КС=13

ДНФ

(¬a13 ¬a3 a14) (a9 ¬a3) (¬a13 ¬a3 a9) (¬a13 ¬a3 a4)

 

Мин. форма

¬a13 ¬a3 a4 ¬a13 a14 ¬a3 ¬a3 a9

 

x6

Исх. форма

(a3 (a13 ¬a9)) (¬((a3 (a13 ¬a9)) (a14 a9 a4)))

КС=10

ДНФ

(¬a14 ¬a9 ¬a4 a3) (¬a14 ¬a9 ¬a4 a13)

 

Мин. форма

a13 ¬a14 ¬a4 ¬a9 ¬a14 a3 ¬a4 ¬a9

 

x7

Исх. форма

(a16 a11 a4) (¬((a3 (¬a11 a15)) (a16 a11 a4)))

КС=13

ДНФ

(¬a15 ¬a3 a16) (a11 ¬a3) (¬a15 ¬a3 a11) (¬a15 ¬a3 a4)

 

Мин. форма

¬a15 ¬a3 a4 ¬a15 a16 ¬a3 a11 ¬a3

 

x8

Исх. форма

(a3 (a15 ¬a11)) (¬((a3 (a15 ¬a11)) (a16 a11 a4)))

КС=10

ДНФ

(¬a16 ¬a11 ¬a4 a3) (¬a16 ¬a11 ¬a4 a15)

 

Мин. форма

¬a11 a15 ¬a16 ¬a4 ¬a11 ¬a16 a3 ¬a4

 

x9

Исх. форма

a1 a2 a6 a8 a10 a12

КС=7

ДНФ

a1 a2 a6 a8 a10 a12

 

Мин. форма

a1 a2 a6 a8 a10 a12

 

В сокращенной ДНФ могут содержаться члены, устранение которых никаким образом не влияет на значения функции. В ряде случаев возможно дальнейшее упрощение логической функции – приведение ее к минимальной форме. Существуют несколько способов минимизации булевых функций. Это аналитический символьный и аналитический кодовый методы, метод Квайна-Мак-Класки, метод БлекаПорецкого, метод обобщенных кодов и графическая минимизация с

85

помощью карт Карно. Метод Квайна-Мак-Класки считается одним из наиболее эффективных, т.к. лишен некоторых недостатков метода Карно, и может быть применен при любом количестве переменных. Он основан на преобразовании СДНФ с помощью операций неполного склеивания и поглощения [19].

В табл. 3.5 приведены сокращенные ДНФ и минимальные формы, полученные по методу Квайна-Мак-Класки, а также значения КС для логических выражений (3.75) – (3.83).

3.7. Структура математической модели процесса управления положениемплатформыстроительноймашинысприменениемЭВМ

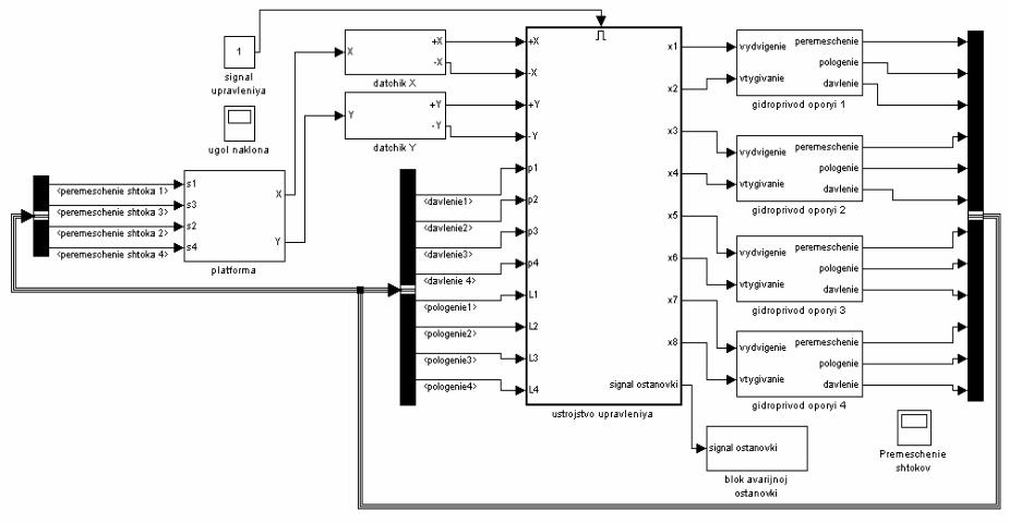
В качестве инструмента для реализации разработанного математического аппарата был выбран программный комплекс MATLAB R2009а и его пакетное приложение Simulink, дающее возможность визуально-блочного программирования и всестороннего исследования полученной модели [4, 27].

На рис. 3.36 представлена модель системы управления положением платформы, выполненная в виде последовательно соединенных подсистем с множеством входных и выходных параметров. Составленное математическое описание системы управления положением платформы позволяет учитывать множество конструктивных особенностей машины при изучении процесса управления платформой.

Для того, чтобы определить, как работает данная модель, была смоделирована ситуация, когда платформа имеет наклон αx = 3° (по оси X) и αy = 2° (по оси Y). На рис. 3.37 схематично показана платформа, имеющая наклон по двум осям: X и Y.

На рис. 3.38 представлен график переходного процесса работы системы. На графике показана зависимость изменения угла наклона платформы αz от времени. На рис. 3.39 представлен график переходного процесса работы всей системы. На графике показаны зависимости положений штоков гидроцилиндров опор от времени.

Составленные расчетные схемы и аналитические зависимости позволили разработать сложную математическую модель процесса управления и исследовать ее характеристики. Разработанная математическая модель процесса управления положением платформы строительной машины позволяет проводить теоретические исследования и легко реализуется на ПЭВМ с помощью программного комплекса

MATLAB и его приложения Simulink.

86

87

Рис. 3.36. Модель системы управления положением платформы, выполненная в обозначениях Simulink

2

1

 

O2

 

 

O1

 

 

 

3

4

Положение 2

∆αx =3°

 

 

Положение 1

X

 

 

X'

Рис. 3.37. Платформа, имеющая наклон по двум осям: X и Y

Рис. 3.38. График зависимости αz от времени

Рис. 3.39. График зависимости L1, L2, L3, L4 от времени

Y

Y'

∆αy=2°

88

Предложенный алгоритм работы устройства управления позволяет выполнять выравнивание платформы строительной машины максимально быстро и просто.

4. РЕЗУЛЬТАТЫ ТЕОРЕТИЧЕСКИХ ИССЛЕДОВАНИЙ ПРОЦЕССА УПРАВЛЕНИЯ ПОЛОЖЕНИЕМ ПЛАТФОРМЫ СТРОИТЕЛЬНОЙ МАШИНЫ

Целью теоретических исследований являлся анализ и синтез основных параметров процесса управления положением платформы строительной машины на основе математической модели процесса управления положением платформы строительной машины.

4.1. Обоснование параметров, подлежащих исследованию

Предварительным этапом теоретических исследований математической модели процесса управления положением платформы строительной машины выступало распределение параметров модели на три основные группы:

1)параметры, имеющие фиксированные значения;

2)параметры, носящие случайный характер;

3)параметры, варьируемые в процессе исследования.

Данное разделение параметров необходимо для определения области исследований и выявления параметров, влияющих на процесс управления положением платформы строительной машины.

К фиксированным параметрам математической модели процесса управления положением платформы следует относить:

геометрические и физические параметры платформы: a, b,

mплат;

геометрические и

физические

параметры

гидропривода:

Lmin конт, Lmax констр, Lmin пред,

Lmax пред, Rmin, Rцил , kл,

dл,

Lл , Eж, Eл , δл,

λл, ρж, νж, Lлин, Lсл, dц, dш, ц, Ец, μб, fб,

fлн, μлс,

fлс,

c1, с2, с3, m зол,

mц, зол;

 

 

 

 

параметры системы управления: заданные значения αzзад. Параметром математической модели процесса управления по-

ложением платформы строительной машины, имеющим случайный характер, является начальный угол наклона платформы в горизонтальной плоскости αz.

89