Материал: 2334

Внимание! Если размещение файла нарушает Ваши авторские права, то обязательно сообщите нам

 

 

 

 

 

 

1

 

dц

 

2

2

 

 

 

kш Vш 0,25 Sш max

Sш

dц dш

 

E

ж

ц

E

, (3.51)

 

 

 

 

 

 

 

 

ц

где Vш – «мертвый» объем

штоковой

полости

гидроцилиндра;

S’ш max – длина штока гидроцилиндра.

 

 

 

 

 

 

 

 

 

 

Рис. 3.28. Структурная схема гидроцилиндра

 

 

 

Знак скорости движения штока гидроцилиндра при его выдвижении положителен, что соответствует выдвижению опоры. При втягивании штока знак скорости отрицателен, что соответствует поднятию опоры. Уравнения (3.47) – (3.51) позволяют представить гидроцилиндр в виде структурной схемы. Структурная схема гидроцилиндра представлена на рис. 3.28. Значения коэффициентов передачи:

kгц1 0,25 dц2 dш2 ;

(3.52)

kгц2 0,25 dц2;

(3.53)

70

kгц3 4( dц2); (3.54)

 

4

(3.55)

kгц4

dц2 dш2 .

 

Структурная схема гидроцилиндра состоит из двух частей: верхняя соответствует выдвижению штока гидроцилиндра при xзол > xзол1, а нижняя часть соответствует втягиванию штока гидроцилиндра при xзол < xзол2. Переключение ветвей структурной схемы осуществляется сигналом управления xупр:

1 при xзол xзол1;

xупр 0 при xзол2 xзол xзол1; (3.56)1 при xзол xзол2.

На рис. 3.29 представлена зависимость перемещения золотника от сигнала управления xупр гидрораспределителем.

xупр

 

 

 

1

 

 

xзол

 

 

xзол2

 

 

0

xзол1

–1

Рис. 3.29. Сигнал управления переключением линии структурной схемы гидроцилиндра

Электрогидравлические распределители достаточно хорошо изучены и имеют различные математические модели, которые зависят от принятых при их описании допущений [1, 2, 15, 26].

Принятые в работе допущения позволяют принять динамическую модель электрогидравлического распределителя, предложенную в ра-

ботах [1, 2, 15, 26]:

m

зол

 

d2x

зол

c

 

 

dx

зол

c

 

x

зол

c

i

расп

,

(3.57)

dt2

 

dt

 

 

 

 

2

 

 

3

 

1

 

 

 

где c1 – линеаризованный коэффициент пропорциональности между током в обмотках электромагнита и силой тяги электромагнита; с2 – коэффициент вязкого трения в золотнике; с3 – коэффициент упругой

71

деформации пружин, удерживающих золотник в нейтральном положении; mзол – масса сердечника электромагнита и золотника.

xзол min xзол xзол max .

(3.58)

Передаточная функция электрогидравлического распределителя с учетом запаздывания [1, 2, 15, 26]:

 

 

p

x

зол

p

 

 

k e τзол p

 

 

 

W

 

 

 

 

 

 

 

1

 

 

,

(3.59)

зол

i

 

 

p

T2

p2 T

 

 

 

 

расп

 

зол2

p 1

 

 

 

 

 

 

 

 

зол1

 

 

 

 

где k1 – коэффициент усиления; Тзол1 и Тзол2 – постоянные времени; зол

– время запаздывания электрогидравлического распределителя.

k1 c1 c3 ;

 

(3.60)

Т2

m

зол

c ;

(3.61)

зол1

 

3

(3.62)

Tзол2 c2

c3 .

Гидрораспределитель представляет собой сочетание местных сопротивлений, образованных каналами золотника. Математическое описание гидрораспределителя сводится к рассмотрению двух расчетных положений, отражающих процесс втягивания и выдвижения штока. Уравнение расходов и давлений для открытых гидросистем [1, 2, 15, 26]:

Q

μ

б

f

б

 

2 1

р

л

,

(3.63)

б

 

 

 

ж

 

 

 

где Qб – расход рабочей жидкости через гидролинию разгрузки насоса; μб – коэффициент расхода в гидролинии разгрузки насоса; fб – площадь проходного сечения местных сопротивлений в гидролинии разгрузки насоса.

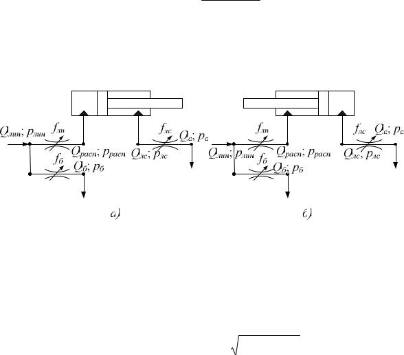
На рис. 3.30 представлены расчетные положения гидрораспределителя, соответствующие втягиванию и выдвижению штока гидроцилиндра.

Qрасп Qлин Qб;

(3.64)

рлин ррасп ррасп,

(3.65)

где рpасп – перепад давления на выходе из гидрораспределителя.

72

рpасп

ж Qp2асп

,

(3.66)

2 лн2 fлн2

где μлн – коэффициент расхода на входе в гидрораспределитель; fлн – площадь проходного сечения местных сопротивлений в напорном канале гидрораспределителя.

Рис. 3.30. Расчетные положения гидрораспределителя, соответствующие: а – выдвижению штока гидроцилиндра; б – втягиванию штока

Давление в сливном канале гидрораспределителя открытой гидросистемы определяется расходом жидкости и площадью проходного сечения местного сопротивления [1, 2, 15, 26]:

Q

лс

f

лс

 

2 1

р

лс

,

(3.67)

с

 

 

ж

 

 

 

где Qс – расход рабочей жидкости через сливной канал гидрораспределителя; μлс – коэффициент расхода в сливном канале гидрораспределителя; fлс – площадь проходного сечения местных сопротивлений в сливном канале гидрораспределителя;

рлс рс рлс,

(3.68)

где рлс – перепад давления на выходе из гидрораспределителя;

 

 

 

ж

Q2

 

 

рлс

 

 

 

лс

,

(3.69)

2 лс2

fлс2

 

 

 

 

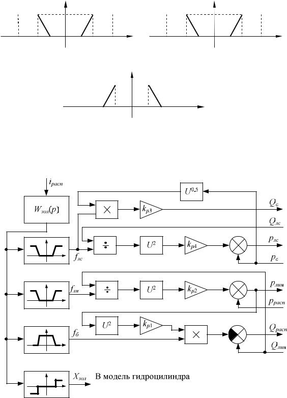
где μлс – коэффициент расхода на выходе из гидрораспределителя. Площади проходных сечений каналов золотника зависят от по-

ложения золотников и представлены трапецеидальными зависимостями на рис. 3.31.

73

 

 

 

 

fлн

fлн max

 

 

 

 

 

 

 

 

 

 

 

 

 

fлс

fлс max

 

 

 

 

 

 

 

 

 

 

 

 

 

 

 

 

 

 

 

 

 

 

 

 

 

 

 

 

 

 

0

 

 

 

 

 

 

 

 

xзол

 

 

 

 

 

0

 

 

 

 

 

 

xзол

xзол min

 

x

зол2

 

 

xзол

1

xзол max

 

 

 

xзол min

x

зол2

 

 

xзол

1

 

xзол max

 

 

xзол4

 

xзол3

 

 

 

 

 

xзол4

 

б)

 

xзол3

 

 

 

 

 

 

а)

 

 

 

 

 

fб

 

 

 

 

 

 

 

 

 

 

 

 

 

 

 

 

 

 

 

 

 

 

 

 

 

 

 

fб max

 

 

 

 

 

 

 

 

 

 

 

 

 

 

 

 

 

 

 

 

 

 

 

 

 

 

 

 

 

 

 

 

 

 

 

 

 

 

 

 

 

 

0

 

 

 

 

 

 

 

 

xзол

 

 

 

 

 

 

 

 

 

 

 

 

xзол

min

 

xзол2

 

xзол1

 

 

xзол

max

 

 

 

 

 

 

 

 

 

 

 

 

 

 

 

 

 

 

xзол4

 

 

 

xзол3

 

 

 

 

 

 

 

 

 

в)

Рис. 3.31. Площади проходных сечений каналов золотника, соответствующие: а – напорному каналу; б – сливному каналу; в – перепускному каналу

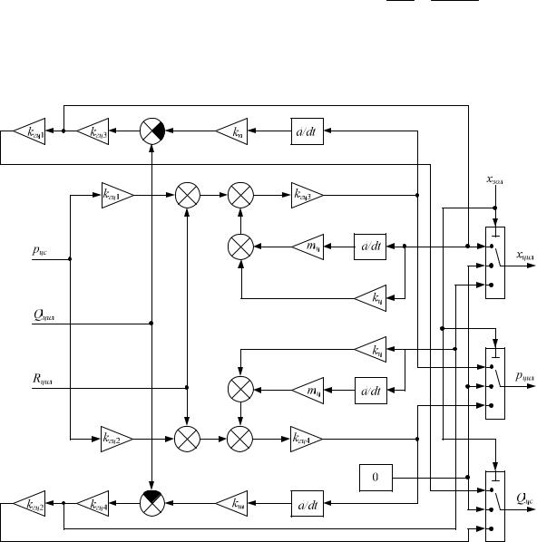
Рис. 3.32. Структурная схема электрогидравлического распределителя

Выражения (3.56) – (3.69) и представленные на рис. 3.32 графические зависимости площадей проходных сечений каналов золотника

74