Материал: 2020

Внимание! Если размещение файла нарушает Ваши авторские права, то обязательно сообщите нам

В измерительный комплекс входят кинокамеры 2, устанавливаемые над каждым колесом автомобиля и ориентированные перпендикулярно поверхности дороги и параллельно продольной оси автомобиля. При установке камеры над управляемым колесом в поле ее "зрения" находится планка 4, закрепленная на цапфе колеса, что позволяет фиксировать его угол поворота. При движении автомобиля неровности (вкрапления) дороги во время работы кинокамеры "смазываются" в кадре, фиксируя поло-

жение вектора скорости колес. Получая одновременно данные о векторе

скорости угле поворота колеса 1, вычисляют угол увода. Одновременно

с помощью тензоступ цы 3 фиксируют боковые реакции.

С

 

Тема 3.2. Определение жесткости рулевого управления

Показатели жесткости при расчетных (имитационных) исследова-

ниях управляемости

устойчивости автомобиля с учетом влияния кине-

матики рулевого

.

управления

бА

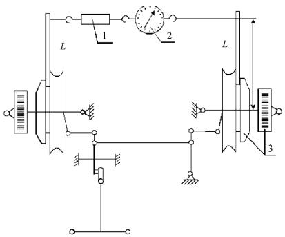
На р с. 8 представлена схема определения жесткости рулевого управления. Показатели жесткости необходимы при расчетных (имитационных) исследованиях управляемости и устойчивости автомобиля с учетом влияния кинематики рулевого управления.

Д И

Рис. 8. Схема нагружения (растяжение) рулевого привода для определения его жесткости: 1 – нагружающее устройство (стяжка); 2 – динамометр;

3 – измеритель угла поворота вследствие деформации деталей рулевого привода; L – рычаги нагружения (L = 1 м)

41

Для записи динамических параметров движения может использоваться измерительный комплекс Corrsys Datron, позволяющий определять до 25 параметров движения автомобиля. Основными датчиками комплекса являются: датчик скорости и увода Datron (рис. 9), двухкоординатный бесконтактный измеритель скорости и угла положения кузова Datron, угол

– до 80°, скорость до 40 м/с, измеритель положения колеса по осям х, у, z С150 мм, угол поворота ±45º, наклона ±10º, измерительный руль, измеритель колебаний колес, измеритель тормозного усилия Datron, а также

электронно-выч сл тельный блок сбора данных.

и бА

Рис. 9. ИзмерительныйДкомплекс Corrsys Datron

Тема 3.3. Определение силовых характеристикИавтомобиля

с помощью дорожных тестеров

Система нагружения и измерения основных систем автотестеров. Принципиальные схемы дорожных силовых тестеров.

Возможные принципиальные схемы силовых автотестеров представлены на рис. 10. Базовыми элементами каждой из них являются: динамометрическая сцепка, обеспечивающая захват объекта испытаний с сохранением ему некоторых степеней свободы и фиксации остальных через си-

42

лоизмерительные устройства; замыкающее устройство, обеспечивающее объекту испытаний заданную траекторию движения; тягово-тормозное устройство, обеспечивающее объекту испытаний заданный скоростной режим.

С

и

Р с. 10. Пр нц п альные схемы дорожных силовых тестеров:

1

спытаний; 2 – основная рама автотестера; 3 – тягач;

 

А

 

4 – направляющая; 5 – балластное устройство

АвтотестеробъектМАМИ предназначен для прямого измерения управ-

ляющих и стабилизирующих реакций легковых автомобилей при имита-

ции различных условий движения (рис. 11). Он позволяет независимо за-

 

Д

давать автомобилю продольный и поперечный крены, а также угол увода

(рыскания) автомобиля относительно траектории движения. Кроме того,

испытуемый автомобиль оснащается дополнительными устройствами для

задания и фиксации угла поворота управляемых колес, положения педали

подачи топлива,

усилия на тормозной педали. ля возможности испыта-

 

И

ния автомобиля в тяговом режиме он оснащается полуавтоматическим приводом сцепления и механизмом переключения передач.

Рис. 11. Принципиальная схема стационарного силового тестера МАМИ

43

Несмотря на такую сложность, автотестер позволяет получить точную и разнообразную информацию о силовых параметрах динамики автомобиля. При проведении экспериментальных исследований регистрируются следующие основные параметры: угол поворота рулевого колеса;

угол дрейфа автомобиля; суммарная боковая (поперечная) реакция; суммарный момент относительно вертикальной оси, а также скорость движения автомобиля; угол продольного крена кузова; угол поперечного крена кузова; время эксперимента. Обработка исходной информации, полученной при спытан ях "связка", выполняется с помощью пакета прикладных программ "StabCon".

С

 

Тема 3.4. Комплекс исследований шума и вибрации

Пр менен е

комплексов, оснащенных стендовым

сследовательских оборудован ембА, змер тельной, анализирующей и вычислительной техни-

кой. Требован я стандартов по ограничению шума и вибрации транспортных средств. Процессы разра отки, направленные на исследование шума и в брац .

Внешний шум автомо иля – совокупность звуков, производимых механизмами, системами и узлами автомобиля при его работе (функционировании) и представляющих со ой волновое механическое движение частиц (акустические колебания) воздушной среды с большим числом

Выпуску каждой новой модели автомобиляДобязательно предшествуют испытания, в которых определяют характеристики наружного и внутреннего шума на различных режимах работы. Целью таких испытаний является проверка соответствия возникающего при движении автомобиля шума действующим нормам по шумности.

частот различных амплитуд.

Шумность работы автомобиля. При движении автомобиля двигатель, трансмиссия, подвеска, шины и панели кузова являются источника-

ми шума. Шум возникает также от потоков воздуха, обтекающих кузов. И

Методика проведения доводочных, приемочных и контрольных ис-

пытаний автомобилей по уровням внешнего и внутреннего шумов регламентирована ГОСТ 31333–2006 (ИСО 71881994) "Шум машин. змерение шума легковых пассажирских автомобилей в условиях, соответствующих городскому движению", который предусматривает испытания автомобиля в движении.

44

Измерение шума выполняют при двух вариантах движения:

a)при разгоне с заданной скоростью при полной подаче топлива (полностью открытой дроссельной заслонке);

b)при движении с той же заданной постоянной скоростью.

Чтобы получить уровень шума, характерный для условий городского движения, результаты обоих испытаний объединяют следующим способом.

Расчет характеристического уровня звука автомобиля. Звуки разной частоты, создающ е одинаковое (физическое) звуковое давление,

субъективно воспр н маются органом слуха человека как имеющие не-

одинаковую громкость. Разработаны поправки для учёта физической и

субъективной громкости. Измерение шума и ограничения максимально

С

 

 

громкости о ычно делают с коррекцией А (обозначение дБА).

муле

Характер ст ческ й уровень звука LR, дБА, рассчитывают по фор-

LR = Lacc K (Lacc Lc),

(7)

 

допустимой

 

 

б

 

где Lacc – макс мальный уровень звука, измеренный при испытаниях при

 

дБА

разгоне, дБА; Lc – макс мальный уровень звука, измеренный при испыта-

ниях с постоянной скоростью,

; K – весовой коэффициент, зависящий

от относительной мощности и системы трансмиссии.

Коэффициент K равен:

Д

- K = 0,8;

 

- K = 0,3+5P/m для автомобилей с ручным управлением коробкой

передач или без коробки передач;

 

- K = 0,2+5P/m для автомобилей с автоматической коробкой передач,

в зависимости от того, какое значение меньше, где P – максимальная

мощность двигателя, кВт; m – масса снаряженного автомобиля, указанная И

изготовителем, кг.

Протокол испытаний. В протокол испытаний включают следующую информацию:

a) ссылку на действующий стандарт; b) требования к месту испытаний:

c) характеристику испытательной трассы и погодные условия;

d) сведения об измерительной аппаратуре (включая ветровой экран, если применяется);

e) уровень звука фонового шума;

f) идентификационные данные автомобиля, двигателя, системы трансмиссии и ее типа, включая давление в шинах;

45