С |
|
|
|
|
|
|
|
|
|
|
|
|
|
|
|
|
|
|
|
|
|
|
|
|
||||||||||||
|
|
|
Р |
с. 10. К немат |
ческая цепь главного движения условного станка |
|
|
|||||||||||||||||||||||||||||
|
|
|
|
|
|
|
|
|
|
|
|
|
|
|
|
|
(вариант № 10) |
|
|
|
|
|
|
|
|
|
|
|||||||||
|
|
|
|
10. Ч сло о оротов электродвигателя, диаметры шкивов ременной |
|
|
||||||||||||||||||||||||||||||
|
Таблица |
|
|
|
|
|
|
|
|
|
|
|
|
|
|
|
|
|
|
|||||||||||||||||
|
передачи |
ч |
|
сла зу ьев зу чатых колес (вариант № 10) |
|
|
|
|
|
|
|
|
||||||||||||||||||||||||
|
|
|
|
|
|
|
|
|
|
|
|
|
|
|
|
|
|
|
|
|
|
|
|
|
|
|
|
|
|
|
|
|
|
|
|
|
|
nЭ |
|
|
d1 |
|
d2 |
|
Z1 |
|
Z2 |
|
Z3 |
|
Z4 |
|
Z5 |
|
Z6 |
Z7 |
|
Z8 |
Z9 |
Z10 |
Z11 |
||||||||||||
|
1100 |
|
|
180 |
|
340 |
|
27 |
|
47 |
|
63 |
|
67 |
|
44 |
|
23 |
|
31 |
|
|
28 |
|
42 |
|
51 |
72 |
|
|||||||
|
|
|
|
|
|
|
|
|
|
|
|
|
|
|
|
|
|
|
|
|
|
|
|
|
|
|
||||||||||
|
Z12 |
|
Z13 |
|
Z14 |
|
Z15 |
|
Z16 |
|
Z17 |
|
Z18 |
|
Z19 |
Z20 |
|
Z21 |
|
Z22 |
|
Z23 |
|
Z24 |
Z25 |
|||||||||||
|
46 |
|
69 |
|
26 |
|
31 |
|
72 |
|
21 |
|
37 |
|
68 |
46 |
|
26 |
|
|
67 |
|
59 |
|
49 |
34 |
|
|||||||||
|
|
|
|
|
|
|
|
|
|
|
|
|
|
|
|
|
Вариант № 11 |
|
|
|
|
|
|
|
|
|
|
|||||||||
|
|
|
1. Обработка заготовок на токарно-винторезных станках: дать ха- |
|||||||||||||||||||||||||||||||||
|
|
|
|
|
|
|
бА |
|
|
|
|
|
|
|
||||||||||||||||||||||
|
рактеристику метода точения, привести схему токарно-винторезного |
|||||||||||||||||||||||||||||||||||
|
станка с описанием, привести схемы обработки заготовок на токарно- |
|||||||||||||||||||||||||||||||||||
|
винторезном станке с описанием. |
|
|
|
|
|
|
|
|
|
|
|
|
|
|
|
||||||||||||||||||||
|
|
|
2. Протяжки: привести эскиз круглой протяжки с указанием эле- |
|||||||||||||||||||||||||||||||||
|
ментов и углов заточкизуба. Дать Дописание. |
|
|
|||||||||||||||||||||||||||||||||
|
|
|
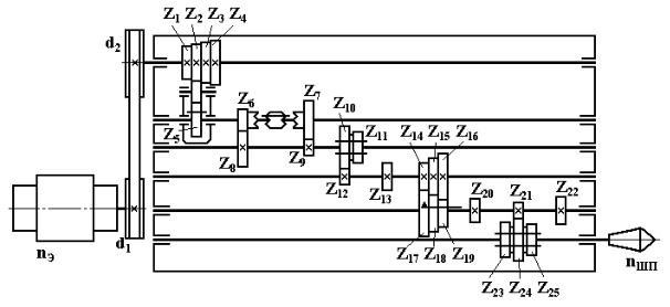
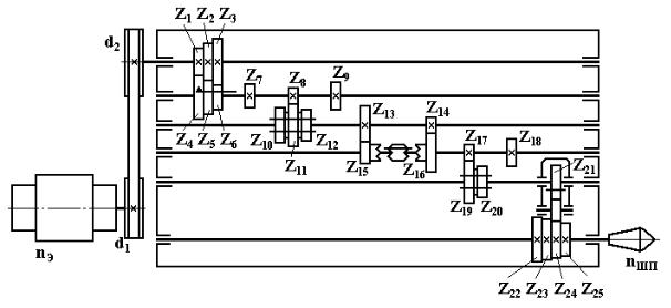
3. Провести анализ кинематической цепи главного движения ус- |
|||||||||||||||||||||||||||||||||
ловного станка, приведенной на рис. 11, Ивключающий написание уравнений кинематического баланса в общем и развернутом видах. Определить количество скоростей вращения шпинделя, максимальные и минимальные значения оборотов шпинделя.
Коэффициент проскальзывания ременной передачи принять равным 0,985. Значения остальных исходных данных приведены в табл. 11.
С |
|
|
|
|
|
|
|
|
|
|
|
|
|
|
|
|
|
|
|
|
|
|
|
|
|||||||||||
|
передачич сла зу ьев зу чатых колес (вариант № 11) |
|
|
|
|
|
|
|
|
||||||||||||||||||||||||||
|
|
|
Р с. 11. К немат |
ческая цепь главного движения условного станка |
|
|
|
||||||||||||||||||||||||||||
|
|
|
|
|
|
|
|
|
|
|
|
|
|
|
|
(вариант № 11) |
|
|
|
|
|
|
|
|
|
|
|
||||||||
|
Таблица 11. Ч сло о оротов электродвигателя, диаметры шкивов ременной |
|
|
|
|||||||||||||||||||||||||||||||
|
|
|
|
|
|
|
|
|
|
|
|
|
|
|
|
|
|
|
|
|
|
|
|
|
|
|
|
|
|
|
|
|
|
|
|
|
nЭ |
|
d1 |
|
d2 |
|
Z1 |
|
Z2 |
|
Z3 |
|
Z4 |
|
Z5 |
|
Z6 |
|
Z7 |
Z8 |
Z9 |
Z10 |
Z11 |
||||||||||||
|
1290 |
|
170 |
|
260 |
|
33 |
|
43 |
|
52 |
|
56 |
|
52 |
|
39 |
|
37 |
|
29 |
|
34 |
|
58 |
24 |
|
|
|||||||
|
|
|
|
|
|
|
|
|
|
|
|
|
|
|
|
|
|
|
|
|
|
|
|
|
|
|
|||||||||
|
Z12 |
|
Z13 |
|
Z14 |
|
Z15 |
|
Z16 |
|
Z17 |
|
Z18 |
|
Z19 |
Z20 |
|
Z21 |
|
Z22 |
|
Z23 |
|
Z24 |
Z25 |
||||||||||
|
68 |
|
61 |
|
32 |
|
28 |
|
82 |
|
67 |
|
63 |
|
54 |
34 |
48 |
|
43 |
|
34 |
|
28 |
28 |
|
|
|||||||||
|
|
|
|
|
|
|
|
|
|
|
|
|
|
|
|
|
|
|
Д |
|
|
|
|||||||||||||
|
|
|
|
|
|
|
|
|
|
|
|
|
|
|
|
Вариант № 12 |
|
|
|
|
|
|
|
|
|
|
|
||||||||
|
|
|
1. ОбработкабАзаготовок на горизонтально- и вертикально- |
||||||||||||||||||||||||||||||||
|
фрезерных станках: дать характеристику метода фрезерования, привести |
||||||||||||||||||||||||||||||||||
|
схемы горизонтально-фрезерного и вертикально-фрезерного станков с |
||||||||||||||||||||||||||||||||||
|
описанием, |
привести схемы обработки заготовок на горизонтально- и |
|||||||||||||||||||||||||||||||||
|
вертикально-фрезерных станках с описанием. |
И |
|||||||||||||||||||||||||||||||||
|
|
|
|
|
|
|
|
|
|
|
|
||||||||||||||||||||||||
|
|
|
2. Режущий инструмент |
для растачивания отверстий (применяе- |
|||||||||||||||||||||||||||||||
мый на расточных станках): привести эскизы инструментов с указанием углов заточки расточногорезца. Дать описание.
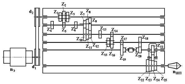
3. Провести анализ кинематической цепи главного движения условного станка, приведенной на рис. 12, включающий написание уравнений кинематического баланса в общем и развернутом видах. Определить количество скоростей вращения шпинделя, максимальные и минимальные значения оборотов шпинделя.
Коэффициент проскальзывания ременной передачи принять равным 0,985. Значения остальных исходных данных приведены в табл. 12.
С |
|
|
|
|
|
|
|
|
|
|
|
|
|
|
|
|
|
|
|
|
|
|
|
|||||||||||
|
Таблица |
|
|
|
|
|
|
|
|
|
|
|
|
|
|
|
|
|
||||||||||||||||
|
|
Р |
с. 12. К немат |
ческая цепь главного движения условного станка |
|
|||||||||||||||||||||||||||||
|
|
|
|
|
|
бА |
|
|
|
|
|
|
||||||||||||||||||||||
|
|
|
|
|
|
|
|
|
|
|
|
|
|
|
|
(вариант № 12) |
|
|
|
|
|
|
|
|
|
|||||||||
|
|
|
12. Ч сло о оротов электродвигателя, диаметры шкивов ременной |
|
||||||||||||||||||||||||||||||
|
передачи |
ч |
|
сла зу ьев зу чатых колес (вариант № 12) |
|
|
|
|
|
|
|
|||||||||||||||||||||||
|
nЭ |
|
|
d1 |
|
d2 |
|
Z1 |
|
Z2 |
|
Z3 |
|
Z4 |
|
Z5 |
|
Z6 |
Z7 |
|
Z8 |
Z9 |
Z10 |
Z11 |
||||||||||
|
840 |
|
|
90 |
|
580 |
|
29 |
|
56 |
|
37 |
|
39 |
|
29 |
|
26 |
|
26 |
|
|
44 |
|
52 |
|
62 |
53 |
||||||
|
Z12 |
Z13 |
|
Z14 |
|
Z15 |
|
Z16 |
|
Z17 |
|
Z18 |
|
Z19 |
Z20 |
|
Z21 |
|
Z22 |
|
Z23 |
|
Z24 |
Z25 |
||||||||||
|
37 |
44 |
|
29 |
|
32 |
|
54 |
|
27 |
|
61 |
|
53 |
22 |
|
17 |
|
|
56 |
|
54 |
|
37 |
34 |
|||||||||
ВариантД№ 13
1. Обработка заготовок на радиально-сверлильных станках: дать характеристику метода сверления, привести схему радиальносверлильного станка с описанием, привести схемы обработки заготовок на сверлильныхстанках с описанием.
2. Режущие инструменты для нарезки зубчатыхИколес по методу обкатки: привести эскизы инструментов с указанием углов заточки. Дать описание.
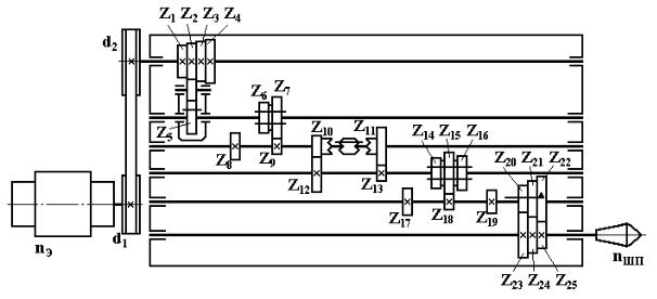
3. Провести анализ кинематической цепи главного движения условного станка, приведенной на рис. 13, включающий написание уравнений кинематического баланса в общем и развернутом видах. Определить количество скоростей вращения шпинделя, максимальные и минимальные значения оборотов шпинделя.
Коэффициент проскальзывания ременной передачи принять равным 0,985. Значения остальных исходных данных приведены в табл. 13.
С |
|
|
|
|
|
|
|
|
|
|
|
|
|
|
|
|
|
|
|
|
|
|
|
||||||||||||
|
Таблица |
|
|
|
|
|
|
|
|
|
|
|
|
|
|
|
|
|
|||||||||||||||||
|
|
|
Р |
с. 13. К немат |
ческая цепь главного движения условного станка |
|
|||||||||||||||||||||||||||||
|
|
|
|
|
|
|
бА |
|
|
|
|
|
|
||||||||||||||||||||||
|
|
|
|
|
|
|
|
|
|
|
|
|
|
|
|
|
(вариант № 13) |
|
|
|
|
|
|
|
|
|
|||||||||
|
|
|
|
13. Ч сло о оротов электродвигателя, диаметры шкивов ременной |
|
||||||||||||||||||||||||||||||
|
передачи |
ч |
|
сла зу ьев зу чатых колес (вариант № 13) |
|
|
|
|
|
|
|
||||||||||||||||||||||||
|
nЭ |
|
|
d1 |
|
d2 |
|
Z1 |
|
Z2 |
|
Z3 |
|
Z4 |
|
Z5 |
|
Z6 |
Z7 |
|
Z8 |
Z9 |
Z10 |
Z11 |
|||||||||||
|
1360 |
|
|
230 |
|
560 |
|
22 |
|
33 |
|
39 |
|
51 |
|
44 |
|
31 |
|
61 |
|
|
72 |
|
29 |
|
58 |
41 |
|||||||
|
Z12 |
|
Z13 |
|
Z14 |
|
Z15 |
|
Z16 |
|
Z17 |
|
Z18 |
|
Z19 |
Z20 |
|
Z21 |
|
Z22 |
|
Z23 |
|
Z24 |
Z25 |
||||||||||
|
29 |
|
34 |
|
28 |
|
38 |
|
48 |
|
62 |
|
51 |
|
38 |
33 |
|
28 |
|
|
36 |
|
48 |
|
73 |
41 |
|||||||||
описанием. Д 2. Токарные резцы: привести эскизы инструментов с описанием,
Вариант № 14
1. Обработка заготовок на зубофрезерных станках: дать характери-
стику двух методов формообразования зубьев зубчатых колес – копирования и обкатки, привести схему зубофрезерного станка с описанием, привести схемы нарезания зубчатых колес на зубофрезерном станке с
привести эскизы элементов и углов заточки токарного проходного резца
с описанием.
И
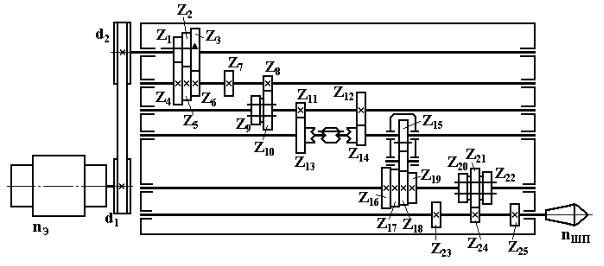
3. Провести анализ кинематической цепи главного движения условного станка, приведенной на рис. 14, включающий написание уравнений кинематического баланса в общем и развернутом видах. Определить количество скоростей вращения шпинделя, максимальные и минимальные значения оборотов шпинделя.
Коэффициент проскальзывания ременной передачи принять равным 0,985. Значения остальных исходных данных приведены в табл. 14.
С |
|
|
|
|
|
|
|
|
|
|
|
|
|
|
|
|
|
|
|
|
|
|
|
|||||||||||
|
Таблица |
|
|
|
|
|
|
|
|
|
|
|
|
|
|
|
|
|
||||||||||||||||
|
|
Р |
с. 14. К немат |
ческая цепь главного движения условного станка |
|
|||||||||||||||||||||||||||||
|
|
|
|
|
|
бА |
|
|
|
|
|
|
||||||||||||||||||||||
|
|
|
|
|
|
|
|
|
|
|
|
|
|
|
|
(вариант № 14) |
|
|
|
|
|
|
|
|
|
|||||||||
|
|
|
14. Ч сло о оротов электродвигателя, диаметры шкивов ременной |
|
||||||||||||||||||||||||||||||
|
передачи |
ч |
|
сла зу ьев зу чатых колес (вариант № 14) |
|
|
|
|
|
|
|
|||||||||||||||||||||||
|
nЭ |
|
|
d1 |
|
d2 |
|
Z1 |
|
Z2 |
|
Z3 |
|
Z4 |
|
Z5 |
|
Z6 |
Z7 |
|
Z8 |
Z9 |
Z10 |
Z11 |
||||||||||
|
970 |
|
|
130 |
|
580 |
|
16 |
|
31 |
|
38 |
|
47 |
|
41 |
|
44 |
|
71 |
|
|
49 |
|
29 |
|
29 |
46 |
||||||
|
Z12 |
Z13 |
|
Z14 |
|
Z15 |
|
Z16 |
|
Z17 |
|
Z18 |
|
Z19 |
Z20 |
|
Z21 |
|
Z22 |
|
Z23 |
|
Z24 |
Z25 |
||||||||||
|
69 |
34 |
|
36 |
|
62 |
|
59 |
|
38 |
|
23 |
|
27 |
36 |
|
41 |
|
|
51 |
|
73 |
|
48 |
33 |
|||||||||
ВариантД№ 15
1. Обработка заготовок на горизонтально-расточных станках: дать характеристику метода растачивания, привести схему горизонтальнорасточного станка с описанием, привести схемы обработки заготовок на горизонтально-расточных станках с описанием.
2. Фрезы для обработки заготовок на вертикальноИ-фрезерных станках: привести эскизы инструментов с описанием, привести эскиз зуба торцовой фрезы с указанием режущих кромок и углов заточки с описанием.
3. Провести анализ кинематической цепи главного движения условного станка, приведенной на рис. 15, включающий написание уравнений кинематического баланса в общем и развернутом видах. Определить количество скоростей вращения шпинделя, максимальные и минимальные значения оборотов шпинделя.
Коэффициент проскальзывания ременной передачи принять равным 0,985. Значения остальных исходных данных приведены в табл. 15.