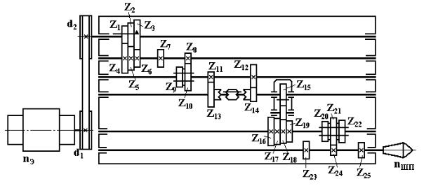
делить количество скоростей вращения шпинделя, максимальные и минимальные значения оборотов шпинделя.
Коэффициент проскальзывания ременной передачи принять равным 0,985. Значения остальных исходных данных приведены в
|
табл. 5. |
|
|
|
|
|
|
|
|
|
|
|
|
|
|
|
|
|
|
|
|
|
|
|
|
|
|
|
|
||||
С |
|
|
|
|
|
|
|
|
|
|
|
|
|
|
|
|
|
|
|
|
|
|
|
|
|||||||||
|
и |
|
|
|
|
|
|
|
|
|
|
|
|
|
|
|
|
||||||||||||||||
|
Рис. 5. К немат |
ческая цепь главного движения условного станка (вариант № 5) |
|||||||||||||||||||||||||||||||
|
Таблица 5. Числобо оротов электродвигателя, диаметры шкивов ременной |
|
|
|
|||||||||||||||||||||||||||||
|
передачи и числа зу ьев зу чатых колес (вариант № 5) |
|
|
|
|
|
|
|
|
||||||||||||||||||||||||
|
nЭ |
|
d1 |
|
d2 |
|
Z1 |
|
Z2 |
|
Z3 |
Z4 |
Z5 |
Z6 |
|
Z7 |
Z8 |
Z9 |
Z10 |
Z11 |
|
||||||||||||
|
1620 |
|
220 |
|
270 |
|
29 |
|
46 |
|
59 |
64 |
39 |
|
23 |
|
34 |
|
23 |
|
44 |
|
46 |
74 |
|
|
|||||||
|
|
|
|
|
|
|
|
|
|
|
|
|
|
А |
|
|
|
|
|
|
|
|
|
|
|||||||||
|
|
|
|
|
|
|
|
|
|
|
|
|
|
|
|
|
|
|
|
|
|
||||||||||||
|
Z12 |
|
Z13 |
|
Z14 |
Z15 |
|
Z |
16 |
Z17 |
Z18 |
Z19 |
Z20 |
Z21 |
Z22 |
|
Z23 |
|
Z24 |
Z25 |
|||||||||||||
|
42 |
|
62 |
|
22 |
28 |
|
|
76 |
|
22 |
|
37 |
|
67 |
|
41 |
27 |
|
62 |
|
54 |
|
44 |
33 |
|
|
||||||
|
|
|
|
|
|
|
|
|
|
|
|
|
|
|
|
Вариант № 6 |
|
|
|
|
|
|
|
|
|
|
|
||||||
|
|
|
1. Обработка заготовок на бесцентрово-шлифовальных станках: |
||||||||||||||||||||||||||||||
|
дать характеристику метода шлифованияД, привести схему бесцентрово- |
||||||||||||||||||||||||||||||||
|
шлифовального станка с описанием, привести схемы обработки загото- |
||||||||||||||||||||||||||||||||
|
вок на бесцентрово-шлифовальных станках с описанием. |
|
|
|
|
|
|
||||||||||||||||||||||||||
|
|
|
2. Осевой режущий инструмент (применяемый на сверлильных |
||||||||||||||||||||||||||||||
|
станках): привести эскизы инструментов с описанием, привести эскизы |
||||||||||||||||||||||||||||||||
|
|
|
|
|
|
|
|
|
|
|
|
|
|
|
|
|
|
|
|
|
|
|
И |
||||||||||
частей, элементови углов заточки спиральногосверла с описанием.
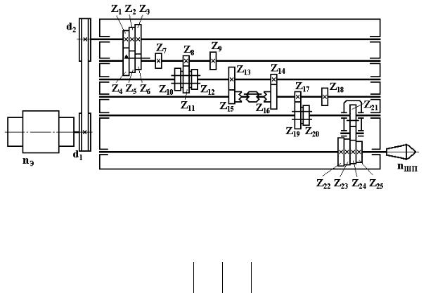
3. Провести анализ кинематической цепи главного движения условного станка, приведенной на рис. 6, включающий написание уравнений кинематического баланса в общем и развернутом видах. Определить количество скоростей вращения шпинделя, максимальные и минимальные значения оборотов шпинделя.
Коэффициент проскальзывания ременной передачи принять равным 0,985. Значения остальных исходных данных приведены в табл. 6.
С |
|
|
|
|
|
|
|
|
|
|
|
|
|
|
|
|
|
|
|
|
|
|
|
|
|
||||||||||
|
Рис |
|
|
|
|
|
|
|
|
|
|
|
|
|
|
|
|
|
|||||||||||||||||
|
|
|
|
|
|
б |
|
|
|
|
|
|
|
|
|
|
|
|
|||||||||||||||||
|
. 6. К немат |
ческая цепь главного движения условного станка (вариант № 6) |
|||||||||||||||||||||||||||||||||
|
Таблица 6. Ч сло о оротов электродвигателя, диаметры шкивов ременной |
|
|||||||||||||||||||||||||||||||||
|
|
|
|
|
|
|
|
|
|
|
|
А |
|
|
|
|
|
|
|||||||||||||||||
|
передачи и числа зу ьев зу чатых колес (вариант № 6) |
|
|
|
|
|
|
|
|||||||||||||||||||||||||||
|
nЭ |
|
d1 |
|
|
d2 |
|
Z1 |
|
Z2 |
|
Z3 |
|
Z4 |
|
Z5 |
|
Z6 |
Z7 |
|
Z8 |
Z9 |
Z10 |
Z11 |
|||||||||||
|
1750 |
|
160 |
|
310 |
|
32 |
|
37 |
|
46 |
|
59 |
|
54 |
|
44 |
|
39 |
|
|
21 |
|
31 |
|
64 |
21 |
||||||||
|
Z12 |
|
Z13 |
|
Z14 |
|
Z15 |
|
|
Z16 |
|
Z17 |
|
Z18 |
|
Z19 |
Z20 |
|
Z21 |
|
Z22 |
|
Z23 |
|
Z24 |
Z25 |
|||||||||
|
69 |
|
62 |
|
34 |
|
32 |
|
|
83 |
|
67 |
|
61 |
|
46 |
34 |
|
47 |
|
|
42 |
|
38 |
|
28 |
32 |
||||||||
|
|
|
|
|
|
|
|
|
|
|
|
|
|
|
|
|
|
|
|
|
|
Д |
|
||||||||||||
|
|
|
|
|
|
|
|
|
|
|
|
|
|
|
|
|
Вариант № 7 |
|
|
|
|
|
|
|
|
|
|||||||||
|
|
|
1. Обработка заготовок на продольно-фрезерных станках: дать ха- |
||||||||||||||||||||||||||||||||
рактеристику метода фрезерования, привести схему продольно- |
|
фрезерного станка с описанием, привести схему обработки заготовки на |
|
продольно-фрезерном станке с описанием. |
И |
|
|
2. Токарные резцы: привести эскизы инструментов с описанием, привести эскизы элементов и углов заточки токарного проходного резца с описанием.
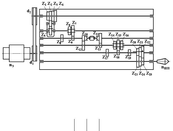
3. Провести анализ кинематической цепи главного движения условного станка, приведенной на рис. 7, включающий написание уравнений кинематического баланса в общем и развернутом видах. Определить количество скоростей вращения шпинделя, максимальные и минимальные значения оборотов шпинделя.
Коэффициент проскальзывания ременной передачи принять равным 0,985. Значения остальных исходных данных приведены в табл. 7.
С |
|
|
|
|
|
|
|
|
|
|
|
|
|
|
|
|
|
|
|
|
|
|
|
||||||||||||
|
передачи |
|
|
|
|
|
|
|
|
|
|
|
|
|
|
|
|
|
|||||||||||||||||
|
Рис. 7. К |
немат ческая цепь главного движения условного станка (вариант № 7) |
|||||||||||||||||||||||||||||||||
|
Таблица 7. |
|
|
б |
|
|
|
|
|
|
|
|
|
|
|
|
|||||||||||||||||||
|
Ч сло о оротов электродвигателя, диаметры шкивов ременной |
|
|
||||||||||||||||||||||||||||||||
|
|
|
|
|
|
|
|
сла зу ьев зу чатых колес (вариант № 7) |
|
|
|
|
|
|
|
||||||||||||||||||||
|
nЭ |
|
d1 |
|
d2 |
|
Z1 |
|
Z2 |
|
Z3 |
|
Z4 |
|
Z5 |
|
Z6 |
|
Z7 |
Z8 |
|
Z9 |
Z10 |
Z11 |
|
||||||||||
|
1220 |
|
220 |
|
290 |
|
32 |
|
62 |
|
36 |
|
36 |
|
27 |
|
29 |
|
31 |
|
43 |
|
53 |
|
56 |
53 |
|
||||||||
|
|
|
|
|
|
|
|
|
|
|
|
|
|
|
|
|
|
|
|
|
|
|
|
|
|
|
|
||||||||
|
Z12 |
|
Z13 |
|
|
Z14 |
|
Z15 |
|
Z16 |
|
Z17 |
|
Z18 |
|
Z19 |
Z20 |
|
Z21 |
|
Z22 |
|
Z23 |
|
Z24 |
Z25 |
|||||||||
|
38 |
|
39 |
|
|
28 |
|
34 |
|
46 |
|
29 |
|
62 |
|
52 |
28 |
31 |
|
59 |
51 |
|
37 |
31 |
|
||||||||||
|
|
|
|
|
|
|
|
|
|
|
|
|
|
|
|
|
Вариант № 8 |
|
|
|
|
|
|
|
|
|
|
||||||||
|
|
|
|
|
|
|
|
|
|
|
|
|
|
|
|
|
|
|
|
Д |
|
|
|||||||||||||
|
|
|
1. Станки с ЧПУ: указать направления автоматизации на базе стан- |
||||||||||||||||||||||||||||||||
|
ков с ЧПУ, преимуществаАстанков с ЧПУ, привести схему станка с шаго- |
||||||||||||||||||||||||||||||||||
|
выми двигателями с описанием. |
|
|
|
|
|
|
|
|
|
|
|
|
|
|
|
|
|
|||||||||||||||||
|
|
|
2. Фрезы для обработки заготовок на горизонтально-фрезерных |
||||||||||||||||||||||||||||||||
|
станках: |
привести эскизы инструментов с описанием, |
привести эскиз |
||||||||||||||||||||||||||||||||
|
|
|
|
|
|
|
|
|
|
|
|
|
|
|
|
|
|
|
|
|
|
|
|
|
|
И |
|||||||||
частей, элементов и углов заточки цилиндрической фрезы с винтовыми зубьями с описанием.
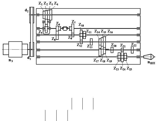
3. Провести анализ кинематической цепи главного движения условного станка, приведенной на рис. 8, включающий написание уравнений кинематического баланса в общем и развернутом видах. Определить количество скоростей вращения шпинделя, максимальные и минимальные значения оборотов шпинделя.
Коэффициент проскальзывания ременной передачи принять равным 0,985. Значения остальных исходных данных приведены в табл. 8.
С |
|
|
|
|
|
|
|
|
|
|
|
|
|
|
|
|
|
|
|
|
|
|
|
|
||||||||
|
передачи |
|
|
|
|
|
|
|
|
|
|
|
|
|
|
|
|
|
|
|
||||||||||||
|
Рис. 8. К немат |
ческая цепь главного движения условного станка (вариант № 8) |
||||||||||||||||||||||||||||||
|
Таблица 8. Ч сло о оротов электродвигателя, диаметры шкивов ременной |
|
|
|
||||||||||||||||||||||||||||
|
|
|
|
|
|
сла зу ьев зу чатых колес (вариант № 8) |
|
|
|
|
|
|
|
|
||||||||||||||||||
|
|
|
|
|
|
|
|
|
|
|
|
|
|
|
|
|
|
|
|
|
|
|
|
|
|
|
|
|
|
|||
|
nЭ |
|
d1 |
|
d2 |
|
Z1 |
Z2 |
Z3 |
Z4 |
Z5 |
Z6 |
Z7 |
Z8 |
Z9 |
Z10 |
Z11 |
|
||||||||||||||
|
760 |
|
170 |
|
640 |
|
|
|
|
А |
63 |
|
|
73 |
|
21 |
|
62 |
38 |
|
|
|||||||||||
|
|
|
|
23 |
|
34 |
|
36 |
|
49 |
49 |
|
|
29 |
|
|
|
|
|
|
|
|||||||||||
|
Z12 |
Z13 |
|
Z14 |
Z15 |
|
Z16 |
Z17 |
Z18 |
Z19 |
Z20 |
Z21 |
Z22 |
Z23 |
Z24 |
Z25 |
|
|||||||||||||||
|
|
|
|
|
б |
|
|
|
|
|
|
|
|
|
|
|
|
|
||||||||||||||
23 |
32 |
|
24 |
36 49 57 49 |
41 |
36 |
27 |
|
|
38 |
|
49 |
|
66 |
41 |
|
|
|||||||||||||||
|
|
|
|
|
|
|
|
|
|
|
|
|
Вариант № 9 |
|
|
|
|
|
|
|
|
|
|
|
|
|
||||||
|
|
1. Обработка заготовок на токарно-карусельных станках: дать ха- |
||||||||||||||||||||||||||||||
|
рактеристику метода точения, привести схему токарно-карусельного |
|||||||||||||||||||||||||||||||
|
станка с описанием, привести схему обработки заготовки на токарно- |
|||||||||||||||||||||||||||||||
|
карусельном станке с описанием. |
|
|
|
|
|
|
|
|
|
|
|
|
|
|
|
|
|
|
|||||||||||||
|
|
2. Режущие инструменты для нарезки зубчатых колес по методу |
||||||||||||||||||||||||||||||
|
|
|
|
|
|
|
|
|
|
|
|
|
|
|
|
|
|
|
|
|
И |
|||||||||||
|
обкатки: привести эскизы инструментов с указанием углов заточки. Дать |
|||||||||||||||||||||||||||||||
|
описание. |
|
|
|
|
|
|
|
|
|
|
Д |
|
|
|
|||||||||||||||||
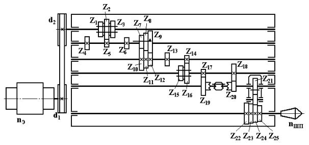
3. Провести анализ кинематической цепи главного движения условного станка, приведенной на рис. 9, включающий написание уравнений кинематического баланса в общем и развернутом видах. Определить количество скоростей вращения шпинделя, максимальные и минимальные значения оборотов шпинделя.
Коэффициент проскальзывания ременной передачи принять равным 0,985. Значения остальных исходных данных приведены в табл. 9.
С |
|
|
|
|
|
|
|
|
|
|
|
|
|
|
|
|
|
|
|
|
|
|
|||||||||||
|
Рис |
|
|
|
|
|
|
|
|
|
|
|
|
|
|
|
|||||||||||||||||
|
. 9. К |
немат |
ческая цепь главного движения условного станка (вариант № 9) |
||||||||||||||||||||||||||||||
|
|
|
|
|
|
|
б |
|
|
|
|
|
|
|
|
|
|
|
|||||||||||||||
|
Таблица 9. Ч сло о оротов электродвигателя, диаметры шкивов ременной |
|
|||||||||||||||||||||||||||||||
|
передачи |
ч |
|
сла зу ьев зу чатых колес (вариант № 9) |
|
|
|
|
|
|
|||||||||||||||||||||||
|
nЭ |
|
|
d1 |
|
|
d2 |
|
Z1 |
|
Z2 |
|
Z3 |
|
Z4 |
|
Z5 |
|
Z6 |
Z7 |
Z8 |
Z9 |
Z10 |
Z11 |
|||||||||
|
1030 |
|
|
130 |
|
630 |
|
17 |
|
27 |
|
43 |
|
47 |
|
41 |
|
49 |
|
73 |
|
48 |
|
29 |
|
27 |
54 |
||||||
|
|
|
|
|
|
|
|
|
|
|
|
|
|
|
|
|
|
|
|
|
|
|
|
|
|
|
|
||||||
|
Z12 |
|
Z13 |
|
Z14 |
|
Z15 |
|
|
Z16 |
|
|
А |
|
|
|
|
Z23 |
|
Z24 |
Z25 |
||||||||||||
|
|
|
|
|
|
|
Z17 |
Z18 |
Z19 |
Z20 |
|
Z21 |
|
Z22 |
|
|
|||||||||||||||||
|
62 |
|
29 |
|
38 |
|
63 |
|
|
59 |
|
38 |
21 |
32 |
31 |
|
49 |
|
58 |
|
67 |
|
54 |
29 |
|||||||||
Вариант № 10
1. Обработка заготовок на горизонтальноД-протяжных станках: дать характеристику метода протягивания, привести схему горизонтальнопротяжного станка с описанием, привести схемыобработки заготовок на протяжныхстанках с описанием.
2. Осевой режущий инструмент (применяемый на сверлильных станках): привести эскизы инструментов с описаниемИ, привести эскизы частей, элементови углов заточки спиральногосверла с описанием.
3. Провести анализ кинематической цепи главного движения условного станка, приведенной на рис. 10, включающий написание уравнений кинематического баланса в общем и развернутом видах. Определить количество скоростей вращения шпинделя, максимальные и минимальные значения оборотов шпинделя.
Коэффициент проскальзывания ременной передачи принять равным 0,985. Значения остальных исходных данных приведены в табл. 10.