С |
|
|
|
|
|
|
|
|
|
|
|
|
|
|
|
|
|
|
|
|
|
|
|
|
|
|||||||||||
|
|
Р |
с. 45. К немат |
ческая цепь главного движения условного станка |
|
|
|
|||||||||||||||||||||||||||||
|
|
|
|
|
|
|
|
|
|
|
|
|
|
|
|
(вариант № 45) |
|
|
|
|
|
|
|
|
|
|
|
|
||||||||
|
|
|
45. Ч сло о оротов электродвигателя, диаметры шкивов ременной |
|
|
|
||||||||||||||||||||||||||||||
|
Таблица |
|
|
|
|
|
|
|
|
|
|
|
|
|
|
|
|
|
|
|
||||||||||||||||
|
передачи |
ч |
|
сла зу ьев зу чатых колес (вариант № 45) |
|
|
|
|
|
|
|
|
|
|||||||||||||||||||||||
|
|
|
|
|
|
|
|
|
|
|
|
|
|
|
|
|
|
|
|
|
|
|
|
|
|
|
|
|
|
|
|
|
|
|
|
|
|
nЭ |
|
|
d1 |
|
d2 |
|
Z1 |
|
Z2 |
|
Z3 |
|
Z4 |
|
Z5 |
|
Z6 |
|
Z7 |
|
Z8 |
Z9 |
Z10 |
Z11 |
|||||||||||
|
1630 |
|
|
230 |
|
330 |
|
27 |
|
42 |
|
63 |
|
62 |
|
36 |
|
29 |
|
28 |
|
|
28 |
|
44 |
|
52 |
79 |
|
|
||||||
|
|
|
|
|
|
|
|
|
|
|
|
|
|
|
|
|
|
|
|
|
|
|
|
|
|
|||||||||||
|
Z12 |
Z13 |
|
Z14 |
|
Z15 |
|
Z16 |
|
Z17 |
|
Z18 |
|
Z19 |
Z20 |
|
Z21 |
|
Z22 |
|
Z23 |
|
Z24 |
Z25 |
||||||||||||
|
42 |
64 |
|
28 |
|
28 |
|
79 |
|
18 |
|
36 |
|
72 |
41 |
29 |
|
|
68 |
|
52 |
|
49 |
34 |
|
|
||||||||||
|
|
|
|
|
|
|
|
|
|
|
|
|
|
|
|
Вариант № 46 |
|
|
|
|
|
|
|
|
|
|
|
|
||||||||
|
|
1. |
Обработка заготовок на бесцентрово-шлифовальных станках: |
|||||||||||||||||||||||||||||||||
|
|
|
|
|
|
бА |
|
|
|
|
|
|
|
|
||||||||||||||||||||||
|
дать характеристику метода шлифования, привести схему бесцентрово- |
|||||||||||||||||||||||||||||||||||
|
шлифовального станка с описанием, привести схемы обработки загото- |
|||||||||||||||||||||||||||||||||||
|
вок на бесцентрово-шлифовальных станках с описанием. |
|
|
|
|
|
|
|||||||||||||||||||||||||||||
|
|
2. Осевой режущий инструмент (применяемый на сверлильных |
||||||||||||||||||||||||||||||||||
|
станках): привести эскизы инструментовДс описанием, привести эскизы |
|||||||||||||||||||||||||||||||||||
|
частей, элементови углов заточки спиральногосверла с описанием. |
|
|
|
||||||||||||||||||||||||||||||||
|
|
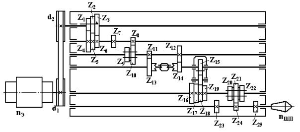
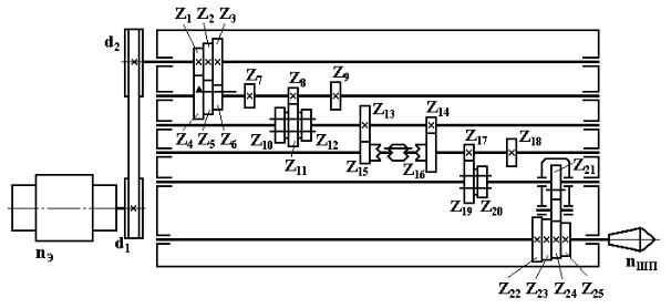
3. Провести анализ кинематической цепи главного движения ус- |
||||||||||||||||||||||||||||||||||
|
ловного станка, приведенной на рис. 46, включающий написание |
|||||||||||||||||||||||||||||||||||
|
уравнений кинематического баланса в общем и развернутом видах. |
|||||||||||||||||||||||||||||||||||
|
|
|
|
|
|
|
|
|
|
|
|
|
|
|
|
|
|
|
|
|
|
|
|
|
И |
|||||||||||
Определить количество скоростей вращения шпинделя, максимальные и минимальные значения оборотов шпинделя.
Коэффициент проскальзывания ременной передачи принять равным 0,985. Значения остальных исходных данных приведены в табл. 46.
С |
|
|
|
|
|
|
|
|
|
|
|
|
|
|
|
|
|
|
|
|
|
|
|
|
|||||||||||
|
передачич сла зу ьев зу чатых колес (вариант № 46) |
|
|
|
|
|
|
|
|
||||||||||||||||||||||||||
|
|
|
Р с. 46. К немат |
ческая цепь главного движения условного станка |
|
|
|
||||||||||||||||||||||||||||
|
|
|
|
|
|
|
|
|
|
|
|
|
|
|
|
(вариант № 46) |
|
|
|
|
|
|
|
|
|
|
|
||||||||
|
Таблица 46. Ч сло о оротов электродвигателя, диаметры шкивов ременной |
|
|
|
|||||||||||||||||||||||||||||||
|
|
|
|
|
|
|
|
|
|
|
|
|
|
|
|
|
|
|
|
|
|
|
|
|
|
|
|
|
|
|
|
|
|
|
|
|
nЭ |
|
d1 |
|
d2 |
|
Z1 |
|
Z2 |
|
Z3 |
|
Z4 |
|
Z5 |
Z6 |
|
Z7 |
Z8 |
Z9 |
Z10 |
Z11 |
|||||||||||||
|
1340 |
|
190 |
|
280 |
|
29 |
|
36 |
|
47 |
|
59 |
|
54 |
|
36 |
|
36 |
|
29 |
|
37 |
|
62 |
28 |
|
|
|||||||
|
|
|
|
|
|
|
|
|
|
|
|
|
|
|
|
|
|
|
|
|
|
|
|
|
|
|
|
||||||||
|
Z12 |
|
Z13 |
|
Z14 |
|
Z15 |
|
Z16 |
|
Z17 |
|
Z18 |
|
Z19 |
|
Z20 |
|
Z21 |
|
Z22 |
|
Z23 |
|
Z24 |
Z25 |
|||||||||
|
67 |
|
69 |
|
34 |
|
32 |
|
84 |
|
72 |
|
61 |
|
53 |
|
27 |
47 |
|
36 |
|
39 |
|
22 |
34 |
|
|
||||||||
|
|
|
|
|
|
|
|
|
|
|
|
|
|
|
|
Вариант № 47 |
|
|
|
|
|
|
|
|
|
|
|
||||||||
|
|
|
|
|
|
|
|
|
|
|
|
|
|
|
|
|
|
|
Д |
|
|
|
|||||||||||||
|
|
|
1. Обработка заготовок на продольно-фрезерных станках: дать ха- |
||||||||||||||||||||||||||||||||
|
рактеристикубАметода фрезерования, привести схему продольно- |
||||||||||||||||||||||||||||||||||
|
фрезерного станка с описанием, привести схему обработки заготовки на |
||||||||||||||||||||||||||||||||||
|
продольно-фрезерном станке с описанием. |
|
|
|
|
|
|
|
|
|
|
|
|
||||||||||||||||||||||
|
|
|
2. Токарные резцы: привести эскизы инструментов с описанием, |
||||||||||||||||||||||||||||||||
|
|
|
|
|
|
|
|
|
|
|
|
|
|
|
|
|
|
|
|
|
|
|
|
|
И |
||||||||||
привести эскизы элементов и углов заточки токарного проходного резца с описанием.
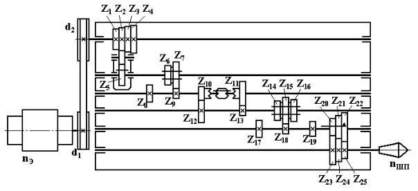
3. Провести анализ кинематической цепи главного движения условного станка, приведенной на рис. 47, включающий написание уравнений кинематического баланса в общем и развернутом видах. Определить количество скоростей вращения шпинделя, максимальные и минимальные значения оборотов шпинделя.
Коэффициент проскальзывания ременной передачи принять равным 0,985. Значения остальных исходных данных приведены в табл. 47.
С |
|
|
|
|
|
|
|
|
|
|
|
|
|
|
|
|
|
|
|
|
|
|
|
||||||||||||
|
Таблица |
|
|
|
|
|
|
|
|
|
|
|
|
|
|
|
|
|
|||||||||||||||||
|
|
|
Р |
с. 47. К немат |
ческая цепь главного движения условного станка |
|
|||||||||||||||||||||||||||||
|
|
|
|
|
|
|
бА |
|
|
|
|
|
|
||||||||||||||||||||||
|
|
|
|
|
|
|
|
|
|
|
|
|
|
|
|
|
(вариант № 47) |
|
|
|
|
|
|
|
|
|
|||||||||
|
|
|
|
47. Ч сло о оротов электродвигателя, диаметры шкивов ременной |
|
||||||||||||||||||||||||||||||
|
передачи |
ч |
|
сла зу ьев зу чатых колес (вариант № 47) |
|
|
|
|
|
|
|
||||||||||||||||||||||||
|
nЭ |
|
|
d1 |
|
d2 |
|
Z1 |
|
Z2 |
|
Z3 |
|
Z4 |
|
Z5 |
|
Z6 |
Z7 |
|
Z8 |
Z9 |
Z10 |
Z11 |
|||||||||||
|
1000 |
|
|
120 |
|
590 |
|
29 |
|
57 |
|
37 |
|
39 |
|
24 |
|
26 |
|
26 |
|
|
37 |
|
47 |
|
56 |
53 |
|||||||
|
Z12 |
|
Z13 |
|
Z14 |
|
Z15 |
|
Z16 |
|
Z17 |
|
Z18 |
|
Z19 |
Z20 |
|
Z21 |
|
Z22 |
|
Z23 |
|
Z24 |
Z25 |
||||||||||
|
44 |
|
43 |
|
29 |
|
31 |
|
54 |
|
26 |
|
56 |
|
53 |
23 |
|
19 |
|
|
58 |
|
54 |
|
42 |
27 |
|||||||||
ВариантД№ 48
1. Станки с ЧПУ: указать направления автоматизации на базе станков с ЧПУ, преимущества станков с ЧПУ, привести схему станка с шаговыми двигателями с описанием.
2. Фрезы для обработки заготовок на горизонтально-фрезерных станках: привести эскизы инструментов с описаниемИ, привести эскиз частей, элементов и углов заточки цилиндрической фрезы с винтовыми зубьями с описанием.
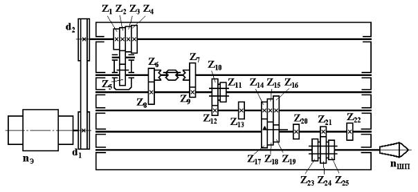
3. Провести анализ кинематической цепи главного движения условного станка, приведенной на рис. 48, включающий написание уравнений кинематического баланса в общем и развернутом видах. Определить количество скоростей вращения шпинделя, максимальные и минимальные значения оборотов шпинделя.
Коэффициент проскальзывания ременной передачи принять равным 0,985. Значения остальных исходных данных приведены в табл. 48.
С |
|
|
|
|
|
|
|
|
|
|
|
|
|
|
|
|
|
|
|
|
|
|
|
||||||||||||
|
Таблица |
|
|
|
|
|
|
|
|
|
|
|
|
|
|
|
|
|
|||||||||||||||||
|
|
|
Р |
с. 48. К немат |
ческая цепь главного движения условного станка |
|
|||||||||||||||||||||||||||||
|
|
|
|
|
|
|
бА |
|
|
|
|
|
|
||||||||||||||||||||||
|
|
|
|
|
|
|
|
|
|
|
|
|
|
|
|
|
(вариант № 48) |
|
|
|
|
|
|
|
|
|
|||||||||
|
|
|
|
48. Ч сло о оротов электродвигателя, диаметры шкивов ременной |
|
||||||||||||||||||||||||||||||
|
передачи |
ч |
|
сла зу ьев зу чатых колес (вариант № 48) |
|
|
|
|
|
|
|
||||||||||||||||||||||||
|
nЭ |
|
|
d1 |
|
d2 |
|
Z1 |
|
Z2 |
|
Z3 |
|
Z4 |
|
Z5 |
|
Z6 |
Z7 |
|
Z8 |
Z9 |
Z10 |
Z11 |
|||||||||||
|
1180 |
|
|
170 |
|
570 |
|
23 |
|
26 |
|
39 |
|
51 |
|
49 |
|
29 |
|
57 |
|
|
69 |
|
28 |
|
62 |
41 |
|||||||
|
Z12 |
|
Z13 |
|
Z14 |
|
Z15 |
|
Z16 |
|
Z17 |
|
Z18 |
|
Z19 |
Z20 |
|
Z21 |
|
Z22 |
|
Z23 |
|
Z24 |
Z25 |
||||||||||
|
28 |
|
39 |
|
22 |
|
34 |
|
41 |
|
61 |
|
54 |
|
43 |
31 |
|
26 |
|
|
43 |
|
49 |
|
72 |
43 |
|||||||||
2. Режущие инструменты дляДнарезки зубчатых колес по методу обкатки: привести эскизы инструментов с указанием углов заточки. Дать описание.
Вариант № 49
1. Обработка заготовок на токарно-карусельных станках: дать ха-
рактеристику метода точения, привести схему токарно-карусельного станка с описанием, привести схему обработки заготовки на токарно-
карусельном станке с описанием. И
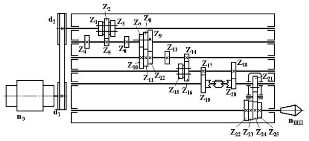
3. Провести анализ кинематической цепи главного движения условного станка, приведенной на рис. 49, включающий написание уравнений кинематического баланса в общем и развернутом видах. Определить количество скоростей вращения шпинделя, максимальные и минимальные значения оборотов шпинделя.
Коэффициент проскальзывания ременной передачи принять равным 0,985. Значения остальных исходных данных приведены в табл. 49.
С |
|
|
|
|
|
|
|
|
|
|
|
|
|
|
|
|
|
|
|
|
|
|
|
|
|
|
|
|
|
|
||||||||||
|
|
Р |
с. 49. К |
|
немат |
ческая цепь главного движения условного станка |
|
|
||||||||||||||||||||||||||||||||
|
|
|
|
|
|
|
|
|
|
|
|
|
|
|
|
|
(вариант № 49) |
|
|
|
|
|
|
|
|
|
|
|
|
|
||||||||||
|
|
|
49. Ч сло о оротов электродвигателя, диаметры шкивов ременной |
|
|
|||||||||||||||||||||||||||||||||||
|
Таблица |
|
|
|
|
|
|
|
|
|
|
|
|
|
|
|
|
|
|
|
|
|
|
|
||||||||||||||||
|
передачи |
ч |
|
сла зу ьев зу чатых колес (вариант № 49) |
|
|
|
|
|
|
|
|
|
|||||||||||||||||||||||||||
|
nЭ |
|
d1 |
|
d2 |
|
Z1 |
|
Z2 |
|
Z3 |
|
Z4 |
|
Z5 |
|
Z6 |
Z7 |
|
Z8 |
Z9 |
Z10 |
Z11 |
|||||||||||||||||
|
950 |
|
110 |
|
630 |
|
17 |
28 |
|
39 |
|
49 |
|
47 |
|
49 |
78 |
|
43 |
31 |
28 |
53 |
||||||||||||||||||
|
|
|
|
|
|
|
|
|
|
|
|
|
|
|
|
|
|
|
|
|
|
|
|
|
|
|
|
|||||||||||||
|
Z12 |
Z13 |
|
Z14 |
|
Z15 |
|
Z16 |
|
Z17 |
|
Z18 |
|
Z19 |
|
Z20 |
|
Z21 |
|
Z22 |
|
Z23 |
|
Z24 |
|
Z25 |
||||||||||||||
|
69 |
|
|
33 |
|
31 |
|
|
61 |
|
|
57 |
|
36 |
|
|
21 |
|
33 |
|
|
39 |
|
44 |
|
|
57 |
|
67 |
|
53 |
|
31 |
|
||||||
|
|
|
|
|
|
|
|
|
|
|
|
|
|
|
|
|
Вариант № 50 |
|
|
|
|
|
|
|
|
|
|
|
|
|
||||||||||
|
|
1. Обработка заготовок на горизонтально-протяжных станках: дать |
||||||||||||||||||||||||||||||||||||||
|
|
|
|
|
|
бА |
|
|
|
|
|
|
|
|
||||||||||||||||||||||||||
|
характеристику метода протягивания, привести схему горизонтально- |
|||||||||||||||||||||||||||||||||||||||
|
протяжного станка с описанием, привести схемыобработки заготовок на |
|||||||||||||||||||||||||||||||||||||||
|
протяжныхстанках с описанием. |
|
|
|
|
|
|
|
|
|
|
|
|
|
|
|
|
|
|
|
|
|||||||||||||||||||
|
|
2. Осевой режущий инструмент (применяемый на сверлильных |
||||||||||||||||||||||||||||||||||||||
|
станках): привести эскизы инструментовДс описанием, привести эскизы |
|||||||||||||||||||||||||||||||||||||||
|
частей, элементови углов заточки спиральногосверла с описанием. |
|
|
|||||||||||||||||||||||||||||||||||||
3. Провести анализ кинематической цепиИглавного движения условного станка, приведенной на рис. 50, включающий написание уравнений кинематического баланса в общем и развернутом видах. Определить количество скоростей вращения шпинделя, максимальные и минимальные значения оборотов шпинделя.
Коэффициент проскальзывания ременной передачи принять равным 0,985. Значения остальных исходных данных приведены в табл. 50.