С |
|
|
|
|
|
|
|
|
|
|
|
|
|
|
|
|
|
|
|
||||||||
|
Таблица |
|
|
|
|
|
|
|
|
|
|
|
|
|
|
|
|||||||||||
|
|
|
Р с. 50. К немат |
ческая цепь главного движения условного станка |
|
|
|||||||||||||||||||||
|
|
|
|
|
бА |
|
|
|
|
|
|
|
|||||||||||||||
|
|
|
|
|
|
|
|
|
|
|
(вариант № 50) |
|
|
|
|
|
|
|
|
|
|
||||||
|
|
|
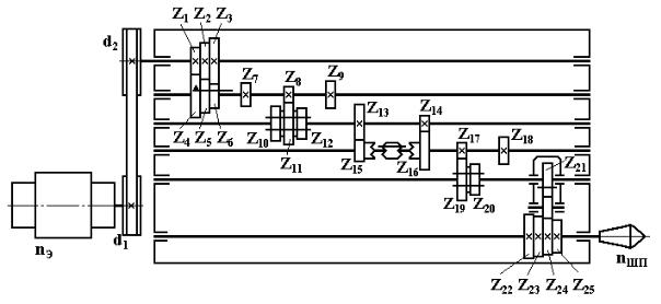
50. Ч сло о оротов электродвигателя, диаметры шкивов ременной |
|
|
||||||||||||||||||||||
|
передачи ч сла зу ьев зу чатых колес (вариант № 50) |
|
|
|
|
|
|
|
|
||||||||||||||||||
|
nЭ |
d1 |
d2 |
Z1 |
Z2 |
Z3 |
Z4 |
Z5 |
Z6 |
Z7 |
|
Z8 |
Z9 |
|
Z10 |
Z11 |
|
||||||||||
|
1310 |
190 |
330 |
28 |
47 |
63 |
69 |
41 |
|
24 |
29 |
|
|
24 |
|
41 |
|
49 |
78 |
|
|||||||
|
Z12 |
|
Z13 |
|
Z14 |
|
Z15 |
|
Z16 |
|
Z17 |
|
Z18 |
|
Z19 |
|
Z20 |
Z21 |
|
Z22 |
|
Z23 |
|
Z24 |
Z25 |
|
|
|
47 |
|
64 |
|
28 |
|
33 |
|
79 |
|
22 |
|
38 |
|
66 |
|
48 |
29 |
|
|
68 |
|
53 |
|
48 |
36 |
|
|
|
|
|
|
|
|
|
|
|
|
|
|
Д |
|
|
||||||||||||
|
11. ПРИМЕР ВЫПОЛНЕНИЯ Р ЗДЕЛА № 3 КОНТРОЛЬНОГО |
||||||||||||||||||||||||||
|
ЗАДАНИЯ. ПРОВЕДЕНИЕ |
Н ЛИЗА КИНЕМАТИЧЕСКОЙ |
|||||||||||||||||||||||||
|
ЦЕПИ ГЛАВНОГО ДВИЖЕНИЯ МЕТАЛЛОРЕЖУЩЕГО |
||||||||||||||||||||||||||
|
|
|
|
|
|
|
|
|
|
|
|
СТ НКА |
|
И |
|||||||||||||
|
|
|
|
|
|
|
|
|
Задание и исходные данные |
|
|
|
|
|
|
|
|
||||||||||
|
|
|
Провести анализ кинематической цепи главного движения ус- |
||||||||||||||||||||||||
|
ловного станка, приведенной |
на рис. |
51, |
включающий |
написание |
||||||||||||||||||||||
уравнений кинематического баланса в общем и развернутом видах. Определить количество скоростей вращения шпинделя, максимальные и минимальные значения оборотов шпинделя.
Коэффициент проскальзывания ременной передачи принять равным 0,985. Значения остальных исходных данных приведены в табл. 51.
С |
|
|
|
|
|
|
|
|
|
|
|
|
|
|
|
|
|
|
|
|
|
|
|
|
|
|
|||||||||||
|
Рис |
|
|
|
|
|
|
|
|
|
|
|
|
|
|
|
|
|
|
|
|
||||||||||||||||
|
|
|
|
|
|
бА |
|
|
|
|
|
|
|
|
|||||||||||||||||||||||
|
|
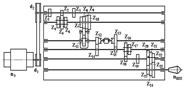
. 51. К немат |
ческая цепь главного движения условного станка (пример) |
||||||||||||||||||||||||||||||||||
|
Таблица 51. Ч сло о оротов электродвигателя, диаметры шкивов ременной |
|
|
||||||||||||||||||||||||||||||||||
|
передачи ч сла зу ьев зу чатых колес (пример) |
|
|
|
|
|
|
|
|
|
|
|
|||||||||||||||||||||||||
|
nЭ |
|
d1 |
|
d2 |
|
Z1 |
|
Z2 |
|
Z3 |
|
Z4 |
|
Z5 |
|
Z6 |
Z7 |
|
Z8 |
Z9 |
Z10 |
Z11 |
|
|||||||||||||
|
1500 |
|
100 |
|
500 |
40 |
|
30 |
|
50 |
|
60 |
|
70 |
|
50 |
|
25 |
|
|
30 |
|
35 |
|
40 |
|
30 |
|
|||||||||
|
|
|
|
|
|
|
|
|
|
|
|
|
|
|
|
|
|
|
|
|
|
|
|
|
|
|
|
|
|||||||||
|
Z12 |
|
Z13 |
|
Z14 |
|
Z15 |
|
Z16 |
|
Z17 |
|
Z18 |
|
Z19 |
|
Z20 |
|
Z21 |
|
Z22 |
|
Z23 |
|
Z24 |
|
Z25 |
|
|||||||||
|
30 |
|
60 |
|
60 |
|
30 |
|
50 |
|
30 |
|
20 |
|
40 |
|
60 |
|
50 |
|
40 |
|
35 |
|
45 |
|
55 |
|
|||||||||
|
|
|
|
|
|
|
|
|
|
|
|
|
|
|
|
|
|
|
|
|
Д |
|
|
||||||||||||||
|
|
|
|
|
|
|
|
|
|
|
|
|
|
|
|
нализ и расчет |
|
|
|
|
|
|
|
|
|
|
|
||||||||||
|
|
Уравнение кинематического баланса цепи главного движения |
|||||||||||||||||||||||||||||||||||
|
станка в общем виде |
|
|
|
|
nШП = nЭ i, |
|
И |
|||||||||||||||||||||||||||||
|
|
|
|
|
|
|
|
|
|
|
|
|
|
|
|
|
|||||||||||||||||||||
|
|
|
|
|
|
|
|
|
|
|
|
|
|
|
|
|
|
|
|
|
|
|
|
|
|
|
|
|
|
||||||||
где nШП – частота вращения шпинделя, об/мин; nЭ – частота вращения вала электродвигателя, об/мин.
Уравнение кинематического баланса цепи в развернутом виде
Z7
|
|
|
|
|
|
|
|
|
|
|
|
|
|
|
|
|
|
Z |
|
|
|
|
|
|
Z11 |
|
|
|
|
|
|
|
|
|
|
|
|
|
|
|
|
|
|
|
|
|
|
|
|
|
Z |
|
|
|
|
||||||||
С |
|
|
|
|
|
|
|
|
|
|
1 |
|
|
|
|
|
|
|
Z8 |
|
|
|
|
|
|
|
|
|
|
|
|
|
|
|
|
|
|
|
|
|
|
|
|
|
|
20 |
|
|
|||||||||||||||
|
|
|
|
|
|
|
|
|
|
Z4 |
|
|
|
|
|
|
|
|
|
|
|
|
Z12 |
|
|
|
|
|
|
|
Z16 |
|
|
|
Z23 |
|
|
||||||||||||||||||||||||||
d |
|
|
|
|
|
|
|
|
|
Z2 |
|
|
|
|
|
|
Z11 |
|
|
|
|
|
Z14 |
|
|
|
|
|
|
Z18 |
|
|
Z21 |
|
|
||||||||||||||||||||||||||||
nШП |
=1500 |
1 |
|
0,985 |
|
|
|
|
|
|
|
|
|
|
|
|
|
|
. |
||||||||||||||||||||||||||||||||||||||||||||
|
|
|
Z5 |
|
|
|
Z9 |
|
|
|
|
Z13 |
|
|
|
|
|
|
Z17 |
|
|
|
Z24 |
||||||||||||||||||||||||||||||||||||||||
d2 |
|
|
|
|
|
|
|
|
|
|
|
|
|
|
|
||||||||||||||||||||||||||||||||||||||||||||||||
|
|
|
|
|
|
|
|
|
|
|
|
|
|
|
|
|
Z3 |
|
|
|
|
|
|
Z11 |
Z15 |
|
|
|
|
|
Z19 |
|
|
Z22 |
|
|
|||||||||||||||||||||||||||
лучим |
|
Z6 |
|
|
|
|
|
|
|
|
|
25 |
|
|
|
|
|
|
|
|
|
|
|
|
|
|
|
|
|
|
|
|
|
|
Z25 |
|
|||||||||||||||||||||||||||
|
|
|
|
|
|
|
|
|
|
|
|
|
|
|
|
|
|
|
|
|
|
|
Z10 |
|
|
|
|
|
|
|
|
|
|
|
|
|
|
|
|
|
|
|
|
|
|
|
|
|
|||||||||||||||
|
|
|
|
|
|
|
|
|
|
|
|
|
|
|
|
|
|
|
|
|
|
|
|
|
|
|
Z11 |
|
|
|
|
|
|
|
|
|
|
|
|
|
|
|
|
|
|
|
|
|
|
|
|
|
|
|
|
|
|
|
|||||
|
|
|
|
|
|
|
|
|
|
|
|
|
|
|
|
|
|
|
|
|
|
|
|
|
|
|
|
|
|
|
|
|
|
|
|
|
|
|
|
|
|
|
|
|
|
|
|
|
|
|
|
|
|
|
|
||||||||
После подстановки значений из табл. 51 исходных данных по- |
|||||||||||||||||||||||||||||||||||||||||||||||||||||||||||||||
|
|
|
|
|
|
|
|
|
|
|
|
|
|
|
|
|
|
|
|
|
|
|
|
|
|
|
|
|
|
|
|
|
|
|
|
|
|
|
|
|
|||||||||||||||||||||||
|
|
|
бА40 |
|
|
|
|
|
|
|
|
|
|
|
|
|
|
|
|
|
|
|
|||||||||||||||||||||||||||||||||||||||||
|
|
|
|
|
|
|
|
|
|
|
|
|
|
|
|
|
|
|
|
|
40 |
|
|
|
|
|
|
30 |
|
|
|
|
|
|
|
|
|
|
|
|
|
|
|
|
|
|
|
|
|
|
60 |
|
|
||||||||||
|
|
|
|
|
|
|
|
|
|
|
|
|
|
|
|
|
|
|
|
|
|
|
|
|
|
|
|
|
|
|
|
|
|
|
|
|
|
|
|
|
|
|
|
|
|
|
|
|
|
|
|
|
|
|
|||||||||
|
|
|
|
|
|
|
|
|
|
|
|
|
|
|
|
|
|
|
|
|
60 |
|
|
|
|
|
|
30 |
|
|
|
|
|
|
|
|
|
|
|
|
|
|
|
|
|
|
35 |
|
|
||||||||||||||
|
|
|
|
|
|
|
|
|
|
|
|
|
|
|
|
|
|
|
|
|
|
|
|
|
|
|
|
|
|
|
|
30 |
|
|
|
|
|
|
50 |
|
|
|
|
|
|||||||||||||||||||
n |
ШП |
=1500 |
100 |
0,985 |
30 |
|
|
|
|
|
|
|
30 |
|
|
|
|
60 |
|
|
|
|
|
|
20 |
|
|
|
50 |
|
. |
||||||||||||||||||||||||||||||||
70 |
|
|
|
|
|
|
|
|
|
|
|
|
|
|
|
|
|
|
|
|
|
|
|
|
|
45 |
|||||||||||||||||||||||||||||||||||||
500 |
|
|
|
|
35 |
|
|
60 |
|
|
|
|
|
30 |
|
||||||||||||||||||||||||||||||||||||||||||||||||
|
|
|
|
|
|
|
|
|
|
|
|
|
|
|
|
|
|
|
|
|
|
|
|
|
|
|
|
|
|
|
|
|
|
|
|
||||||||||||||||||||||||||||
|
|
|
|
|
|
|
|
|
|
|
|
|
|
|
|
|
|
|
|
|
|
|
|
|
|
|
|
|
|
|
|
|
|
|
|
|
|
|
|||||||||||||||||||||||||
|
|
|
|
|
|
|
|
|
|
|
|
|
|
|
|
|
|
|
Д |
|
|
||||||||||||||||||||||||||||||||||||||||||
|
|
|
|
|
|
|
|
|
|
|
|
|
|
|
|
|
|
|
|
|
50 |
|
|
|
|
|
|
30 |
|
|
|
|
|
30 |
|
|
|
|
40 |
|
|
|
40 |
|
|
||||||||||||||||||
|
|
|
|
|
|
|
|
|
|
|
|
|
|
|
|
|
|
|
|
|
50 |
|
|
|
|
|
|
|
|
|
|
|
|
|
|
|
|
|
|
|
|
|
|
|
|
|
|
|
|
|
|
|
|
|
|
|
55 |
|
|
|
|||
|
|
|
|
|
|
|
|
|
|
|
|
|
|
|
|
|
|
|
|
|
|
|
|
|
|
|
|
|
|
30 |
|
|
|
|
|
|
|
|
|
|
|
|
|
|
|
|
|
|
|
|
|
|
|
|
|
|
|
||||||
Количество скоростей вращения шпинделя |
|
|
|
|
|
|
|
|
|
|
|
|
|
|
|
||||||||||||||||||||||||||||||||||||||||||||||||
|
|
|
|
|
|
|
|
|
|
|
|
Z=3 4 2 2 3=144. |
|
|
|
|
|
|
|
|
|
|
|
|
|
|
|
|
|
|
|
|
|
|
|||||||||||||||||||||||||||||
Максимальное и минимальное числа оборотов шпинделя: |
|||||||||||||||||||||||||||||||||||||||||||||||||||||||||||||||
n |
|
|
1500 |
100 |
|
0,985 |
50 |
|
|
40 |
|
60 |
|
50 |
|
60 |
3377,14 об/мин. |
||||||||||||||||||||||||||||||||||||||||||||||
|
|
|
|
|
|
|
|
|
|
|
|
||||||||||||||||||||||||||||||||||||||||||||||||||||
MAX |
|
|
500 |
|
50 |
|
30 |
|
30 |
|
20 |
|
|
35 |
|
|
|
|
|
|
|
|
|
|
|
|
|
|
|
|
|
|
|
|
|
||||||||||||||||||||||||||||
|
|
|
|
|
|
|
|
|
|
|
|
|
|
|
|
|
|
|
|
|
|
|
|
|
|
|
|
|
|
|
|||||||||||||||||||||||||||||||||
n |
|
|
1500 |
100 |
0,985 |
30 |
|
|
25 |
|
30 |
|
30 |
|
40 |
28,78 об/мин. |
|
||||||||||||||||||||||||||||||||||||||||||||||
|
|
|
|
|
|
|
|
||||||||||||||||||||||||||||||||||||||||||||||||||||||||
MIN |
|
|
|
500 |
|
|
70 |
|
|
30 |
|
|
60 |
|
|
40 |
|
|
|
55 |
И |
||||||||||||||||||||||||||||||||||||||||||
|
|
|
|
|
|
|
|
|
|
|
|
|
|
|
|||||||||||||||||||||||||||||||||||||||||||||||||
1. Ефремов, В. Д. Металлорежущие станки : учебник / В. Д. Ефремов, В. А. Горохов, А. Г. Схиртладзе ; ред. П. И. Ящерицын. – Старый Оскол : ТНТ, 2013. – 696 с.
С2. Борисенко, Г. А. Технология конструкционных материалов. Об-
работка резанием : учебное пособие / Г. А. Борисенко, Г. Н. Иванов,
Р.Р. ейфул н.– М. : ИНФРА-М, 2014. – 142 с.
3. Про зводственное оборудование. Станки и инструменты :
ванилабораторный практ кум / сост. Б. И. Калмин [и др.]. – Омск :
ибАДИ, 2014. – 54 с.
4. Балла, О.М. О ра отка деталей на станках с ЧПУ. Оборудо- е. Оснастка. Технология [Электронный ресурс] : учеб. пособие. –
Электрон. СПбдан. – . : Лань, 2015. – 368 с. – Режим доступа:
https://e.lanbook.com/book/64322. – Загл. с экрана (дата обращения к ресурсу: 25.12.2017).
5. Кугульт нов, С.Д. Технология обработки конструкционных материалов: уче ное посо ие / С. Д. Кугультинов, А. К. Ковальчук, И. И. Портнов. – М. :АМГТУ им. Н. Э. Баумана, 2010. – 678 с.
6. Металловедение и технология конструкционных материалов. Лабораторный практикум [Электронный ресурс] : учеб. пособие / О.С. Комаров [и др.]. – Электрон. дан. – Минск : Новое знание, 2016.
– 308 с. – Режим доступа:Дhttps://e.lanbook.com/book/90871. –
Загл. с экрана (дата обращения к ресурсу: 25.12.2017). И