С |
|
|
|
|
|
|
|
|
|
|
|
|
|
|
|
|
|
|
|
|
|
|
|
|
|
|||||||||||
|
|
Р |
с. 35. К немат |
ческая цепь главного движения условного станка |
|
|
|
|||||||||||||||||||||||||||||
|
|
|
|
|
|
|
|
|
|
|
|
|
|
|
|
(вариант № 35) |
|
|
|
|
|
|
|
|
|
|
|
|
||||||||
|
|
|
35. Ч сло о оротов электродвигателя, диаметры шкивов ременной |
|
|
|
||||||||||||||||||||||||||||||
|
Таблица |
|
|
|
|
|
|
|
|
|
|
|
|
|
|
|
|
|
|
|
||||||||||||||||
|
передачи |
ч |
|
сла зу ьев зу чатых колес (вариант № 35) |
|
|
|
|
|
|
|
|
|
|||||||||||||||||||||||
|
|
|
|
|
|
|
|
|
|
|
|
|
|
|
|
|
|
|
|
|
|
|
|
|
|
|
|
|
|
|
|
|
|
|
|
|
|
nЭ |
|
|
d1 |
|
d2 |
|
Z1 |
|
Z2 |
|
Z3 |
|
Z4 |
|
Z5 |
|
Z6 |
|
Z7 |
|
Z8 |
Z9 |
Z10 |
Z11 |
|||||||||||
|
1750 |
|
|
210 |
|
270 |
|
33 |
|
47 |
|
62 |
|
62 |
|
44 |
|
29 |
|
28 |
|
|
29 |
|
47 |
|
54 |
79 |
|
|
||||||
|
|
|
|
|
|
|
|
|
|
|
|
|
|
|
|
|
|
|
|
|
|
|
|
|
|
|||||||||||
|
Z12 |
Z13 |
|
Z14 |
|
Z15 |
|
Z16 |
|
Z17 |
|
Z18 |
|
Z19 |
Z20 |
|
Z21 |
|
Z22 |
|
Z23 |
|
Z24 |
Z25 |
||||||||||||
|
46 |
63 |
|
22 |
|
33 |
|
78 |
|
22 |
|
33 |
|
69 |
47 |
23 |
|
|
63 |
|
51 |
|
49 |
39 |
|
|
||||||||||
|
|
|
|
|
|
|
|
|
|
|
|
|
|
|
|
Вариант № 36 |
|
|
|
|
|
|
|
|
|
|
|
|
||||||||
|
|
1. |
Обработка заготовок на бесцентрово-шлифовальных станках: |
|||||||||||||||||||||||||||||||||
|
|
|
|
|
|
бА |
|
|
|
|
|
|
|
|
||||||||||||||||||||||
|
дать характеристику метода шлифования, привести схему бесцентрово- |
|||||||||||||||||||||||||||||||||||
|
шлифовального станка с описанием, привести схемы обработки загото- |
|||||||||||||||||||||||||||||||||||
|
вок на бесцентрово-шлифовальных станках с описанием. |
|
|
|
|
|
|
|||||||||||||||||||||||||||||
|
|
2. Осевой режущий инструмент (применяемый на сверлильных |
||||||||||||||||||||||||||||||||||
|
станках): привести эскизы инструментовДс описанием, привести эскизы |
|||||||||||||||||||||||||||||||||||
|
частей, элементови углов заточки спиральногосверла с описанием. |
|
|
|
||||||||||||||||||||||||||||||||
|
|
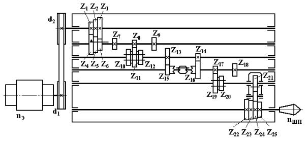
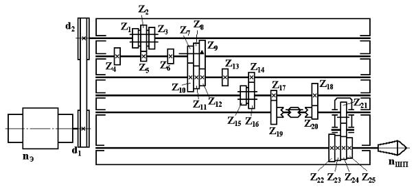
3. Провести анализ кинематической цепи главного движения ус- |
||||||||||||||||||||||||||||||||||
|
ловного станка, приведенной на рис. 36, включающий написание |
|||||||||||||||||||||||||||||||||||
|
уравнений кинематического баланса в общем и развернутом видах. |
|||||||||||||||||||||||||||||||||||
|
|
|
|
|
|
|
|
|
|
|
|
|
|
|
|
|
|
|
|
|
|
|
|
|
И |
|||||||||||
Определить количество скоростей вращения шпинделя, максимальные и минимальные значения оборотов шпинделя.
Коэффициент проскальзывания ременной передачи принять равным 0,985. Значения остальных исходных данных приведены в табл. 36.
С |
|
|
|
|
|
|
|
|
|
|
|
|
|
|
|
|
|
|
|
|
|
|
|
|
|||||||||||
|
передачич сла зу ьев зу чатых колес (вариант № 36) |
|
|
|
|
|
|
|
|
||||||||||||||||||||||||||
|
|
|
Р с. 36. К немат |
ческая цепь главного движения условного станка |
|
|
|
||||||||||||||||||||||||||||
|
|
|
|
|
|
|
|
|
|
|
|
|
|
|
|
(вариант № 36) |
|
|
|
|
|
|
|
|
|
|
|
||||||||
|
Таблица 36. Ч сло о оротов электродвигателя, диаметры шкивов ременной |
|
|
|
|||||||||||||||||||||||||||||||
|
|
|
|
|
|
|
|
|
|
|
|
|
|
|
|
|
|
|
|
|
|
|
|
|
|
|
|
|
|
|
|
|
|
|
|
|
nЭ |
|
d1 |
|
d2 |
|
Z1 |
|
Z2 |
|
Z3 |
|
Z4 |
|
Z5 |
Z6 |
|
Z7 |
Z8 |
Z9 |
Z10 |
Z11 |
|||||||||||||
|
1310 |
|
230 |
|
340 |
|
26 |
|
39 |
|
47 |
|
57 |
|
46 |
|
37 |
|
39 |
|
23 |
|
36 |
|
56 |
23 |
|
|
|||||||
|
|
|
|
|
|
|
|
|
|
|
|
|
|
|
|
|
|
|
|
|
|
|
|
|
|
|
|
||||||||
|
Z12 |
|
Z13 |
|
Z14 |
|
Z15 |
|
Z16 |
|
Z17 |
|
Z18 |
|
Z19 |
|
Z20 |
|
Z21 |
|
Z22 |
|
Z23 |
|
Z24 |
Z25 |
|||||||||
|
69 |
|
69 |
|
26 |
|
28 |
|
82 |
|
66 |
|
61 |
|
46 |
|
27 |
54 |
|
39 |
|
37 |
|
24 |
26 |
|
|
||||||||
|
|
|
|
|
|
|
|
|
|
|
|
|
|
|
|
Вариант № 37 |
|
|
|
|
|
|
|
|
|
|
|
||||||||
|
|
|
|
|
|
|
|
|
|
|
|
|
|
|
|
|
|
|
Д |
|
|
|
|||||||||||||
|
|
|
1. Обработка заготовок на продольно-фрезерных станках: дать ха- |
||||||||||||||||||||||||||||||||
|
рактеристикубАметода фрезерования, привести схему продольно- |
||||||||||||||||||||||||||||||||||
|
фрезерного станка с описанием, привести схему обработки заготовки на |
||||||||||||||||||||||||||||||||||
|
продольно-фрезерном станке с описанием. |
|
|
|
|
|
|
|
|
|
|
|
|
||||||||||||||||||||||
|
|
|
2. Токарные резцы: привести эскизы инструментов с описанием, |
||||||||||||||||||||||||||||||||
|
|
|
|
|
|
|
|
|
|
|
|
|
|
|
|
|
|
|
|
|
|
|
|
|
И |
||||||||||
привести эскизы элементов и углов заточки токарного проходного резца с описанием.
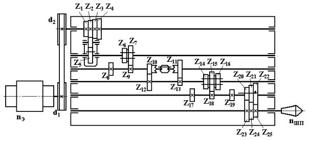
3. Провести анализ кинематической цепи главного движения условного станка, приведенной на рис. 37, включающий написание уравнений кинематического баланса в общем и развернутом видах. Определить количество скоростей вращения шпинделя, максимальные и минимальные значения оборотов шпинделя.
Коэффициент проскальзывания ременной передачи принять равным 0,985. Значения остальных исходных данных приведены в табл. 37.
С |
|
|
|
|
|
|
|
|
|
|
|
|
|
|
|
|
|
|
|
|
|
|
|
||||||||||||
|
Таблица |
|
|
|
|
|
|
|
|
|
|
|
|
|
|
|
|
|
|||||||||||||||||
|
|
|
Р |
с. 37. К немат |
ческая цепь главного движения условного станка |
|
|||||||||||||||||||||||||||||
|
|
|
|
|
|
|
бА |
|
|
|
|
|
|
||||||||||||||||||||||
|
|
|
|
|
|
|
|
|
|
|
|
|
|
|
|
|
(вариант № 37) |
|
|
|
|
|
|
|
|
|
|||||||||
|
|
|
|
37. Ч сло о оротов электродвигателя, диаметры шкивов ременной |
|
||||||||||||||||||||||||||||||
|
передачи |
ч |
|
сла зу ьев зу чатых колес (вариант № 37) |
|
|
|
|
|
|
|
||||||||||||||||||||||||
|
nЭ |
|
|
d1 |
|
d2 |
|
Z1 |
|
Z2 |
|
Z3 |
|
Z4 |
|
Z5 |
|
Z6 |
Z7 |
|
Z8 |
Z9 |
Z10 |
Z11 |
|||||||||||
|
1260 |
|
|
180 |
|
340 |
|
32 |
|
59 |
|
39 |
|
41 |
|
22 |
|
29 |
|
33 |
|
|
41 |
|
46 |
|
62 |
46 |
|||||||
|
Z12 |
|
Z13 |
|
Z14 |
|
Z15 |
|
Z16 |
|
Z17 |
|
Z18 |
|
Z19 |
Z20 |
|
Z21 |
|
Z22 |
|
Z23 |
|
Z24 |
Z25 |
||||||||||
|
41 |
|
37 |
|
21 |
|
32 |
|
46 |
|
24 |
|
59 |
|
49 |
21 |
|
31 |
|
|
58 |
|
54 |
|
41 |
28 |
|||||||||
ВариантД№ 38
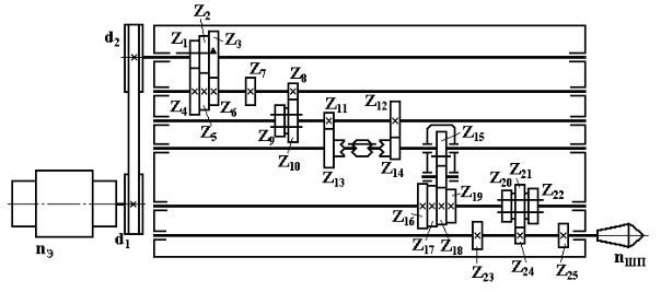
1. Станки с ЧПУ: указать направления автоматизации на базе станков с ЧПУ, преимущества станков с ЧПУ, привести схему станка с шаговыми двигателями с описанием.
2. Фрезы для обработки заготовок на горизонтально-фрезерных станках: привести эскизы инструментов с описаниемИ, привести эскиз частей, элементов и углов заточки цилиндрической фрезы с винтовыми зубьями с описанием.
3. Провести анализ кинематической цепи главного движения условного станка, приведенной на рис. 38, включающий написание уравнений кинематического баланса в общем и развернутом видах. Определить количество скоростей вращения шпинделя, максимальные и минимальные значения оборотов шпинделя.
Коэффициент проскальзывания ременной передачи принять равным 0,985. Значения остальных исходных данных приведены в табл. 38.
С |
|
|
|
|
|
|
|
|
|
|
|
|
|
|
|
|
|
|
|
|
|
|
|
||||||||||||
|
Таблица |
|
|
|
|
|
|
|
|
|
|
|
|
|
|
|
|
|
|||||||||||||||||
|
|
|
Р |
с. 38. К немат |
ческая цепь главного движения условного станка |
|
|||||||||||||||||||||||||||||
|
|
|
|
|
|
|
бА |
|
|
|
|
|
|
||||||||||||||||||||||
|
|
|
|
|
|
|
|
|
|
|
|
|
|
|
|
|
(вариант № 38) |
|
|
|
|
|
|
|
|
|
|||||||||
|
|
|
|
38. Ч сло о оротов электродвигателя, диаметры шкивов ременной |
|
||||||||||||||||||||||||||||||
|
передачи |
ч |
|
сла зу ьев зу чатых колес (вариант № 38) |
|
|
|
|
|
|
|
||||||||||||||||||||||||
|
nЭ |
|
|
d1 |
|
d2 |
|
Z1 |
|
Z2 |
|
Z3 |
|
Z4 |
|
Z5 |
|
Z6 |
Z7 |
|
Z8 |
Z9 |
Z10 |
Z11 |
|||||||||||
|
1140 |
|
|
170 |
|
640 |
|
18 |
|
29 |
|
38 |
|
54 |
|
43 |
|
28 |
|
64 |
|
|
72 |
|
26 |
|
57 |
38 |
|||||||
|
Z12 |
|
Z13 |
|
Z14 |
|
Z15 |
|
Z16 |
|
Z17 |
|
Z18 |
|
Z19 |
Z20 |
|
Z21 |
|
Z22 |
|
Z23 |
|
Z24 |
Z25 |
||||||||||
|
27 |
|
39 |
|
21 |
|
38 |
|
41 |
|
56 |
|
52 |
|
41 |
32 |
|
21 |
|
|
39 |
|
51 |
|
68 |
39 |
|||||||||
2. Режущие инструменты дляДнарезки зубчатых колес по методу обкатки: привести эскизы инструментов с указанием углов заточки. Дать описание.
Вариант № 39
1. Обработка заготовок на токарно-карусельных станках: дать ха-
рактеристику метода точения, привести схему токарно-карусельного станка с описанием, привести схему обработки заготовки на токарно-
карусельном станке с описанием. И
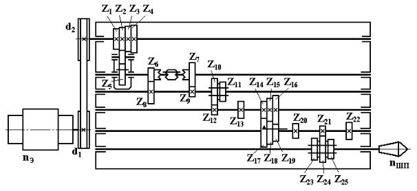
3. Провести анализ кинематической цепи главного движения условного станка, приведенной на рис. 39, включающий написание уравнений кинематического баланса в общем и развернутом видах. Определить количество скоростей вращения шпинделя, максимальные и минимальные значения оборотов шпинделя.
Коэффициент проскальзывания ременной передачи принять равным 0,985. Значения остальных исходных данных приведены в табл. 39.
С |
|
|
|
|
|
|
|
|
|
|
|
|
|
|
|
|
|
|
|
|
|
|
|
|||||||||||
|
Таблица |
|
|
|
|
|
|
|
|
|
|
|
|
|
|
|
|
|
||||||||||||||||
|
|
Р |
с. 39. К немат |
ческая цепь главного движения условного станка |
|
|||||||||||||||||||||||||||||
|
|
|
|
|
|
бА |
|
|
|
|
|
|
||||||||||||||||||||||
|
|
|
|
|
|
|
|
|
|
|
|
|
|
|
|
(вариант № 39) |
|
|
|
|
|
|
|
|
|
|||||||||
|
|
|
39. Ч сло о оротов электродвигателя, диаметры шкивов ременной |
|
||||||||||||||||||||||||||||||
|
передачи |
ч |
|
сла зу ьев зу чатых колес (вариант № 39) |
|
|
|
|
|
|
|
|||||||||||||||||||||||
|
nЭ |
|
|
d1 |
|
d2 |
|
Z1 |
|
Z2 |
|
Z3 |
|
Z4 |
|
Z5 |
|
Z6 |
Z7 |
|
Z8 |
Z9 |
Z10 |
Z11 |
||||||||||
|
870 |
|
|
60 |
|
570 |
|
24 |
|
31 |
|
44 |
|
53 |
|
46 |
|
42 |
|
76 |
|
|
42 |
|
29 |
|
28 |
52 |
||||||
|
Z12 |
Z13 |
|
Z14 |
|
Z15 |
|
Z16 |
|
Z17 |
|
Z18 |
|
Z19 |
Z20 |
|
Z21 |
|
Z22 |
|
Z23 |
|
Z24 |
Z25 |
||||||||||
|
64 |
29 |
|
34 |
|
63 |
|
51 |
|
36 |
|
17 |
|
34 |
38 |
|
44 |
|
|
59 |
|
74 |
|
51 |
27 |
|||||||||
ВариантД№ 40
1. Обработка заготовок на горизонтально-протяжных станках: дать характеристику метода протягивания, привести схему горизонтальнопротяжного станка с описанием, привести схемыобработки заготовок на протяжныхстанках с описанием.
2. Осевой режущий инструмент (применяемыйИна сверлильных станках): привести эскизы инструментов с описанием, привести эскизы частей, элементови углов заточки спиральногосверла с описанием.
3. Провести анализ кинематической цепи главного движения условного станка, приведенной на рис. 40, включающий написание уравнений кинематического баланса в общем и развернутом видах. Определить количество скоростей вращения шпинделя, максимальные и минимальные значения оборотов шпинделя.
Коэффициент проскальзывания ременной передачи принять равным 0,985. Значения остальных исходных данных приведены в табл. 40.