С |
|
|
|
|
|
|
|
|
|
|
|
|
|
|
|
|
|
|
|
|
|
|
|
|
|
|||||||||||
|
|
Р |
с. 15. К немат |
ческая цепь главного движения условного станка |
|
|
|
|||||||||||||||||||||||||||||
|
|
|
|
|
|
|
|
|
|
|
|
|
|
|
|
(вариант № 15) |
|
|
|
|
|
|
|
|
|
|
|
|
||||||||
|
|
|
15. Ч сло о оротов электродвигателя, диаметры шкивов ременной |
|
|
|
||||||||||||||||||||||||||||||
|
Таблица |
|
|
|
|
|
|
|
|
|
|
|
|
|
|
|
|
|
|
|
||||||||||||||||
|
передачи |
ч |
|
сла зу ьев зу чатых колес (вариант № 15) |
|
|
|
|
|
|
|
|
|
|||||||||||||||||||||||
|
|
|
|
|
|
|
|
|
|
|
|
|
|
|
|
|
|
|
|
|
|
|
|
|
|
|
|
|
|
|
|
|
|
|
|
|
|
nЭ |
|
|
d1 |
|
d2 |
|
Z1 |
|
Z2 |
|
Z3 |
|
Z4 |
|
Z5 |
|
Z6 |
|
Z7 |
|
Z8 |
Z9 |
Z10 |
Z11 |
|||||||||||
|
1380 |
|
|
180 |
|
340 |
|
31 |
|
47 |
|
56 |
|
62 |
|
41 |
|
22 |
|
29 |
|
|
22 |
|
49 |
|
52 |
78 |
|
|
||||||
|
|
|
|
|
|
|
|
|
|
|
|
|
|
|
|
|
|
|
|
|
|
|
|
|
|
|||||||||||
|
Z12 |
Z13 |
|
Z14 |
|
Z15 |
|
Z16 |
|
Z17 |
|
Z18 |
|
Z19 |
Z20 |
|
Z21 |
|
Z22 |
|
Z23 |
|
Z24 |
Z25 |
||||||||||||
|
42 |
69 |
|
24 |
|
27 |
|
79 |
|
22 |
|
32 |
|
67 |
43 |
27 |
|
|
61 |
|
54 |
|
44 |
37 |
|
|
||||||||||
|
|
|
|
|
|
|
|
|
|
|
|
|
|
|
|
Вариант № 16 |
|
|
|
|
|
|
|
|
|
|
|
|
||||||||
|
|
1. |
Обработка заготовок на бесцентрово-шлифовальных станках: |
|||||||||||||||||||||||||||||||||
|
|
|
|
|
|
бА |
|
|
|
|
|
|
|
|
||||||||||||||||||||||
|
дать характеристику метода шлифования, привести схему бесцентрово- |
|||||||||||||||||||||||||||||||||||
|
шлифовального станка с описанием, привести схемы обработки загото- |
|||||||||||||||||||||||||||||||||||
|
вок на бесцентрово-шлифовальных станках с описанием. |
|
|
|
|
|
|
|||||||||||||||||||||||||||||
|
|
2. Осевой режущий инструмент (применяемый на сверлильных |
||||||||||||||||||||||||||||||||||
|
станках): привести эскизы инструментовДс описанием, привести эскизы |
|||||||||||||||||||||||||||||||||||
|
частей, элементови углов заточки спиральногосверла с описанием. |
|
|
|
||||||||||||||||||||||||||||||||
|
|
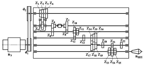
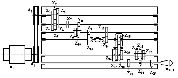
3. Провести анализ кинематической цепи главного движения ус- |
||||||||||||||||||||||||||||||||||
|
ловного станка, приведенной на рис. 16, включающий написание |
|||||||||||||||||||||||||||||||||||
|
уравнений кинематического баланса в общем и развернутом видах. |
|||||||||||||||||||||||||||||||||||
|
|
|
|
|
|
|
|
|
|
|
|
|
|
|
|
|
|
|
|
|
|
|
|
|
И |
|||||||||||
Определить количество скоростей вращения шпинделя, максимальные и минимальные значения оборотов шпинделя.
Коэффициент проскальзывания ременной передачи принять равным 0,985. Значения остальных исходных данных приведены в табл. 16.
С |
|
|
|
|
|
|
|
|
|
|
|
|
|
|
|
|
|
|
|
|
|
|
|
|
|||||||||||
|
передачич сла зу ьев зу чатых колес (вариант № 16) |
|
|
|
|
|
|
|
|
||||||||||||||||||||||||||
|
|
|
Р с. 16. К немат |
ческая цепь главного движения условного станка |
|
|
|
||||||||||||||||||||||||||||
|
|
|
|
|
|
|
|
|
|
|
|
|
|
|
|
(вариант № 16) |
|
|
|
|
|
|
|
|
|
|
|
||||||||
|
Таблица 16. Ч сло о оротов электродвигателя, диаметры шкивов ременной |
|
|
|
|||||||||||||||||||||||||||||||
|
|
|
|
|
|
|
|
|
|
|
|
|
|
|
|
|
|
|
|
|
|
|
|
|
|
|
|
|
|
|
|
|
|
|
|
|
nЭ |
|
d1 |
|
d2 |
|
Z1 |
|
Z2 |
|
Z3 |
|
Z4 |
|
Z5 |
Z6 |
|
Z7 |
Z8 |
Z9 |
Z10 |
Z11 |
|||||||||||||
|
1900 |
|
220 |
|
310 |
|
32 |
|
36 |
|
48 |
|
58 |
|
54 |
|
38 |
|
39 |
|
28 |
|
33 |
|
58 |
29 |
|
|
|||||||
|
|
|
|
|
|
|
|
|
|
|
|
|
|
|
|
|
|
|
|
|
|
|
|
|
|
|
|
||||||||
|
Z12 |
|
Z13 |
|
Z14 |
|
Z15 |
|
Z16 |
|
Z17 |
|
Z18 |
|
Z19 |
|
Z20 |
|
Z21 |
|
Z22 |
|
Z23 |
|
Z24 |
Z25 |
|||||||||
|
74 |
|
62 |
|
34 |
|
26 |
|
78 |
|
69 |
|
63 |
|
54 |
|
29 |
49 |
|
42 |
|
34 |
|
22 |
26 |
|
|
||||||||
|
|
|
|
|
|
|
|
|
|
|
|
|
|
|
|
Вариант № 17 |
|
|
|
|
|
|
|
|
|
|
|
||||||||
|
|
|
|
|
|
|
|
|
|
|
|
|
|
|
|
|
|
|
Д |
|
|
|
|||||||||||||
|
|
|
1. Обработка заготовок на продольно-фрезерных станках: дать ха- |
||||||||||||||||||||||||||||||||
|
рактеристикубАметода фрезерования, привести схему продольно- |
||||||||||||||||||||||||||||||||||
|
фрезерного станка с описанием, привести схему обработки заготовки на |
||||||||||||||||||||||||||||||||||
|
продольно-фрезерном станке с описанием. |
|
|
|
|
|
|
|
|
|
|
|
|
||||||||||||||||||||||
|
|
|
2. Токарные резцы: привести эскизы инструментов с описанием, |
||||||||||||||||||||||||||||||||
|
|
|
|
|
|
|
|
|
|
|
|
|
|
|
|
|
|
|
|
|
|
|
|
|
И |
||||||||||
привести эскизы элементов и углов заточки токарного проходного резца с описанием.
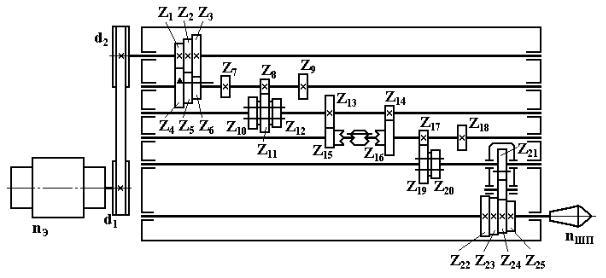
3. Провести анализ кинематической цепи главного движения условного станка, приведенной на рис. 17, включающий написание уравнений кинематического баланса в общем и развернутом видах. Определить количество скоростей вращения шпинделя, максимальные и минимальные значения оборотов шпинделя.
Коэффициент проскальзывания ременной передачи принять равным 0,985. Значения остальных исходных данных приведены в табл. 17.
С |
|
|
|
|
|
|
|
|
|
|
|
|
|
|
|
|
|
|
|
|
|
|
|
|||||||||||
|
Таблица |
|
|
|
|
|
|
|
|
|
|
|
|
|
|
|
|
|
||||||||||||||||
|
|
Р |
с. 17. К немат |
ческая цепь главного движения условного станка |
|
|||||||||||||||||||||||||||||
|
|
|
|
|
|
бА |
|
|
|
|
|
|
||||||||||||||||||||||
|
|
|
|
|
|
|
|
|
|
|
|
|
|
|
|
(вариант № 17) |
|
|
|
|
|
|
|
|
|
|||||||||
|
|
|
17. Ч сло о оротов электродвигателя, диаметры шкивов ременной |
|
||||||||||||||||||||||||||||||
|
передачи |
ч |
|
сла зу ьев зу чатых колес (вариант № 17) |
|
|
|
|
|
|
|
|||||||||||||||||||||||
|
nЭ |
|
|
d1 |
|
d2 |
|
Z1 |
|
Z2 |
|
Z3 |
|
Z4 |
|
Z5 |
|
Z6 |
Z7 |
|
Z8 |
Z9 |
Z10 |
Z11 |
||||||||||
|
830 |
|
|
60 |
|
610 |
|
32 |
|
61 |
|
42 |
|
38 |
|
21 |
|
26 |
|
32 |
|
|
39 |
|
51 |
|
63 |
53 |
||||||
|
Z12 |
Z13 |
|
Z14 |
|
Z15 |
|
Z16 |
|
Z17 |
|
Z18 |
|
Z19 |
Z20 |
|
Z21 |
|
Z22 |
|
Z23 |
|
Z24 |
Z25 |
||||||||||
|
44 |
43 |
|
27 |
|
31 |
|
47 |
|
29 |
|
64 |
|
46 |
27 |
|
22 |
|
|
57 |
|
51 |
|
41 |
31 |
|||||||||
ВариантД№ 18
1. Станки с ЧПУ: указать направления автоматизации на базе станков с ЧПУ, преимущества станков с ЧПУ, привести схему станка с шаговыми двигателями с описанием.
2. Фрезы для обработки заготовок на горизонтально-фрезерных станках: привести эскизы инструментов с описаниемИ, привести эскиз частей, элементов и углов заточки цилиндрической фрезы с винтовыми зубьями с описанием.
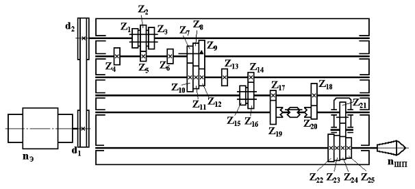
3. Провести анализ кинематической цепи главного движения условного станка, приведенной на рис. 18, включающий написание уравнений кинематического баланса в общем и развернутом видах. Определить количество скоростей вращения шпинделя, максимальные и минимальные значения оборотов шпинделя.
Коэффициент проскальзывания ременной передачи принять равным 0,985. Значения остальных исходных данных приведены в табл. 18.
С |
|
|
|
|
|
|
|
|
|
|
|
|
|
|
|
|
|
|
|
|
|
|
|
|||||||||||
|
Таблица |
|
|
|
|
|
|
|
|
|
|
|
|
|
|
|
|
|
||||||||||||||||
|
|
Р |
с. 18. К немат |
ческая цепь главного движения условного станка |
|
|||||||||||||||||||||||||||||
|
|
|
|
|
|
бА |
|
|
|
|
|
|
||||||||||||||||||||||
|
|
|
|
|
|
|
|
|
|
|
|
|
|
|
|
(вариант № 18) |
|
|
|
|
|
|
|
|
|
|||||||||
|
|
|
18. Ч сло о оротов электродвигателя, диаметры шкивов ременной |
|
||||||||||||||||||||||||||||||
|
передачи |
ч |
|
сла зу ьев зу чатых колес (вариант № 18) |
|
|
|
|
|
|
|
|||||||||||||||||||||||
|
nЭ |
|
|
d1 |
|
d2 |
|
Z1 |
|
Z2 |
|
Z3 |
|
Z4 |
|
Z5 |
|
Z6 |
Z7 |
|
Z8 |
Z9 |
Z10 |
Z11 |
||||||||||
|
810 |
|
|
190 |
|
630 |
|
18 |
|
32 |
|
43 |
|
54 |
|
46 |
|
29 |
|
59 |
|
|
69 |
|
21 |
|
59 |
43 |
||||||
|
Z12 |
Z13 |
|
Z14 |
|
Z15 |
|
Z16 |
|
Z17 |
|
Z18 |
|
Z19 |
Z20 |
|
Z21 |
|
Z22 |
|
Z23 |
|
Z24 |
Z25 |
||||||||||
|
27 |
34 |
|
28 |
|
38 |
|
49 |
|
62 |
|
53 |
|
36 |
38 |
|
29 |
|
|
43 |
|
48 |
|
73 |
41 |
|||||||||
2. Режущие инструменты дляДнарезки зубчатых колес по методу обкатки: привести эскизы инструментов с указанием углов заточки. Дать описание.
Вариант № 19
1. Обработка заготовок на токарно-карусельных станках: дать ха-
рактеристику метода точения, привести схему токарно-карусельного станка с описанием, привести схему обработки заготовки на токарно-
карусельном станке с описанием. И
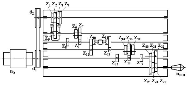
3. Провести анализ кинематической цепи главного движения условного станка, приведенной на рис. 19, включающий написание уравнений кинематического баланса в общем и развернутом видах. Определить количество скоростей вращения шпинделя, максимальные и минимальные значения оборотов шпинделя.
Коэффициент проскальзывания ременной передачи принять равным 0,985. Значения остальных исходных данных приведены в табл. 19.
С |
|
|
|
|
|
|
|
|
|
|
|
|
|
|
|
|
|
|
|
|
|
|
|
||||||||||||
|
Таблица |
|
|
|
|
|
|
|
|
|
|
|
|
|
|
|
|
|
|||||||||||||||||
|
|
|
Р |
с. 19. К немат |
ческая цепь главного движения условного станка |
|
|||||||||||||||||||||||||||||
|
|
|
|
|
|
|
бА |
|
|
|
|
|
|
||||||||||||||||||||||
|
|
|
|
|
|
|
|
|
|
|
|
|
|
|
|
|
(вариант № 19) |
|
|
|
|
|
|
|
|
|
|||||||||
|
|
|
|
19. Ч сло о оротов электродвигателя, диаметры шкивов ременной |
|
||||||||||||||||||||||||||||||
|
передачи |
ч |
|
сла зу ьев зу чатых колес (вариант № 19) |
|
|
|
|
|
|
|
||||||||||||||||||||||||
|
nЭ |
|
|
d1 |
|
d2 |
|
Z1 |
|
Z2 |
|
Z3 |
|
Z4 |
|
Z5 |
|
Z6 |
Z7 |
|
Z8 |
Z9 |
Z10 |
Z11 |
|||||||||||
|
1110 |
|
|
140 |
|
560 |
|
21 |
|
27 |
|
41 |
|
48 |
|
44 |
|
44 |
|
77 |
|
|
46 |
|
29 |
|
21 |
52 |
|||||||
|
Z12 |
|
Z13 |
|
Z14 |
|
Z15 |
|
Z16 |
|
Z17 |
|
Z18 |
|
Z19 |
Z20 |
|
Z21 |
|
Z22 |
|
Z23 |
|
Z24 |
Z25 |
||||||||||
|
62 |
|
31 |
|
36 |
|
66 |
|
59 |
|
36 |
|
19 |
|
34 |
32 |
|
49 |
|
|
53 |
|
72 |
|
52 |
31 |
|||||||||
ВариантД№ 20
1. Обработка заготовок на горизонтально-протяжных станках: дать характеристику метода протягивания, привести схему горизонтальнопротяжного станка с описанием, привести схемыобработки заготовок на протяжныхстанках с описанием.
2. Осевой режущий инструмент (применяемыйИна сверлильных станках): привести эскизы инструментов с описанием, привести эскизы частей, элементови углов заточки спиральногосверла с описанием.
3. Провести анализ кинематической цепи главного движения условного станка, приведенной на рис. 20, включающий написание уравнений кинематического баланса в общем и развернутом видах. Определить количество скоростей вращения шпинделя, максимальные и минимальные значения оборотов шпинделя.
Коэффициент проскальзывания ременной передачи принять равным 0,985. Значения остальных исходных данных приведены в табл. 20.