С |
|
|
|
|
|
|
|
|
|
|
|
|
|
|
|
|
|
|
|||||||||
|
Таблица |
|
|
|
|
|
|
|
|
|
|
|
|
|
|
||||||||||||
|
|
|
Р |
с. 20. К немат |
ческая цепь главного движения условного станка |
|
|
||||||||||||||||||||
|
|
|
|
|
|
бА |
|
|
|
|
|
|
|
||||||||||||||
|
|
|
|
|
|
|
|
|
|
|
|
(вариант № 20) |
|
|
|
|
|
|
|
|
|
|
|||||
|
|
|
20. Ч сло о оротов электродвигателя, диаметры шкивов ременной |
|
|
||||||||||||||||||||||
|
передачи |
ч |
сла зу ьев зу чатых колес (вариант № 20) |
|
|
|
|
|
|
|
|
||||||||||||||||
|
nЭ |
|
d1 |
d2 |
Z1 |
Z2 |
Z3 |
Z4 |
Z5 |
Z6 |
Z7 |
|
Z8 |
Z9 |
Z10 |
Z11 |
|
||||||||||
|
1320 |
|
210 |
270 |
33 |
44 |
61 |
69 |
36 |
28 |
33 |
|
|
29 |
|
42 |
|
46 |
72 |
|
|||||||
|
Z12 |
|
Z13 |
|
Z14 |
|
Z15 |
|
Z16 |
|
Z17 |
|
Z18 |
|
Z19 |
Z20 |
Z21 |
|
Z22 |
|
Z23 |
|
Z24 |
Z25 |
|
||
|
41 |
|
64 |
|
29 |
|
31 |
|
79 |
|
17 |
|
33 |
|
71 |
43 |
21 |
|
|
67 |
|
58 |
|
47 |
32 |
|
|
|
|
|
|
|
|
|
|
|
|
|
|
Вариант № 21 |
|
|
|
|
|
|
|
|
|
|
|||||
|
|
|
1. Обработка заготовок на токарно-винторезных станках: дать ха- |
||||||||||||||||||||||||
|
рактеристику метода точения, привести схему токарно-винторезного |
||||||||||||||||||||||||||
|
станка с описанием, привести схемы обработки заготовок на токарно- |
||||||||||||||||||||||||||
|
винторезном станке с описанием. |
|
|
И |
|||||||||||||||||||||||
|
|
|
|
|
|
|
|
|
|
|
|
|
|
|
|
|
|
||||||||||
|
|
|
2. Протяжки: привести эскиз круглой протяжки с указанием эле- |
||||||||||||||||||||||||
|
ментов и углов заточкизуба. Дать Дописание. |
|
|
||||||||||||||||||||||||
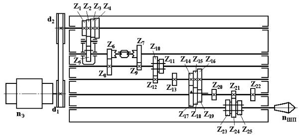
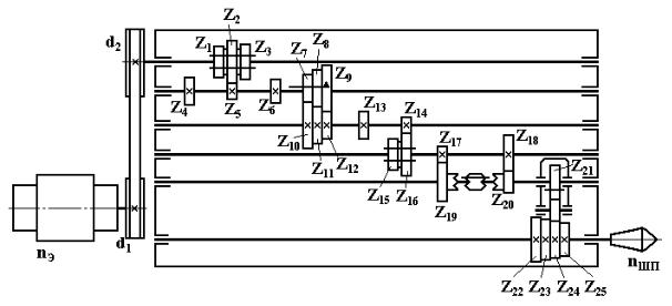
3. Провести анализ кинематической цепи главного движения условного станка, приведенной на рис. 21, включающий написание уравнений кинематического баланса в общем и развернутом видах. Определить количество скоростей вращения шпинделя, максимальные и минимальные значения оборотов шпинделя.
Коэффициент проскальзывания ременной передачи принять равным 0,985. Значения остальных исходных данных приведены в табл. 21.
С |
|
|
|
|
|
|
|
|
|
|
|
|
|
|
|
|
|
|
|
|
|
|
|
|
|||||||||||
|
передачич сла зу ьев зу чатых колес (вариант № 21) |
|
|
|
|
|
|
|
|
||||||||||||||||||||||||||
|
|
|
Р с. 21. К немат |
ческая цепь главного движения условного станка |
|
|
|
||||||||||||||||||||||||||||
|
|
|
|
|
|
|
|
|
|
|
|
|
|
|
|
(вариант № 21) |
|
|
|
|
|
|
|
|
|
|
|
||||||||
|
Таблица 21. Ч сло о оротов электродвигателя, диаметры шкивов ременной |
|
|
|
|||||||||||||||||||||||||||||||
|
|
|
|
|
|
|
|
|
|
|
|
|
|
|
|
|
|
|
|
|
|
|
|
|
|
|
|
|
|
|
|
|
|
|
|
|
nЭ |
|
d1 |
|
d2 |
|
Z1 |
|
Z2 |
|
Z3 |
|
Z4 |
|
Z5 |
|
Z6 |
|
Z7 |
Z8 |
Z9 |
Z10 |
Z11 |
||||||||||||
|
1170 |
|
230 |
|
320 |
|
26 |
|
44 |
|
52 |
|
59 |
|
54 |
|
42 |
|
37 |
|
29 |
|
31 |
|
63 |
24 |
|
|
|||||||
|
|
|
|
|
|
|
|
|
|
|
|
|
|
|
|
|
|
|
|
|
|
|
|
|
|
|
|||||||||
|
Z12 |
|
Z13 |
|
Z14 |
|
Z15 |
|
Z16 |
|
Z17 |
|
Z18 |
|
Z19 |
Z20 |
|
Z21 |
|
Z22 |
|
Z23 |
|
Z24 |
Z25 |
||||||||||
|
72 |
|
69 |
|
34 |
|
28 |
|
76 |
|
71 |
|
58 |
|
54 |
31 |
49 |
|
41 |
|
36 |
|
22 |
28 |
|
|
|||||||||
|
|
|
|
|
|
|
|
|
|
|
|
|
|
|
|
Вариант № 22 |
|
|
|
|
|
|
|
|
|
|
|
||||||||
|
|
|
|
|
|
|
|
|
|
|
|
|
|
|
|
|
|
|
Д |
|
|
|
|||||||||||||
|
|
|
1. Обработка заготовок на горизонтально- и вертикально- |
||||||||||||||||||||||||||||||||
|
фрезерных станкахбА: дать характеристику метода фрезерования, привести |
||||||||||||||||||||||||||||||||||
|
схемы горизонтально-фрезерного и вертикально-фрезерного станков с |
||||||||||||||||||||||||||||||||||
|
описанием, привести схемы обработки заготовок на горизонтально- и |
||||||||||||||||||||||||||||||||||
|
вертикально-фрезерных станках с описанием. |
И |
|||||||||||||||||||||||||||||||||
|
|
|
2. Режущий инструмент |
|
|
|
|
|
|
|
|||||||||||||||||||||||||
|
|
|
для растачивания отверстий (применяе- |
||||||||||||||||||||||||||||||||
мый на расточных станках): привести эскизы инструментов с указанием углов заточки расточногорезца. Дать описание.
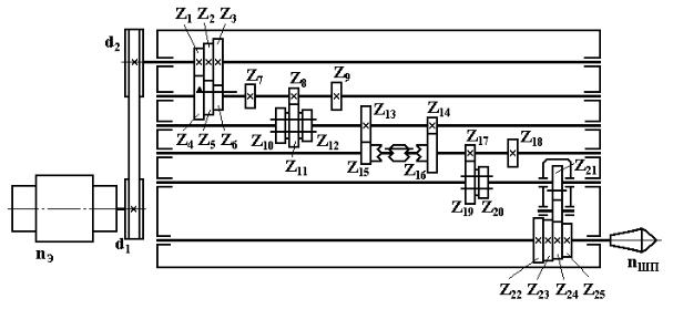
3. Провести анализ кинематической цепи главного движения условного станка, приведенной на рис. 22, включающий написание уравнений кинематического баланса в общем и развернутом видах. Определить количество скоростей вращения шпинделя, максимальные и минимальные значения оборотов шпинделя.
Коэффициент проскальзывания ременной передачи принять равным 0,985. Значения остальных исходных данных приведены в табл. 22.
С |
|
|
|
|
|
|
|
|
|
|
|
|
|
|
|
|
|
|
|
|
|
|
|
|||||||||||
|
Таблица |
|
|
|
|
|
|
|
|
|
|
|
|
|
|
|
|
|
||||||||||||||||
|
|
Р |
с. 22. К немат |
ческая цепь главного движения условного станка |
|
|||||||||||||||||||||||||||||
|
|
|
|
|
|
бА |
|
|
|
|
|
|
||||||||||||||||||||||
|
|
|
|
|
|
|
|
|
|
|
|
|
|
|
|
(вариант № 22) |
|
|
|
|
|
|
|
|
|
|||||||||
|
|
|
22. Ч сло о оротов электродвигателя, диаметры шкивов ременной |
|
||||||||||||||||||||||||||||||
|
передачи |
ч |
|
сла зу ьев зу чатых колес (вариант № 22) |
|
|
|
|
|
|
|
|||||||||||||||||||||||
|
nЭ |
|
|
d1 |
|
d2 |
|
Z1 |
|
Z2 |
|
Z3 |
|
Z4 |
|
Z5 |
|
Z6 |
Z7 |
|
Z8 |
Z9 |
Z10 |
Z11 |
||||||||||
|
880 |
|
|
140 |
|
590 |
|
29 |
|
58 |
|
43 |
|
44 |
|
28 |
|
29 |
|
32 |
|
|
39 |
|
49 |
|
62 |
53 |
||||||
|
Z12 |
Z13 |
|
Z14 |
|
Z15 |
|
Z16 |
|
Z17 |
|
Z18 |
|
Z19 |
Z20 |
|
Z21 |
|
Z22 |
|
Z23 |
|
Z24 |
Z25 |
||||||||||
|
39 |
36 |
|
21 |
|
33 |
|
46 |
|
24 |
|
59 |
|
52 |
28 |
|
24 |
|
|
63 |
|
53 |
|
44 |
26 |
|||||||||
ВариантД№ 23
1. Обработка заготовок на радиально-сверлильных станках: дать характеристику метода сверления, привести схему радиальносверлильного станка с описанием, привести схемы обработки заготовок на сверлильныхстанках с описанием.
2. Режущие инструменты для нарезки зубчатыхИколес по методу обкатки: привести эскизы инструментов с указанием углов заточки. Дать описание.
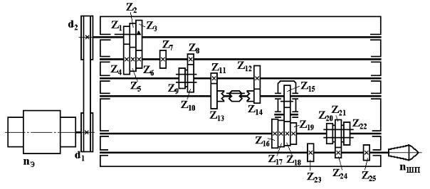
3. Провести анализ кинематической цепи главного движения условного станка, приведенной на рис. 23, включающий написание уравнений кинематического баланса в общем и развернутом видах. Определить количество скоростей вращения шпинделя, максимальные и минимальные значения оборотов шпинделя.
Коэффициент проскальзывания ременной передачи принять равным 0,985. Значения остальных исходных данных приведены в табл. 23.
С |
|
|
|
|
|
|
|
|
|
|
|
|
|
|
|
|
|
|
|
|
|
|
|
|||||||||||
|
Таблица |
|
|
|
|
|
|
|
|
|
|
|
|
|
|
|
|
|
||||||||||||||||
|
|
Р |
с. 23. К немат |
ческая цепь главного движения условного станка |
|
|||||||||||||||||||||||||||||
|
|
|
|
|
|
бА |
|
|
|
|
|
|
||||||||||||||||||||||
|
|
|
|
|
|
|
|
|
|
|
|
|
|
|
|
(вариант № 23) |
|
|
|
|
|
|
|
|
|
|||||||||
|
|
|
23. Ч сло о оротов электродвигателя, диаметры шкивов ременной |
|
||||||||||||||||||||||||||||||
|
передачи |
ч |
|
сла зу ьев зу чатых колес (вариант № 23) |
|
|
|
|
|
|
|
|||||||||||||||||||||||
|
nЭ |
|
|
d1 |
|
d2 |
|
Z1 |
|
Z2 |
|
Z3 |
|
Z4 |
|
Z5 |
|
Z6 |
Z7 |
|
Z8 |
Z9 |
Z10 |
Z11 |
||||||||||
|
630 |
|
|
240 |
|
560 |
|
18 |
|
34 |
|
37 |
|
48 |
|
48 |
|
32 |
|
56 |
|
|
72 |
|
24 |
|
57 |
37 |
||||||
|
Z12 |
Z13 |
|
Z14 |
|
Z15 |
|
Z16 |
|
Z17 |
|
Z18 |
|
Z19 |
Z20 |
|
Z21 |
|
Z22 |
|
Z23 |
|
Z24 |
Z25 |
||||||||||
|
26 |
38 |
|
24 |
|
31 |
|
46 |
|
59 |
|
47 |
|
39 |
37 |
|
23 |
|
|
41 |
|
49 |
|
68 |
36 |
|||||||||
описанием. Д 2. Токарные резцы: привести эскизы инструментов с описанием,
Вариант № 24
1. Обработка заготовок на зубофрезерных станках: дать характери-
стику двух методов формообразования зубьев зубчатых колес – копирования и обкатки, привести схему зубофрезерного станка с описанием, привести схемы нарезания зубчатых колес на зубофрезерном станке с
привести эскизы элементов и углов заточки токарного проходного резца
с описанием.
И
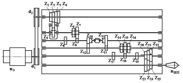
3. Провести анализ кинематической цепи главного движения условного станка, приведенной на рис. 24, включающий написание уравнений кинематического баланса в общем и развернутом видах. Определить количество скоростей вращения шпинделя, максимальные и минимальные значения оборотов шпинделя.
Коэффициент проскальзывания ременной передачи принять равным 0,985. Значения остальных исходных данных приведены в табл. 24.
С |
|
|
|
|
|
|
|
|
|
|
|
|
|
|
|
|
|
|
|
|
|
|
|
|||||||||||
|
Таблица |
|
|
|
|
|
|
|
|
|
|
|
|
|
|
|
|
|
||||||||||||||||
|
|
Р |
с. 24. К немат |
ческая цепь главного движения условного станка |
|
|||||||||||||||||||||||||||||
|
|
|
|
|
|
бА |
|
|
|
|
|
|
||||||||||||||||||||||
|
|
|
|
|
|
|
|
|
|
|
|
|
|
|
|
(вариант № 24) |
|
|
|
|
|
|
|
|
|
|||||||||
|
|
|
24. Ч сло о оротов электродвигателя, диаметры шкивов ременной |
|
||||||||||||||||||||||||||||||
|
передачи |
ч |
|
сла зу ьев зу чатых колес (вариант № 24) |
|
|
|
|
|
|
|
|||||||||||||||||||||||
|
nЭ |
|
|
d1 |
|
d2 |
|
Z1 |
|
Z2 |
|
Z3 |
|
Z4 |
|
Z5 |
|
Z6 |
Z7 |
|
Z8 |
Z9 |
Z10 |
Z11 |
||||||||||
|
590 |
|
|
70 |
|
560 |
|
23 |
|
34 |
|
37 |
|
47 |
|
47 |
|
41 |
|
77 |
|
|
44 |
|
33 |
|
29 |
51 |
||||||
|
Z12 |
Z13 |
|
Z14 |
|
Z15 |
|
Z16 |
|
Z17 |
|
Z18 |
|
Z19 |
Z20 |
|
Z21 |
|
Z22 |
|
Z23 |
|
Z24 |
Z25 |
||||||||||
|
67 |
29 |
|
33 |
|
69 |
|
57 |
|
38 |
|
22 |
|
27 |
32 |
|
41 |
|
|
59 |
|
68 |
|
47 |
29 |
|||||||||
ВариантД№ 25
1. Обработка заготовок на горизонтально-расточных станках: дать характеристику метода растачивания, привести схему горизонтальнорасточного станка с описанием, привести схемы обработки заготовок на горизонтально-расточных станках с описанием.
2. Фрезы для обработки заготовок на вертикальноИ-фрезерных станках: привести эскизы инструментов с описанием, привести эскиз зуба торцовой фрезы с указанием режущих кромок и углов заточки с описанием.
3. Провести анализ кинематической цепи главного движения условного станка, приведенной на рис. 25, включающий написание уравнений кинематического баланса в общем и развернутом видах. Определить количество скоростей вращения шпинделя, максимальные и минимальные значения оборотов шпинделя.
Коэффициент проскальзывания ременной передачи принять равным 0,985. Значения остальных исходных данных приведены в табл. 25.