Материал: Технология грузовой работы станции Ченгельды Шымкентского отделения перевозок

Внимание! Если размещение файла нарушает Ваши авторские права, то обязательно сообщите нам

2.7.3          Расчет перерабатывающей способности склада

Перерабатывающая способность склада определяется по средствам механизации и по площади склада, отдельно по прибытию и отправлению.

Перерабатывающая способность по средствам механизации определяется по формуле:

Для всех грузов, кроме контейнеров:

, т/сут;                                   (2.15)

или , ваг/сут;

где Тпер- перерывы в работе склада по условиям технологии ГР, в периоды подачи-уборки вагонов, смены бригад и другие.

Для контейнеров:

, конт/сут                              (2.16)

По площади складов перерабатывающая способность рассчитывается по формулам:

Для всех грузов, кроме контейнеров:

, т/сут                                              (2.17)

Или , ваг/сут

для контейнеров:

, конт/сут                                  (2.18)

Рассчитаем перерабатывающую способность механизмов и складов.

.        Тарно-штучные грузы

Прибытие

 т/сут;

 ваг/сут.

 т/сут

 ваг/сут.

Отправление

 т/сут;

 ваг/сут.

 т/сут;

 ваг/сут.

2.  Контейнеры 20-тонники

Прибытие:

 конт/сут

 конт/сут

3.  Тяжеловесные грузы:

Прибытие:

 т/сут

 ваг/сут

 т/сут

 ваг/сут

Отправление:

 т/сут

 ваг/сут

 т/сут

 ваг/сут

2.7.4          Организация централизованного завоза и вывоза груза

Потребное количество автомобилей для централизованного завоза и вывоза грузов определяется по формуле:

, машин                                              (2.19)

Где - коэффициент, учитывающий непроизводительный простой автомобиля под грузовыми операциями;

- коэффициент использования грузоподъемности автомобиля;

Та- продолжительность работы автотранспорта;

- средняя норма загрузки автомобиля;

tа- оборот автомобиля, зависит от маршрута движения.

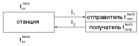
Рис.2.1 Схема маятникового маршрута

                                               (2.20)

где - время на погрузку автомобиля на станции и у отправителя, и выгрузку у получателя и на станции, рассчитывается по формуле:

, час                                                                  (2.21)

l1, l2, l3- расстояния между складами дороги, получателя и отправителя;

Vm- техническая скорость движения автомобиля по городу, км/ч

Расчеты произведем для контейнеров 20-тонников:

 ч

l=15

число автомобилей:

qa=10т

 авт.

2.8 Суточный план - график работы станции и подъездного пути

Исходные данные для составления суточного план-графика следующие: принятый расчетный грузооборот на подъездном пути; схема движения поездов на примыкающих к станции участках; график обработки поездов и групп вагонов по прибытию и отправлению; расчетное количество ниток графика и расписание движения передаточных поездов между подъездным путем и станции примыкания;

Эксплуатационная и техническая характеристика подъездного пути и соответствующих обустройств станции примыкания;

Расчетные корреспонденции груз и вагонопотоков между станцией и подъездным путем, а также внутри подъездного пути;

Нормы времени на выполнение грузовых, технических и коммерческих операций;

Нормы времени и график обработки вагонов общесетевого парка на станции и подъездного пути;

План маршрутизации и план формирования поездов, установленные для направления, на котором расположена станция примыкания;

Контактные графики с нормами времени на грузовые операции собственными вагонами [9].

Суточный план-график является документом, завершающим составление ЕТП работы подъездного пути и станции примыкания. Он необходим для решения следующих основных вопросов:

обеспечение ритмичности в грузовой и поездной работе, а также непрерывности в выполнении операции и ликвидации простоя вагонов между операциями;

рационального использования всех технических средств станции и подъездного пути;

определение «узких» мест в процессах обработки вагонов и разработки мероприятии для их ликвидации;

нормирования оборота (простоя) вагонов на подъездном пути с расчлененными его элементами.

На основании суточного плана-графика устанавливаются нормы оборота вагонов на подъездном пути:

для вагонов с одной грузовой операцией;

для вагонов с двумя операциями;

для маршрутов.

На подъездных путях может устанавливаться один общий срок оборота для всех вагонов независимо от операций, выполняемые с ними.

При разработке комплексных ЕТП в них может устанавливаться единый срок оборота вагонов в тех случаях, когда подача вагонов осуществляется по одному примыканию подъездного пути, а их вывод по другому.

В случае составления комплексного ЕТП, срок оборота вагонов на подъездном пути (под одной, двумя грузовыми операциями и на погрузку-выгрузку маршрутов) рассчитывается изложенным выше порядком по каждому примыканию в отдельности или один к одному. С помощью суточного плана-графика работы подъездного пути и станции примыкания можно определить время на обработку одной подачи.

Целью графика является увязка работы всех подразделений станции, снижения минимума межоперационных интервалов, установление загрузки отдельных элементов станции, маневровых локомотивов и установление норм простоя вагона [9].

Принимаются следующие нормы для технических операций, выполняемых с составами и группами вагонов.

■ время хода поезда по перегону - 15 минут

■ занятость стрелки - 5 минут

■ время обработки поезда в приемо-отправочном парке:

для сборного поезда - 20 минут

для маршрутного поезда - 25 минут

■ перестановка состава из парка в парк, либо с пути на путь - 5 мин

■ время на расформирование состава для сборного и для маршрутного поезда - 30 минут;

■ подача вагонов с сортировочного парка на грузовой терминал - 15 минут

■ время уборки вагонов с грузового терминала в СП - 15 минут

■ время обработки вагонов в сортировочном парке по отправлению - 15 минут;

■ время формирования состава по отправлению - 20 минут;

■ операции по отправлению в приемо-отправочном парке - 15 минут;

■ время отправления поезда - 15 минут.

Показатели суточного плана-графика.

На основании суточного плана-графика определяются нормы простоя местных вагонов на станции и на каждом подъездном пути.

Нормы время нахождения местных вагонов на станции устанавливаются общие и с расчленением по элементам:

от прибытия до подачи под грузовыми операциями.

под грузовыми операциями.

от окончания грузовых операции до отправления

Таблица 2.7 Время простоя вагонов от прибытия до подачи под Г0

№ поезд

Время прибытия

Кол-во Вагонов

Время подачи под ГО

Кол-во вагонов

Простой одного вагона

Вагоно -часы

1

2

3

4

5

6

7

3409

2-20

16/0

3-12 3-37 3-57

2/0 13/0 1/0

0-52 1-17 1-34

1,7 16,7 1,6

3407

7-10

32/1

8-02 8-02 8-19 8-19 8-36 8-36 8-52

5/0 3/0 3/1 2/0 3/0 13/0 3/0

0-52 0-52 1-09 1-09 1-26 1-26 1-42

4,3 2,6 4,6 2,3 4,3 18,52 5,1

3405

12-00

28/4

12-52 12-52 13-09 13-09 13-24 13-24 13-32

4/0 2/2 3/2 2/0 2/0 12/0 3/0

0-52 0-52 1-09 1-09 1-24 1-24 1-32

3,4 3,4 6,9 2,3 1,4 16,8 4,6

3403

16-50

29/0

17-42 17-42 17-59 18-16 18-22 18-32 18-49

4/0 3/0 3/2 2/0 1/0 13/0 3/0

0-52 0-52 1-09 1-26 1-32 1-42 1-59

3,4 2,6 3,45 2,9 1,5 22,1 5,9

3401

21-40

26/2

22-32 22-49 22-49 23-06 22-32 24-16

4/0 4/0 3/2 1/0 2/0 12/0

0-52 1-09 1-09 0-52 1-26 1-36

3,5 1,15 4,6 0,87 2,9 3,2

Итого

-

134/9

-

134/9

-

158,66

Среднее время простоя от прибытия до подачи под ГО

 ч.

Таблица 2.8 Время простоя вагонов от окончания ГО до отправления

время окончания грузовых операций

количество вагонов

номер поезда

количество вагонов

время отправления

простой одного вагона

вагоно-часы простоя

3409

2/0 13/0 1/0

3-12 3-37 3-64

0/2 13/0 1/0

3-50 7-02 6-00

0-38 3-35 2-16

1,26 16,6 15,9

3407/3404

5/0 3/0 3/1 2/0 3/0 13/0   3/0

8-02 8-02 8-19 8-19 8-36 8-36 8-36 8-36 8-52

4/1 3/0 4/0 2/0 0/3 0/2 7/0 4/0 4/0

9-31 9-30 11-05 9-30 9-45 10-38 12-00 11-10 10-55

1-46 1-38 2-46 1-11 1-09 2-02 3-24 2-34 2-03

8,8 4,9 11,1 2,4 3,45 4,07 23,8 10,27 6,15

3405/3406

4/0 2/2 3/2 2/0 2/0 12/0   3/0

12-52 12-52 13-09 13-09 13-24 13-24 13-24 13-24 13-42

3/1 4/0 5/0 2/0 0/2 0/3 5/0 4/0 3/0

14-29 14-20 15-54 14-20 14-45 14-45 16-00 15-10 15-47

1-37 1-28 2-45 1-11 1-21 1-21 2-36 1-46 2-05

6,5 5,9 13,75 2,7 1,35 4,05 13 7,07 6,25

3403

4/0 3/0 3/2 2/0 1/0 13/0   3/0

17-42 17-42 17-59 18-16 18-22 18-32 18-32 18-32 18-49

3/1 3/0 5/0 2/0 0/1 0/2 8/0 3/0 3/0

19-19 19-28 20-40 19-28 19-00 20-49 21-56 21-08 20-17

1-37 1-56 2-41 1-22 0-38 2-17 2-24 1-36 1-28

5,5 3,8 13,4 2,7 0,63 4,57 19,2 4,8 4,4

3401

4/0 4/0 3/2 1/0 2/0 12/0   3/0

22-32 22-49 22-49 23-06 22-32 24-16   24-34

3/1 4/0 5/0 1/0 0/2 0/2 6/0 4/0 3/0

24-07 24-22 1-35 24-22 23-10 2-08 3-40 2-55 2-40

1-35 1-33 3-46 1-16 0-38 1-52 3-24 2-39 2-24

6,3 6,2 18,8 1,27 1,27 3,7 20,4 10,6 7,2

итого

134/9


120/23



334,01


Средний простой под грузовыми операциями

 ч.

Таблица 2.9 Время от окончания ГО до отправления поезда

№ поезда

Время топравл

Кол-во вагонов

Время окончан ГО

Кол-во вагонов

Простой одного вагона

Ваг-часы простоя

3402

7-00

24/5

24-07 24-22 1-35 2-08 2-55 23-10 2-40

3/1 5/0 5/0 0/2 4/0 0/2 7/0

6-53 6-38 5-25 4-52 4-05 7-50 4-20

27,52 33,15 27 9,8 16,4 15,6 30,1

3404

12-10

20/6

9-38 9-30 9-45 10-38 10-55 11-05 11-10

4/1 5/0 0/3 0/2 3/0 4/0 4/0

2-22 2-40 2-25 1-32 1-15 1-05 1-00

9,48 13,5 7,2 3,06 3,75 4,32 4

3406

17-00

21/6

14-20 14-29 14-45 14-45 15-10 15-45 15-54

6/0 3/1 0/2 0/3 4/0 3/0 5/0

2-40 2-31 2-15 2-15 1-50 1-15 1 -66

16,2 10 4,5 6,75 7,3 3,75 5,5

3408

0-10

19/3

19-19 19-28 20-38 20-40 20-55 21-07

3/1 5/0 0/2 5/0 3/0 3/0

4-51 4-42 3-32 3-30 3-15 3-03

19,4 23,5 7,1 17,5 9,75 9,15

2001

7-42

39/0

7-02 12-00 16-00 21-56 3-40

13/0 9/0 5/0 8/0 6/0

0-40 19-42 15-42 10-42 4-02

8,7 137,9 78,5 85,8 24,2

Итого


123/20


123/20


677,38


Среднее время простоя от окончания ГО до отправления.


Таблица 2.10 Общая норма времени нахождения вагонов на станции

Элементы простоя

Кол-во вагонов

Простой одного вагона

Ваг-часы простой

Таб-7.1

От прибытия до подачи под грузовые операции

134/9

158,66

1,1

Таб-7.2

От подачи до окончания грузовые операции

143

334,01

2,34

Таб-7.3

От окончании грузовых операций до отправки

123/20

677,38

4,7

Всего


143

1170,05

8,14


Средний простой одного вагона на станции:

 ч.

Коэффициент использования маневрового локомотива.


где Σ Мt- количество затраченных на работу локомотивов.

3. Технико-экономическая характеристика транспортно - экспедиционной организации

В настоящее время существуют разные взгляды на структуру и функции транспортной экспедиции, соответственно есть различия и в определениях, что понимать под ТЭО. Вместе с тем интенсивное развитие этой деятельности, рост ее объемов и расширение сферы требуют установления единой терминологии и перечня функций, без чего затруднено решение основных вопросов организации и управления обслуживанием.

Необходимость в транспортной экспедиции обусловлена тем, что грузы не могут транспортироваться без сопутствующих перевозочному процессу вспомогательных работ, которые выполняются на всем пути следования грузов от отправителя до получателя.

Такие работы могут выполняться как непосредственно грузовладельцами, так и специализированной организацией, тогда мы и имеем дело с транспортно-экспедиционным обслуживанием. В наиболее общем случае под ТЭО предприятий народного хозяйства следует понимать деятельность специализированных организаций, связанную с перевозкой грузов и выполнением вспомогательных работ по поручению грузоотправителей и грузополучателей.

ТЭО включает в себя выполнением транспортно-экспедиционных операций и услуг. Транспортно-экспедиционной операцией называется элементарное, законченное, периодически повторяющееся действие, обеспечивающее ТЭО. Наряду с операциями можно выделить транспортно-экспедиционные услуги. Под услугой понимается отдельная операция или группа операций, непосредственно направленная на удовлетворение определенной потребности предприятия народного хозяйства в транспортной экспедиции.