IK1 |
iH |
IK1 |
iH |
UCM
UБ2 |
UБ1 |
t UБ2 |
UБ1 |
t |
|
0 |
|
|
|
|
uВХ |
uВХ |
|
|
IK2 t |
t |
IK2 |
а |
|
б |
|
Рис. 5.6 |
|
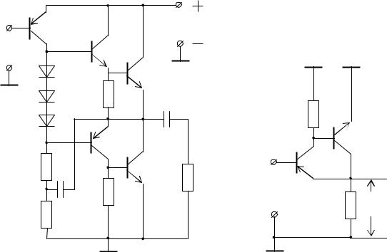
Отсутствие смещения на базах транзисторов VT1 и VT2 в схемах на рис. 5.6 приводит к появлению в токе выходного сигнала специфических нелинейных искажений типа ступеньки (рис. 5.6, а). Для устранения этих искажений между базами VT1 и VT2 необходимо ввести напряжение смещения UCM, которое приоткроет оба транзистора и изменит вид общей проходной характеристики (рис. 5.6, б), сделав ее более линейной. В этом случае несколько увеличится постоянный ток, протекающий через транзисторы при отсутствии сигнала, и уменьшится КПД каскада. Напряжение смещения в таких схемах создается за счет постоянного тока делителя (рис. 5.7, а), протекающего по сопротивлению RCM.
Сигнал от источника ЕИ непосредственно поступает на базу VT1. На базу транзистора VT2 сигнал проходит через сопротивление RСМ. Чтобы амплитуда сигнала не уменьшалась на базе VT2 по сравнению с базой VT1, сопротивление RСМ должно быть небольшой величины, т.е. делитель получается низкоомным. Такой способ подачи смещения называется смещением постоянным напряжением базы, и уже был нами рассмотрен ранее [16,Ч.2]. Из-за высокой температурной нестабильности подача смещения фиксированным напряжением базы в чистом виде не применяется в схемах, работающих в сравнительно широком диапазоне температур. Поэтому в подобных каскадах, как правило, используется термокомпенсация рабочей точки.
206
|
Е0 |
|
|
|
|
R1 |
|
|
1 |
|
VT1 |
|
|
|
1 |
R3 |
1 |
1 |
R1 |
|
|
|||
ЕИ |
СР |
|
|
|
RCM |
UCM |
|
D1 |
|
|
Rt |
R |
|
VT |
|
R4 |
|
D2 |
R2 |
1 |
RН |
|
D3 |
|
|
VT2 |
|
|
|
|
R2 |
1 |
1 |
1 |
|
|
|
||
|
|
б |
в |
г |
|
а |
|
|
|
Рис. 5.7
В этом случае двухполюсник, включенный между контактами 1 - 1, выполняется с помощью термозависимых элементов (рис.5.7, б, в, г). Использование схемы (см. рис. 5.7, б) ограничивается трудностями, связанными с расчетом и наладкой. Температурная зависимость у терморезистора существенно выше, чем у транзисторов. Чтобы выровнять эти зависимости и получить приемлемую стабильность в диапазоне температур, приходится шунтировать терморезистор обычным сопротивлением и тщательно его подбирать.
Заметно лучшие результаты получаются при использовании схемы на рис. 5.7, в. Необходимое число диодов при заданном токе делителя определяется вольтамперной характеристикой диодов и заданным напряжением смещения UCM. Сопротивление диода переменному току, равное отношению приращения напряжения на диоде к приращению тока через него, имеет небольшую величину. По этой причине общее сопротивление всей цепочки диодов для переменной составляющей оказывается незначительным, а амплитуды сигнала на базах транзисторов практически одинаковыми. При изменении температуры вольт-амперная характеристика p-n-перехода у диода и у транзистора (база-эмиттер) сдвигается примерно на 2,2 мВ/С0 [1]. С ростом температуры напряжение на диодах уменьшается (при постоянном токе делителя) и транзисторы подзапираются. При снижении температуры
207
происходит обратное явление. Так как температурные зависимости у транзисторов и диодов практически одинаковые, стабильность тока через транзисторы получается высокой.
Аналогично работает и схема на рис. 5.7, г. Напряжение UCM между коллектором и эмиттером транзистора VT обычно не превышает 1,5–2,5 вольт. Характеристики транзистора при столь малых напряжениях идут очень круто, следовательно, сопротивление участка коллектор-эмиттер для переменного тока оказывается незначительным и потери сигнала на нем практически отсутствуют. Изменение температуры окружающей среды приводит к изменению сопротивления участка коллектор-эмиттер транзистора VT и соответственно всего двухполюсника 1–1. Температурные изменения сопротивления двухполюсника 1-1 приводят к изменению напряжения смещения на базах транзисторов VT1 и VT2, а значит, и к изменению положения их рабочей точки. Остается добавить, что для лучшей термостабилизации все двухполюсники 1–1 конструктивно крепятся на радиаторе транзисторов VT1 и VT2.
Известно, что положительные качества двухтактных каскадов реализуются только в схемах с хорошей симметрией плеч. В схеме (см. рис. 5.7, а) для улучшения симметрии в цепь эмиттеров VT1 и VT2 введены дополнительные сопротивления R3 и R4, создающие отрицательную местную обратную связь. К сожалению, сделать такую связь достаточно глубокой не представляется возможным, так как на этих сопротивлениях выделяется значительная часть выходной мощности и соответственно снижается КПД каскада. По этой причине в цепи эмиттеров оконечного каскада не ставят сопротивления больше, чем 0,05–0,1 RН. Одновременно сопротивления R3 и R4 используются в качестве защиты от короткого замыкания в цепи нагрузки. При коротком замыкании нагрузки ток выходных транзисторов становится недопустимо большим и они выходят из строя. Сопротивления R3 и R4 в какой–то степени ограничивают чрезмерное увеличение тока выходных транзисторов.
Рассматриваемый оконечный каскад является двухтактным эмиттерным повторителем и имеет коэффициент усиления по напряжению, близкий к единице. Усиление по мощности обеспечивается здесь за счет усиления по току и численно равно величине h21 выходных транзисторов. При сравнительно большой выходной мощности предоконечный каскад, работающий в режиме А, должен также развивать значительную мощность. Такая ситуация сильно сни-
208
жает энергетические показатели всего усилителя. Для повышения КПД основное усиление мощности лучше перенести в оконечный каскад.
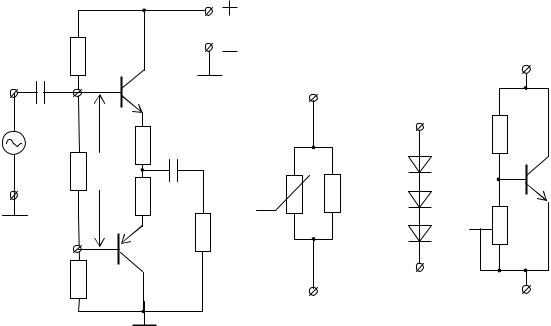
С этой целью в выходном эмиттерном повторителе очень часто используют составные транзисторы (рис. 5.8, а). Еще одно достоинство такой схемы заключается в том, что на ее выходе используются мощные транзисторы одной проводимости. В этом случае легче подобрать симметричную пару транзисторов.
VT1 |
|
Е0 |
|
|
ЕИ |
VT2 |
|
|
|
VD1 |
|
VT3 |
|
|
VD2 |
R3 |
С |
R4 |
|
VD3 |
|
|
||
VT4 |
|
|
VT5 |
|
|
|
|
||
R1 |
|
VT5 |
VT4 |
|
СР |
R4 |
RН |
UВХ |
|
R2 |
|
RН |
UВЫХ |
|
|
|
|
|
|
а |
|
|
б |
|
|
|
Рис. 5.8 |
|
|
Оконечный каскад на составных транзисторах обладает очень большим коэффициентом усиления по мощности, примерно равным произведению коэффициентов усиления по току последовательно включенных транзисторов VT2 и VT3. Мощность, необходимая для раскачки такого каскада, лежит обычно в пределах 20 – 100 мВт, что позволяет использовать на месте VT1 транзистор сравнительно малой мощности.
Нижнее плечо выходного каскада собрано на двух транзисторах VT4 и VT5, включенных по схеме с общим эмиттером, и охвачено 100 % - ой отрицательной обратной связью по напряжению последовательной по входу. Эквивалентная схема, демонстрирующая наличие этой обратной связи, представлена на рис. 5.8, б. Из этой схемы следует, что все усиленное транзисторами VT4 и
209
VT5 напряжение выделяется на сопротивлении нагрузки RН и вводится в цепь эмиттера транзистора VT4. Благодаря такой ОС свойства двухкаскадного усилителя на VT4, VT5 не отличаются от свойств составного эмиттерного повторителя (VT2, VT3) в верхнем плече.
Смещение в схеме на рис. 5.8, а создается постоянным током коллектора транзистора VT1 на последовательно включенных диодах. Этот ток задается напряжением смещения на базе транзистора VT1 и практически не зависит от сопротивлений, включенных в его коллекторную цепь.
Для улучшения раскачки оконечного каскада желательно, чтобы весь переменный ток коллектора VT1 поступал в базы транзисторов VT2 или VT4 и не ответвлялся в сопротивление R1. С этой целью нижнее плечо делителя выполняется из двух сопротивлений R1 и R2. Точка их соединения через конденсатор СР подключается к выходу усилителя. Благодаря тому что выходной каскад является сложным эмиттерным повторителем с коэффициентом усиления по напряжению, равным единице, переменные напряжения на верхнем и нижнем концах сопротивления R1 относительно общего провода оказываются равными по величине и имеют одинаковую фазу. В результате падение переменного напряжения на сопротивлении R1 становится равным нулю, т.е. выходной ток транзистора VT1 по R1 не протекает, а весь втекает в базы транзисторов VT2 и VT4. Чтобы цепь СР R2 дополнительно не нагружала выход усилителя, сопротивление R2 выбирается достаточно большой величины (в 10 – 100 раз больше сопротивления нагрузки). К СР предъявляются такие же требования, как и к обычному разделительному конденсатору.
Обычно усилитель мощности представляется в виде нескольких каскадов, непосредственно связанных между собой, охваченных единой обратной связью. Такой усилитель, который может выступать как самостоятельное устройство, представлен на рис. 5.9. В настоящее время эта схема усилителя мощности с теми или иными вариациями получила наибольшее распространение и используется в усилителях различной степени сложности в дискретном и интегральном исполнении.
210