Материал: Попов Э.Г. Основы аналоговой техники. Учеб. пособие для студ. радиотехнических спец

Внимание! Если размещение файла нарушает Ваши авторские права, то обязательно сообщите нам

 

Е0

Е0

TP

 

R1

RН

 

R1

RН

C1

VT

C1

 

VT

 

 

 

RИ

 

RИ

 

 

R2

R3

 

R2

 

EИ

C2

EИ

 

C2

 

 

 

 

R3

iK

iБ7

iK

 

iБ7

 

IMK

iБ6

IMK

 

 

iБ6

 

iБ5

 

 

 

iБ5

 

iБ4

 

 

 

iБ4

t

I

t

 

I0K

I

 

iБ3

 

 

 

iБ3

 

iБ2

 

 

 

iБ2

IMK

iБ1

IMK

 

 

iБ1

U0K

E0

 

E0=U0K

 

 

uK

 

 

 

uK

UMK

 

 

UMK

 

 

t

UMK

 

t

UMK

 

 

а

 

 

б

 

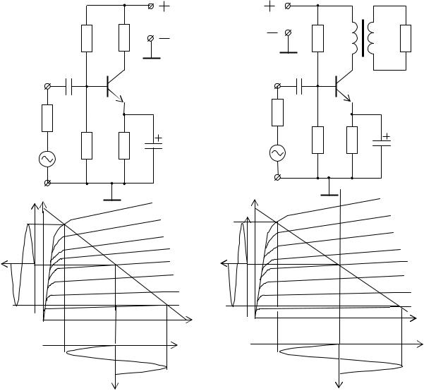
Рис. 5.1

Мощность, потребляемая от источника питания, зависит от напряжения источника и постоянного тока коллектора. Благодаря низкому уровню нелинейных искажений этот ток практически не изменяется за период сигнала и не зависит от величины сигнала.

Для большей точности к току коллектора следовало бы добавить ток, протекающий через делитель R1R2. Однако этим током чаще всего пренебрегают из-за его малости, и мощность, потребляемую от источника питания, определяют с помощью следующего выражения:

196

Р0 = Е0I0K = Е0I0 .

(5.5)

Коэффициент полезного действия будет равен

 

 

η=

РН =

UMKIMK = 0,5ξψ,

(5.6)

 

 

 

Р0

2E0I0

 

где ψ =

UM K

- коэффициент использования транзистора по напряжению;

 

 

E0

 

 

 

ξ = IMK - коэффициент использования транзистора по току. I0

Если допустить, что все напряжение Е0 приложено к сопротивлению нагрузки и участку коллектор–эмиттер и используется вся характеристика транзистора, включая и нелинейную область, то и в этом случае коэффициент использования транзистора по напряжению ψ в каскаде (рис. 5.1, а) не может быть больше, чем 0,5. Коэффициент использования по току ξ при этих же условиях стремится к единице. Таким образом, КПД в этой схеме не может быть больше 25 %. В реальных условиях работы КПД здесь оказывается еще меньше в 2 - 2,5 раза.

Мощность, рассеиваемая на коллекторе, находится как разность между Р0 и РН :

РК = Р0 РН .

(5.7)

Из последнего выражения следует, что при отсутствии полезного сигнала практически вся мощность, потребляемая из источника питания, будет рассеиваться на коллекторе. Это обстоятельство обязательно надо учитывать при проектировании однотактного усилителя мощности, и выбирать для него транзистор с мощностью рассеивания в 3 - 4 раза большей, чем мощность, отдаваемая в нагрузку PK (3 4)РН .

Схема на рис. 5.1, б отличается от предыдущей тем, что выходная цепь транзистора в ней связана с нагрузкой через трансформатор. Такая связь улучшает питание коллектора, позволяет подобрать оптимальное сопротивление по переменному току для коллекторной цепи. При условии, что на первичной обмотке трансформатора не падает постоянное напряжение (сопротивление меди

197

первичной обмотки стремится к нулю), можно считать, что нагрузочная прямая по постоянному току начинается в точке Е0 и идет вертикально вверх (сопротивление в цепи эмиттера отсутствует), следовательно, напряжение на коллекторе U0K = E0. Таким образом, при одинаковых с предыдущим каскадом допущениях амплитуда выходного напряжения может быть равной Е0, а значение ψ здесь стремится к единице. В результате теоретический (и практический) КПД в этом каскаде возрастает вдвое и стремится к 0,5. Требования к мощности, которую должен рассеивать транзистор в этом каскаде, снижаются и транзистор может быть выбран из условия ( PK 2,5РН ). При этом транзистор должен быть выбран с предельно допустимым напряжением на коллекторе в 1,1 - 1,3 раза большим, чем Е0 + UMK.

При расчете выходной мощности приходится учитывать потери, существующие в трансформаторе. Мощность, отдаваемая транзистором в коллекторную цепь Р2 , должна рассчитываться с учетом коэффициента полезного

действия трансформатора ηТР :

 

 

Р2 = РН

,

(5.8)

 

ηТР

 

где РН - мощность, отдаваемая в нагрузку.

Необходимый коэффициент трансформации также определяется с уче-

том ηТР :

 

 

 

n =

R2

,

(5.9)

η R

 

TP

Н

 

где R2 - необходимое расчетное сопротивление нагрузки в цепи коллектора. Значения КПД трансформатора обычно лежат в пределах (0,8–0,9), большие значения КПД относятся к каскадам с большей выходной мощностью.

На частотные свойства усилителя мощности (см. рис. 5.1, а) влияют входная динамическая емкость транзистора С0 и разделительный конденсатор С1. Поэтому частотная характеристика этого каскада не отличается от частотной характеристики резисторного транзисторного усилителя с непосредственной связью с нагрузкой. Каскад на рис. 5.1, б имеет более узкую частотную характеристику, которая определяется частотными свойствами трансформатора.

198

5.3. Двухтактные усилители мощности. Общие сведения

Два четырехполюсника, включенные, как показано на рис. 5.2, образуют двухтактный усилительный каскад.

Как видно из рисунка, двухтактные каскады образуются из двух обычных, соединенных общим земляным проводом, и представляют собой пару каскадов, симметричных относительно горизонтальной оси (общего провода). Возбуждаются такие каскады двумя напряжениями U1A и U1B, равными по величине и противоположными по фазе. Напряжение на входе такого усилителя

равно

 

U1 = U1A U1B , где U1A = −U1B .

(5.10)

(+)

 

 

(+)

 

 

 

U1A

A

(--)

R2A

U1A

A

(--)

(--)

 

U2A

(--)

 

 

 

 

(+)

 

 

U2 R2

(+)

 

(--)

(+)

 

 

 

 

 

 

 

 

U2B

 

 

 

 

U1B

B

(+)

R2B

U1B

B

(+)

(--)

 

 

(--)

 

 

 

 

а

 

 

 

б

 

 

 

 

Рис. 5.2

 

 

 

Выходной сигнал может потребляться двумя симметричными нагрузками (рис. 5.2, а), или чаще одной объединенной (рис. 5.2, б). Напряжение выходного сигнала определяется так же, как и напряжение входного:

U2 = U2A U2B , где U2A = −U2B .

(5.11)

Примером двухтактного усилителя может служить рассмотренный ранее дифференциальный каскад.

Двухтактные каскады обладают заметными достоинствами по сравнению с однотактными:

199

1)синфазная помеха, попадающая на вход такого каскада, не проходит на его выход;

2)на выходе двухтактного каскада компенсируются четные гармоники, вносимые каждым усилительным элементом;

3)в двухтактном усилителе широко используется режим В и, следовательно, увеличивается КПД.

Подавление синфазной помехи увеличивает динамический диапазон двухтактного каскада и позволяет несколько снизить требования к уровню пульсаций источника питания.

Отсутствие четных гармоник на выходе двухтактного усилителя позволяет снизить нелинейные искажения на его выходе или увеличить отдаваемую мощность при неизменном коэффициенте гармоник. Отсутствие четных гармоник на выходе двухтактного усилителя легко показать, если выходные напряжения каждого четырехполюсника представить в виде степенного ряда и вычесть одно из другого:

U2A = a0 +a1U1A +a2U12A +a3U13A +.... ,

U2B = a0 +a1U2B +a2U22B +a3U32B +... .

Тогда с учетом второй части (5.10) получим

U

2

= 2a

U

+2a

3

U3

+... .

(5.12)

 

 

1 1A

 

1A

 

 

Отсутствие четных степеней в полученном выражении свидетельствует о том, что в нагрузке при идеальной симметрии двухтактного каскада четные гармоники подавляются. Исчезновение коэффициентов a0 говорит о том, что и постоянная составляющая также не протекает через нагрузку.

Возможность использования в двухтактном каскаде режима В позволяет снизить требования к мощности рассеивания применяемых активных элементов. Как было показано в п. 3.3.3, максимальная мощность рассеивается на активном элементе в критическом режиме, когда коэффициент использования по напряжению становится равным ψКР = 0,636 (3.66). При этом мощность рассеивания становится равной

200