Материал: Попов Э.Г. Основы аналоговой техники. Учеб. пособие для студ. радиотехнических спец

Внимание! Если размещение файла нарушает Ваши авторские права, то обязательно сообщите нам

Е0

R5

 

 

E0

R1

E0

 

VT2

 

VT2

 

 

 

 

(+)

R1

 

 

 

VT2

 

 

 

 

 

 

R1

R3

C2

 

 

 

CP

(+)

(-)

CP

R3

CP

R2

 

VT1

RH

 

VT1

 

VT1

 

 

 

C1

 

 

 

 

 

RH

R2

R4 C3

R2

R4

RH

R3

R4

(-)

 

 

 

 

 

 

 

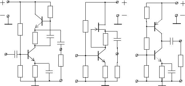
а

 

б

 

 

в

Рис. 4.39

понять на примере первой схемы. При указанной на рис. 4.39, а полярности сигнала ток коллектора транзистора VT1 увеличивается, одновременно растет падение напряжения на сопротивлении R3. Это напряжение воздействует через конденсатор С2 на базу транзистора VT2 и пытается его запереть. Сопротивление транзистора VT2 возрастает, и нагрузочная прямая по постоянному току для транзистора VT1 становится более пологой. Рабочая точка, а вместе с ней и нагрузочная прямая по переменному току (линия АБ) сдвигаются в положение 2 (рис. 4.38), и напряжение на коллекторе VT1 становится минимальным. В следующие полпериода ток через VT1 уменьшается, транзистор VT2 приоткрывается, и нагрузочная прямая сдвигается к точке 3. В результате переменное напряжение на коллекторе VT2 растет и достигает величины UKmax. Схема (см. рис. 4.39, б) с полевым транзистором в качестве динамической нагрузки имеет аналогичный принцип действия.

Несколько иной принцип действия у схемы на рис. 4.39, в, нагрузку которой нельзя считать динамической. Коэффициент усиления резисторного каскада пропорционален сопротивлению нагрузки по переменному току. Эта нагрузка образована параллельным соединением сопротивления в цепи коллектора и собственно сопротивления нагрузки RH. Увеличение сопротивления в цепи коллектора связано с ухудшением условий питания коллектора, что ограничивает общее сопротивление нагрузки и соответственно коэффициент усиления. В

191

схеме (см. рис. 4.39, в) сопротивление в цепи коллектора VT1 заменено генератором тока на транзисторе VT2, имеющим большое сопротивление по переменному току (значительно большее, чем RH). В этом случае общее сопротивление нагрузки увеличивается и становится практически равным самому сопротивлению RH, а коэффициент усиления получается максимальным.

5.КАСКАДЫ МОЩНОГО УСИЛЕНИЯ

5.1.Общие сведения

Каскады усиления мощности предназначены для отдачи в нагрузку мощности, заданной техническим заданием. При этом задается допустимый уровень нелинейных и частотных искажений, а также величина и характер нагрузки. Величина мощности в нагрузке может быть самой разной - от нескольких милливатт до нескольких киловатт. С возрастанием выходной мощности в таких усилителях существенное внимание обращается на коэффициент полезного действия, который при больших выходных мощностях стремятся получить как можно большим. Такой параметр, как коэффициент усиления по напряжению, в данном случае играет второстепенную роль.

Перечисленные выше параметры каскада усиления мощности в первую очередь зависят от режима работы усилительного элемента, выбора рабочей точки, уровня входного сигнала и величины нагрузки. Как правило, величина нагрузки, особенно для усилителей мощности сигналов звуковой частоты, оказывается сравнительно небольшой. Для получения большой выходной мощности на низкоомной нагрузке таким усилителям приходится работать с большими амплитудами токов и напряжений. При таких величинах амплитуд токов и напряжений в оконечных каскадах возникают значительные нелинейные искажения, для уменьшения которых в усилителях мощности используют глубокую отрицательную обратную связь. Большая глубина обратной связи значительно затрудняет раскачку оконечного каскада, требуя более высоких уровней входных сигналов. Для увеличения глубины обратной связи приходится охватывать ею несколько каскадов, что затрудняет получение устойчивой работы усилителя мощности и требует заметных усилий, направленных на предупреждение его самовозбуждения. В транзисторных усилителях мощности глубокая обратная связь приводит к появлению динамических искажений. По этой причине каче-

192

ственные усилители с высокой верностью воспроизведения звука по-прежнему стремятся выполнять на электронных лампах.

При больших уровнях токов и напряжений прорабатываются солидные участки вольт-амперных характеристик активных элементов. В результате их параметры заметно изменяются за период усиливаемого сигнала, что очень сильно снижает точность аналитического расчета каскадов усиления мощности. Для ламповых оконечных каскадов более приемлемым считался графический метод расчета. Приводимые в справочниках вольт-амперные характеристики транзисторов оказываются очень усредненными, что заставляет отказаться от их графического расчета и пользоваться усредненными параметрами.

Желание получить высокий коэффициент полезного действия заставляет использовать в оконечных каскадах режим В как более экономичный. При этом каскады в обязательном порядке строятся по двухтактной схеме. Режим А используется в усилителях сравнительно небольшой мощности (до 1 - 2 Вт). Если от усилителя требуется очень высокое качество воспроизведения, то режим А может быть также применен и в каскадах с более высокой выходной мощностью (более 1 - 2 Вт). Экономичность усилителя мощности при этом очень сильно снижается.

Таким образом, при анализе и разработке усилителей мощности основное внимание уделяется энергетическим показателям и нелинейным искажениям, коэффициент усиления и линейные искажения отодвигаются на второй план.

В оконечных каскадах основным видом включения транзисторов является схема с общим коллектором, реже – с общим эмиттером. Схема с общей базой из-за низкого входного сопротивления и соответственно большого входного тока практически в оконечных каскадах не применяется. Для связи с нагрузкой в усилителях мощности используются резистивно-емкостная, непосредственная и трансформаторная связи. В транзисторных каскадах трансформаторная связь в силу своих недостатков используется довольно редко, а для ламповых каскадов она является основным видом связи.

Среди энергетических показателей заметно возрастает роль такого параметра, как мощность, рассеиваемая на выходном электроде активного элемента. Проблема отвода и рассеивания этой мощности существенно ограничивает мощность, отдаваемую в нагрузку. При отсутствии надлежащего теплоотвода температура коллекторного перехода быстро растет, и транзистор может выйти

193

из строя. Связь между рассеиваемой мощностью и температурой перехода определяется следующим выражением:

 

 

PK =

t0

 

t

0

,

(5.1)

 

 

Пmax

 

C max

 

 

 

 

 

 

 

 

 

R t ПC

 

 

 

где

P - мощность, рассеиваемая на коллекторе;

 

 

K

 

 

 

 

 

 

 

 

0

- максимально допустимая температура перехода;

 

 

tПmax

 

 

0

- максимальная температура окружающей среды;

 

 

tC max

 

RtПС - температурное сопротивление на участке переход-среда. Температурное сопротивление переход-среда состоит из двух частей:

сопротивления переход-корпус RtПК и сопротивления корпус-среда RtКС и даже для мощных транзисторов имеет величину в несколько десятков С0/Вт. Это приводит к тому, что при заданных значениях температуры перехода и окружающей среды отдельно взятый мощный транзистор может рассеять сравнительно небольшую мощность (1 - 3 Вт). Сопротивление RtПК у мощных транзисторов сравнительно невелико, следовательно, от перехода к корпусу транзистора может передаваться довольно значительная тепловая энергия. Однако если эта энергия не успевает рассеиваться в окружающее пространство, то корпус транзистора начинает быстро разогреваться и переход выгорает. Рассеивание тепловой энергии от корпуса транзистора в окружающее пространство облегчается с помощью радиатора, чье тепловое сопротивление R tKC оказывается обратно пропорционально площади поверхности радиатора и может равняться единицам и даже десятым долям С0/Вт. Таким образом, используя радиатор, можно добиться того, что общее сопротивление RtПС будет лишь ненамного превышать тепловое сопротивление самого транзистора RtПК, и мощность, рассеиваемая транзистором, значительно увеличится. При использовании радиатора на участке корпус-радиатор возникает дополнительное сопротивление R tKP , величиной которого обычно пренебрегают. Для уменьшения этого сопротивления место соединения радиатора с транзистором шлифуют и покрывают специальной кремнийорганической смазкой с высокой теплопроводностью.

Расчет радиатора сводится к определению необходимого теплового сопротивления между переходом и средой RtПС по заданным значениям необходимой мощности рассеяния РК, максимальной температуры перехода t0Пmax и

194

окружающей среды t0C max (5.1). По величине R t ПС и тепловому сопротивлению

транзистора R t ПК находим тепловое сопротивление радиатора

R tKC

R tKC = R t ПС - R t ПК .

(5.2)

Необходимая площадь поверхности радиатора S в см2, выполненного в виде пластины (учитываются обе стороны), определяется с помощью эмпирической формулы

S =

1400 .

(5.3)

 

R tKC

 

Обычно радиаторы делают с ребристой или игольчатой поверхностью, что заметно уменьшает их тепловое сопротивление по сравнению с радиаторами пластинчатого типа.

5.2. Однотактные усилители мощности

Схемы однотактного резистивного и трансформаторного усилителей мощности (см. рис. 5.1) по форме не отличаются от аналогичных схем каскадов предварительного усиления.

В каскаде (рис. 5.1, а) нагрузка включена непосредственно в коллекторную цепь транзистора. Эта схема имеет минимум деталей, обладает хорошей частотной и переходной характеристиками, сравнительно малыми нелинейными искажениями. Основной ее недостаток – через нагрузку протекает постоянный ток, что приводит к дополнительным потерям энергии и снижению коэффициента полезного действия (КПД). Как уже было сказано, все однотактные каскады усилителей мощности работают в режиме А. Мощность, отдаваемая этим каскадом в нагрузку, определяется амплитудой тока и напряжения на ней:

 

U

MK

I

MK

 

U2

I2

R

H

 

 

РН =

 

 

=

MK

=

MK

 

.

(5.4)

 

2

 

 

2

 

 

 

 

 

2R H

 

 

 

195