Материал: Погорелов В.И.-Прочность и устойчивость тонкостенных конструкций

Внимание! Если размещение файла нарушает Ваши авторские права, то обязательно сообщите нам

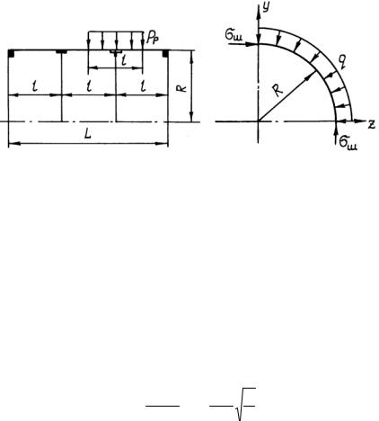
ось у (рис. 29). Имеем qR = σшFш , откуда напряжение в шпанго-

уте σш, выраженное через площадь его сечения Fш и нагрузку q, равно: σш = qRFш .

Рис. 28. Погонная нагрузка

Рис. 29. Схема равновесия

на нормальном шпангоуте

четверти кольца

Полученное в результате проектировочного расчета значение площади шпангоута должно удовлетворять условиям прочности и устойчивости. При проверке на прочность сравниваем напряжения в шпангоуте с пределом текучести, а коэффициент запаса прочности равен: η1 = σ0,2 σш 1 .

Далее шпангоут проверяется на общую и местную устойчивость, а коэффициент запаса устойчивости η2 = qкр q 1, где

критическая погонная нагрузка, определяемая с учетом подкрепляющего влияния примыкающей к шпангоуту оболочки, рав-

на [30]:

qкр =

3EJ

ш + 0,4

Eδ

2

δ

.

 

R

 

R

 

R3

 

 

Чтобы определить момент инерции сечения шпангоута, необходимо знать его форму или коэффициент k в выражении, свя-

зывающем момент инерции и площадь шпангоута: J ш = kFш2 .

Задаваясь конфигурацией сечения, можно подобрать толщину и размеры его элементов по известным площади сечения и условиям местной устойчивости криволинейных пластинок, из которых состоит профиль шпангоута.

64

Рассмотрим порядок определения размеров сечения шпангоута на примере равнобокого уголкового профиля (рис. 30). В этом случае два неизвестных – h, b и два условия для их определения:

Fш = h2 (2bh 1) σш = 0,3825E(hb)2 ,

из которых

b h =

0,3825E

 

h =

Fш

σш

,

(2b h 1) .

Рис. 30. Сечение уголкового профиля

Окончательные размеры b и h уточняются на стадии конструкторского проектирования.

5.3.2. Силовой шпангоут

Основной нагрузкой, кроме внешнего давления, воспринимаемой силовым шпангоутом, является осевая погонная сила Т, действующая на него со стороны закрепленного груза (рис. 31, где показаны все погонные силы и моменты, действующие на шпангоут со стороны примыкающих к нему оболочек). Если принять в качестве положительных направление вверх для погонных сил, а вращение против часовой стрелки – для погонных моментов, то погонная сила, действующая на шпангоут, и погонный момент равны соответственно:

q =Q1 Q2 pp (a +b) ,

(5.17)

mшп = M 2 M1 T c +Q1 a +Q2 b .

Теперь из-за поворота вокруг центра тяжести сечения наибольшие напряжения возникают на его краях и определяются по формуле

65

σ =

Ew

=

E

(wшп ± θшпxi ),

(5.18)

R

R

 

 

 

 

Рис. 31. Схема нагружения силового шпангоута

где верхний знак и xi = a относятся к правому краю шпангоута, а нижний знак и xi = b – к левому. Перемещение центра тяжести

шпангоута wшп в направлении, перпендикулярном оси отсека, после приравнивания тангенциальной деформации, определенной из геометрических и физических уравнений, т.е.

ε0

= w

R = σ

шп

E или w

R = qR (F

E) , равно:

2

шп

 

 

 

шп

шп

 

 

 

 

 

w

шп

= qR2 F E .

(5.19)

 

 

 

 

 

 

шп

 

Для определения угла поворота шпангоута составим сумму моментов относительно оси y для одной четвертой части шпангоута, на которую действуют погонный момент mшп (рис. 32) и напряжения σм по его сечению. Так как напряжения по сечению шпангоута переменные, то условие равновесия выделенной части имеет вид

mшпR = σмηdF .

(5.20)

Fш

 

Но напряжения в любой точке шпангоута, создаваемые моментом, равны: σм = (Eθшп R)η, поэтому (5.20) запишем так:

Eθшп R η2dF = mшпR ,

Fшп

 

откуда

 

θшп = mшпR2 EJ y ,

(5.21)

66

m шп

Рис. 32. Схема нагружения силового шпангоута погонным моментом

где J y = η2dF – момент инерции сечения шпангоута относи-

Fшп

тельно центральной y, перпендикулярной оси симметрии отсека. Таким образом, напряжения в любой точке шпангоута определяются по формуле (5.18), если известны q и mшп, которые, в свою очередь, зависят, как это следует из (5.17), от краевых перерезывающих сил Q1 , Q2 и моментов М1 и М2. Для их нахождения необходимо воспользоваться условиями совместности перемещений и углов поворота шпангоута и оболочек, примыкающих

к нему слева и справа. Для правого края

w

 

+ θ

 

а = −

1

 

Q

1

 

 

M

 

 

 

 

 

1

 

 

 

( p

 

μN1(1)

) ;

 

 

 

 

 

 

 

 

 

 

 

 

4α4 D

 

 

R

 

 

шп

 

 

шп

 

 

2α3D

1

 

 

 

2α2 D

1

 

 

 

 

p

 

 

 

(5.22)

 

 

 

 

 

 

 

 

 

 

 

 

 

 

1

 

 

 

 

 

1

 

 

 

 

 

 

 

 

 

 

 

 

 

 

 

 

 

 

 

 

 

θ

 

 

=

 

 

Q +

 

 

 

 

M

 

 

,

 

 

 

 

 

 

 

 

 

 

 

 

 

 

 

 

 

 

 

2αD

 

αD

 

 

 

 

 

 

 

 

 

 

 

 

а для левого

 

 

 

шп

 

 

1

 

 

 

1

 

 

 

 

 

 

 

 

 

 

 

 

 

 

 

 

 

 

 

 

 

 

 

 

 

 

 

 

 

 

 

 

 

 

 

 

 

 

 

μN1(2)

 

 

wшп − θшпb = −

1

 

Q2

 

1

 

 

M

2

 

 

1

 

 

 

( pp

 

) ;

 

 

 

 

 

 

 

 

4α4 D

 

 

 

 

 

 

 

 

 

 

 

2α3D

 

 

 

 

2α2 D

 

 

 

 

 

 

 

 

 

 

R

(5.23)

 

 

 

 

 

 

 

 

 

 

 

 

 

 

1

 

 

 

 

 

1

 

 

 

 

 

 

 

 

 

 

 

 

 

 

 

 

 

 

 

 

θшп =

 

 

 

 

Q2

 

 

M

2 ,

 

 

 

 

 

 

 

 

 

 

 

 

 

 

 

 

 

2α2 D

 

αD

 

 

 

 

 

 

 

 

 

 

 

 

 

 

 

 

 

 

 

 

 

 

 

 

 

 

 

 

 

 

 

 

 

 

 

 

 

 

 

 

где

α =

4 3(1−μ2 )

коэффициент затухания;

 

D =

Eδ3

 

 

 

 

 

 

 

Rδ

 

 

 

 

 

 

 

 

 

 

 

 

 

 

 

 

 

 

 

 

 

 

 

 

 

 

 

12(1−μ2 )

 

цилиндрическая жесткость оболочки;

N1(1) ,

 

N1(2)

– меридиональ-

ные погонные усилия в сечениях оболочки. Решая систему урав-

67

+ πd y02 ,

нений (5.22), (5.23) с учетом выражений (5.17), (5.19) и (5.21),

находим Q1, Q2, M1, M2 , а затем и напряжения в шпангоуте, которые необходимо сравнить с пределом текучести.

5.3.3.Стыковочный шпангоут

Вместах крепления болтов шпангоут нагружен сосредото-

ченными силами Pi , перпендикулярными его плоскости

 

(рис. 33). В жестком шпанго-

 

уте возникают волнообразные

 

внутренние усилия, которые в

 

упругом шпангоуте

имеют

 

большой размах (пунктирные

 

линии на рис. 33). Если счи-

 

тать, что внешний момент M

 

воспринимается только бол-

Рис. 33. Нагружение стыковочного

тами, то напряжения в каж-

дом из них можно определить

шпангоута

по формуле

 

 

 

σi = Myi

J ,

(5.24)

в которой yi – расстояние от нейтральной оси сечения;

n

J = fi yi2 – момент инерции сечения; fi – площадь одного бол-

i=1

та; n – число болтов.

При большом количестве болтов момент инерции сечения можно также определить по следующей схеме. Размажем площадь болтов по кольцу шириной ∆, полагая πd = fi n , где

d – диаметр, на котором расположены болты. Тогда

J = πd 3

8

где y0 – расстояние от оси отсека до нейтральной оси.

Для расчета напряжений в болте необходимо также знать положение нейтральной оси, относительно которой определяется координата yi в формуле (5.24). Для жестких шпангоутов в наиболее нагруженном крайнем болте рекомендуется принимать [18] y0 =d, а в случае упругих шпангоутов y0 =3d/4 (рис. 34). По из-

68