Материал: МАШИНОВИКОРИСТАННЯ ТЕХНІКИ В ТВАРИННИЦТВІ ЧАСТИНА 2 ТДАТУ

Внимание! Если размещение файла нарушает Ваши авторские права, то обязательно сообщите нам

включення, виключення й реверс завантажувального ротора й вентилятора, щільність повітропроводів тощо.

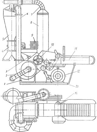
1 – подрібнюючий апарат; 2 – вентилятор; 3 – завантажувальний бункер;

– шлюзовий затвор; 5 – циклон; 6 – нагнітальний пневмопровід; 7 – відвідний пневмопровід; 8 – фільтр; 9 – показник навантаження; 10 – ріжучий барабан; 11 – живильний транспортер; 12 – електродвигун; 13 – рама; 14 – пресуючий транспортер.

Рисунок 5 – Дробарка кормів універсальна КДУ-2.

Холосте випробовування дробарки й циклона здійснюють протягом 1,5…2 годин.

Якщо дробарку використовують для приготування сінного борошна, навколо машини повинен бути майданчик шириною не менше 2 м, а перед транспортером не менше 4 м.

Електрообладнання дробарок розраховане на напругу 380 В. Підводку електромережі здійснюють через рубильник, установлений між плавними запобіжниками, які захищають магнітний пускач електродвигуна.

Монтаж змішувачів і запарників кормів

До змішувачів і запарників кормів (рис. 6) під’єднують усі попередні технологічні лінії попередньої переробки кормів. Тому їх

158

встановлюють із точністю 20 мм від номінального положення в плані й 10 мм по висоті. Парові й водяні труби монтують після перевірки положення машини на фундаменті. Оскільки при вивантажуванні готового продукту виділяється багато пари, бункери обладнують місцевою вентиляцією.

1 – корпус; 2 – приймальний патрубок; 3 – лопатеві мішалки; 4 – випускний патрубок; 5 – шестерні; 6 – шків; 7 – підшипник.

Рисунок 6 – Змішувач 2СМ-1.

Трубопроводи, особливо парові, прокладають до змішувачів і запарників так, щоб вони проходили зону від робочих місць, були доступними для промивання й ремонту. Перед входом у машину парової й водяної труб повинні бути вентилі. Транспортери для вивантаження готових кормів розміщують нижче рівня змішувачів і запарників у спеціальних бетонованих приямках.

Оскільки поверхня кормозапарників нагрівається до 80…900С, обладнання в кормоцеху потрібно розміщувати так, щоб робітники обслуговували машини з боку торцевих стінок, де менше виділяється тепла. Між запарниками потрібно передбачати проходи шириною не менше 60 см. для контролювання процесу приготування кормових сумішей кругом змішувачів і запарників, які мають висоту понад 1,7 м, на рівні верхніх кришок роблять робочі й перехідні містки шириною 1 м з огорожею. Змішувачі кормів до фундаменту не кріплять. Вони утримуються за рахунок своєї ваги.

Розглянемо змішувач С-12 (рис.7), оскільки ступінь уніфікації змішувачів досягає 70…80%. Завод-виготовлювач постачає

159

змішувач С-12 складеним. Його монтують у приміщенні висотою не менше як 4 м. У більшості випадків у кормоцехах установлюють по два змішувача, тому для них готують приямок розмірами 8700 х 7500 х 400 мм із відхиленням не більше як 30 мм. Дно приямка роблять горизонтальним із відхиленням не більше як 2…3 мм на 1 м довжини. Відхилення бокової поверхні по вертикалі не повинно перевищувати 3…4 мм на 1 м довжини.

а – повздовжній переріз; б – поперечний переріз; 1 – шток; 2 – тяга; 3 – кришка; 4 – засувка; 5 – люк для завантаження кормів; 6 – привідна шестерня; 7 – привід; 8 – перемикач пари; 9 – розвантажувальний шнек; 10 – клиновий затвор; 11 – паророзподілювач; 12 – запобіжна сітка; 13 – вал; 14 – лопатева мішалка.

Рисунок 7 – Змішувач-запарник С-12.

У приямках готують фундаменти з бетону марки 100, передбачивши під рамами машин канал для витікання рідини. Потім через монтажний отвір кормоцеху за допомогою двох двотаврових балок довжиною 8 м, десяти катків 80…100 мм та лебідки ЛР-5, транспортують змішувачі і встановлюють їх на фундамент. Після чого регулюють його горизонтальне положення за допомогою прокладок або підливанням фундаментів цементним розчином марки 100. Мінімальна допустима відстань від вивантажувальної горловини змішувача до стіни приміщення 1600 мм, а від інших його боків до стін – 400 мм.

Відстань між змішувачами повинна бути не менш як 420 мм. Після закінчення робіт, пов'язаних з установкою машини на фундамент, підключають водопровід, трубу, по якій підводиться меляса, паропровід; до мережі – шафу керування, а корпуси

160

змішувача, електродвигунів і електроапаратури – до нульового проводу й заземлювачів.

Закінчують монтажні роботи перевіркою болтових з'єднань, змащуванням тертьових поверхонь, обертанням робочих органів змішувача вручну й перевіркою правильності напрямку обертання мішалок, зачіплювання зубчастих коліс привода мішалок, натягу клинопасової й ланцюгової передач.

Напрямок обертання мішалок повинен бути зустрічним, при чому права з боку привода мішалка повинна обертатись за стрілкою годинника.

Роблять обкатку змішувача вхолосту протягом 1,5…2 години й усувають виявлені несправності. Потім, якщо необхідно, очищають його від бруду та іржі й фарбують.

Змішувач кормів С-2 монтують аналогічно. Кормоприготувальний агрегат АПС-6 монтують так, як і

змішувач С-12. При монтажі агрегату першим встановлюють змішувач АПС-6, АПС-6,02, а потім завантажувальний транспортер АПС-6,01 і вивантажувальний ТС-40М. Завантажувальний транспортер кріплять до змішувача за допомогою перехідного бункера. Механізм керування кришки монтують після установки змішувача, завантажувального транспортера й перехідного бункера.

Для встановлення транспортера ТС-40М у місці вивантажувальної горловини змішувача необхідно робити бетонований приямок. Після монтажу вузлів агрегату до змішувача підводять усі технологічні трубопроводи, агрегат підключають до електромережі, і обкатують без навантаження протягом 1,5…2 годин.

Монтаж машин і обладнання для приготування вологих кормових сумішок.

На кормоприготувальних підприємствах і відділеннях на свинофермах і птахофермах готують вологі кормові сумішки й мішанки. Для цього застосовують машини для подавання коренебульбоплодів на миття й різання, котли пароутворювачі й змішувачі вологих кормових сумішок.

Монтаж подрібнювача «Волгарь-5»

«Волгарь-5» (рис. 8) поставляється в складеному вигляді, і після розконсервації його встановлюють у кормоцеху на заздалегідь

161

приготовлений фундамент із бетону марки 200 або цементу марки 300, не нижче.

Рисунок 8 – Подрібнювач “Волгарь-5”.

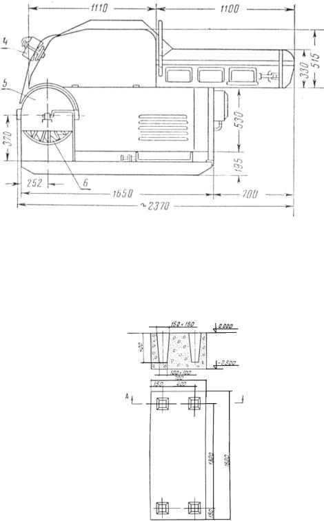
За допомогою рівня перевіряють горизонтальність встановлення подрібнювача (допускається відхилення на 1 м довжини 5 мм), і пропустивши анкерні болти в колодязі, заливають їх бетоном (рис.

9).

Рисунок 9 – Креслення фундаменту.

Допускається відхилення розмірів у плані не більш як 20 мм, а за висотою – 15 мм. Потім перевіряють натяг ланцюгових і пасових передач, тягового ланцюга подавального конвеєра, зачеплення зубчастих передач, а також надійність кріплення болтових з'єднань і

162