Материал: Лекции Хомича Цитология

Внимание! Если размещение файла нарушает Ваши авторские права, то обязательно сообщите нам

 

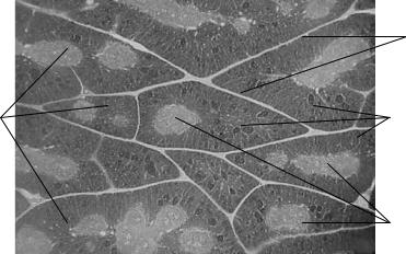
перегородки

часточки

кіркова речовина

мозкова речовина

Рис. 44. Мікроскопічна будова тимуса

Кіркова речовина знаходиться на периферії часточок. Лімфоїдні клітини у ній розташовані щільно (компактно). У зв’язку з цим вона фарбується більш інтенсивно ніж мозкова речовина. У цій речовині відбувається утворення Т-лімфоцитів із клітин-попередниць лімфоцитопоезу, які потрапляють сюди із червоного кісткового мозку. Під впливом біологічно активних речовин (тимозини), які продукують відросчасті епітеліоцити, клітини-попередниці лімфоцитів розмножуються і перетворюються на Т-лімфоцити. Останні знаходяться у заглибленнях епітеліоцитів (клітини-няньки), де і дозрівають – набувають рецепторів для чужорідних речовин (антигенів). Тільки 3–5 % утворених Т-лімфоцитів потрапляють у кровоносні судини кіркової речовини і з течією крові заносяться у периферичні органи кровотворення та імуногенезу, а решта гине шляхом апоптозу і фагоцитується макрофагами. Гинуть ті Т-лімфоцити, які при дозріванні набувають рецепторів до власних антигенів (білків) організму тварин. При потраплянні таких лімфоцитів у кров розвиваються автоімунні реакції.

Процес утворення Т-лімфоцитів у кірковій речовині часточок тимуса є антигеннонезалежним. Він зумовлений наявністю гематотимусного бар’єра, який не дає змоги антигенам надходити до лімфоцитів кіркової речовини. Бар’єр утворений стінкою кровоносних капілярів і шаром розміщених на базальній мембрані відросчастих епітеліоцитів, які примикають до неї.

Мозкова речовина розташована в центрі часточок і містить мало лімфоцитів. У зв’язку з цим вона фарбується менш інтенсивно ніж кіркова речовина і має світлий вигляд. У мозковій речовині Т-лімфоцити не утворюються. Вважають, що в ній відбувається їх рециркуляція. Підтвердженням цього є наявність у цій речовині венул з високим ендотелієм, через стінку яких відбувається цей процес. У мо-

158

зковій речовині гематотимусний бар’єр відсутній. Характерною ознакою мозкової речовини часточок тимуса є наявність у ній тимусних тілець (тілець Гассаля), які фарбуються оксифільно. Вони мають округлу або овальну форму і утворені концентричними нашаруваннями відросчастих епітеліоцитів, які перебувають у стані дегенерації. У їх центральній частині міститься клітинний детрит, а на периферії – відросчасті епітеліоцити з гранулами кератину, пучками фібрил та великими вакуолями.

Розвивається тимус з епітелію третього і четвертого зябрових кишень передньої кишки і мезенхіми. З епітелію формується паренхіма органа, а з мезенхіми – сполучнотканинна строма.

Із збільшенням віку тварин відбувається вікова (фізіологічна) інволюція тимуса. Вона проявляється заміщенням часточок на пухку волокнисту сполучну і жирову тканини. За дії на організм тварин неадекватних і значної сили подразників (опіки, отруєння, дія іонізуючого опромінення тощо) розвивається акцидентальна інволюція тимуса. Вона характеризується спустошенням часточок тимуса (масовий вихід лімфоцитів у кров, їх загибель), набряканням відросчастих епітеліоцитів, збільшенням кількості і розмірів тимусних тілець та фагоцитозом макрофагами незмінених лімфоцитів. Ця інволюція є проявом захисних реакцій організму і часто є зворотним процесом.

Клоакальна (фабрицієва) сумка є тільки у птахів. У ній утво-

рюються В-лімфоцити і відбувається їх диференціація в ефекторні клітини. Тобто вона поєднує в собі функції центрального і периферичного органів кровотворення та імуногенезу. Крім цього, в ній синтезуються біологічно активні речовини, які впливають на В-лімфоцитопоез.

Клоакальна сумка – це дивертикул дорсальної стінки заднього відділу клоаки. Вона має неоднакову форму у різних видів птахів. За допомогою короткої протоки її порожнина з’єднана з порожниною клоаки.

Стінка клоакальної сумки утворена слизовою, м’язовою і серозною оболонками. Серозна оболонка сформована пухкою волокнистою сполучною тканиною, яка вкрита мезотелієм. М’язова оболонка представлена гладкою м’язовою тканиною і утворює зовнішній поздовжній та внутрішній циркулярний шари. Слизова оболонка утворена простим багаторядним епітелієм (місцями він простий циліндричний), власною пластинкою і підслизовою основою та формує складки, які орієнтовані вздовж органа. У складках розміщені лімфоїдні вузлики, які за будовою подібні до часточок тимуса. У них відбувається розвиток В-лімфоцитів. У слизовій оболонці стінки клоакальної сумки, осо-

159

бливо в ділянці протоки, міститься також лімфоїдна тканина, яка властива периферичним органам кровотворення та імуногенезу.

Вікова інволюція клоакальної сумки птахів починається ще до настання їх статевої зрілості. Вона виявляється у заміщенні її структу- рно-функціональних елементів (лімфоїдних вузликів) волокнистою сполучною і жировою тканинами. Через деякий час, після настання зрілості птахів клоакальна сумка повністю зникає.

Селезінка є периферичним органом кровотворення та імуногенезу. У ній також депонується кров, відбувається знищення еритроцитів і тромбоцитів, які завершили свій життєвий цикл. Селезінка плодів є універсальним органом кровотворення. Ця функція селезінки зберігається у гризунів і в постнатальному періоді онтогенезу.

Селезінка розташована у черевній порожнині і зовні вкрита серозною оболонкою, яка зростається з капсулою органа (рис. 45). Від капсули всередину органа відходять трабекули, які не ділять його на часточки, а формують своєрідний сітчастий каркас. Капсула і трабекули утворені щільною волокнистою сполучною тканиною з колагеновими і еластичними волокнами та пучками гладких м’язових клітин. Капсула і трабекули формують опорно-скоротливий апарат селезінки.

А

Б

Рис. 45. Мікроскопічна будова селезінки(А) та лімфоїдного вузлика (Б):

(А) 1 – лімфоїдний вузлик; 2 - червона пульпа; 3 – капсула; 4 – трабекули.

(Б) 1 – центр розмноження; 2 – мантійний шар; 3 – маргінальний шар; 4 – періартеріальний шар; 5 – центральні артерії; 6 – червона пульпа; 7 - трабекули

Паренхіму селезінки називають пульпою. Її основу утворює ретикулярна тканина між волокнами якої містяться макрофаги, клітини крові, ефекторні клітини лімфоцитів та їх попередники – імунобласти. У пульпі є багато кровоносних судин, її ділять на білу і червону, які мають неоднакові клітинний склад і функції.

160

Білій пульпі належить 20 % маси селезінки. У ній відбувається антигензалежна диференціація лімфоцитів у ефекторні клітини. Її основу формує лімфоїдна тканина (ретикулярна тканина з лімфоїдними клітинами). У складі цієї пульпи виділяють лімфоїдні вузлики і периартеріальні лімфоїдні піхви.

Л і м ф о ї д н і в у з л и к и – це кулясті скупчення лімфоцитів, імунобластів, ефекторних клітин лімфоцитів, макрофагів, які оточені оболонкою (капсулою). Їх діаметр – 0,3–0,7 мм. У вузликах є центральна артерія, яка розташована переважно ексцентрично. У кожному вузлику виділяють періартеріальну зону, світлий центр, мантійну і маргінальну зони.

Періартеріальна зона розташована навколо центральної артерії. Вона утворена фіксованими макрофагами (дендритними) і Т-лімфоцитами. Макрофаги фагоцитують антиген і представляють його Т-лімфоцитам. Останні під їх впливом диференціюються в ефекторні клітини.

Світлий (гермінативний, зародковий) центр займає центральну частину лімфоїдного вузлика. У ньому розміщені В-лімфоцити, які зазнали антигенної стимуляції (В-імунобласти), що диференціюються у ефекторні клітини і макрофаги. В-імунобласти, на відміну від В-лімфоцитів, мають значно більший об’єм цитоплазми, у зв’язку з чим ділянка розміщення їх у лімфоїдних вузликах на зафарбованих препаратах стає світлою. Поява у лімфоїдних вузликах світлих центрів (вторинні лімфоїдні вузлики) є реакцією на дію антигенів. Лімфоїдні вузлики, які не піддалися антигенній стимуляції, світлих центрів не мають (первинні лімфоїдні вузлики). Остаточна диференціація більшості В-лімфоцитів в ефекторні клітини у світлих центрах лімфоїдних вузликів не відбувається. Ці клітини у стані диференціації, потрапляють до кровоносних судин і з течією крові заносяться у червону пульпу, де і завершується їх диференціація.

Мантійна зона оточує світлий центр і періартеріальну зону. Вона утворена щільно розташованими В- і Т-лімфоцитами, макрофагами і плазмоцитами. Кількість Т-лімфоцитів у цій зоні незначна.

Маргінальна (крайова) зона розташована на периферії вузликів. У ній містяться Т- і В-лімфоцити, макрофаги, які оточені синусоїдними гемокапілярами.

Ретикулоцити периферійної частини лімфоїдних вузликів та їх волокна утворюють оболонку вузликів. У її складі можуть бути і ніжні

колагенові волокна.

 

 

П е р і а р т е р і а л ь н і

л і м ф о ї д н і

п і х в и розміщені

навколо пульпарних артерій.

Вони утворені

скупченням Т- і

161

В-лімфоцитів, макрофагів та плазмоцитів. В-лімфоцити і плазмоцити локалізовані поблизу стінки артерії, а локально, поряд з періартеріальними лімфоїдними піхвами, розташовані лімфоїдні вузлики.

Червоній пульпі належить майже 80 % маси селезінки. Її основу формує ретикулярна тканина з численними клітинами крові, які надають цій пульпі червоного кольору, макрофагами та кровоносними судинами. Серед кровоносних судин є багато синусоїдних капілярів. Ділянки червоної пульпи, які розташовані між ними називають тяжами селезінки. У них відбувається остаточна диференціація В-лімфоцитів у ефекторні клітини і перетворення моноцитів на макрофаги. У червоній пульпі також руйнуються переживаючі та ушкоджені еритроцити і тромбоцити, які фагоцитують макрофаги і депонується кров. При розщепленні гемоглобіну, фагоцитованих макрофагами еритроцитів утворюються і надходять у кров білірубін і трансферин, який містить залізо. Білірубін потрапляє у печінку і бере участь в утворенні жовчі, а трансферин фагоцитують з крові макрофаги червоного кісткового мозку, які передають його еритроцитам, що розвиваються.

Для розуміння механізму депонування крові в селезінці необхідні знання про її кровоносні судини. У ворота селезінки входить селезінкова артерія, яка розгалужується на трабекулярні артерії (розміщені у трабекулах). Останні, у свою чергу, розгалужуються на пульпарні артерії, навколо яких розташовані періартеріальні лімфоїдні піхви і лімфоїдні вузлики. У ділянці лімфоїдного вузлика пульпарну артерію називають центральною. Центральна артерія входить у червону пульпу і розгалужується на китичкові артеріоли, які продовжуються як еліпсоїдні артеріоли. Навколо останніх є періеліпсоїдні лімфоїдні піхви (біла пульпа). Еліпсоїдні артеріоли розгалужуються на капіляри, які можуть з’єднуватись з венозними синусами (закритий кровообіг) або відкриватись у ретикулярну тканину (відкритий кровообіг). Венозними синусами починається венозна частина кровоносних судин. Стінка синусів утворена ендотеліоцитами і переривчастою базальною мембраною та оточена спірально розташованими ретикулярними волокнами. Вхідна і вихідна частини синусів мають сфінктери. Сфінктер першої частини називають артеріальним, а другої – венозним. Коли венозний сфінктер закритий кров наповнює синуси. При цьому плазма крові може проникати через стінку синусів і потрапляти у ретикулярну тканину. Це призводить до збільшення концентрації клітин крові в синусах. У разі закриття обох сфінктерів кров депонується в синусах. Внаслідок цього утворюються значні щілини між ендотеліоцитами їх стінки. Через ці щілини кров потрапляє до ретикулярної тканини. При відкритих обох сфінктерах, а також при скороченні гладких м’язових

162