Материал: Измерительная фурма ККО ММК

Внимание! Если размещение файла нарушает Ваши авторские права, то обязательно сообщите нам

6 Анализ динамики электропривода 38

6.1 Выбор структуры сар и разработка основных параметров 38

10 Васильев В.В., Симак Л.А., Рыбникова А.М. Математическое и компьютерное моделирование процессов и систем в среде MATLAB/SIMULINK. Учебное пособие. 2008. - 91 с. 58

Время подъёма на рабочей скорости до крайнего верхнего положения находится по формуле (3.25):

tр2= ; (3.25)

tр2= = 5,6с.

Зависимости момента двигателя (нагрузочная диаграмма) и скорости перемещения фурмы (тахограмма) представлены на рисунке 3.1.

Время полного цикла находится по формуле (3.26):

Тц= 2 tп1+ tpi + 2∙tп2+ty1 + 2∙tn3 + tp2 + ty2 + tпаузы; (3.26)

Тц = 2·2,6 + 4,2 + 2·0,089 + 5,8 + 2·2,5 + 5,6 + 1,6 + 6 = 34 c.

Рисунок 3.1 - Нагрузочная диаграмма и тахограмма работы механизма подъём фурмы при полном подъёме и опускании

3.4 Проверка двигателя по нагреву и перегрузочной способности

Проверка по перегреву ведётся методом эквивалентного момента. Необходимо вычислить эквивалентный момент за время работы электропривода ∑tp. Эквивалентный момент равен:

Мэ= = 2202 Н·м

β0:=0,25

β:= β=0,625

Фактическая продолжительность включения электропривода:

εф= =0,94

где, ∑tp - время цикла фактической работы привода (время общего цикла без пауз в работе).

Так как Мн = 2205, а Мэ = 2202 Н м ,то выбранный двигатель проходит по нагреву, поскольку соблюдается условие Мн≥ Мэ, с учетом фактической продолжительности работы.

Проверка двигателя по перегрузочной способности

Двигатель проходит по перегрузке, если выполняется условие :

Мп≥λ Мн;

где, Мп – пусковой момент двигателя при подъёме фурмы.

Так как λ Мн = 5212, а Мп= 5371 Н м ,то выбранный двигатель проходит по нагреву, поскольку соблюдается условие.

4 Выбор и характеристика основного силового электрооборудования

4.1 Выбор и характеристика тиристорного преобразователя

Для электродвигателя мощностью Рн = 110 кВт, напряжением UH = 440 В, номинальным то­ком Iн = 274 А, перегрузочной способностью по току λi=3,0 наиболее целесообразной схемой вы­прямления является мостовая трёхфазная с питанием от сети переменного тока 380 В.

При определении номинальных значений выпрямленного напряжения и тока тиристорного преобразователя необходимо обеспечить:

Udн ≥ Uн =440 В, I­dн= Iн· =274· =365,3 А,

где, λтп - перегрузочная способность тиристорного преобразователя в течение 10с.

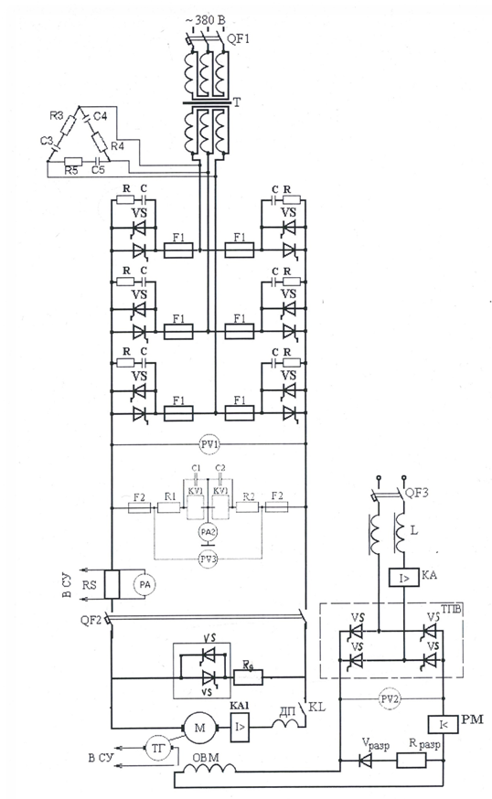
Этим условиям удовлетворяет тиристорный преобразователь серии KTE-320 / 440-131-23UHL4 для номинального тока IdH = 320 А и напряжения UdH = 440 В: одиночный электропривод с линейным контактором; реверсивный, с цепью якоря обратного тока; Версия Transformer; Скорость ACP для одной зоны; Встроенный источник питания возбуждения для двигателя, электромагнитный тормоз и динамическое торможение; для умеренно холодного климата 4 категории размещения. Схема обратного тиристорного преобразователя показана на рисунке 4.1.

Тиристорный преобразователь КХПП с раздельным управлением группами клапанов. Преимущество таких инверторов по сравнению с преобразователями общего управления заключается в отсутствии уравновешивающего тока, что повышает эффективность и надежность работы привода из-за уменьшенной вероятности «опрокидывания» инвертора.

Рисунок 4.1 – Силовая схема тиристорного преобразователя

4.2 Выбор и характеристика силового трансформатора

Так как в комплект выбранного КТЭ входит силовой трансформатор, то ниже приводится только его технические данные. Применяется трансформатор из серии сухих типа ТСЗП-250/0,7УЗ с техническими данными, приведенными в таблице 4.

Таблица 4 - Технические данные трансформатора ТСЗП-250/0,7УЗ

Группа

соединения

SH,

кВА

Номинальные напряжения, В

Номинальные токи,А

ек%,

%

Потери, Вт

Iо,

%

U

U

UdH

I

IdH

Pxx

Pкз

∆/∆-0

230

380

416

460

326

400

4,7

915

3700

5,2

Максимальное значение выпрямленной ЭДС находится по формуле (4.1):

Ed0 =1,35·U; (4.1)

Ed0 = 1,35·416 = 561,6 В.

Первичный линейный ток находится по формуле (4.2):

I= ; (4.2)

I = = 357 А.

где kт - коэффициент трансформации.

Коэффициент трансформации находится по формуле (4.3):

kт= ; (4.3)

kт = = 0,913.

Полное сопротивление фазы трансформатора, приведенное ко вторичной обмотке находится по формуле (4.4):

Zт = ; (4.4)

Zт = = 0,06 Ом.

Активное сопротивление обмоток трансформатора (для вторичной обмотки соединённой в “треугольник”) находится по формуле (4.5):

RT = (4.5)

RT = = 0,016 Ом.

Индуктивное сопротивление находится по формуле (4.6):

XT= ; (4.6)

XT = Ом

Индуктивность трансформатора находится по формуле (4.7):

LT = ; (4.7)

LT = = 0,18 мГн.

4.3 Выбор сглаживающих дросселей

Сглаживающий дроссель не выбирается, так как двигатель серии Д допускается к работе без дополнительного дросселя.

4.4 Выбор и характеристика источника питания для возбуждения двигателя

Обмотка возбуждения двигателя питается от встроенного в тиристор преобразователя возбудителя. Форсирование напряжения возбуждения не требуется, т.е. Необходимо выбрать источник тока с номинальным током не менее I = 5,5 А и напряжением 220 В.

Этим условиям отвечает возбудитель серии КТЕ-7 / 220-9-УХЛ4, встроенный в тиристорный преобразователь. Питание возбудителя осуществляется от сети переменного тока 220 В через ограничитель тока L (рисунок 1.3). Руководство по однофазному необратимому покрытию. Напряжение переменного тока 220 В снимается со вторичной обмотки вспомогательного трансформатора.

4.5 Расчёт и построение регулировочных характеристик преобразователя

Для преобразователей серии KTE в Sifu применяется линейный источник опорного напряжения. Расчетные свойства обратного тиристорного преобразователя SIFU с линейным опорным напряжением рассчитываются по формуле (знак «-» обозначает группу «Вперед», «+» - «Назад»):

Ed Edo · cos(αнач · ) = 561,6·cos(95 · ) .

где αнач - начальный угол согласования характеристик, принимается равным 95°;

Uon- максимальное значение опорного напряжения, равное 8 В.

Данные расчета представлены в таблице 5, а на рисунке 4.2 - регулировочные характери­стики Ed=f(Uy).

Таблица 5- Регулировочные характеристики СИФУ и реверсивного ТП

Uy

-8

-7

-6

-5

-4

-3

-2

-1

0

1

2

3

4

5

6

7

8

ГРУППА «ВПЕРЁД»

Ed1,В

-534

-534

-534

-492

-430

-352

-259

-157

-48,9

61,1

169

270

361

438

498

534

534

ГРУППА «НАЗАД»

Ed1,В

-534

-534

-498

-438

-361

-270

-169

-61,1

48,9

157

259

352

430

492

534

534

534