Материал: Измерительная фурма ККО ММК

Внимание! Если размещение файла нарушает Ваши авторские права, то обязательно сообщите нам

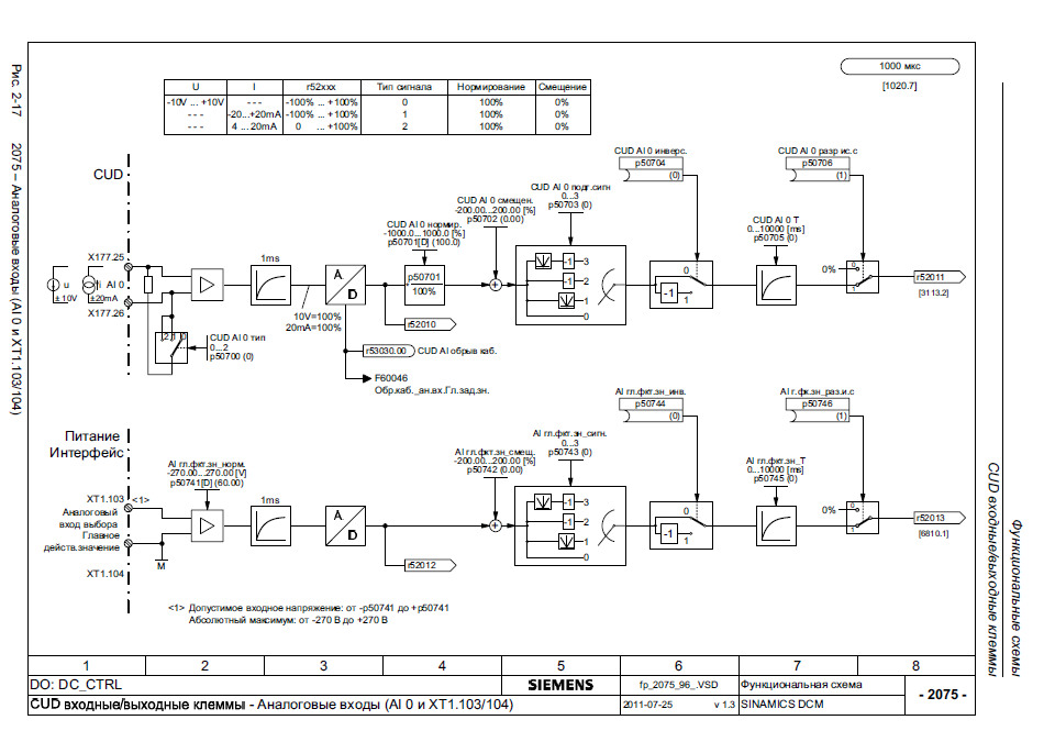
6.3.5 Аналоговые входы

После преобразования в цифровое значение значение аналогового входа можно гибко настраивать с помощью параметров для нормализации, фильтрации, выбора математического символа и назначения смещения. Поскольку значение доступно в качестве порта, аналоговый вход может использоваться как основной эталон, а также как значение для вспомогательного эталона и для ограничения.

Используемые аналоговые входы показаны на рисунке 6.6.

Рисунок 6.6- Функциональная схема аналоговые входы

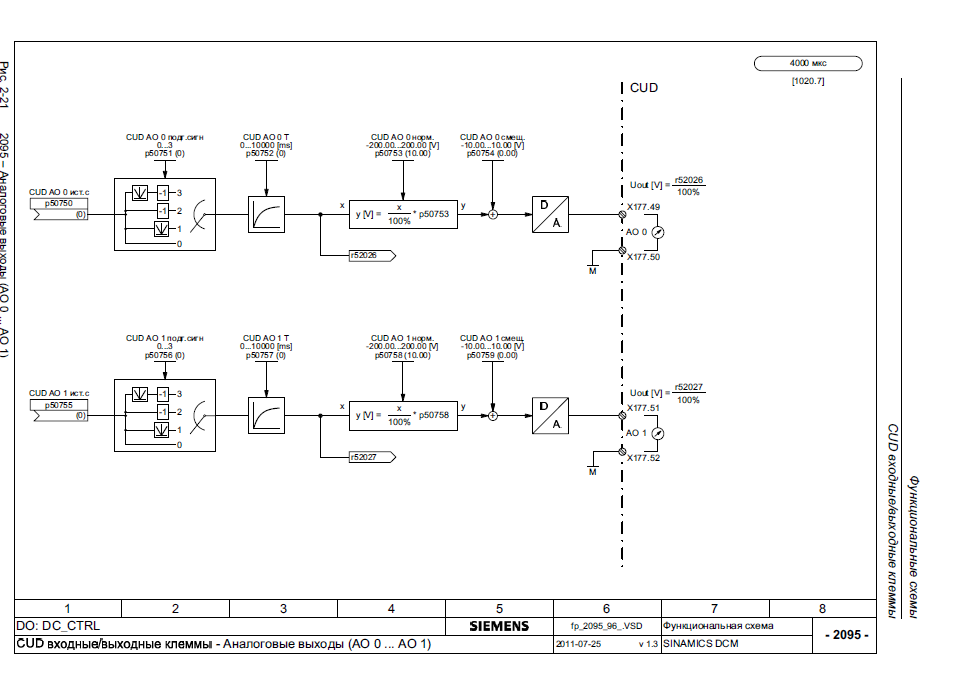
6.3.6 Аналоговые выходы

Текущее значение тока выводится в виде реального значения на клемме 12. Вывод возможен в виде биполярного или абсолютного значения, кроме того, можно выбрать полярность.

Выбираемые аналоговые выходы доступны для вывода других аналоговых сигналов. Выход может быть биполярным или абсолютным. В этом случае можно задать параметры масштабирования, смещения, полярности и интервала фильтра. Требуемые выходные значения выбираются в точке воздействия путем ввода номера разъема. Возможными выходными значениями являются, например, текущее значение скорости, выходной сигнал датчика ускорения, опорная мощность, напряжение сети и т. Д.

Используемый аналоговый выход показан на рисунке 6.7.

Рисунок 6.7 - Функциональная схема аналоговые выходы

6.3.7 Процесс оптимизации

Преобразователь доступен в состоянии заводской настройки. Настройка регулятора при помощи выбора автоматического процесса оптимизации. Выбор режима при помощи специального цифрового ключа.

Перечисленные ниже функции регулирования могут быть настроены при помощи автоматической оптимизации:

- оптимизация регулятора тока для настройки регулятора и управления;

- оптимизация регулятора скорости для настройки его характеристик;

- автоматическая запись отпуска утравления

регулятором скорости;

Кроме того, можно вручную настроить все параметры.

6.3.8 Контроль и диагностика

Параметр G000 указывает рабочее состояние преобразователя. Для отображения результатов измерений доступно около 50 параметров. Кроме того, рабочие значения сигналов (соединений) контроллера 300 могут отображаться на дисплее программным обеспечением. Примеры результатов измерений, отображаемых на дисплее: заданное значение, текущее значение, состояние двоичных входов / выходов, напряжение сети, частота сети, угол управления, входы / выходы аналоговых клемм, входы и выходы контроллера, отображение предельных значений.

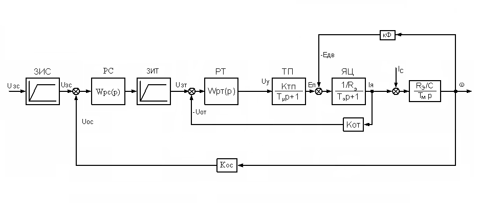
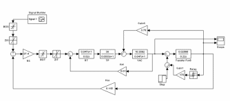
6.4 Расчет динамических характеристик сар

Для расчета переходных процессов и оценки статических и динамических свойств проектируемой системы управления электроприводом подъемного механизма измерительного механизма разработана математическая модель системы автоматического управления на основе упрощенной блок-схемы (рисунок 6.9) и реализована в программе MATLAB Simulink. Используя эту модель, получены кривые перехода f = f (t) и I = f (t), а динамические и статические свойства системы проанализированы для различных условий перехода.

На фигурах переходные процессы I = f (t) и  = f (t) при ускорении до рабочей скорости при опускании сопла и I = f (t) и  = f (t) при ускорении до рабочей скорости при опускании Сопло показано 6.11, 6.12. Установившееся значение динамического тока составляет 775 А, максимальное значение тока - 830 А, а выброс тока соответствует формуле (6.20):

(6.20)

Математическая модель САР представлены на рисунках 6.9, 6.10.

Рисунок 6.8 – Структурная схема САР электропривода механизма подъема измерительной фурмы

Рисунок 6.9 - Математическая модель САР электропривода подъема измерительной фурмы.

Рисунок 6.11 – Графики I = f(t) и  = f(t) во время разгона до рабочей скорости при опускании фурмы.

Рисунок 6.12 - Графики I = f(t) и  = f(t) во время торможения.

Заключение

В данной выпускной квалификационной работе электропривод измерительной трубки был разработан ОАО «ККЦ ММК».

При анализе технологических условий сформулированы основные требования к электроприводу подъемника.

На основании требований технологии был выбран двигатель постоянного тока D814U2 для номинального напряжения 440 В.

С учетом номинальных данных двигателя и требований технологического процесса был выбран комплектный тиристорный электропривод КТЭ-320 / 440-131-23УХЛ4. Тиристорный преобразователь, используемый для питания цепи якоря двигателя, подключается к сети 380 В переменного тока через трансформатор серии ТСЗП-250 / 0,7 УЗ.

Для питания обмотки возбуждения двигателя и других внутренних требований был выбран преобразователь KTE-10 / 220-9-UHL4, работающий от реактора с ограничением тока 220 В переменного тока.

Управляющие характеристики силового преобразователя были установлены.

Рассматривает базовую защиту накопителя и рассчитывает его настройки.

Управление осуществляется на основе модуля управления SINAMICS DCM.

Разработана структурная схема автоматической системы управления электроприводом. Рассчитаны основные параметры системы TP-D и все необходимые параметры контура управления, коэффициенты обратной связи и датчики.

Функциональные возможности функциональных блоков SINAMICS DCM Control Module принимаются во внимание.

Предложена автоматизированная измерительная система.

Расчетное управление электроприводом обеспечивает отображаемые параметры настройки электропривода фурмы.

Список использованных источников

1 Косматов В.И. Проектирование электроприводов металлургического производства. Учеб­ное пособие. Магнитогорск: МГТУ, 2000. - 244 с.

2 Справочник по электрическим машинам: В 2т. Т.2/ Под общ. Ред. И. П. Копылова. - М.: Энергоатомиздат, 1989. - 688с.: ил.

3 Комплектные тиристорные электроприводы: Справочник/ И. X. Евзеров, А. С. Горобец, Б. И. Мошкович и др.; Под ред. канд. техн. наук В. М. Перельмутера. - М.: Энергоатомиздат, 1988. - 319с.

4 Замятин В. Я., Кондратьев Б. В., Петухов В. М. Мощные полупроводниковые приборы. Тиристоры: Справочник. М.: радио и связь, 1988. 576 с.

5 Бычков В.П. Электропривод и автоматизация металлургического производства. М.: Выс­шая школа, 1997. 391 с.

6 Ильинский Н.Ф. Основы электропривода. Учебное пособие. – М.:Издательство МЭИ, 2003. – 224 с.

7 Фомин Н.В. Системы управления электроприводов. Учебное пособие. Магнитогорск: МГТУ, 2012.- 293с.

8 Анучин А.С. Системы управления электроприводов. Учебник для вызов. М.: Издательский дом МЭИ, 2015. – 373с.

9 Белов М.П., Новиков В.А., Рассудов Л.Н. Автоматизированный электропривод типовых производственных механизмов. М.: Издательский центр «Академия», 2007.– 576 с.

10 Васильев в.В., Симак л.А., Рыбникова а.М. Математическое и компьютерное моделирование процессов и систем в среде matlab/simulink. Учебное пособие. 2008. - 91 с.

58