Материал: fomin-n-v-sistemy-upravlenija-elekt-437151079-unlocked

Внимание! Если размещение файла нарушает Ваши авторские права, то обязательно сообщите нам

7.Как изменяется напряжение срабатывания реле при изменении точки его подключения?

8.Объясните работу реле противовключения в соответствии с электромеханическими характеристиками электродвигателя.

9.Как контролируется режим противовключения у асинхронных двигателей?

1.5.Управление пуско – тормозными режимамив функции тока

(момента)

Из рис. 1.3 видно, что ток при пуске двигателя изменяется от значения I1 до I2 . Для контроля величины тока применяют, как правило, токовые реле. Схема управления пуском двигателя в функции тока представлена на рис. 1.13.

Токовое реле KA настроено таким образом, что его втягивание происходит при величине якорного тока I1, а отпад ание - при I2. При настройке схемы должны выполняться условия: время срабатывания реле KV должно быть больше времени срабатывания реле KA; время срабатывания контактора KM должно быть больше времени срабатывания реле KA.

Рис. 1.13. Схема управления пуском в функции тока

36

Если эти условия выполняются, то при нажатии на кнопку SB2 («Пуск») включается контактор KM, который подключает двигатель к сети. Происходит бросок тока и втягивание реле KA, при этом включается и реле KV, но т.к. его время срабатывания больше времени срабатывания реле KA, контакторы KM1 и KM2 питания не получают, т.к. контакт реле KA в цепи их питания разомкнут. Двигатель разгоняется по характеристике 1 (рис. 1.3). При спадании тока до величины I2, реле KA отпадает и подает питание на катушку контактора KM1, что приводит к переходу на характеристику 2, броску тока до величины I1 и срабатыванию реле KA. Питание контактора KM1 осуществляется через замкнутый контакт контактора KM1, шунтирующий контакт реле KA. Контактор KM2 не получает питания из – за разницы во времени срабатывания KM1 и KA. При снижении тока до величины I2 реле KA отпадает, что приводит к срабатыванию контактора KM2 и выходу двигателя на естественную характеристику.

К достоинствам данного способа пуска можно отнести:

-возможность осуществления пуска при максимально допустимом токе (моменте) двигателя;

-колебания напряжения сети не влияет на момент переключения;

-время пуска не зависит от температуры катушек реле.

-К недостаткам относятся:

-время пуска изменяется при изменении момента сопротивления и питающего напряжения;

-сложная настройка и изготовление токовых реле для приводов различной мощности.

Из–за перечисленных недостатков на практике данный способ управления пуском (торможением) не применяют.

Управление пуском в функции тока на практике применяют в схемах пуска двигателя до скорости выше основной ослаблением магнитного потока двигателя. Схема данного узла приведена на рис. 1.14.

После выхода на естественную характеристику (включении контактора KM2 и шунтировании резистора R2) в якорную цепь включается токовое реле KA, а в цепь обмо тки возбуждения вводится добавочный резистор Rдоб, что приводит к снижению тока возбуждения и магнитного потока. Поскольку перегрузочная способность двигателя при ослабленном магнитном потоке меньше перегрузочной способности

37

при

номинальном

магнитном потоке из–за ухудшения условий

коммутации, то токи втягивания IВТ и отпадания IОТП реле KA, меньше

токов

переключения

I1 и I2 при пуске с номинальным магнитным

потоком (рис. 1.14.б).

а)

б)

Рис. 1.14. Схема управления пуском в функции тока ослаблением магнитного потока (а) и переходные процессы (б)

Срабатывание реле KA приводит к включению резистора Rдоб в цепь обмотки возбуждения, увеличению магнитного потока (ЭДС двигателя) и снижению тока якоря. При снижении тока якоря до величины тока отпадания реле KA, реле отключается, что приводит к шунтированию Rдоб, уменьшению тока возбуждения (магнитного потока), дальнейшему росту скорости двигателя и увеличению тока якоря. Таким образом, реле KA работает в вибрационном режиме (рис. 1.14.б) до тех пор, пока бросок тока при ослаблении магнитного потока не будет превышать величины тока втягивания реле KA и двигатель не выйдет на характеристику при ослабленном магнитном потоке и повышенной скорости вращения. В данном случае пуск двигателя до повышенной скорости происходит при контроле величины якорного тока посредством реле тока KA. Чтобы снизить ширину токового коридора, реле KA выполняют с максимально возможным коэффициентом возврата (отношение тока отпадания к току втягивания), равным 0,8…0,85.

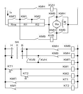
1.6. Пример изучения работы схемы управления электродвигателем постоянного тока независимого возбуждения

Принципиальная электрическая схема управления электродвигателем постоянного тока независимого возбуждения представлена на рис.1.15. Схема силовой цепи обеспечивает реверсивный режим работы двигателя (контакты контакторов

38

направления «Вперед» KMВ и «Назад» KMН), пуск в две ступени в функции времени (реле времени KT1 и KT2, контакторы ускорения KM1

иKM2) и режим торможения противовключением в функции скорости (реле противовключения для направления «Вперед» KVВ и «Назад» KVН

иконтактор противовключения KMП).

Рис. 1.15. Схема управления пуском двигателя в две ступени с торможением противовключением

В исходном нулевом положении рукоятки командоаппарата SA в цепи управления ток протекает через катушки реле времени KT1 и KT2, через размыкающие контакты контакторов KMП и KM1, которые замкнуты, т.к. в катушках этих контакторов ток не протекает. Поэтому контакты KT1 и KT2 разомкнуты, предотвращая включение контакторов KM1 и KM2 и обеспечивая включение пусковых резисторов R1 и R2 в якорной цепи.

При переводе рукоятки командоаппарата в положение В («Вперед») замыкается верхний контакт SA и получает питание катушка контактора KMВ, контактор срабатывает и подключает к якорю двигателя напряжение силовой цепи и подключает катушку реле противовключения KVВ. Напряжение на катушке KVВ при неподвижном

39

двигателе достаточно для его срабатывания (рис.1.10 т. a) и реле втягивается, его контакт в цепи катушки контактора противовключения замыкается и контактор KMП срабатывает, шунтируя резистор противовключения Rпв в якорной цепи двигателя. Двигатель начинает разгон по реостатной характеристике 1 (рис. 1.3). Контакт KMП в цепи катушки реле времени KT1 размыкается и реле KT1 начинает отсчет выдержки времени, после которой контакт KT1 замыкается и ток протекает через катушку KM1. Контакт КМ1 шунтирует пусковой резистор R1 в якорной цепи двигателя, в результате чего двигатель переходит на реостатную характеристику 2 и продолжает разгон по этой характеристике. Контакт KM1 в цепи катушки реле времени KT2 размыкается и реле KT2 начинает отсчет выдержки времени. После этого контакт реле KT2 в цепи к атушки KM2 замыкается и срабатывает контактор KM2, шунтируя пусковой резистор R2 в якорной цепи двигателя, переводя двигатель на естественную характеристику. Двигатель разгоняется до скорости, определяемой величиной нагрузки Iс.

Для осуществления реверса двигателя рукоятку командоаппарата SA переводят в положение Н («Назад»). В результате чего верхний контакт SA размыкается, отключая катушку KMВ, поэтому двигатель отключается от сети, отключается реле KVВ, которое отключает контактор противовключения KMП, размыкающий контакт KMП замыкается и запитывает катушку реле времени KT1, которое размыкает свой контакт и снимает напряжение с катушек KM1 и KM2, размыкающий контакт KM1 подает питание на катушку реле времени KT2, которое срабатывает и размыкает свой контакт в цепи катушки контактора KM2. Таким образом, в якорной цепи двигателя введены пусковые резисторы R1 и R2 и резистор противовключения Rпв. При замыкании нижнего контакта SA получает питание контактор KMН, который своими контактами в силовой цепи изменяет полярность подводимого к двигателю напряжения и подключает катушку реле противовключения для направления «Назад» KVН. Напряжение на катушке реле KVН близко к нулю (рис. 1.10), поэтому реле не срабатывает и его контакт в цепи контактора KMП разомкнут. Двигатель тормозится с введенными резисторами R1, R2 и Rпв (т.2 – т.3 на рис. 1.10). При достижении величины напряжения срабатывания реле KVН втягивается, его контакт в цепи катушки контактора KMП замыкается, контактор KMП срабатывает и шунтирует резистор противовключения Rпв в якорной цепи двигателя, выводя двигатель на реостатную характеристику (т. 4 на рис. 1.10). Затем происходит пуск двигателя в две ступени в функции времени, аналогично пуску в направлении «Вперед».

40