Материал: fomin-n-v-sistemy-upravlenija-elekt-437151079-unlocked

Внимание! Если размещение файла нарушает Ваши авторские права, то обязательно сообщите нам

Задавшись величиной емкости конденсатора С1 , на основании соотношений (В.10) последовательно рассчитываются величины сопротивлений резисторов R4;R3;R2;R1 .

Передаточная функция датчика ЭДС (рис. В.4) соответствует выражению:

W (p) = uоэ (p) =

kоэ

.

(В.11)

 

дэ

Ea (p)

(Tф2p +1)

 

 

 

 

 

Недостатком быстродействующего датчика ЭДС является наличие

канала дифференцирования напряжения

uот , по

которому

могут

проходить на выход датчика высокочастотные помехи.

Еще одной возможностью реализации датчика ЭДС является применение наблюдающего устройства. Наблюдающие устройства в автоматизированном электроприводе предназначены для вычисления по известным (наблюдаемым) координатам объекта регулирования, координат, непосредственный замер которых невозможен. Наблюдающие устройства строятся по принципу замкнутой системы регулирования, минимизирующей ошибку между вычисленным и фактическим значением координаты. Для этого датчик моделирует фрагмент структурной схемы объекта регулирования, для которого в качестве входных координат используются первый наблюдаемый параметр и вычисленный (выходной) сигнал датчика. В результате преобразования входных сигналов получается сигнал, равный следующему (второму) наблюдаемому параметру по структурной схеме объекта регулирования, если вычисленный (выходной) сигнал датчика равен фактическому. В случае если выходной сигнал датчика отличается от фактического значения, то второй наблюдаемый параметр и его вычисленное значение будут отличаться на величину ошибки, по которой определяется или корректируется выходной сигнал датчика.

Для реализации датчика ЭДС на базе наблюдающего устройства, уравнение (В.1) представляют в интегральном виде:

(U

a

(p) E

a

(p) I

a

(p)R

a

)

1

- I

a

(p)R

a

= 0 . (В.12)

T p

 

 

 

 

 

 

 

 

 

 

 

 

 

 

 

 

 

a

 

 

 

 

 

326

Запишем уравнение (В.12) через напряжения обратных связей, тогда получится следующее уравнение:

(u

он

(p) u

оэ

(p) u

от

(p)R

kон )

1

-

T p

 

 

 

 

 

 

a k

от

 

 

 

 

 

 

 

 

 

 

 

 

 

a

(В.13)

 

 

 

 

 

kон

 

 

 

 

 

 

 

- u

от

(p)R

a

= ∆u

т

= 0

 

 

 

 

 

 

 

kот

 

 

 

 

 

 

 

Первое слагаемой в выражении (В.13) моделирует якорную цепь в структурной схеме электродвигателя постоянного тока, и определяет сигнал, пропорциональный якорному току, который сравнивается с сигналом фактического значения якорного тока. Если выходной сигнал

датчика ЭДС uоэ пропорционален ЭДС электродвигателя, то уравнение (В.13) будет справедливым. Фактически в процессе работы датчика ЭДС равенство (В.13) нарушается, и по величине ошибки uт определяется

выходной сигнал датчика ЭДС. Структурная схема датчика ЭДС на базе наблюдающего устройства представлена на рис. В.5.

Датчик включает в себя интегратор И, пропорциональное звено с коэффициентом передачи kу , усиливающее ошибку uт до величины

uоэ .

В соответствии с рис.А5 можно записать следующее выражение:

((u

он

u

оэ

u

от

R

kон )

1

- u

 

R

k

он )k

 

= u

 

. (В.14)

T p

от

a k

у

оэ

 

 

 

 

a k

от

 

 

от

 

 

 

 

 

 

 

 

 

 

a

 

 

 

 

 

 

 

 

В соответствии с (В.14) передаточная функция датчика ЭДС на базе наблюдающего устройства имеет вид:

327

Рис.В.5. Структурная схема датчика ЭДС на базе наблюдающего устройства

W (p) = uоэ (p)

=

 

kоэ

 

,

(В.15)

 

Ta

 

дэ

Ea (p)

 

 

 

 

 

 

 

 

 

 

 

 

 

 

 

 

p +1

 

 

 

 

 

kу

 

где kу =10…15 – коэффициент

передачи

пропорционального звена,

повышающий быстродействие и точность работы датчика ЭДС.

Датчик ЭДС на базе наблюдающего устройства эквивалентен инерционному звену первого порядка с постоянной времени Ta / kу . В

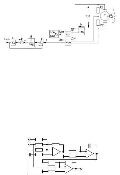
соответствии с (В.14) принципиальная схема реализации датчика ЭДС на базе наблюдающего устройства примет вид, представленный на рис.В.6.

+uон

R1

 

 

-uот

R2

R4

C1

 

R3

 

R5

 

 

 

 

 

DA1

DA2

 

 

 

 

 

R6

R8

 

 

R7

-u оэ

 

 

 

DA3

Рис.В.6. Принципиальная схема датчика ЭДС на базе наблюдающегоустройства

328

Для схемы, представленной на рис.В.6 справедливо следующее выражение:

(u

R4

u

R

4

u

R

4 ) R8 / R6

- u

R8

= −u

 

. (В.16)

 

он R

1

 

оэ R

3

 

от R

2

R C p

 

от R

7

 

оэ

 

 

 

 

 

 

 

5

1

 

 

 

 

 

Из сопоставления выражений (В.14) и (Б16) можно получить соотношения для расчета параметров датчика ЭДС:

R4

=

R4

=1;

R4

= R

kон ;

 

 

 

R1

 

R3

 

R2

 

a kот

 

 

 

R8

= k

;

 

R8

= R

kон k

.

(В.17)

R6

 

у

 

 

R7

 

a kот

у

 

 

R5C1 = Ta ;

По соотношениям (В.17) задавшись величиной емкости конденсатора C1 рассчитывают величину сопротивления резистора R5 ,

задавшись

величиной

сопротивления

резисторов R1 = R3 = R4 ,

рассчитывают величину

сопротивления

резистора R2 , задавшись

величиной

сопротивления

резистора R8 , рассчитывают величину

сопротивления резисторов R6 и R7 .

 

 

В

схеме рис.В.6

на выходе

операционного

усилителя

DA1 формируется сигнал,

пропорциональный первой

производной

якорного тока, который можно использовать в системе управления электроприводом.

Датчик момента нагрузки. Простейший датчик измерения момента нагрузки электродвигателя строится на основании уравнения движения электропривода, записанного в операторной форме записи:

Мa (p) Mс (p) = JΣω(p)p .

(В.18)

329

Для электродвигателя постоянного тока независимого возбуждения уравнение (В.18) примет вид:

Мс (p) = нIa (p) JΣω(p)p ,

(В.19)

т.е. для получения сигнала, пропорционального величине момента нагрузки (момента статического) необходимо из сигнала, пропорционального электромагнитному моменту электродвигателя (сигнала тока) вычесть сигнал, пропорциональный первой производной угловой частоты вращения электродвигателя.

Запишем уравнение (В.19) через напряжения обратных связей по току uот = kотIa и скорости uос = kосω:

 

kот

М

с

(p) = u

от

(p) J

 

kотuос (p) p или

 

 

н

 

 

 

 

 

 

 

Σ нkос

 

 

 

 

 

 

 

uом (p) = uот (p) Tдuос (p)p ,

(В.20)

где uом = kомMс - напряжение обратной связи по моменту нагрузки;

kом = kот / kФн -

коэффициент

обратной связи по

моменту

нагрузки, В/Нм;

 

 

 

 

 

 

 

 

 

Tд = JΣ

kот

 

-

постоянная времени дифференцирования канала

нkос

скорости, с.

Реализация датчика момента нагрузки на операционном усилителе представлена на рис.В.7.

С2

-Uос С1R2

+UотR1 -Uом

DA

Рис.В.7. Принципиальная схема датчика момента

330