Материал: fomin-n-v-sistemy-upravlenija-elekt-437151079-unlocked

Внимание! Если размещение файла нарушает Ваши авторские права, то обязательно сообщите нам
Мдин = Мa Мс

+Uот

R1

R3

 

C1

-Uом

R2

 

 

R4

 

 

 

DA1

DA2

 

 

 

 

-Uос

R5

R7

 

R6

 

-Uом

 

 

 

 

 

 

 

 

 

 

 

DA3

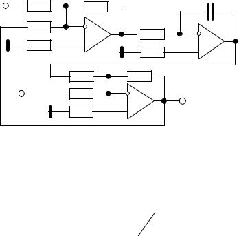
Рис.В.11. Принципиальная схема датчика момента нагрузки на базе наблюдающего устройства

Для схемы рис.В.11 справедливо следующее уравнение для выходного напряжение датчика момента:

 

 

 

 

 

R3 u

R3 )

R7

R5

 

 

 

R

 

 

 

u

 

= (u

 

 

 

 

 

u

7 .

(В.28)

 

 

 

R

C p

ос R

 

 

ом

 

от R

1

ом R

2

 

6

 

 

 

 

 

 

 

 

 

4

 

1

 

 

 

 

 

На основании (В.26) и (В.28) можно вывести соотношения для

расчета параметров датчика момента нагрузки:

 

 

 

 

 

 

R3

= R3

=1; R9

= R9 = k

;R C = T .

 

 

 

R1

R2

 

R8

R7

у

 

4

1

 

 

д

 

 

 

 

 

 

 

 

 

 

 

 

 

 

 

 

 

Выходное напряжение усилителя DA1 пропорционально величине динамического момента электродвигателя и может быть использовано в системе управления электроприводом.

Датчики угла и рассогласования. В качестве датчика угла поворота используют сельсины и вращающиеся трансформаторы. Сельсин – это электрическая микромашина переменного тока, на роторе которой расположена однофазная обмотка (обмотка возбуждения), а на статоре – трехфазная обмотка (обмотка синхронизации).

336

С

А eAB В

 

с1

с3

γ

с2

р2

р1

Рис.В.12. Схема включения сельсина

На рис.В.12 показана схема включения сельсина в амплитудном режиме работы. Обмотка возбуждения (роторная обмотка р1, р2) получает питание от источника однофазного переменного напряжения:

uв = UвmSin(ωct) ;

где Uвm -амплитудное значение напряжения возбуждения, В;

ωc = 2πfc - угловая частота питающей сети, Гц.

Магнитный поток, создаваемый обмоткой возбуждения, действует по оси обмотки возбуждения, которая занимает пространственное положение относительно оси отсчета (оси фазы А), смещенное за счет поворота ротора на угол γ, пересекает обмотки, расположенные на статоре (с1, с2, с3) и наводит в них фазные ЭДС, изменяющиеся с частотой цепи возбуждения и смещенные друг относительно друга на

пространственный угол 2π3 (1200):

337

eA = kт UвmCos(γ)Sin(ωct);

 

eВ = kт UвmCos(γ − 2π/ 3)Sin(ωct);

(В.29)

eС = kт UвmCos(γ − 4π/ 3)Sin(ωct);

 

где kт = Em / Eвm Em / Uвm - коэффициент трансформации

между

фазной статорной и роторной обмотками при их соосном положении.

Линейная ЭДС определяется разностью соответствующих фазных ЭДС, например, линейная ЭДС eАВ будет равна:

e

 

= e

 

e

 

=

 

 

 

U

 

Sin(

π −γ)Sin(ω t) .

 

АВ

А

В

3k

т

вm

(В.30)

 

 

 

 

 

 

 

 

3

c

 

 

 

 

 

 

 

 

 

 

 

 

 

 

 

 

В этом случае, при начальном угле поворота γ = 0, выходная ЭДС eАВ 0 , что приводит к несоответствию между входной и выходной

координатами датчика. Для исключения данного несоответствия, начало отсчета угла поворота датчика (угла поворота ротора) перемещают на

угол π3 в направлении к фазе В поворотом статора сельсина при неподвижном роторе. Тогда в новой системе отсчета (ось отсчета смещена на угол θ = π3 − γ ) выходная линейная ЭДС eАВ определится зависимостью:

 

eАВ =

 

 

 

 

3kт UвmSin(θ)Sin(ωct) = EлmSin(ωct) .

(В.31)

Из (В.31) видно, что выходная ЭДС

eАВ изменяется с частотой

изменения

магнитного потока (частотой

питающей сети

ωс ),

а

амплитуда

eАВ определяется величиной

угла поворота

ротора

θ.

Поэтому

характеристика управления

сельсина (вход

выход)

Eлm = f (θ) в амплитудном режиме его работы имеет синусоидальную зависимость:

338

Eлm =

 

 

 

3kт UвmSin(θ) .

(В.32)

В соответствии с (В.32) при изменении угла поворота ротора сельсина от θ = −π/ 2 до θ = π/ 2 амплитуда выходной ЭДС сельсина

 

Eлm = −

 

 

 

 

 

изменяется от

 

3kт Uвm (при фазе ϕ=0) до Eлm = 3kт Uвm

(при фазе ϕ = π).

 

 

 

 

 

На рис.

(В.13)

показана выходная ЭДС сельсина (В.31) при

различных значениях угла поворота ротора сельсина: 1- при θ = θ1 , 2-

при θ = 2θ1 и 3- при θ = −θ1 . Как видно из рис.В.13, при увеличении

угла поворота ротора сельсина в два раза, амплитуда выходной ЭДС также увеличивается в два раза, а при изменении направления угла поворота ротора сельсина, фаза выходной ЭДС изменяется на противоположную.

Рис.В.13. Изменение выходной ЭДС сельсина при различных углах поворота ротора

Если угол

поворота ротора сельсина ограничить величиной

− π/ 3 ≤ θ ≤ π/ 3 ,

то характеристика управления сельсина (В.32)

практически становится прямолинейной.

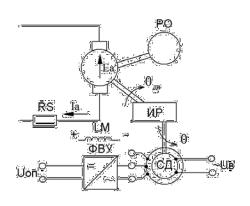
Схема включения сельсинадатчика показана на рис.В.14. Ротор сельсина сочленяется с валом электродвигателя через измерительный редуктор ИР, который ставит в соответствие, например, максимальное линейное перемещение механизма (рабочего органа РО) с максимальным

339

углом поворота ротора сельсина. Таким образом, в исходном положении механизма ротор сельсина-датчика находится в исходном положении,

когда θ = 0 и Eлm = 0 , при максимальном перемещении механизма в одном направлении, ротор сельсина повернется на максимальный угол θ = θmax при котором Eлm = max ; при максимальном перемещении механизма в противоположном от исходного направлении, ротор сельсина повернется на угол θ = −θmax , при котором Eлm = −max .

Для получения напряжения постоянного тока, пропорционального углу поворота ротора сельсина (перемещению механизма), применяют фазовыпрямляющее устройство (ФВУ), величина выходного напряжения

которого Uоп зависит от амплитуды переменного входного напряжения,

а полярность выходного напряжения определяется фазой входного напряжения (рис.В.14).

Таким образом, по величине напряжения Uоп с выхода ФВУ можно судить о величине линейного перемещения механизма, а по полярности Uоп – о направлении перемещения от исходного положения.

Рис.В.14. Схема включения сельсинадатчика

Выходное напряжение ФВУ Uоп может применяться в качестве

напряжения обратной связи по положению механизма в позиционной СУЭП.

В режиме фазовращателя трехфазная обмотка статора получает питание от источника трехфазного напряжения с неизменной амплитудой

340